阿摩線上測驗
登入
首頁
>
初等/五等/佐級◆基本電學大意
> 【已刪除】104年 - 104年初等基本電學大意更新日期:2016-02-23#49419
【已刪除】104年 - 104年初等基本電學大意更新日期:2016-02-23#49419
科目:
初等/五等/佐級◆基本電學大意 |
年份:
104年 |
選擇題數:
40 |
申論題數:
0
試卷資訊
所屬科目:
初等/五等/佐級◆基本電學大意
選擇題 (40)
【已刪除】1 某一電阻器其電阻值為 2.2 kΩ,額定功率為 2 瓦特,則其可承受的最大電流約為多少毫安培? (A)30 (B)45 (C)60 (D)90
【已刪除】2 如圖示電路,等效電阻 R
T
= 16 Ω,則 R 為多少 Ω?
(A)3 (B)4 (C)5 (D)6
【已刪除】 3 有一耐壓為 220 伏特的電阻器接於 110 伏特的電源時,消耗 100 瓦特,則接於 220 伏特的電源時,消耗功率 為多少瓦特? (A)200 (B)300 (C)400 (D)600
【已刪除】4 有一電阻,其四環色碼順序分別為藍色、灰色、黑色、金色,試問其電阻值約為多少歐姆? (A)6.8 (B)6.8×10
1
(C)8.6×10
1
(D)8.6×10
2
【已刪除】5 有一電阻,其四環色碼順序分別為綠色、黑色、黃色、銀色,若通以 200 μA 之電流,試問因電阻誤差所導 致的電阻端電壓變化範圍約為多少伏特? (A)5 (B)10 (C)15 (D)20
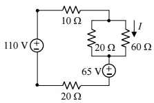
【已刪除】6 求圖示之電流 I 為多少安培?(A)0.25 (B)0.5 (C)0.75 (D)1.0
【已刪除】 7 3 個電阻 R
1
、R
2
及 R
3
並聯後,再由一直流電壓源 V 供電,若已知電阻值 R
1
< R
2
< R
3
,且流經 R
1
、R
2
及 R
3
之電流分別為 I
R1
、I
R2
及 I
R3
,試問下列何者正確? (A)I
R1
= I
R2
= I
R3
(B)I
R1
< I
R2
< I
R3
(C)I
R1
= I
R2
+ I
R3
(D)I
R1
> I
R2
> I
R3
【已刪除】 8 一阻值 3.5 歐姆的電阻,若通過的電流由 2 安培變為 10 安培,試問此時電阻的端電壓變為原本的幾倍? (A)10 (B)5 (C)20 (D)1
【已刪除】 9 如圖所示,試求電流 I
1
之值:
(A)2 安培 (B)4 安培 (C)6 安培 (D)8 安培
【已刪除】10 如圖所示電路,試求可變電阻 R
L
可獲得之最大功率為幾瓦?
(A)2 (B)3 (C)5 (D)6
【已刪除】11 左下圖電路之等效 T 型電路如右下圖所示,求 R
1
、R
2
與 R
3
各為多少 Ω?
(A)R
1
= 1 Ω,R
2
= 4 Ω,R
3
= 0.8 Ω (B)R
1
= 0.8 Ω,R
2
= 4 Ω,R
3
= 1 Ω (C)R
1
= 2 Ω,R
2
= 10 Ω,R
3
= 8 Ω (D)R
1
= 10 Ω,R
2
= 8 Ω,R
3
= 2 Ω
【已刪除】12 如圖所示電路,R
L
為可變電阻,試求 R
L
為幾歐姆時,可獲得最大功率?
(A)2 (B)4 (C)6 (D)8
【已刪除】13 如圖示電路,20 Ω 電阻上的消耗功率為何?
(A)320 W (B)640 W (C)960 W (D)1280 W
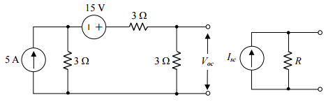
【已刪除】14 右下圖為左下圖的諾頓等效電路,若諾頓等效電流源 I
SC
的值為 5A,則電阻 R 的值為何? (A)2 Ω (B)3 Ω (C)4 Ω (D)6 Ω
【已刪除】15 如圖所示,當 10 Ω 電阻上無電流流過時,此時電阻 R
X
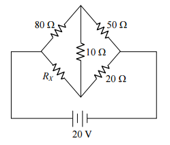
之值為多少歐姆? (A)8 (B)16 (C)32 (D)50
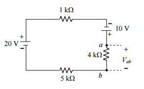
【已刪除】16 某電路如圖所示,電阻 4 kΩ 之端電壓 V
ab
為多少 V? (A)4 (B)10 (C)12 (D)24
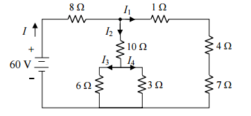
【已刪除】17 如圖示電路,求 I
1
:I
3
:I
4
為多少?(A)3:2:1 (B)4:1:2 (C)4:2:1 (D)3:1:2
【已刪除】18 如圖示電路,等效電阻 R
T
為多少 Ω? (A)2 (B)3 (C)6 (D)12
【已刪除】19 有一 RL 電路之電阻值為 6 歐姆、功率因數為 0.6,若欲改善其功率因素至 0.8 滯後,則須串接何種元件及阻抗?(A)電感抗 3.5 歐姆 (B)電容抗 3.5 歐姆 (C)電感抗 4.5 歐姆 (D)電容抗 4.5 歐姆
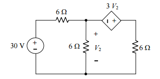
【已刪除】20 如圖示電路,V
2
的值為何?
(A)5 V (B)10 V (C)15 V (D)20 V
【已刪除】21 如圖示電路,若 I
o
= 4∠0°A,試求 V
S
:
(A)6.86∠0°V (B)5.66∠-45°V (C)45.00∠30°V (D)15.24∠60°V
【已刪除】22 如圖所示,兩線圈的電感分別為 2H 及 4H,且無互感,則 a 與 b 兩端之總電感為多少?
(A)6 H (B)5 H (C)3 H (D)2 H
【已刪除】23 某平行金屬板電容器,若將極板面積及板間距離同時增加 1 倍,則其電容量為原來的幾倍? (A)4 倍 (B)不變 (C)2 倍 (D)1/4 倍
【已刪除】24 兩電容器 C
1
與 C
2
,當串聯時總電容值為 6 μF,並聯時總電容值為 25 μF,則:(A)C
1
= 9 μF,C
2
= 16 μF (B)C
1
= 12 μF,C
2
= 13 μF (C)C
1
= 10 μF,C
2
= 15 μF (D)C
1
= 11 μF,C
2
= 14 μF
【已刪除】25 將 2 H 與 3 H 的電感器並聯使用且無互感,則並聯後之等效電感值應為多少? (A)5 H (B)2.5 H (C)1.5 H (D)1.2 H
【已刪除】26 並聯之三電容器,其總電荷為 2400 μC,若此三電容器之電容值各為 1、2 及 3 μF,則跨於其上之電壓為: (A)600 伏特 (B)300 伏特 (C)100 伏特 (D)400 伏特
【已刪除】27 下列有關磁力線特性之敘述,何者錯誤? (A)磁力線與磁力線間彼此不相交 (B)在磁鐵內部,磁力線由 N 極回到 S 極 (C)磁力線的切線方向是磁場方向 (D)磁力線各自形成獨立的封閉迴路
【已刪除】28 將電量為 0.2 C 之電荷由無窮遠處移至某電場中的 A 點,所需作功為 10 J,則 A 點之電位為多少伏特? (A)100 (B)50 (C)2 (D)0.02
【已刪除】29 假設兩個電容器儲存之電荷量均相同,且測得甲電容器的電壓為乙電容器電壓的 3 倍,則甲電容器之電容值 為乙的幾倍? (A)1/3 倍 (B)3 倍 (C)9 倍 (D)1/9 倍
【已刪除】30 單位面積所通過的電力線總數,定義為: (A)電場強度 (B)電通密度 (C)電位梯度 (D)電動勢
【已刪除】31 有 1 個電感值為 2 亨利的電感器,其線圈之匝數為 64。若欲將其電感值降為 0.5 亨利,則其線圈匝數應為多少? (A)16 (B)24 (C)32 (D)40
【已刪除】32 三相平衡Δ接電源,線電壓為 V,線電流為 I,功率因數為 cosθ,則三相實功率為幾瓦特? (A)VI cosθ (B) √3 VI cosθ (C)3 VI cosθ (D) 3 √3 VI cosθ
【已刪除】33 如圖示電路,試求電壓 V
o
:
(A)1.3∠48.32°V (B)2.6∠12.53°V (C)5.6∠42.12°V (D)8.6∠-48.67°V
【已刪除】34 某 4 極交流發電機轉速為每分鐘 1800 轉,試問其發電頻率為多少赫茲(Hz)? (A)60 (B)120 (C)1800 (D)4
【已刪除】35 有一交流電路之電壓 v(t ) = 100 √2 sin(377t + 10°)V 、電流 i (t ) = 10 √2 sin(377t − 20°)A ,則此電路之視在功率 S 為多少伏安(VA)? (A)1000 (B)1414 (C)1732 (D)2000
【已刪除】36 如圖示電路,試求電壓
(A)8.3∠-20°V (B)9.2∠16.16°V (C)12∠-13.43°V (D)7∠-26.16°V
【已刪除】37 如圖示電路,試求電壓 V
o
:
(A)53.2∠25.6°V (B)18.2∠-25.6°V (C)15.2∠-34.7°V (D)3.5∠-35.7°V
【已刪除】38 某 4 極交流發電機之發電頻率為 60 赫茲,則其轉速為每分鐘多少轉(rpm)?如磁極改為 8 極,則轉速為 多少 rpm 才能維持發電頻率為 60 赫茲? (A)1800 rpm;900 rpm (B)3600 rpm;1800 rpm (C)900 rpm;1800 rpm (D)1800 rpm;3600 rpm
【已刪除】39 圖示電路中,若電源電壓為 100∠10°伏特,則當穩態時電流 I 之大小應為多少安培?
(A)2 (B)5 (C)10 (D)20
【已刪除】40 如圖所示 RLC 並聯電路,若 R = 10 (Ω)、X
L
=10 (Ω)、X
C
=5 (Ω),則此電路之電壓 E 與電流 I 之相位關係應為:
(A)電壓超前電流 (B)電流超前電壓 (C)同相位 (D)無法確認
申論題 (0)