無年度 - 機械原理-901-1000#18476
試卷資訊
所屬科目:機械原理(機械概論、大意)
選擇題 (100)
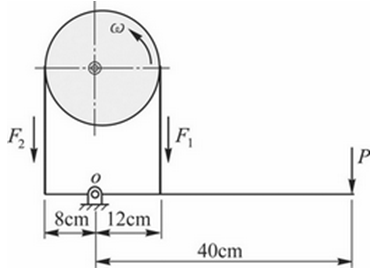
927.如圖所示之單塊制動器,若轉動之轉矩T=1800N-cm,鼓輪直徑36cm,摩擦係數μ=0.25,試求鼓輪順時針旋轉時所需之制動力P為若干牛頓?
(A)26 (B)48 (C)76 (D)84。
(A)26 (B)48 (C)76 (D)84。
948.一單塊制動器如圖所示,鼓輪軸之扭矩為240N-cm,鼓輪半徑12cm,若摩擦係數為0.2,則作用力Fa為(長度單位:cm)
(A)66.7N (B)86.6N (C)100N (D)120N。
(A)66.7N (B)86.6N (C)100N (D)120N。
949.如圖所示之制動器,鼓輪直徑48cm,轉軸扭矩為24N-m,摩擦係數為0.2,當鼓輪逆時針旋轉時,所需之制動力為(長度單位:cm)
(A)96N (B)104N (C)120N (D)150N。
(A)96N (B)104N (C)120N (D)150N。
(A)+1 (B)-6 (C)+13 (D)-13。
(A)+27 (B)-27 (C)-21 (D)+21。
(A)+27 (B)-27 (C)-21 (D)+21。
(A)1/10 (B)1 (C)10 (D)20。
(A)順時針6rpm (B)逆時針4rpm (C)順時針4rpm (D)逆時針6rpm。
(A)25 (B)75 (C)150 (D)300。
(A)5000 (B)6250 (C)7500 (D)8750。
(A)78.5 (B)157 (C)225 (D)314。

(A)10 (B)20 (C)40 (D)50。
(A)18 (B)20 (C)24 (D)30。
(A)35 (B)57 (C)63 (D)74。
,鼓輪直徑8cm,平衡扭矩為400N-cm,當
時,則停止轉動,試求制動力P為
(A)10 N (B)15 N (C)20 N (D)25 N。
(A)P=10.5N (B)P=6.7N (C)T=700N-cm (D)T=800N-cm。
(A)26 (B)48 (C)76 (D)84。
(A)30 (B)40 (C)50 (D)60。

(A)6 (B)10 (C)20 (D)25。
(A)24N (B)30N (C)36N (D)48N。
(A)96N (B)104N (C)120N (D)150N。
(A)72牛頓 (B)100牛頓 (C)144牛頓 (D)200牛頓。
(A)1 (B)2 (C)3 (D)4。
(A)等速運動 (B)簡諧運動 (C)等加速運動 (D)搖擺運動。
(A)等速運動 (B)加速運動 (C)簡諧運動 (D)反覆運動。
(A)在bc段從動件為等速運動 (B)在cd段從動件為等減速運動 (C)在ab段從動件為等速運動 (D)在一循環中從動運動平穩無振動發生。
(A)等加速運動 (B)等減速運動 (C)等速運動 (D)靜止不動。