阿摩線上測驗
登入
首頁
>
技檢◆銑床-CNC 銑床-乙級
> 無年度 - 18201 銑床-CNC 銑床 乙級 工作項目 05:傳統銑床、CNC銑床-二又二分之一次圓弧及輪廓#47823
無年度 - 18201 銑床-CNC 銑床 乙級 工作項目 05:傳統銑床、CNC銑床-二又二分之一次圓弧及輪廓#47823
科目:
技檢◆銑床-CNC 銑床-乙級 |
選擇題數:
85 |
申論題數:
0
試卷資訊
所屬科目:
技檢◆銑床-CNC 銑床-乙級
選擇題 (85)
1. 採用座標法,在傳統銑床上以直徑 16 ㎜端銑刀的圓柱面銑削半徑 12 ㎜的外圓弧,當刀具從 0 度移至 2 度時, X 軸移動量為(A)0.060(B)0.048(C)0.024(D)0.012 mm。(sin2°=0.03490, cos2°=0.99939, tan2°=0.03492)
2. 分度盤可配合下列何種工具機可加工平板凸輪的輪廓?(A)牛頭鉋床(B)立式銑床(C)車床(D)鑽床。
3. 分度盤的手輪與盤面迴轉速比為(A)90:1(B)1:90(C)40:1(D)1:40。
4. 有一正三角形之板狀工件,其邊長為 112mm,擬將該工件之各頂角銑削成半徑 10mm 的外圓弧,則各圓弧頂 至對應之各底邊距離約為(A)56mm(B)67mm(C)77mm(D)87mm。
5. 採用座標法以直徑 20mm 端銑刀,銑削一直徑 32mm 之外圓弧,當刀具由 0 度移至 5 度,Y 軸的移動量為(A)2.266mm(B)25.9106mm(C)2.2747mm(D)297.1814mm。
6. 採用座標法,在傳統銑床上以端銑刀的圓柱面銑削外圓弧時,分點數的多寡與加工後的輪廓粗糙度之關係為 點數愈多(A)愈粗糙(B)愈光滑(C)粗糙度維持定值(D)與粗糙度無相關。
7. 採用座標法,在傳統銑床上以端銑刀的圓柱面銑削外圓弧時,分點數的多寡與進給量之關係為點數愈多(A)進 給少(B)進給多(C)進給量不變(D)與進給無相關。
8. 在傳統銑床上銑削半徑為 10 ㎜的內圓弧如下圖所示,則選用的刀具直徑為
(A)10 ㎜(B)20 ㎜(C)30 ㎜(D)40 ㎜。
9. 在傳統銑床銑削外圓角,宜採用下列何種刀具?(A)端銑刀(B)面銑刀(C)成形銑刀(D)側銑刀。
10. 欲得精確的孔徑且該孔不適合鉸孔時,宜採用下列何種刀具?(A)端銑刀(B)面銑刀(C)鑽頭(D)搪孔刀。
11. 在傳統銑床上銑削圓弧狀溝槽如下圖所示,宜配合使用
(A)正弦虎鉗(B)轉盤(C)V 枕(D)千斤頂。
12. 在傳統銑床上銑削平板凸輪,下列何者宜配合使用(A)分度頭(B)角板(C)萬能虎鉗(D)雞心夾頭。
13. 在傳統銑床加工時,下列銑削工作何者不須成形銑刀?(A)銑齒輪(B)銑鏈輪(C)倒圓角(D)鑽孔。
14. 欲銑削無移位的平齒輪,若其模數為 2.0 ㎜,齒數為 20,則胚料外徑為(A)30 ㎜(B)40 ㎜(C)44 ㎜(D)50 ㎜。
15. 傳統銑床的分度頭,其蝸桿與蝸輪的速比為(A)1:9(B)9:1(C)1:40(D)40:1。
16. 銑削鑽頭的螺旋溝槽可在下列何種銑床加工?(A)立式銑床(B)臥式銑床(C)萬能銑床(D)龍門銑床。
17. 銑削模數 2.0 無移位的平齒輪時,切削深度為(A)2.0 ㎜(B)4.314 ㎜(C)5.314 ㎜(D)6.314 ㎜。
18. 使用 B&S 分度頭,欲作 13 等分工作,應選則那一片分度板?(A)第 1 片(B)第 2 片(C)第 3 片(D)自製分度板。(第1 片:15 16 17 18 19 20,第 2 片:21 23 27 29 31 33,第 3 片:37 39 41 43 47 49)
19. 使用 B&S 分度頭,欲作 14 等分工作,應選則那一片分度板?(A)第 1,2 片皆可(B)第 2,3 片皆可(C)第 1,3 片皆可 (D)第 1,2,3 片皆可。(第 1 片:15 16 17 18 19 20,第 2 片:21 23 27 29 31 33,第 3 片:37 39 41 43 47 49)
20. 比較模數 1 ㎜與 5 ㎜的齒輪(A)前者齒形較小(B)後者齒形較小(C)前者節圓直徑較大(D)後者節圓直徑較大。
21. 在傳統銑床上利用分度盤銑削圓弧溝槽,如下圖所示,將工件固定在分度盤的內容不包括
(A)調整工件底邊平 行 X 軸(B)鎖緊分度盤的盤面(C)使工件的圓弧中心對正分度盤中心(D)調整工件垂直中心線平行 Y 軸。
22. 通常在傳統銑床上的倒角的方法不包括(A)將工件上在 V 枕上,以虎鉗夾持工件(B)使用倒角刀(C)虎鉗旋轉 45° (D)使用座標法沿著倒角面切削。 30
23. 銑削通過任意兩點之圓弧程式,對於半徑 R 的敘述,下列何者不正確?(A)圓心角小於 180°時,R 為正值(B)圓 心角等於 180°時,R 為正值(C)圓心角大於 180°時,R 為負值(D)圓心角與 R 值無關。
24. 下列何種切削需考慮工件圓弧半徑不得小於刀具半徑?(A)切削外圓弧(B)切削內圓弧(C)切削外角隅(D)與切削型 式無關。
25. 銑削後外形尺寸偏大,其程式中有 G43 H01; G41 D02;,則應修改(A)G43 為 G44(B)G41 為 G42(C)H01 之資料(D)D 02 之資料。
26. 程式 G91 G00 G45 X-5.0 D01;,若 D01 設定為-5.0,則結果為 X 軸移動(A)-15.0mm(B)-10.0mm(C)-5.0mm(D)0mm。
27. 若用 R 值指令銑削圓心角大於 180°的圓弧時,R 值為(A)負值(B)正值(C)正負值皆可(D)不須標註。
28. 銑削 YZ 平面之圓弧須使用指令(A)G17(B)G18(C)G19(D)G20。
29. G19 G03 X_ Y_ Z_ J20.0 F_; 的刀具路徑為(A)ψ40 圓(B)螺旋(C)一點(D)直線。
30. G17 G01 G41 X100. D01 F250; ,程式中的刀具補正值須輸入在(A)G17(B)G41(C)I20.0(D)D01。
31. 刀具路徑如下圖所示,則補正指令為
(A)G40(B)G41(C)G42(D)G43。
32. 下列敘述何者錯誤?(A)指令 G18 為選擇 ZX 平面(B)G41 為左補正(C)G02 為反時針銑削(D)圓弧切削的 R 值亦可 以 I、J 代替。
33. 曲面上凸部份的最小曲率半徑為 3mm,最大為 10mm,下凹部份的最小曲率半徑為 8mm,最大為 20mm。若 欲精加工此曲面,則可選用最大的球刀半徑為(A)3mm(B)8mm(C)10mm(D)20mm。
34. 以球刀中心執行下列程式 O123; G40 G49 G80; S1000 M03; G91 G00 Z-50.0; G01 Z-10.0 F100; N10 G18 G02 X100.0 I50.0; G01 X0.1 Y1.0; G03 X-100.2 I-50.1; G01 X-0.1 Y1.0; G02 X100.4 I50.2; G01 X0.1 Y1.0; G03 X-100.6 I-50.3; G01 X-0.1 Y1.0; G02 X100.8 I50.4; G01 X0.1 Y1.0; G03 X-101.0 I-50.5; G01 X-0.1 Y1.0; G02 X101.2 I50.6; G01 X0.1 Y1.0; G03 X-101.4 I-50.7; G01 X-0.1 Y1.0; G02 X101.6 I50.8; G01 X0.1 Y1.0; G03 X-101.8 I-50.9; G00 Z50.0; M30;,執行結果為(A)在 YZ 平面上銑削圓弧(B)刀具路徑形成半圓錐面(C)刀具路徑形成直紋曲面(D)以 球刀刀端點之路徑為半圓錐面。
35. 加工掃掠曲面(Swept surface) 的 NC 程式,採用何種方式製作較方便?(A)人工計算刀具路徑座標,手寫方式製 作 NC 程式(B)使用 2D 電腦繪圖軟體求得刀具路徑座標,手寫方式製作 NC 程式(C)使用 CAD/CAM 軟體製作 N C 程式(D)使用 CAE 軟體製作 NC 程式。
36. 以直線指令方式製作曲面的 NC 程式,下列何者較有效率?(A)手工計算座標點,手寫 NC 程式(B)以計算器算 點座標,手寫 NC 程式(C)以 CAD 軟體繪製曲面,以 CAM 軟體製作 NC 程式(D)以 CAE 軟體製作 NC 程式。
37. 一般狀況下,粗削曲面採用下列何種銑刀效率較佳?(A)面銑刀(B)平口端銑刀(C)球刀(D)錐狀球刀。
38. 通過數點能產生幾種曲線?(A)1 種(B)2 種(C)3 種(D)多種。
39. 欲在球面上刻字,先求得 2D 的刻字刀具路徑,再以 2D 路徑點的 X、Y 座標對應在球面上的 Z 座標,此操作 觀念稱為(A)直紋(B)掃掠(C)投影(D)旋轉。
40. 如下圖所示,使用圓弧指令銑削曲面,下列何種方式較佳?
(A)用控制器補正方式,以圓弧 A、圓弧 B 所形成 的曲面為範圍製作程式,使用球刀加工(B)用控制器補正方式,以圓弧 A、圓弧 B 向 Z 方向加刀具半徑之尺寸 求出補正曲面製作程式,使用球刀加工(C)不使用控制器補正,以圓弧 A、圓弧 B 所形成的曲面向法線方向求 出補正曲面製作程式,使用球刀加工(D)以用控制器補正方式,以圓弧 A、圓弧 B 所形成的曲面範圍製作程式, 使用平口端銑刀。 31
41. 如下圖所示,使用圓弧指令銑削曲面,下列何種刀具較適合?
(A)平口端銑刀(B)球刀(C)圓角端銑刀(D)錐形端銑 刀。
42. 如下圖,精銑削曲面部分,使用下列何種刀具較適合?
(A)平口端銑刀(B)球刀(C)圓角端銑刀(D)錐形端銑刀。
43. 以 G01 的方式沿軸心方向精銑削橫臥之外半圓柱面時,優先採用何種銑刀?(A)平銑刀(B)T 槽銑刀(C)球刀(D)錐 形球刀。
44. 以 G01 方式切削曲面,其弦高誤差值是指(A)最大容許誤差(B)最小容許誤差(C)平均容許誤差(D)最大平均誤差的 平方根。
45. 以 G01 加工曲面的刀具路徑,如果 CNC 銑床的預讀能力(Buffer)及計算速度不足,下列敘述何者正確?(A)給 予適當的誤差及 G19,平行於 XZ 平面的路徑可重整為圓弧(G02, G03)路徑(B)短距離的刀具路徑不會造成進給 率降低(C)給予適當的誤差,所有的刀具路徑可重整為圓弧(G02,G03)路徑(D)短距離的刀具路徑會造成機器抖 動。
46. 銑削 25 ㎜×25 ㎜外形輪廓,程式為 G90 G01 G42 X0 Y0 D01 F100;而接續的單節不正確的是(A)G91 X25.0;Y2 5.0;X-25.0;Y-25.0;(B)G91 X-25.0;Y-25.0;X25.0;Y25.0;(C)G91 Y-25.0;X25.0;Y25.0;X-25.0;(D)G91 Y2 5.0;X25.0;Y-25.0;X-25.0;。
47. 如下圖所示,10 ㎜球刀之中心在半圓球曲面上,若半圓球的中心座標(0,0,0),半徑 20 ㎜,當球刀中心座標移 至 X= -10.0,Y=12.0,則其 Z 座標值為(A)
(B)
(C)
(D)
。
48. 執行程式 G91 G01 X50.0 Y100.0 Z150.0 F80 ; 刀具在 Z 方向移動 100mm 時,X 方向移動量計算式為(A)
(B)
(C)
(D)
。
49. 如下圖以 R2 球銑刀銑削圖示半圓槽,在不啟動刀徑補正下,由點 1→點 2 之球刀中心路徑程式為
(A)G91 G18 G02 X-12.0 R6.0;(B)G91 G18 G03 X-12.0 R6.0;(C)G91 G18 G02 X-8.0 R4.0;(D)G91 G18 G03 X-8.0 R4.0;。
50. 如下圖所示,刀尖自 A 點逆時鐘之全圓銑削路徑程式為(A)G03 I5.0;(B)G03 J5.0;(C)G03 I-5.0;(D)G03 J-5.0;。
51. 如下圖所示,刀尖自 A 點→B 點之圓弧銑削路徑程式為
(A)G91 G19 G02 Y-20.0 J10.0;(B)G91 G19 G03 Y-20.0 J1 0.0;(C)G91 G19 G02 Y-20.0 J-10.0;(D)G91 G19 G03 Y-20.0 J-10.0;。
52. 以直徑 10 端銑刀銑削圓弧溝槽,尺寸如下圖,若程式為 G90 G00 XαYβ; G01 Z-3.0 F50; G91 G17 G02 Xγ Y δ R30.0; 則(A)α=11.481, β=-27.716 ,γ=11.481, δ=27.716(B)α=-11.481, β=27.716 ,γ=22.962, δ=0(C)α=11.481, β=-27.716 ,γ=22.962, δ=27.716(D)α=-11.481, β=27.716 ,γ=11.481, δ=0。 (sin22.5°=0.38268, cos22.5°=0.92388, t an22.5°=0.41421)
53. 如下圖所示,圓鼻刀(刀徑 10mm,圓角 2mm)與半圓柱曲面(半徑 25mm)的接觸點為 P,則刀端中心 Q 之座標 為
(A)X26.382 Z11.5(B)X26.182 Z11.6(C)X26.082 Z11.7(D)X25.982 Z11.8。(sin30°=0.5, cos30°=0.866, tan30°=0.5774)
複選題
54. 採用錐角 90°的倒角刀進行倒角 1x45°,下列敘述何者正確?(sin45°=0.707,cos45°=0.707)(A)第 1 刀銑削後量得斜 邊長為 1mm,則下一刀向下進刀 0.293mm(B)第 1 刀銑削後量得斜邊長為 0.9mm,則下一刀向材料側進刀 0.1m m(C)第 1 刀銑削後量得斜邊長為 1.2mm,則下一刀向下進刀 0.152mm(D)第 1 刀銑削後量得斜邊長為 0.8mm,則 下一刀向材料側進刀 0.2mm。
複選題
55. 計算倒角刀的轉速時,其直徑不宜採用(A)刀具柄徑(B)刀刃最大徑(C)刀具切削工件時的最大徑(D)平均直徑。
複選題
56. 以分度頭等分 15 等份,可採用下列何孔圈(A)18(B)20(C)33(D)39。
複選題
57. 以臥式銑床進行排銑,其刀軸上安裝數個不同直徑的開槽銑刀,選擇切削速度時須考慮下列何者(A)刀具最大 徑(B)刀具最小徑(C)工件材質(D)刀具材質。
複選題
58. 在傳統銑床上銑削外圓弧,可應用下列何種方法?(A)自動進給(B)座標法(C)轉盤銑削(D)成形刀銑削。
複選題
59. 外徑 88mm 之胚料若應用分度頭銑削成公制無移位正齒輪,已知銑刀模數 4,則下列敘述何者正確?(A)齒數 為 22 齒(B)齒頂高為 4mm(C)銑削相鄰齒間,曲柄應轉二圈(D)其齒形較模數 3 者為小。
複選題
60. 欲銑削成如圖所示之斜面,宜使用下列何種工具?
(A)虎鉗、轉盤和平口端銑刀(B)虎鉗、斜度墊塊和平口端銑 刀(C)虎鉗、平行墊塊和錐度銑刀(D)虎鉗、轉盤和錐度銑刀。
複選題
61. 欲銑削成如圖所示之 90°V 形斜面,宜使用下列何種工具?
(A)虎鉗、V 形枕和平口端銑刀(B)虎鉗、平行墊塊和 90°成形銑刀(C)虎鉗、轉盤和錐度銑刀(D)虎鉗、轉盤和平口端銑刀。
複選題
62. 在長方體工件邊緣銑削 2×45°倒角,下列敘述何者正確?(A)工件墊 90°V 枕使倒角邊傾斜 45°,以面銑刀加工(B) 33 工件放正,以 90°倒角刀加工(C)工件墊 90°V 枕,以面銑刀輕觸工件邊緣,床台再上升 1.414mm(D)工件放正, 以 90°倒角刀輕觸工件邊緣,床台再上升 1.414mm。
複選題
63. 在鋼材塊料上銑削鳩尾槽,下列敘述何者正確?(A)鳩尾銑刀的角度常為 60°及 75°,屬於成型銑刀(B)可直接以 鳩尾銑刀銑出內鳩尾槽(C)外鳩尾槽之寬度受銑削完成深度之影響(D)由於鳩尾刀尖端脆弱,粗銑削宜採順銑。
複選題
64. 以附轉盤式虎鉗之銑床銑削如下圖之等邊三角形,下列轉盤旋轉位置何者正確?(A)
(B)
(C)
(D)
複選題
65. 採用下列那些方法可切削出斜面?(A)虎鉗夾持時墊斜度板,放於工件底面(B)切削中改變轉速及進給率(C)球刀 以小移動量的方式等高銑削(D)虎鉗旋轉角度。
複選題
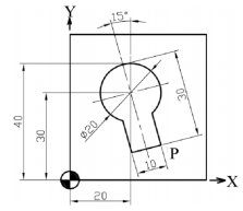
66. 如下圖所示,P 點不正確的 X 座標約為(A)30.006(B)30.056(C)30.106(D)30.156。 (sin15°=0.259,cos15°=0.966)
複選題
67. 程式 O123;N1 G92 X0 Y0;N2 G42 G0 X20.0 Y10.0 D1;N3 G1 X50.0;N4 G91 G28 X0 Y0 Z0;N5…,D1 為刀 具半徑 。當執行完 N3 時,刀具中心位置不會在下圖所示的(A)A 點(B)B 點(C)C 點(D)D 點。
複選題
68. 如下圖球形端刀沿 X 軸方向往復精削凸出的半球面,若球刀在 Y 軸方向的路徑間距皆相同,則殘料較多區域 出現在何範圍內
(A)A 區(B)B 區(C)C 區(D)D 區。
複選題
69. 欲暫停 1 秒,下列程式何者正確?(A)G04X1.0(B)G04P1(C)G04X1(D)G04P1000。
複選題
70. 以球形端銑刀銑削凸出的半球面,欲使半球面的殘料較均勻,相鄰兩路徑間距的選擇不宜採用(A)球面上之距 離相同(B)X 方向的間距相同(C)Y 方向的間距相同(D)Z 方向的間距相同。
複選題
71. 刀具路徑如下圖所示,則補正指令為(A)G41D1(D1 值<0)(B)G41D1(D1 值>0)(C)G42D1(D1 值<0)(D)G42D1(D1 值 >0)。
複選題
72. 程式頭為 G17 G40 G49 G80;G54 G0 X0 Y0 Z100.0;S2000 M03;G90 G00 X10.0 Y10.0;…,若機械原點至程式 原點的向量設定在 G54 工作座標系,則執行此程式前宜先將刀具移至(A)機械原點(B)程式原點(C)相對座標原點 (D)相互不干涉的位置。
複選題
73. G91 G18 S1000 M03;N1 G03 X40.0 I20.0;N2 G01 Y0.1;N3 G02 X-40.0 I-20.0;N4 G01 Y0.1;重複 N1~N4 數次, 欲銑削出半圓柱面則刀具不宜選擇(A)球形端銑刀(B)圓鼻刀(C)平口端銑刀(D)圓角刀。
複選題
74. 欲採用順銑的方式,則其刀具路徑須採用下列何者?(A)外輪廓採用順時針方向(B)外輪廓採用逆時針方向(C)內 輪廓採用逆時針方向(D)內輪廓採用順時針方向。
複選題
75. 下列指令何者是單節有效碼(A)G41(B)G90(C)G28(D)G10。
複選題
76. 有關連續式 NC 控制系統之應用,下列何者為正確?(A)銑床之輪廓切削(B)車床之輪廓切削(C)銑床之鑽孔(D)磨 床之輪廓磨削。
複選題
77. NC 銑床上,加工路徑及銑刀關係如圖所示,所須使用的指令為何?
(A)G02(B)G03(C)G41(D)G42。
複選題
78. NC 銑床上,加工路徑及銑刀關係如圖所示,所須使用的指令為何?
(A)G02(B)G03(C)G41(D)G42。
複選題
79. NC 銑床上,曲面加工路徑及銑刀關係如圖所示,所須使用的指令為何?(A)G02(B)G03(C)G18(D)G19。
複選題
80. 使用銑牙刀銑削內螺紋,則下列敘述何者正確?(A)內孔直徑需大於銑牙刀直徑(B)以 G02 指令向下銑削螺紋(C) 以 G84 指令銑削螺紋(D)銑完螺紋須反轉退刀。
複選題
81. 以 90°倒角刀對工件之頂面四周進行倒角,則下列何者可得等邊倒角(相鄰兩邊倒角距離相等)?(A)
(B)
(C)
(D)
。
複選題
82. 對工件之頂面四周進行等邊倒角(相鄰兩邊倒角距離相等),則下列何者之倒角斜面不為 45°?(A)
(B)
(C)
(D)
。
複選題
83. NC 銑床上以 G76 進行精搪孔,下列敘述何者正確?(A)可改善孔徑偏差(B)下刀點為孔的中心(C)孔徑修正量可 經由調整刀具偏置得到(D)孔徑修正量可經由調整控制器上刀徑補正量得到。
複選題
84. 只用一把球刀精銑如圖之全圓弧曲面,宜使用球刀直徑為(A)8(B)7(C)5(D)4 mm。
複選題
85. 如圖以 NC 程式銑削工件外形後,欲使用相同程式銑削頂面倒角,當主軸換刀後,須修改那些條件?(A)刀徑 補正方向(B)下刀深度(C)刀長補正號(D)刀徑補正量。
申論題 (0)
相關試卷
115年 - 18201 銑床-CNC 銑床 乙級 工作項目 06:傳統銑床、CNC銑床-故障排除及機具維護 51-76(2026/01/05 更新)#136141
115年 · #136141
115年 - 18201 銑床-CNC 銑床 乙級 工作項目 06:傳統銑床、CNC銑床-故障排除及機具維護 1-50(2026/01/05 更新)#136140
115年 · #136140
115年 - 18201 銑床-CNC 銑床 乙級 工作項目 05:傳統銑床、CNC銑床-二又二分之一次圓弧及輪廓 51-85(2026/01/05 更新)#136139
115年 · #136139
115年 - 18201 銑床-CNC 銑床 乙級 工作項目 05:傳統銑床、CNC銑床-二又二分之一次圓弧及輪廓 1-50(2026/01/05 更新)#136138
115年 · #136138
115年 - 18201 銑床-CNC 銑床 乙級 工作項目 04:銑削條件之判斷及處理及傳統銑床、CNC銑床-銑削實習 201-247(2026/01/05 更新)#136137
115年 · #136137
115年 - 18201 銑床-CNC 銑床 乙級 工作項目 04:銑削條件之判斷及處理及傳統銑床、CNC銑床-銑削實習 151-200(2026/01/05 更新)#136136
115年 · #136136
115年 - 18201 銑床-CNC 銑床 乙級 工作項目 04:銑削條件之判斷及處理及傳統銑床、CNC銑床-銑削實習 101-150(2026/01/05 更新)#136135
115年 · #136135
115年 - 18201 銑床-CNC 銑床 乙級 工作項目 04:銑削條件之判斷及處理及傳統銑床、CNC銑床-銑削實習 51-100(2026/01/05 更新)#136134
115年 · #136134
115年 - 18201 銑床-CNC 銑床 乙級 工作項目 04:銑削條件之判斷及處理及傳統銑床、CNC銑床-銑削實習 1-50(2026/01/05 更新)#136133
115年 · #136133
115年 - 18201 銑床-CNC 銑床 乙級 工作項目 03:工件夾持及校正及傳統銑床、CNC銑床-刀具選用及裝卸 101-130(2026/01/05 更新)#136132
115年 · #136132