阿摩線上測驗
登入
首頁
>
機械原理(機械概論、大意)
> 100年 - 100年地方四等考試-四等機械原理概要#45289
100年 - 100年地方四等考試-四等機械原理概要#45289
科目:
機械原理(機械概論、大意) |
年份:
100年 |
選擇題數:
0 |
申論題數:
7
試卷資訊
所屬科目:
機械原理(機械概論、大意)
選擇題 (0)
申論題 (7)
一、螺旋扣件常使用墊圈,試舉三例說明使用之場合與功用。(20 分)
二、⑴通常傳動軸之設計,其直徑大小,基於兩種考慮,一是應力與強度,另一是撓度 與允許變形量。請說明此二法之計算方式。(12 分)
⑵又,最終決定軸徑實際採用之尺寸時,應再依據那些因數而定?(8 分)
三、設一齒輪系值為+16,各齒輪的齒數在 12(含)與 60(含)之間,則該齒輪系有幾 種可能的組合?(20 分)
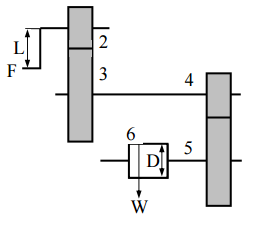
【已刪除】四、一起重機齒輪系如圖所示,齒輪 2、3、4 與 5 的齒數分別為 23、120、30 與 92,捲 筒 6 之直徑 D 為 250 mm,曲柄長 L 為 200 mm,試求輪系值為若干?(10 分)若 重物 W 為 320 kg,問曲柄上所需之力 F 為若干 kg?(10 分)
五、⑴一間歇正齒輪機構,主動輪有 4 齒,從動輪有 20 齒,請問主動輪上兩齒間的夾 角應為多少度?當主動輪迴轉 360 度時,從動輪會轉幾度?(14 分)
⑵日內瓦機構中,從動輪上有 6 個徑向槽,主動輪具有單個插銷(single pin),若 要從動輪轉一周,主動輪需轉幾周?(6 分)
相關試卷
114年 - 114 關務特種考試_四等_機械工程(選試英文):機械原理概要#126566
114年 · #126566
113年 - 113-2 國營臺灣鐵路股份有限公司_從業人員甄試試題_第10階-助理技術員:機械原理概要#125611
113年 · #125611
113年 - 113 臺灣菸酒股份有限公司_年從業職員及從業評價職位人員甄試試題_從業評價職位人員:機械概論#123491
113年 · #123491
113年 - 113 中央印製廠新進人員甄試試題_印製技術員:機械概論#123139
113年 · #123139
113年 - 113 關務特種考試_四等_機械工程(選試英文):機械原理概要#119482
113年 · #119482
112年 - 112 中央銀行所屬中央印製廠、中央造幣廠_新進人員聯合甄試試題_印製技術員/機械技術員:機械概論#120212
112年 · #120212
112年 - 112 地方政府特種考試_四等_機械工程:機械原理概要#118123
112年 · #118123
112年 - 112 原住民族特種考試_四等_機械工程:機械原理概要#116511
112年 · #116511
112年 - 112 普通考試_機械工程:機械原理概要#115401
112年 · #115401
112年 - 112 鐵路特種考試_員級_機械工程:機械原理概要#114870
112年 · #114870