阿摩線上測驗
登入
首頁
>
計算機概論、大意(資訊科學概論,電腦常識,電子計算機概論)
> 100年 - 100 原住民族特種考試_四等_電子工程:計算機概要#45004
100年 - 100 原住民族特種考試_四等_電子工程:計算機概要#45004
科目:
計算機概論、大意(資訊科學概論,電腦常識,電子計算機概論) |
年份:
100年 |
選擇題數:
40 |
申論題數:
0
試卷資訊
所屬科目:
計算機概論、大意(資訊科學概論,電腦常識,電子計算機概論)
選擇題 (40)
1 下列何者使用到系統堆疊(system stack)? (A)動態資料結構(dynamic data structures) (B)程序呼叫(procedure calls) (C)快閃記憶體(flash memory) (D)快取記憶體(cache)
重新載圖
2 對下列二元樹進行前序走訪(preorder traversal)時,走訪的次序為何? (A) ABCDFGE (B) ABCDEFG (C)BFGDECA (D) BAFDGCE
3 將一組資料視為 n 筆記錄(Record)所組成且 n>2,每一筆記錄由許多欄位(Field)所組成;則依據 記錄中某一欄位之值(稱為“鍵值")調整多筆記錄之大小順序稱為排序(Sorting)。下列有關排 序(Sorting)之敘述,何者正確? (A)進行排序(Sorting)時,必須將每一筆記錄之鍵值與所有其他記錄之鍵值相比較,以決定各記錄 之排列順序 (B)進行排序(Sorting)時,必須將所有記錄儲存於主記憶體(Main memory)中,以便調整各記錄之 排列順序 (C)進行排序(Sorting)時,若有二筆記錄之鍵值相同,則此二筆記錄之排列順序不影響排序結果之 正確性 (D)進行排序(Sorting)實際所需之時間與記錄(Record)之筆數 n 有關,但與記錄(Record)之長度 無關
4 關於超純量處理器(superscalar processor)的描述,下列何者錯誤? (A)理論上一次可以派發(issue)多道的指令 (B)理論上一個週期可以完成多道指令的執行 (C)需要複製大量的硬體 (D)又可稱為多核心(multi-core)處理器
5 關於算式樹(Expression Tree)的說明,下列何者錯誤? (A)算式樹可以用二元樹表示 (B)算式樹的葉(Leaf)節點都是運算元(Operand) (C)算式樹的非葉(Non-Leaf)節點都是運算子(Operator) (D)算式樹在進行廣度優先追蹤(Breadth First Traversal)之後,可得中序表示式(Infix Expression)
6 最小成本擴張樹(Minimal spanning tree)演算法中,可以任意挑選起始節點的是: (A) Dijkstra 演算法 (B) Prim 演算法 (C) Bellman-ford 演算法 (D) Kruskal 演算法
7 以比較和交換為主的排序演算法的時間複雜度的下限(worst-case)是: (A)Ω(n log n) (B)Ω(n
2
) (C)Ω(n
2
log n) (D)Ω(log n)
8 自 n 筆資料中依據指定之鍵值(Key value)尋找資料稱為資料搜尋(Search)或簡稱搜尋。下列為資 料搜尋方法相關敘述: ①循序搜尋(Sequential search)法是所有搜尋方法中,空間複雜度(Space complexity)與時間複雜 度(Time complexity)皆最差之搜尋方法。 ②使用循序搜尋(Sequential search)法、費氏搜尋(Fibonacci search)法、內插搜尋(Interpolation search)法、索引搜尋(Index search)法等方法進行資料搜尋(Searching)時,必須先將資料依據 鍵值(Key value)完成排序(Sort)。 ③使用內插搜尋(Interpolation search)法時,必須先將資料依據鍵值(Key value)完成排序(Sort), 故資料搜尋實際之時間複雜度(Time complexity)應包含排序所需之時間而表示為O(n2)+O(log2 n) 或O(n. log
2
n)+O(log2 n)。 ④使用搜尋樹(Search tree)法進行資料搜尋(Searching)時,必須使用額外之記憶體儲存空間建立 樹(Tree)形結構,故實際之空間複雜度(Space complexity)表示為O(n)+O(log
2
n)。 ⑤若某資料搜尋方法之時間複雜度(Time complexity)為O(n. log
2
n),則進行資料搜尋時不應選用此 資料搜尋方法。 請由下列選項中選出最適合者。 (A)③正確;②⑤錯誤 (B)⑤正確;②④錯誤 (C)①正確;③④錯誤 (D)②④⑤錯誤
9 有一棵二元樹(binary tree)的後序走訪(postorder traversal)結果為 DEBFGCA,中序走訪(inorder traversal)為 DBEAFCG,請問此樹的前序走訪(preorder traversal)結果為何? (A) ABDECFG (B) ABCDFEG (C) ADBECFG (D) ABDCEGF
10 若 G 為一非“多重圖形"(Multigraph)、無“自身邊線"(Self edge)之無向圖形(Undirected graph)結 構,並以 V(G)表示 G 之頂點(Vertex)所成之集合(Set),E(G)表示 G 之邊線(Edge)所成之集合(Set)。 下列為有關 G 之敘述: ①使用廣度優先走訪(BFS)可找出 G 之所有連結單元(Connected component)。 ②若 G 不為完整圖形(Complete graph),則 G 之頂點中必存在一關節點(Articulation point)。 ③若H1與H2為G之 2 個連結單元(Connected components),則V(H1)∩V(H2)=φ。 ④若連結 G 之頂點 u 與 v 之邊線(Edge)為 G 之一橋邊(Bridge),則頂點 u 與 v 均為 G 之關節點 (Articulation point)。 ⑤若T1與T2為基於G之生成樹(Spanning tree),則V(T
1
)∩V(T
2
)=V(G)且E(T
1
)∪E(T
2
)=E(G)。 請選出最適合之選項。 (A)①③正確;②⑤錯誤 (B)③④正確;①⑤錯誤 (C)③⑤正確;②④錯誤 (D)④⑤正確;②③錯誤
11 假設系統使用最久沒被使用(least-recently-used, LRU)分頁置換演算法(page replacement algorithm), 且有 3 個分頁框(frame)分配給程序(process)A 使用。若剛開始 3 個分頁框皆為空的,請問程序 A 作一連串分頁存取:7, 0, 1, 2, 0, 3, 0, 4, 2, 3, 0, 3, 2, 1, 2, 0, 1, 7, 0, 1 會使 page 2 被置換出(swap out) 分頁框幾次? (A)0 (B)1 (C)2 (D)3
12 下圖是利用多工器(Multiplexer)實作布林函數 F 的組合電路圖。下列何者是 F 的布林函式? (A) F(x, y, z) = Σ(0, 3, 6, 7) 4×1 MUX (B) F(x, y, z) = Σ(1, 2, 4, 5) y S0 (C) F(x, y, z) = Σ(1, 2, 4, 7) x S1 (D) F(x, y, z) = Σ(0, 3, 4, 6)
13 假設一類似於 IEEE 754 標準的浮點數(floating-point number)表示法有十二位元,格式如下: 11 10 7 6 0 符號 S(sign) 指數 E(exponent) 小數 F(fraction) 其中,S占 1 位元,0 表正數,1 表負數;E占 4 位元,採excess-8(超 8)編碼;F占 7 位元,由高位 元到低位元的權重(weight)依次為 2
-1
、2
-2
、...、2
-8
。則十進位數-3.625 應表示為: (A) 110101110100 (B) 101100110100 (C) 100101110100 (D) 100100011101
14 在多處理機系統(multiprocessor system)上開發平行程式(parallel program)時,開發者必須儘量做 到下列何者?①使用合理的處理機的個數,以配合程式的平行度(parallelism) ②儘可能降低處理 機之間的資料通信量,以減少傳輸與等待的時間 ③儘可能增加處理機之間的同步次數,以增加效能 ④將工作量平均分配到所有的處理機,以避免處理機閒置 (A)①②③④ (B)①②③ (C)②④ (D)①②④
15 下列那些是有特權的指令(privileged instructions)?①關閉中斷(turn off interrupt) ②設定系統計 時器的數值(set value of system timer) ③I/O 的控制命令 ④從使用者模式(user mode)切換成系 統監督模式(monitor mode) ⑤讀取系統時鐘(system clock)的數值 (A)①②③④⑤ (B)①②③④ (C)①②③ (D)①③④
16 作業系統中,下列那一排程演算法(scheduling algorithm)不會造成飢餓(starvation)? (A) Shortest-Job-First(SJF) (B) Priority (C) Shortest-Remaining-Time-First(SRTF) (D) Round-Robin(RR)
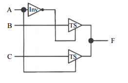
17 一電路如下圖所示,其中 TS(three-state)表示三態閘,Inv(Inverter)表示反向器,試問該電路的 布林函數(F)為何? (A)
(B)
(C)
(D)
18 已知函數 F(A, B, C, D) = ∑
m
(0,4,6,7,8,10,11,12,14,15),試問此函數 F 之 essential prime implicants 有 多少個? (A)1 (B)2 (C)3 (D)4
19 x = 1111 1111 1111 1111 1011 0011 0101 0011, y = 0000 0000 0000 0000 0000 0010 1101 0111,x 及 y 皆是長度為 32 位元的二的補數整數(two’s complement integer),試求 x-y? (A) 1111 1111 1111 1111 1011 0000 0111 1101two (B) 1111 1111 1111 1111 1011 0000 0111 1100two (C) 1111 1111 1111 1111 1100 1111 1000 0011two (D) 1111 1111 1111 1111 1111 0000 1111 1100two
20 下列那一項記憶體定址模式最適用於矩陣(matrix)或陣列(array)等結構的資料存取? (A) Register addressing mode (B) Immediate addressing mode (C) PC-relative addressing mode (D) Base addressing mode
21 下列何者對加快電腦的運算速度沒有幫助? (A)加裝記憶體 (B)將處理器升級為多核心處理器(例如:從同時脈的雙核心處理器,升級為四核心處理器) (C)安裝支援 CUDA(Compute Unified Device Architecture,統一運算架構)之顯示卡 (D)擴充 USB 介面之數量(例如:USB 插槽從八個擴增為十六個)
22 在作業系統中,本文切換(context switch)是指: (A)程序(process)與程序間的切換 (B)函式(function)與函式間的切換 (C)作業系統(operating system)與作業系統間的切換 (D)檔案(file)與檔案間的切換
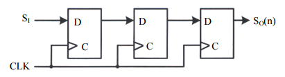
23 下圖由三個 D 正反器(D flip-flops)所組成,試問下列敘述何者錯誤?
(A)此電路為移位暫存器 (B)此電路為同步電路 (C)SO(n)=S
I
(n-4),其中變數n代表時間參考點,4 代表經過的時脈數 (D)此電路為時序電路
24 下列何者不是積體電路(integrated circuit)中使用的電路元件或製造技術? (A)真空管(vacuum tubes) (B)雙極電晶體(bipolar junction transistor, BJT) (C)互補式金屬-氧化層-半導體(complementary metal-oxide-semiconductor, CMOS) (D)微機電系統(micro electro mechanical systems, MEMS) 代號:6416 頁次:6-5
25 執行下列 C 語言程式後,產生的輸出為何? #include
main() { int x = 5, y = 25; if( y > 15) { x += y; } else if( x > 15) { y += x; } else { y -= x; } printf(“%d, %d ”, x, y); } (A) 5, 20 (B) 30, 25 (C) 30, 55 (D) 30, -5
26 下列那一個運算式(expression)即使將括號去除仍不影響該運算式的值? (A) x * (y + z) (B)(w – x) / 3 (C) x * 3 /(y + 2) (D)(y % 3)+ 2
27 下列何者是程式語言在動態記憶體管理方面提供的自動管理機制? (A)垃圾回收(garbage collection) (B)物件導向(object orientation) (C)啟動記錄(activation record) (D)執行緒(thread)
28 請問下列運算式中,何者符合下面的文法? S→A A → A + A | id id → a | b | c (A)a+1 (B)a*b (C)b+c (D)(a + b) * c
29 執行下列 C 語言程式後,產生的輸出為何?
(A) 45 (B) 36 (C) 25 (D) 12
30 在物件導向程式語言中,下列那一種類別(class)不能被實體化(instantiated)? (A)抽象類別(abstract class) (B)非抽象類別(non-abstract class) (C)靜態類別(static class) (D)非靜態類別(non-static class)
31 在撰寫程式時,有時會偏好使用遞迴(recursion)而不使用疊代(iteration),原因為何? (A)遞迴總是比較快 (B)遞迴總是使用比較少的記憶體空間 (C)使用遞迴可降低程式碼的複雜度 (D)有些問題無法使用疊代代號:6416頁次:6-6
32 執行下列 C 語言程式,產生的輸出為何? #include
void swap (int a, int *b) { int t = a; a = *b; *b = t; } main() { int x =1, y =2; swap(x, &y); printf(“%d, %d ”, x, y); } (A) 1, 1 (B) 2, 2 (C) 1, 2 (D) 2, 1
33 下列關於動態 IP 位址的描述,何者錯誤? (A)連線時才取得 IP 位址 (B)結束連線時 IP 位址將被取回 (C)每次連線所取得的 IP 位址可能不同 (D)連線成功後可能會更換 IP 位址
34 以下有關電子郵件安全性的敘述,何者錯誤? (A)電子郵件的加密與簽章標準為 S/MIME(Secure/Multipurpose Internet Mail Extension) (B) S/MIME 是建立於非對稱公開金鑰密碼系統的技術 (C) S/MIME 寄送方需要先安裝憑證機構(certification authority, CA)所核發的個人數位憑證 (D) S/MIME 寄送方需要數位憑證中的公開金鑰才能進行簽章動作
35 以下敘述何者正確? (A) TCP 為非連線導向(connectionless) (B) UDP 自動重送錯誤資料以確保資料正確性 (C) TCP 簡化 ACK 機制,傳送速度較 UDP 快 (D)影音播放傳送大多使用 UDP
36 在傳送網路文件時,加密與解密的雙方採用同一把金鑰,這種系統叫做: (A)非對稱金鑰密碼系統 (B)秘密金鑰密碼系統 (C)公開金鑰密碼系統 (D)雜湊金鑰密碼系統
37 封包過濾式(Packet filter)防火牆可用來: (A)監控電子郵件內容 (B)過濾不當內容之網頁 (C)阻擋公司員工連接瀏覽特定網址的網站 (D)在文件通過防火牆時掃瞄病毒
38 以下有關木馬(Trojan Horse)程式的敘述,何者錯誤? (A)木馬程式不需使用者的允許即可獲得電腦資源使用權 (B)木馬程式會自動登錄在系統啟動區,當作業系統啟動時便自動執行 (C)木馬程式執行後可能會自動變更檔名或隱形 (D)木馬程式與電腦病毒及蠕蟲一樣會自行複製
39 下列那一種網路是屬於無線個人網路(wireless personal area network)? (A) Bluetooth (B) Wi-Fi (C) GSM (D) 3G
40 以下有關防火牆(firewall)的敘述,何者錯誤? (A)防火牆能藉由過濾進入或流出的資訊執行資訊安全管理策略 (B)防火牆的功用是保護一個網路區域或主機,使它在 TCP/IP 上的弱點不易遭人利用 (C)防火牆可以區隔安全性或安全需求不同的區域 (D)防火牆不可以和防毒軟體共用
申論題 (0)
相關試卷
114年 - 114 地方政府公務特種考試_四等_電子工程、電信工程:計算機概要#134700
114年 · #134700
114年 - 114 地方政府公務特種考試_四等_資訊處理:計算機概要#134674
114年 · #134674
114年 - 114 地方政府公務特種考試_三等_電力工程、電子工程、電信工程:計算機概論#134565
114年 · #134565
114年 - 114 專技高考_電子工程技師:電子計算機原理#133573
114年 · #133573
114年 - 114 交通事業港務升資考試_員級晉高員級_技術類—港務:電子計算機概論#133232
114年 · #133232
114年 - 114 公務升官等考試_薦任_電子工程:計算機概論#133169
114年 · #133169
114年 - 114 原住民族特種考試_四等_電子工程:計算機概要#130939
114年 · #130939
114年 - 114 調查特種考試_三等_電子科學組:計算機概論#129574
114年 · #129574
114年 - 114 普通考試_電子工程、電信工程:計算機概要#128599
114年 · #128599
114年 - 114 普通考試_資訊處理:計算機概要#128597
114年 · #128597