阿摩線上測驗
登入
首頁
>
A.電工原理、B.電子概論
> 100年 - 100 台灣中油股份有限公司_雇用人員甄選_儀電類(一)(二):電工原理、電子概論#36261
100年 - 100 台灣中油股份有限公司_雇用人員甄選_儀電類(一)(二):電工原理、電子概論#36261
科目:
A.電工原理、B.電子概論 |
年份:
100年 |
選擇題數:
65 |
申論題數:
0
試卷資訊
所屬科目:
A.電工原理、B.電子概論
選擇題 (65)
1. 24Ω電阻與一只未知電阻 RX並聯後,已知其等效電阻為 16Ω,則 RX之值為: (A)18Ω (B)36Ω (C)48Ω (D)72Ω
2.若長度與截面積皆相等的導線,則電阻係數愈大者,其電阻值: (A)愈大 (B)愈小 (C)相等 (D)無法比較
3. 5 秒鐘內,把 5 庫倫電荷從 10V 移動到 70V 處,則所消耗的平均功率為多少瓦特 ? (A)30 (B)60 (C)120 (D)300
4.某電阻兩端接一 12V 直流電源,共消耗 120 mW;則該電阻之色碼為: (A)棕紅橙金 (B)棕黑橙金 (C)棕紅紅金 (D)黑棕橙金
5.下列敘述何者錯誤 ? (A)理想電壓表內阻無限大 (B)理想電壓源內阻無限大 (C)理想電流源內阻無限大 (D)串聯一電阻器可擴大直流電壓表的量度範圍
6.下列何者可以用來決定載流導體在磁場中的受力方向 ? (A)楞次定律(Lenz’s Law) (B)法拉第電磁感應定律(Faraday’s Electromagnetic Induction Law) (C)佛來明右手定則(Fleming’s Right-Hand Rule) (D)佛來明左手定則(Fleming’s Left-Hand Rule)
7.有一只電容器,已知其充電電量為 5 ×10
-3
庫倫,此時兩極板電位差為 100 伏特,則其電容量為: (A)20 微法拉 (B)50 微法拉 (C)200 微法拉 (D)500 微法拉
8. RC 串聯電路中,若 R=500kΩ、C=0.5 µF,則時間常數 τ 為何 ? (A)0.1秒 (B)1 秒 (C)0.25秒 (D)0.025秒
9.假若流經 30mH 電感器之電流為 10A,則此時電感器所儲存之能量為多少焦耳 ? (A)0.3 (B)1.5 (C)3 (D)15
10.對於「暫態電路」的敘述,下列何者錯誤 ? (A)電容充電瞬間之暫態為短路;電感為斷路 (B)RL 暫態電路,電感器之充電與放電電流方向相同 (C)RC 暫態電路,電容器之充電與放電電流方向相同 (D)RL 暫態電路,時間常數τ=L/R
11. RLC 並聯諧振電路,當頻率調至大於諧振頻率時,則此電路的性質為: (A)電阻性 (B)電感性 (C)電容性 (D)純電感
12.一負電阻溫度係數材料,當其溫度愈高時,電阻變化如何 ? (A)愈大 (B)愈小 (C)維持定值 (D)與溫度變化無關
13.一個 150V 的直流電壓表,內阻為 15K Ω,若將電壓表更改為可量測 750 伏特電壓,則需再串聯多少電阻 ? (A)60KΩ (B)65KΩ (C)75KΩ (D)90KΩ
14.相同材質下,設電容器之平板面積加倍,兩平板間之距離為原來之一半,則此電容器電容量為原來電容量之多少倍?(A)1倍(B)2倍(C)4倍(D)8倍
15.金屬球體之電荷量加倍時,其球體內部之電場強度變化如何? (A)增加 2倍 (B)增加 4倍 (C)減為原來之半 (D)強度不變且為零
16. 在 R-L 電阻電感串聯電路中,當電阻 R=5Ω,電感 L=100mH,則此電路時間常數 τ為多少?(A)5 毫秒(B)20 毫秒(C)100 毫秒(D)500 毫秒
17.一個額定值為 100V/100W 的燈泡,若接於 50V 時,則此燈泡將消耗功率為多少瓦特 ? (A)50 瓦特 (B)36 瓦特 (C)25 瓦特 (D)12.5 瓦特
18.下列有關 R-L-C 電阻電感電容交流串聯電路,下列敘述何者錯誤 ? (A)若電抗 X
L
> X
C
,電路功率因數為超前性質 (B)若電抗 X
L
= X
C
,電路功率因數為 1 (C)若電抗 X
L
> X
C
,電壓相角領先電流相角 (D)若電抗 X
L
= X
C
,電壓相角與電流為同相
19.三相電源系統,每一相之間角度互差多少電機角度 ? (A)90°(B)120° (C)180° (D)360°
20.兩平行導線,已知其電流方向相反,則兩導線間之作用力為: (A)相斥力 (B)相吸力 (C)平行導線無作用力產生 (D)視電流大小而定
21. 將 P 型半導體及 N 型半導體結合時,即會產生一空乏層,則 P 型半導體部份之空乏層內應具有下列何者 ? (A)電洞 (B)電子 (C)正離子 (D)負離子
22.若電源頻率為 60Hz,則經全波整流電路整流後之漣波頻率為多少 ? (A)240Hz (B)120Hz (C)60Hz (D)30Hz
23.設放大器的輸出阻抗為 3.2KΩ,若欲使 8Ω 的揚聲器能與之匹配,則輸出變壓器匝數比為多少 ? (A)20︰1 (B)30︰1 (C)35︰1 (D)40︰1
24.用三用電表之直流電壓檔來測量待測電壓,則量測所得的電壓值為待測電壓的: (A)有效值 (B)峰值 (C)峰對峰值 (D)平均值
25.放大電路的輸出阻抗與負載阻抗匹配的主要目的,是為了傳送下列何者 ? (A)最大電流 (B)最大電壓 (C)最大功率 (D)最高阻抗
26.有關電子概念的敘述,下列何者錯誤 ? (A)一個電子荷電量為-1.602×10
-19
庫侖 (B)1 庫侖的電量約含有 6.25×10
19
個電子 (C)原子獲得電子,則成為帶有負電的負離子 (D)未被原子核及共價鍵所束縛的電子稱為自由電子
27.一般家用日光燈管若是使用 20 瓦的燈管,則應該使用何種型式之啟動器 ? (A)1P (B)2P (C)3P (D)4P
28.如【圖 28】所示,R
1
=20kΩ、 R
2
=10kΩ、C=1µF、R=2kΩ,下列敘述何者錯誤 ?
(A)它是非穩態多諧振盪器 (B)正回授因數為 0.25 (C)V
0
輸出波形為方波 (D)上、下臨界電壓絕對值大小相同
29.若電晶體之α值由 0.95 變至 0.985,則β值的變化最接近哪個答案 ? (A)β值由 19 變至 65.66 (B)β值由 29 變至 75.66 (C)β值由 19 變至 55.66 (D)β值由 29 變至 60.66
30.若一電晶體的 I
CEO
值為 1.5µA、I
CO
值為 7.5nA,則此電晶體的電流增益 β 約為多少 ? (A)100 (B)200 (C)150 (D)300
31.有關 FET 功能特性,下列敘述何者錯誤 ? (A)FET 以歐姆區作為開關 ON 的特性區域 (B)FET 可作電流控制電阻器(CCR)用 (C)FET 屬於單載子元件且輸入阻抗比 BJT大 (D)FET 是用電壓產生電場來控制輸出電流
32.現有 30Ω、60Ω與 20Ω三個電阻器並聯的電路,如果流經 20Ω電阻器的電流為 5A,求流經此三個電阻器並聯電路的 電流共為多少 ? (A)12 A (B)6 A (C)8 A (D)10 A
33.下列四種邏輯閘中,可代替其他三種邏輯閘的是何者 ? (A)或閘 (B)反閘 (C)反或閘 (D)互斥或閘
34.電表連接大容量負載(重負載)時,應如何連接 ? (A)先並聯電壓表後再以電流表和負載串聯 (B)先串聯電壓表後再以電流表和負載並聯 (C)先串聯電流表後再以電壓表和負載並聯 (D)先並聯電流表後再以電壓表和負載串聯
35.一直流電阻 10 歐姆,外加 10 安培電流通電 30 分鐘則其消耗電力為幾度電 ? (A)0.3度 (B)0.5度 (C)3度 (D)5度
36.一抽水馬達的輸出功率為 200 瓦,若其效率為 80%,則此馬達的損失功率為多少瓦 ? (A)40瓦 (B)50瓦 (C)100瓦 (D)160瓦
37.在示波器輸入一正弦波,若其波形的峰對峰值為 1.4cm,當此示波器的垂直靈敏度選擇置於 5V/cm 時,則此一輸入之 正弦波有效電壓值為多少伏特 ? (A)7 伏特 (B)5 伏特 (C)2.5 伏特 (D)1 伏特
38.一電容器當外加 100 伏特之電壓對其充電,而充電電流維持在每秒 3 安培時,則此電容器的電容量應為多少法拉 ? (A)33 法拉 (B)3.3 法拉 (C)0.3 法拉 (D)0.03 法拉
39.在一半波整流濾波電路中,外加 200 伏特的電壓值時,則二極體的最大逆向峰值電壓(PIV)值應為多少伏特 ? (A)242 伏特 (B)432 伏特 (C)484 伏特 (D)566 伏特
40.有關理想運算放大器(OPA)的特性,下列敘述何者錯誤 ? (A)輸入阻抗無限大 (B)開迴路電壓增益無限大 (C)輸出阻抗無限大 (D)頻帶寬度無限大
41.某電感性負載消耗之有效功率為 1600W,虛功率為 1200VAR,則此負載之功率因數為何 ? (A)0.6 滯後 (B)0.6 越前 (C)0.8 滯後 (D)0.8 越前
42.在一負載兩端加上 110V、60Hz 之單相交流電源,假設電源的輸出阻抗不計,若此負載吸入 5A 電流,且消耗 275 瓦 特之功率,則其負載電流與電源電壓之相角差為: (A)0° (B)30° (C)45° (D)60°
43.有一個 100mH 的電感器,若通過該電感器的電流在 2 毫秒內由 0.2A 增加至 0.6A 時,試求此電感器兩端的感應電勢 為多少? (A)20V (B)24V (C)32V (D)36V
44.某銅線在溫度 15.5℃時其電阻為 RΩ,當溫度上升至 65.5℃時電阻為 1.8Ω,其電阻 R 應為多少歐姆? (A)1.5Ω (B)1.6Ω (C)2.1Ω (D)2.4Ω
45.如【圖 45】所示,Rab 等於多少?
(A)1.2Ω (B)2.4Ω (C)4.8Ω (D)6Ω
46.兩電荷,Q
1
= +8×10
−6
庫倫 ,Q
2
= +5×10
−6
庫倫 ,相距 30 公分,則在空氣中之作用力為何? (A)4 牛頓,排斥力 (B)4 牛頓,吸引力 (C)12 牛頓,排斥力 (D)12 牛頓,吸引力
47.如【圖 47】所示電路中,如果希望電阻 R 不要燒毀,則其額定功率最少要選多少 W?
(A)1/8 (B)1/4 (C)1/2 (D)1
48.如【圖 48】所示之電路,若 V
1
=6 伏特,I=8 安培,則電阻 R 為何?
(A)4Ω (B)5Ω (C)8Ω (D)10Ω
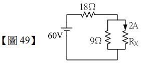
49.如【圖 49】所示,若流過 Rx之電流為 2A,則 Rx=?
(A)4Ω (B)6Ω (C)9Ω (D)12Ω
50.直流電路如【圖 50】所示,當R
L
負載電阻為多少時,R
L
可得最大功率為P
max
,試求R
L
與P
max
值分別為多少?
(A)R
L
=4 Ω 、P
max
= 6.25W (B)R
L
= 2 Ω 、P
max
12.5W = (C)R
L
=2 Ω 、P
max
=8W (D)R
L
= 4Ω 、P
max
= 4W
51.如【圖 51】所示,波形之平均值電壓V
av
為:
(A)1V (B)1.5V (C)3V (D)4V
52.如【圖 52】所示直流網路,若電路已經達到穩態時,求電流 I 為多少?
(A)1.5A (B)2.5A (C)2.8A (D)4A
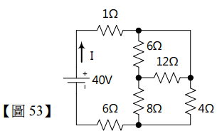
53.如【圖 53】所示直流網路,求電流 I 為多少安培?
(A)1.8A (B)2A (C)4A (D)4.2A
54.如【圖 54】所示,若 V
1
=3V、V
2
= -2V、R
F
=12kΩ、R
2
=2kΩ,設 V
O
為+3V 時,求 R
1
之值為多少?
(A)6 KΩ (B)4 KΩ (C)3 KΩ (D)2 KΩ
55.如【圖 55】所示,設電源電壓±15V、R
1
=5KΩ、R
2
=45KΩ、V
i
=0.5V 求 V
O
=?
(A)4.5 V (B)5.0 V (C)5.5 V (D)6.5 V
56.有一直流電流表的內電阻為 90Ω,今並聯一只 10Ω分流電阻器,若測量直流電流可達 200mA,則此直流電流表的滿 刻度電流為多少? (A)10 mA (B)15 mA (C)20 mA (D)25 mA
57.有關整流、濾波電路特性,下列敘述何者錯誤? (A)全波橋式整流電路,不須使用中間抽頭的電源變壓器 (B)濾波電路性能好壞,依輸出的漣波因數與電壓調整率來判斷 (C)電感濾波器只能用在半波整流電路 (D)交流電源為正弦波的半波整流電路,輸出直流電壓的平均值為 0.318Vm(Vm 為輸入峰值電壓)
58.在箝位電路中下列四種何者可以省略不用,而其它三種卻必需同時使用? (A)直流電源(B)電阻器(C)電容器(D)二極體
59.如【圖 59】所示,已知 FET 之 I
DSS
= 12mA,V
GS
(off) = - 6V,r
d
忽略不計,Vdd = 24V,R
G
= 1MΩ,R
D
= 2KΩ,R
S
= 1K Ω,下列何者正確?
(A)V
DS
= 11V (B)該電路為 P 通道 JFET 自給偏壓電路 (C)I
D
= 4mA (D)交流電壓增益約為- 4
60.如【圖 60】所示,下列敘述何者正確?
(A)它是共集極放大電路 (B)輸出信號與輸入信號同相位 (C)CE開路將降低交流信號的增益 (D)RE可降低電路的穩定度
61.如【圖 61】所示,上半部為 P 通道 EMOS,下半部為 N 通道 EMOS,所組成 CMOS 邏輯電路,請問其布林式為下列何式?
(A)
(B)
(C)
(D)
62.把二個規格分別是 100V/200W 與 200V/400W 的燈泡分別加上 100V 電源時,則兩只燈泡的消耗功率分別是: (A)200W、200W (B)100W、200W (C)200W、100W (D)100W、100W
63.二只電容器 C
1
=6uF、C
2
=12uF,當串聯接於 240V 電壓源時,則對 C
1
上的電壓 V
1
下列何者正確? (A)V
1
=80V (B)V
1
=120V (C)V
1
=160V (D)V
1
=180V
64.一個電鍋外接電壓為交流 110V,欲加上一只氖燈的指示燈,若氖燈的額定電壓為 60V,而其內阻為 120KΩ,若氖燈 不會燒燬,則在氖燈上應串接的電阻值最小應為多少電阻? (A)100KΩ (B)60KΩ (C)50KΩ (D)10KΩ
65.一放大器的輸入阻抗為 10KΩ,輸入電壓值為 1mV,若輸出阻抗為 1KΩ,輸出電壓為 10V 時,此放大器的功率增益 為多少分貝(dB)值? (A)70dB (B)80dB (C)90dB (D)100dB
申論題 (0)
相關試卷
114年 - 114 台灣中油股份有限公司_僱用人員甄試_儀電類:電工原理、電子概論#137176
114年 · #137176
113年 - 113 台灣中油股份有限公司_僱用人員甄試_儀電類:電工原理、電子概論#123153
113年 · #123153
111年 - 111 台灣中油股份有限公司_僱用人員甄試試題_儀電類:電工原理、電子概論#113756
111年 · #113756
110年 - 110 台灣中油股份有限公司_雇用人員甄選_儀電類:電工原理、電子概論#113523
110年 · #113523
109年 - 109 台灣中油股份有限公司_僱用人員甄試_儀電類:電工原理、電子概論#95173
109年 · #95173
108年 - 108 台灣中油股份有限公司雇用人員甄試_儀電類(含睦鄰):電工原理、電子概論#81810
108年 · #81810
107年 - 107 台灣中油股份有限公司_僱用人員甄試_儀電類(含睦鄰):電工原理、電子概論(重複)#81898
107年 · #81898
107年 - 107 台灣中油股份有限公司_雇用人員甄試_儀電類(含睦鄰):電工原理、電子概論#80463
107年 · #80463
106年 - 106 台灣中油股份有限公司_僱用人員甄試_儀電類(含睦鄰):電工原理、電子概論#68182
106年 · #68182
105年 - 105 台灣中油股份有限公司_僱用人員甄試_儀電類、睦鄰-儀電類:A.電工原理、B.電子概論#93731
105年 · #93731