阿摩線上測驗
登入
首頁
>
初等/五等/佐級◆電子學大意
> 101年 - 101 初等考試_電子工程:電子學大意#21257
101年 - 101 初等考試_電子工程:電子學大意#21257
科目:
初等/五等/佐級◆電子學大意 |
年份:
101年 |
選擇題數:
40 |
申論題數:
0
試卷資訊
所屬科目:
初等/五等/佐級◆電子學大意
選擇題 (40)
1 矽二極體與鍺二極體在室溫的順向導通電壓分別約為: (A) 0.7 V,0.7 V (B) 0.7 V,0.2 V (C) 0.2 V,0.7 V (D) 0.2 V,0.2 V
2 逆向偏壓的pn接面,其接面電容隨逆向偏壓VR的增大而: (A)增大 (B)減小 (C)不變 (D)先增大再減小
3 下列何種二極體通常工作於逆向偏壓? (A)蕭特基(Schottky)二極體 (B)發光二極體 (C)雷射二極體 (D)變容二極體
4 輸入方波訊號v
i
經過圖中電路處理後(二極體是理想二極體),輸出電壓v
o
波形中的V
X
為何?
(A) 1 V (B) 2 V (C) 3 V (D) 4 V
5 如圖的全波整流器電路,各二極體導通時之V
D
= 0.7 V。若輸入電壓v
I
之峰對峰為 10 V之正弦波,則 輸出電壓v
O
之最大值為:
(A) 10 V (B) 9.3 V (C) 8.6 V (D) 7.2 V (E)一律送分
6 共射極電晶體電路在高頻時,電壓放大率Av(f)下降的原因是由於: (A)電晶體內部電容的高頻響應 (B)外接基極耦合電容的高頻響應 (C)電晶體的歐萊效應(Early Effect) (D)外接基極電阻效應
7 雙極性接面電晶體(BJT)若作小訊號放大用,則工作於: (A)截止區(Cut-off Region) (B)飽和區(Saturation Region) (C)主動區(Active Region) (D)截止區和飽和區
8 如圖所示的電路為何種邏輯閘?
(A) NOR (B) OR (C) NAND (D) AND
9 假設電晶體的I
B
= 20 μA及I
C
= 2 mA,已知熱電壓(Thermal Voltage)V
T
= 25 mV,則中頻電晶體小 訊號模型的r
π
及g
m
分別約為: (A) 1.25 kΩ、80 mA/V (B) 2.5 kΩ、100 mA/V (C) 3 kΩ、120 mA/V (D) 4 kΩ、150 mA/V
10 若圖中電晶體的V
BE
= 0.7 V,β= 100,則I
E
之值約為:
(A) 2.52 mA (B) 1.43 mA (C) 1.05 mA (D) 0.83 mA
11 下列何者為能正常工作的數位電路參數? (A)V
OH
= 3.2 V、V
IH
= 1.8 V、V
OL
= 0.3 V、V
IL
= 0.8 V (B)V
OH
= 1.8 V、V
IH
= 3.2 V、V
OL
= 0.3 V、V
IL
= 0.8 V (C)V
OH
= 1.8 V、V
IH
= 3.2 V、V
OL
= 0.8 V、V
IL
= 0.3 V (D)V
OH
= 3.2 V、V
IH
= 1.8 V、V
OL
= 0.8 V、V
IL
= 0.3 V
12 增強型N通道MOSFET之臨限電壓 |V
t
| = 3 V,欲使之導通,則閘極和源極間的電壓V
GS
應加何種偏壓 ? (A) 0 V (B) 2 V (C) 4 V (D)-4 V
13 一N通道增強型MOSFET的V
t
= 1 V,μ
n
c
ox
(W/L) = 1 mA/V
2
,則工作點在I
D
= 0.5 mA,V
GS
= 3 V時的互 導gm之值約為: (A) 2 mA/V (B) 4 mA/V (C) 6 mA/V (D) 8 mA/V
14 雙極性接面電晶體(BJT)共射極接線組態時,射極-地間的電阻常並聯一電容,此電容之目的為: (A)改善電壓增益 (B)降低射極的直流電壓 (C)升高射極的直流電壓 (D)濾除雜訊
15 下列何種記憶體需要更新(Refresh)的動作? (A)快取記憶體(Cache) (B)靜態隨機存取記憶體(SRAM, Static Random-Access Memory) (C)唯讀記憶體(ROM, Read Only Memory) (D)動態隨機存取記憶體(DRAM, Dynamic Random-Access Memory)
16 雙極性接面電晶體(BJT)中,下列何種電路組態其小訊號輸出阻抗為最低? (A)共射極組態 (B)共基極組態 (C)共集極組態 (D)共閘極組態
17 如圖所示之雙極性接面電晶體(BJT)放大器,已知電晶體參數β(= I
c
/I
b
)為 100,以及電晶體集極到 射極的交流輸出阻抗r
o
為 50 kΩ,則此放大器的輸入阻抗Z
i
(= V
i
/I
i
)約為多少?
(A) 560 kΩ (B) 37 kΩ (C) 22 kΩ (D) 2 kΩ
18 對動態隨機存取記憶體(DRAM, Dynamic Random-Access Memory)而言,如果其位址線有 8 條,則 其記憶位址有: (A) 8 個 (B) 16 個 (C) 8K 個 (D) 64K 個
19 圖為由電阻R
1
、R
2
、R
3
、R
4
和理想運算放大器組成的差分放大器(Difference Amplifier),其中 R
2
= R
4
= 1 MΩ,由於誤差,R
1
= 9.9 kΩ,R
3
= 10 kΩ,其共模電壓增益(Common Mode Voltage Gain,V
O
/V
CM
)約為:
(A)-1 (B)-0.1 (C)-0.01 (D)-0.001
20 圖為差動放大器(Differential Amplifier)。其中V
DD
為電壓源,I為偏置電流源(Bias Current Source ),I = 1 mA。R
D1
=2 kΩ+ΔR
D
/2,R
D2
=2 kΩ-ΔR
D
/2,電晶體Q
1
、Q
2
的驅使電壓(Overdrive Voltage ,V
GS
-V
TH
)為 0.2 V,並且Q
1
、Q
2
完全匹配。此放大器輸入偏移電壓(Offset Voltage)為 1 mV 。則ΔR
D
約為:
(A) 20 Ω (B) 10 Ω (C) 2 Ω (D) 1 Ω
21 某差動放大器的共模增益A
CM
= 0.1,差模增益A
dm
= 100,則其共模拒斥比(Commom Mode Rejection Ratio)為多少dB? (A) 20 (B) 40 (C) 60 (D) 100
22 如圖所示為達靈頓(Darlington)電路,若電晶體Q
1
與Q
2
之特性參數各自為V
BE1
、β
1
及V
BE2
、β
2
,則下 列何者有誤?
23 圖中電路,若輸出(V
o
)與輸入(V
i
)之電壓增益為 -4,則其輸入端之等效電容值(C
in
)為何?
(A) 0.2 pF (B) 1 pF (C) 1.25 pF (D) 5 pF
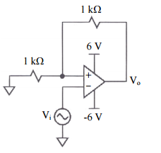
24 圖中之電路,若運算放大器為理想,則V
o
為何?
(A) 2 V (B)-2 V (C) 3 V (D)-3 V
25 圖為由電阻R
1
、R
2
、R
3
以及理想運算放大器組成的電路,其中R
1
= R
2
,則此電路輸入電阻R
IN
為:
(A) 2 R
3
(B)R
3
(C)-R
3
(D)-0.5 R
3
26 下列何種放大器電路組態不會改善頻寬? (A) CC-CE (B) CC-CB (C)達靈頓組態(Darlington Configuration) (D)疊接組態(Cascode Configuration)
27 如圖所示電路,下列何者為非?
(A)當輸入訊號V
i
的頻率f極小時(f ≅ 0),電壓增益的最大值
(B)當輸入訊號V
i
的頻率f極大時(f ≅∞),電壓增益
(C)當輸入訊號V
i
的頻率
時,電壓增益衰減為
(D)此電路高頻截止頻率為
28 有一濾波器之轉移函數(Transfer Function)
,當角頻率 ω= 2 rad/sec 時,則 |T(jω)|約為: (A) 1.0 (B) 0.7 (C) 0.5 (D) 0.2
29 有一單級放大器,其低頻截止頻率為 640 Hz而高頻截止頻率為 10 kHz,若將相同兩個放大器串接在一起,則此系統之低頻截止頻率為f
L
及高頻截止頻率為f
H
,試問系統之頻寬BW = f
H
-f
L
約為何值?( 註:
) (A) 2.70 kHz (B) 4.14 kHz (C) 5.40 kHz (D) 9.36 kHz
30 圖中雙穩態多諧振盪器(Bistable Multivibrator),假設R
1
= 10 kΩ,輸出電壓範圍為 ±5 V。若觸發 電壓V
TH
= -V
TL
= 0.5 V,則R
2
等於:
(A) 100 kΩ (B) 20 kΩ (C) 10 kΩ (D) 1 kΩ
31 圖中之電路,若運算放大器為理想,且V
i
= -4 V,則輸出電壓V
o
約為何?
(A)-8 V (B)-6 V (C) 6 V (D) 8 V
32 一般市電之 60 Hz 弦波訊號常干擾授控系統或量測系統,因此可設計下列何種濾波器以消除此干擾 的影響? (A)低通濾波器(Low Pass Filter) (B)高通濾波器(High Pass Filter) (C)帶通濾波器(Band Pass Filter) (D)帶拒濾波器(Band Reject Filter)
33 某振盪電路之迴路增益為A(jω)β,β為正實數,A(jω) = 100/(1+ jω/ωc)
3
,ωc為實數。若β選得適當,此電 路可振盪產生弦波,振盪頻率ω為何? (A) 0.866 ωc (B) 1.41 ωc (C) 1.73 ωc (D) 3.14 ωc
34 圖中為射極耦合邏輯(Emitter-Coupled Logic, ECL)電路。其中V
I
為輸入,V
O1
、V
O2
為輸出, V
CC
= 0 V,參考電壓V
R
= -1.32 V,偏置電流源(Bias Current Source)I = 4 mA,R
C
= 200 Ω。當輸 出為邏輯低位準時,其電壓約為:
(A)-1 V (B)-0.8 V (C)-0.5 V (D)-0.1 V
35 如圖所示之互斥或閘(Exclusive OR Gate),若輸入訊號之一被強制為 1,則輸出訊號為何?
(A) 1 (B) 0 (C) A (D)
36 下列邏輯圖,若以布林代數表示(Boolean expression),其表示式為:
37 下列那一個元件之特性與光線無關? (A)光敏電阻 (B)太陽能電池 (C)光遮斷器 (D)熱敏電阻
38 圖中分別顯示邏輯電路輸出(Output)與輸入(Input)之「1」與「0」狀態的電壓位階範圍,此系 統之「雜訊容限」(Noise margin)NM
H
及NM
L
為:
(A)NM
H
= V
1
-V
2
,NM
L
= V
3
-V
4
(B)NM
H
= V
6
-V
2
,NM
L
= V
3
-V
7
(C)NM
H
= V
2
-V
3
,NM
L
= V
6
-V
7
(D)NM
H
= V
5
-V
6
,NM
L
= V
7
-V
8
39是那一類的放大器? (A) A 類(Class A) (B) B 類(Class B) (C) AB 類(Class AB) (D) C 類(Class C)
40 承上題,若電晶體飽和之V
CEsat
= 0.2 V,則輸出電壓v
O
之最大值為v
Omax
為: (A)+V
CC
(B)+V
CC
- 0.2 V (C)v
Imax
- 0.7 V (D)I·R
L
申論題 (0)