阿摩線上測驗
登入
首頁
>
土木施工學
> 101年 - 101 台灣中油股份有限公司_僱用人員甄試_土木類:土木施工學#28487
101年 - 101 台灣中油股份有限公司_僱用人員甄試_土木類:土木施工學#28487
科目:
土木施工學 |
年份:
101年 |
選擇題數:
80 |
申論題數:
0
試卷資訊
所屬科目:
土木施工學
選擇題 (80)
1.土方工程在施工時,土方在原地層中依地形圖所測得之土方數量為: (A)挖方(excavation) (B)填方(filling) (C)實方(bank volume) (D)鬆方(loose volume)
2.何謂預鑄混凝土? (A)將混凝土預先施以力量,待結構體建造至該位置時,再解開其力量 (B)將混凝土所用之骨材預先放置,再灌置水泥漿體 (C)構造物部份構體事先予以澆置,待結構體建造至該位置時,將其吊裝併接 (D)將結構體於施工現場使鑄鐵與混凝土同時組合施工以增加握裹力
3.土壤開挖常遇地下水,請問下列何者非屬降低地下水位之方法? (A)深井法(deep well method) (B)壓水法(pressure method) (C)電滲法(electroosmosis method) (D)井點法(wellpoint method)
4.連續壁溝槽開挖,其開挖機械必具備下列哪三樣條件? Ⅰ:機械須具垂直開挖效能 Ⅱ:開挖時機械不得損傷開 挖兩側壁 Ⅲ:開挖之橫向可維持一定線向(alignment) Ⅳ:機械臂之伸曲及抓挖以油壓帶動方能靈活 (A) Ⅱ、Ⅲ、Ⅳ (B) Ⅰ、Ⅲ、Ⅳ (C) Ⅰ、Ⅱ、Ⅳ (D) Ⅰ、Ⅱ、Ⅲ
5.在施工現場觀測施工面高程及觀測工地是否下陷,常用下列何種儀器,方便、直接、精確且經濟? (A)經緯儀 (B)水準儀 (C)全測站 (D)平板儀
6.有關水泥之使用及其相關敘述,下列何者錯誤? (A)水泥一般每袋 50公斤 (B)依據美國材料試驗學會分類,水泥一般可分為 5 類 (C)水泥儲存時,必須離地面約 10 公分 (D)水泥與水化合時,會有水化熱
7.混凝土用骨材分為粗骨材與細骨材兩種,兩者之分界為幾號標準篩? (A) 1 號標準篩 (B) 2 號標準篩 (C) 3 號標準篩 (D) 4 號標準篩
8.混凝土之骨材用量常以篩分析控制,其所算出之細度模數可表示: (A)骨材之級配狀況 (B)骨材之孔隙率 (C)骨材之比重 (D)骨材之粗細程度
9.下列何者非混凝土添加輸氣劑(摻品)之主要目的? (A)在混凝土中形成獨立氣泡 (B)改善混凝土之工作度 (C)增加混凝土之抗凍能力 (D)增加混凝土之氣泡以減輕混凝土自重
10.有關混凝土凝結之敘述,下列何者錯誤? (A)「初凝」是指混凝土中之泥漿已開始硬化,振動時已不再呈塑性 (B)「終凝」是指混凝土中水泥漿業已硬化,並可承受些微荷重 (C)「假凝」是指水泥的一種不正常的早期固化或過早變硬現象 (D)「速凝」是指混凝土縮短初凝及終凝時間,以提高早期強度及晚期強度
11.一般所謂混凝土強度係以澆置後幾天為準? (A) 7 天 (B) 14 天 (C) 21 天 (D) 28 天
12.有關混凝土澆置時模板之敘述,下列何者錯誤? (A)模板必須有足夠之強度承受澆置時所產生荷重及側向壓力 (B)模板若不牢固,會有爆模現象產生 (C)模板得為吸收水分之材料,可降低水灰比 (D)模板不得有漏漿現象,以免造成表面蜂巢現象
13.有關混凝土中鋼筋之施工敘述,下列何者錯誤? (A)鋼筋於工地裁剪及彎製須加熱處理方能加速施工 (B)鋼筋之搭接接續處需有足夠長度之重疊(overlap) (C)鋼筋之端接亦可用熔接法處理 (D)鋼筋之端接亦可用續接器處理
14.有關混凝土拌合機之敘述,下列何者錯誤? (A)拌合機拌合混凝土前,拌合機內不可有水份,以免降低混凝土強度 (B)拌合機拌合混凝土時間不可過短,使混凝土無法充份拌和均勻 (C)拌合機拌合混凝土時間不可過長,以免骨材有磨耗 (D)拌合機拌合轉速不得過快,以免離心力產生失去拌和效果
15.下列何者非假設工程計畫首要原則? (A)反覆使用之原則 (B)應以美觀並高強度為原則 (C)單元化加工之原則 (D)假設工程所用之材料強度及接合之安全原則
16.下列何者為特密法(特密管)澆置混凝土使用時機? (A)需澆置特別密緻之混凝土時使用 (B)需在水中澆置混凝土時使用 (C)需澆置巨積混凝土時使用 (D)需澆置隧道混凝土時使用
17.有關混凝土「接縫」之敘述,下列何者錯誤? (A)「施工縫」構造物在結構上係一整體,但因施工關係必須分層(次)澆置所形成 (B)「冷縫」係在澆置混凝土時需冷卻以降低水化熱所形成 (C)「伸縮縫」(expansion joint)係設計所預留,在設計時安排混凝土為不相連貫,亦不傳佈應力 (D)「收縮縫」(contraction joint)因混凝土體積過大必須分塊澆置所設置
18.下列何者非屬施工規劃工期進度控管之方法? (A) PERT(計畫評核術) (B) CPM(要徑法) (C) Bar chart(線條圖) (D) PMP(專案管理)
19.下列何者非連續壁施工之注意事項? (A)深溝開挖時需維持兩側土層之直立 (B)防止連續壁混凝土施工縫之漏水 (C)鋼筋籠尺寸設計時形狀大小需一致以方便施工 (D)深溝內澆置混凝土時需防止骨材分離
20.下列何者非連續壁施工時穩定液所需有之功效? (A)穩定液需堵塞地層空隙以增加摩擦力 (B)穩定液需有強大之黏性 (C)穩定液需加強泥膜之堅韌性 (D)穩定液濃度大時,具有相當之懸浮性
21.下列何者非混凝土添加波索蘭(Pozzolan)之主要目的? (A)增加工作性 (B)增加混凝土抗酸能力 (C)增加混凝土乾縮現象 (D)增加混凝土晚期強度
22.有關混凝土用水量敘述,下列何者錯誤? (A)一般新拌混凝土中,用水量大,坍度即大,工作性好 (B)一般新拌混凝土中,用水量大,對硬化後混凝土之強度及耐久性有不良影響 (C)加入減水劑,在不改變水灰比的情形下,可增加混凝土工作性 (D)加入強塑劑,在不改變工作性的情形下,需增加用水量方能與強塑劑產生作用以提高混凝土強度
23.有關混凝土所用之骨材其相關敘述,下列何者錯誤? (A)骨材顆粒表面有稜角能提供摩擦力,混凝土有較佳之強度 (B)骨材顆粒光滑之球狀,有較佳之工作性 (C)骨材顆粒光滑之球狀,可減少水泥用量 (D)混凝土中骨材量與混凝土縮收成反比
24.有關木材之收縮變形,下列何者錯誤? (A)邊材之收縮率較心材為大 (B)與年輪垂直方向者較小 (C)離樹心較遠者較小 (D)一般稱離心翹
25.下列何者非水泥在混凝土應具有的功能? (A)與水化合後產生水泥漿,具有高度之黏結性,可將粗細骨材黏結為一體 (B)水泥顆粒細緻可提高混凝土比表面積 (C)在新鮮混凝土澆置時,對骨材在模板內之運行有潤滑作用 (D)水泥顆粒可填充粗細骨材間之空隙
26.有關鋼筋混凝土梁之破壞敘述,下列何者錯誤? (A)壓力破壞(compression failure),混凝土梁中配有大量抗拉鋼筋時,則拉力側在未達鋼筋降伏強度前,壓力側之混凝土即 被壓碎而破壞 (B)斜拉力破壞(diagonal tension failure)當梁承巨大之剪力與彎曲力矩作用時,所產生之斜拉應力,將會在梁端附近引起斜向 裂縫而破壞 (C)剪力破壞(shear failure)梁受有巨大剪應力作用時,被剪力破壞現象,常發生於梁中點附近 (D)握裹力之破壞(bond stress failure)梁受撓曲時,若混凝土中鋼筋之握裹力不足,則鋼筋將產生滑動(slip),致使混凝土拉力 側之應力無法傳遞於鋼筋,而導致梁之破壞
27.有關混凝土澆置之搗實敘述,下列何者錯誤? (A)為排除混凝土中之孔隙 (B)使混凝土產生泌水現象,以降低水灰比,增加混凝土強度 (C)使混凝土能充分填滿於模板內各空間 (D)使混凝土與鋼筋充分密合
28.下列何種砌磚勾縫形式具有灰縫內不積水,形式美觀,是最佳的勾縫? (A)上斜縫 (B)平縫 (C)凹平縫 (D)凹圓縫
29.剛性路面之施工若伸縮縫設置不當,主要會造成何種損壞現象? (A)混凝土版破裂 (B)混凝土版剝落 (C)路基沈陷 (D)路面拱起
30.利用擋土壁及支撐設施以避免開挖週圍土壤崩坍的基礎開挖方式為何? (A)斜坡明塹工法 (B)島區式開挖工法 (C)壕溝式開挖工法 (D)支撐明塹開挖工法
31. GPS 衛星定位測量是利用何種測量原理進行座標定位? (A)前方交會 (B)導線法 (C)測方交會 (D)後方交會
32.臺北國際金融中心位於 88 至92 樓層之間掛置有重量 660公噸的大鋼球阻尼器,其主要目的是用來作為何種用途? (A)抵抗地震力 (B)抵抗風力 (C)增加建築物自重 (D)強化大樓設計美感
33.適用於地質不佳且有較大之地壓力和湧水之情況的隧道開挖方式為何? (A)環狀斷面開挖 (B)上半部斷面超前開挖 (C)側向導坑超前開挖 (D)全斷面一次開挖
34.鋼筋混凝土梁之箍筋環繞於抗拉鋼筋的配置方式可抵抗何種力學破壞型式? (A)握裹力破壞 (B)壓力破壞 (C)剪力破壞 (D)斜拉力破壞
35.下列各類防水防潮工法之施工位置區分,何者屬於表面防水層工法? (A)水密性混凝土工法 (B)防水混凝土工法 (C)瀝青防水工法 (D)填縫劑防水工法
36.面磚施工若使用鹼骨材及含鹼金屬之材料與水作用產生鹼骨材反應,主要會造成何種面磚問題? (A)面磚剝落 (B)面磚空洞 (C)地磚吐黑 (D)面磚白華
37.適用於砂質土層、黏土層或硬泥土層,在岩石或卵石地質無法使用的排水工法為何? (A)噴水沖井法 (B)真空式深井法 (C)集水井排水法 (D)衝擊鑽井法
38.有關工具操作之敘述,下列何者錯誤? (A)使用手提電鋸時,可將開關保持於「開」的位置,電源接通即可方便使用 (B)使用手提式電動線鋸時,鋸齒愈細密往復速度愈低,鋸齒愈疏往復速度愈快 (C)使用手提電鑽時,施力不可過猛以免造成鑽頭破裂 (D)操作釘槍時,應將槍口緊抵工作物並扣動板機即可擊出鐵釘
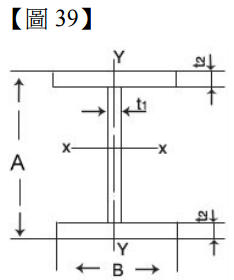
39.有一 H 型鋼斷面如【圖 39】所示,下列何種尺度表示法正確?
(A) H-B×t2×A×t1 (B) H-A×t1×B×t2 (C) H-A×B×t1×t2 (D) H-A×B×t2×t1
40.有關木材的敘述,下列何者錯誤?
(A)木材各方向收縮之關係為:弦向收縮>徑向收縮>縱向收縮 (B)木材水份含量若在纖維飽和點以上稱為生材 (C)木料在加工前,含水量應控制在 20%下列,以防止木料在組立後發生大量翹曲變形 (D)邊材含水量較心材多,針葉樹含水量較闊葉樹多
41.下列何者非屬木材防蝕方法? (A)電氣防蝕法 (B)藥劑塗佈法 (C)隔絕水份法 (D)高溫殺菌法
42.若現地有 60包水泥,欲堆疊 5層,請估算需多少面積的空間置放? (A) 3.6 平方公尺 (B) 4.8 平方公尺 (C) 6.0 平方公尺 (D) 12 平方公尺
43.下列何者非地盤改良之目的? (A)提升土壤支承力 (B)促進土壤液化 (C)降低土壤沈陷量 (D)減少側向土壓力
44.有關嵌銅條磨石子的粉刷工法,下列何者不是設置隔條之用途? (A)增加美觀 (B)作為伸縮縫 (C)控制裂縫位置 (D)減少水泥用量
45.面磚的鋪貼方法中,下列何種工法是依設計大樣圖以 1:2 或 1:3 水泥砂漿打底,將面磚直接鋪貼上去? (A)糰形貼法(軟貼法) (B)平鋪貼面法(硬貼法) (C)壓著貼面法 (D)預貼工法
46.有關營建電氣知識之敘述,下列何者錯誤? (A)使用三用電表測量直流電壓時,如不清楚電壓範圍應先從最低檔位開始,依序調高 (B)低壓供電係指一般用戶契約容量未滿 100kW者 (C)使用三用電表測量電阻時,若線路為通路,則電阻值為最小,若線路為斷路,則電阻值為無限大 (D)建築物在二十公尺以上者應有避電設備
47.有一石材在濕潤狀態時重 130g,面乾內飽和狀態時重120g,烘乾狀態時重100g,請問其吸水率為何? (A)10% (B)20% (C)25% (D)30%
48.有關高分子聚合物之敘述,下列何者錯誤? (A)聚氯乙烯簡稱PVC,聚乙烯簡稱PE,皆屬熱塑性塑膠 (B)聚丙烯(PP)、聚苯乙烯(PS)、聚胺酯(PU)及 ABS 樹脂皆屬熱塑性塑膠 (C)環氧樹脂簡稱 EP,可在數分鐘之內即硬化,屬熱硬型塑膠 (D)熱固型塑膠成型後永久堅硬,再加熱無法變軟
49.有關鋼筋抗拉試驗,下列敘述何者正確? (A)鋼筋降伏強度>極限強度 (B)應力超過極限強度後,始發生永久變形 (C)頸縮現象發生於應力超過極限強度之後,拉斷破壞之前 (D)鋼筋應變為變形後長度除以變形前長度
50.有關建築塗裝程序,下列何者正確? (A)去汙脫脂? 除鏽? 底層處理? 塗裝? 乾燥? 檢查 (B)底層處理? 除鏽? 去汙脫脂? 塗裝? 乾燥? 檢查 (C)底層處理? 去汙脫脂? 除鏽? 乾燥? 塗裝? 檢查 (D)底層處理? 去汙脫脂? 除鏽? 塗裝? 乾燥? 檢查
51.有關乳化瀝青,下列敘述何者錯誤? (A)加入安定劑用意在於防止瀝青膠泥發生沉澱 (B)乳化瀝青低溫下易結冰 (C)乳化瀝青可與乾粒料與濕粒料並用 (D)乳化瀝青不易被雨水沖刷
52.有關瀝青材料,下列敘述何者錯誤? (A)在炎熱地區使用低針入度的瀝青材料,係避免夏季高溫發生軟化 (B)在寒冷地區使用高針入度的瀝青材料,係避免冬季高溫發生脆裂 (C)針入度愈小的瀝青材料其硬度愈小 (D)軟化點係指瀝青開始具流動性的溫度
53.有關瀝青材料與柏油之比較,下列敘述何者錯誤? (A)柏油特殊氣味較瀝青刺激 (B)瀝青受熱比柏油易於軟化,愈冷則比柏油易脆 (C)瀝青黏性大於柏油 (D)柏油加熱生成濃綠黃氣體,瀝青加熱生成青白色氣體
54.下列敘述何者錯誤? (A)一丁掛之尺寸為 30 mm × 227 mm (B)瓷磚鋪貼採軟底工法(或稱漿砌工法),其附著力差,容易形成「膨管」現象,且無法校正素地缺點 (C)毛玻璃按裝時,其磨砂面(毛面)應於室內側,平滑面於室外側 (D)玻璃崁入鋁框深度應按圖說規定辦理,並配合適當填縫材料崁填,以避免脫落、破損及滲水
55.下列何者非高坡開挖注意事項? (A)必須由坡腳向坡頂向上起挖,以利施工路線進行 (B)開挖週邊坡面應隨挖隨即整修平順,以免挖深後,上方難於修整 (C)開挖邊坡坡度必須自坡頂週邊線起向下,完全依照設計所規範之坡度開挖 (D)每層開挖,必須俟該層全部開挖完成後,始可向次層開挖
56.某光學經緯儀之視距常數 K=100.00、C=0.000m,若上、中、下三絲之讀數分別為 1.725m、1.550m、1.375m,仰角 為 30 度,請問此經緯儀至水準尺的水平距離為何? (A) 35.000 m (B) 26.250 m (C) 17.500 m (D) 13.125 m
57.材料在設計時,因考慮破壞應力大於容許應力,故破壞應力與容許應力之比值,稱之為: (A)安全因數 (B)蒲松比 (C)蒲松數 (D)楊氏係數
58.建築結構中之構件,下列何者為二力桿件? (A)鋼架 (B)樑 (C)柱 (D)桁架
59.在PERT(計畫評核術)中,整個工程網狀圖,可找到所謂的緊要作業的連線,下列敘述何者錯誤? (A)該連線簡稱為要徑 (B)是所有工程路徑中最長的 (C)為調整工期的主要路線 (D)僅有一條
60.建築執照繪圖準則規定,著綠色部份表示: (A)新建房屋 (B)現有巷道 (C)畸零地 (D)法定空地
61. SRC 為下列何種材料的簡稱: (A)無筋混凝土 (B)鋼筋混凝土 (C)鋼骨鋼筋混凝土 (D)加強磚造
62.鐵軌上承受車廂與旅客、貨物等不同重量之作用,下列何者是屬於「外效應」作用? (A)鐵軌產生熱脹冷縮的情形 (B)鐵軌因重量作用而變形 (C)鐵軌的支承處產生反力作用 (D)鐵軌的構件產生彎曲作用
63.為求達到防水、耐熱、美觀之效果,在傢俱表面最適宜粘貼下列何種板面? (A)美耐板 (B)美化板 (C)膠合板 (D)木心板
64.材料受反覆載重作用下,低於降伏強度或極限強度,即產生破壞,此現象稱為: (A)頸縮 (B)硬化 (C)潛變 (D)疲勞
65.為避免混凝土乾縮後產生裂紋,可採用下列何種方式? (A)減小混凝土坍度 (B)增加混凝土坍度 (C)減少骨材配量 (D)增加骨材配量
66.施測完畢,長標尺收藏應放置: (A)直豎 (B)斜置 (C)平置 (D)以上皆可
67.混凝土之配比,乃是指: (A)水:水泥:細粒料 (B)水:水泥:粗粒料 (C)水泥:細粒料:粗粒料 (D)水泥:細粒料:摻料
68.公路工程中,若以距離為 X 軸,累積土方量為 Y 軸,則所繪製之曲線,可用以作為挖填土方量計算與最佳運距控制 之圖形稱為: (A)土積圖 (B)流程圖 (C)網狀圖 (D)斷面圖
69.抗壓強度頗高,能耐高溫、耐火,抵抗風化作用,且為混凝土骨材最優良之材料者為: (A)石英岩 (B)片麻岩 (C)黏板岩 (D)玄武岩
70.清水磚牆施工後,牆面易生白華現象,可用下列何種溶液消除? (A)稀釋硝酸液 (B)稀釋鹽酸液 (C)稀釋硫酸液 (D)稀釋醋酸液
71.地形圖比例尺為 1:500,若 A、B兩點在圖面上距離為60cm,且 A、B兩點之標高差距為 30cm,請問 A、B 兩點間 之平均坡度為: (A) 0.1% (B) 0.2% (C) 0.3% (D) 0.5%
72.在建築上,可與石膏板或金屬板等其它材料複合使用,作為內外牆隔音隔熱材料使用為下列何者? (A) PU (B) EP (C) EPS (D) PS
73.下列哪種玻璃不屬於「安全玻璃」? (A)膠合玻璃 (B)壓花玻璃 (C)強化玻璃 (D)網線玻璃
74.鋼鐵類物件,防鏽塗刷原則一般為: (A)紅丹漆為底漆,鉛系塗料為面漆 (B)鉛系塗料為底漆,紅丹漆為面漆 (C)鋁系塗料為底漆,發泡性塗料為面漆 (D)乙烯塗料為底漆,氯化石蠟系塗料為面漆
75.有關閉合導線之特性及導線計算公式,下列敘述何者錯誤? (A)閉合導線之橫座標差總合為零 (B)閉合導線之內角和為(n-2) × 180° (C)閉合導線之外角和為(n+2) × 180° (D)閉合導線之偏角和為 n × 360°
76.混凝土摻料的使用,對混凝土的影響,下列敘述何者錯誤? (A)使用輸氧劑,可減少細粒料之用量 (B)使用速凝劑,可抵抗硫酸鹽侵蝕 (C)使用緩凝劑,可降低水泥用量 (D)使用強塑劑,可增加混凝土坍度,促進工作性
77.佔空間小,最適合於都市或高層工程之起重機與起重桿為: (A)機動式起重機 (B)高塔起重機 (C)頂索起重桿 (D)定架起重桿
78.營造工程達下列哪一種情況,需在施工前填具營造安全衛生報備書,並報備處理? (A)承造建築物高度在十公尺以上者 (B)施工區域場所達一萬平方公尺以上者 (C)跨距五十公尺以上之橋樑作業者 (D)高度超過十五公尺之壩堤作業者
79.有一 4.2 米高的混凝土橋墩,其斷面為 500 平方公分,橋墩上承受 5000kg的負荷,請求出該橋墩的變形量? (已知混凝土楊氏係數為 0.21×10
6
kg/cm
2
) (A)伸長 0.01cm (B)壓縮 0.1cm (C)伸長 0.2cm (D)壓縮 0.02cm
80.有一裝修工程,共用了 10支斷面為 3 台寸×3 台寸,長度為 5 台尺的木料,請問共用了總材積多少才? (A) 4.5 才 (B) 45才 (C) 450 才 (D) 4500 才
申論題 (0)
相關試卷
114年 - 114 地方政府公務特種考試_四等_土木工程:土木施工學概要#134638
114年 · #134638
114年 - 114 普通考試_土木工程:土木施工學概要#128467
114年 · #128467
114年 - 114 身心障礙特種考試_四等_土木工程:土木施工學概要#126524
114年 · #126524
113年 - 113 地方政府公務特種考試_四等_土木工程:土木施工學概要#124468
113年 · #124468
113年 - 113 台灣中油股份有限公司_僱用人員甄試試題_土木類:土木施工學、測量概要#123148
113年 · #123148
113年 - 113 普通考試_土木工程:土木施工學概要#121110
113年 · #121110
113年 - 113 身心障礙特種考試_四等_土木工程:土木施工學概要#119432
113年 · #119432
112年 - 112 原住民族特種考試_四等_土木工程:土木施工學概要#116546
112年 · #116546
112年 - 112 普通考試_土木工程:土木施工學概要#115379
112年 · #115379
112年 - 112 身心障礙特種考試_四等_土木工程:土木施工學概要#113852
112年 · #113852