阿摩線上測驗
登入
首頁
>
電子學
> 101年 - 101 專技高考_電子工程技師:電子學#44354
101年 - 101 專技高考_電子工程技師:電子學#44354
科目:
電子學 |
年份:
101年 |
選擇題數:
0 |
申論題數:
5
試卷資訊
所屬科目:
電子學
選擇題 (0)
申論題 (5)
【已刪除】一、圖一之二極體皆可以 V
D 0
= 0.65V 與 r
D
= 20Ω 的片段線性(piecewise linear)模型來 表示,而稽納(Zener)二極體在 10mA 電流與 r
z
= 20Ω 的條件下測得 8.2V 之稽納 電壓。在 − 20V ≤ v
I
≤ +20V 的輸入電壓範圍下,請詳細畫出此電路之轉換特性曲 線(transfer characteristic curve)。(15 分)
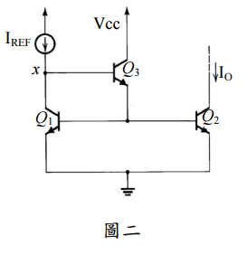
【已刪除】二、圖二電路中,若忽略電晶體輸出阻抗的影響,且所有電晶體的共射極電流增益 (common-emitter current gain)皆為β,則輸出電流I
O
與參考電流I
REF
之關係為何?( 20 分)
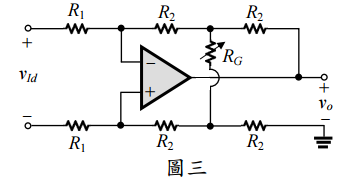
【已刪除】三、圖三使用理想之運算放大器,請推導其電壓增益 v
o
/ v
Id
。(20 分)
【已刪除】四、試求出圖四輸出訊號V
o
的振盪週期。(20 分)
【已刪除】五、請畫出CMOS全加法器(Full Adder)的最簡要邏輯電路,其中A、B、C為輸入端,而 S與C0則分別代表和(Sum)與進位(Carry)之輸出端。意即:若A、B、C中有奇 數個為 1,則S方為 1;而A、B、C中有兩個或超過兩個以上為 1,則C
0
的值才會為 1。(25 分) 提示: S =
,請繼續化簡。