阿摩線上測驗
登入
首頁
>
國營事業◆1.電路學 2.電子學
> 101年 - 101 經濟部所屬事業機構_新進職員甄試_電機(甲)、儀電、通信:1.電路學 2.電子學#24450
101年 - 101 經濟部所屬事業機構_新進職員甄試_電機(甲)、儀電、通信:1.電路學 2.電子學#24450
科目:
國營事業◆1.電路學 2.電子學 |
年份:
101年 |
選擇題數:
60 |
申論題數:
0
試卷資訊
所屬科目:
國營事業◆1.電路學 2.電子學
選擇題 (60)
1.請選出「電路中,流入某一節點的電流量等於流出該節點之電流量總合」為下列哪一個定律? (A)柯希荷夫電流定律(B)高斯電流定律 (C)亨利電流定律 (D)戴維寧定律
2.請選出 v(t) = 110sin(wt+60 °)及 i(t) = 10cos(wt-120 °)兩弦波間之相位關係。 (A)v領先 i60° (B)v 落後 i90° (C)v領先 i90° (D)v 落後 i30°
3. 1mA電流流經1KI1電阻時,所消耗的功率為何? 5H 4H 8H (A) 1 nW (B) 1 ^iW (C) 1 mW (D) 1 W
4請求出右{圖1}
電路之總電感量L
T
為何? (A)7H (B)10H (C) 13 H (D)22H
5•家中某一個電器,每天使用10小時,若30天電費為新台幣360元,請算 【圖1】 出此電器每天消耗之功率為多少瓦特?(電費以3元/度計;1度= 1KWH) (A) 240 (B) 480 (C) 360 (D) 400
6.—個電表用比流器(CT)E數比為1200:5,如掛接在600A之電路上,請問電表顯示值為何? (A)2A (B) 2.5 A (C)3 A (D)3.5A
7.求出v(t) = 110√2 sin(314t + 60°)之正弦相量函數。 (A)V=110
60° (B)V = 220
60° (C) V = 110
30° (D)V= 110
75。
8. 2個並聯電阻R1及R2,R2為150 Ω。通電後R1消耗功率為50 W,R2消耗功率為150 W, 請算出R1的值。 (A) 250 Ω(B) 450 Ω(C) 50 Ω (D) 280 Ω
9.一般交流電表所顯示之值為? : T 3 ° (A)有效值(B)瞬時值(C)最大值(D)平均值 【圖2】
10.將10個理想電壓源串聯,若每個電壓源為15V,請算出此串聯電源所能提供之最大電壓為何? (A) 1.5 V (B) 120 V (C) 90 V (D) 150 V
11.請算出 V=10
20。(V)在時域(TIMEDOMAIN)之v(t)。(頻率為 400Hz) (A) 400cos(2
) (B) 10cos(2
+ 20°) (C) 10cos(800
+ 20°) (D) 10sin(800
)
【已刪除】12.如右上【圖2】低通RC濾波器,若R=150KΩ,C= 0.01μ F,請求出截止頻率fc為多少HZ。
(A) 63.66 (B) 54.2 (C) 67.37 (D) 47.76 (E)一律給分
13.,請算出此一電路之頻寬BW為多少Hz? (A) 20 (B) 20000 (C) 1200 (D) 0.005 +vCc
14.承第13題,低截止頻率f1為多少MHz?
(A)l (B) 2.5 (C) 1.02 (D) 0.98
15.承第13題,高截止頻率f
2
為多少MHz?
(A) 1 (B) 2.5 (C) 1.02 (D) 0.98
16.—正弦波交流電壓之峰值為220 V,則經全波整流後之平均值Va為何? I jcc (A) 43.21 V (B) 140.06 V (C) 70.03 Y (D) 86.42 V 【圖 3]
17•已知相量
= A+jB,若
=100
60。,則直角座標中之A及B為下列何者?
(A)A=50; B = 50 (B)A=60; B = 40√3 (C)A=50 ; B = 50√3 (D)A = 40 ; B = 60√3
18.,請算出相量功率
。 (A)2250∠30° (B)1780∠-30° (C)3562∠45° (D)2170∠60°
19.承第18題,平均功率為多少W ? (A) 2760 (B) 1798.6 (C) 1948.5 (D) 980.3
20.承第18題,電抗功率為多少Var? (A) 780.2 (B) 1125 (C) 1420 (D) 2350
21.若共射極組電晶體之B值由50變至100,則a值變化如何? (A)由 0.98 變至 0.99 (B)由 0.99 變至 0.98 (C)由 0.92 變至 0.96 (D)由 0.96 變至 0.92
22.對歐利效應(Early effect)及其影響,下列敘述何者正確?
(A)a值隨著|V
CB
|的增加而變大 (B)若有效的基極寬度W
B
降為零則導致電晶體中的電壓崩潰 (C)少數載體的濃度梯度P
n
會在基極内增加 (D)以上皆是 °
23.若npn電晶體工作於截止區時,下列接面偏壓敘述何者正確? = Lm 1 (A)基-射接面順向偏壓,基-集接面順向偏壓(B)基-射接面順向偏壓,基-集接面逆向偏壓 (C)基-射接面逆向偏壓,基-集接面順向偏壓(D)基-射接面逆向偏壓,基-集接面逆向偏壓
24.串聯饋送式A類放大器在理論上最高效率
max
為何? (A)30% (B)25%(C) 35% (D) 60%
25.如右上【圖3】所示,B類推挽放大器若R
L
= 7.2Ω且最大輸出功率P
o(ac)max
= 10W,則V
cc
為何?
(A) 15 V (B) 20 V (C) 12 V (D) 16 V
26•差動放大器若其差模增益A
d
= 1000共模增益A
c
=l,則其共模拒斥比(CMRR)值為何? (A) 20 dB (B) 40 dB (C) 60 dB (D) 80 dB
27.若當輸入電壓 為交流電源時,則高頻時的電壓增益V
o
/V
i
約為多少? (A) -50 (B) 50 (C) 100 (D) 0
28.承第27題,下列敍述何者錯誤? (A)低頻時電壓增益為
(B)截止頻率為
(C)為低通濾波器 (D)為積分器
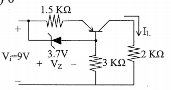
29.如右【圖5】電路所示,定電流電路若V
Z
=3.7V,V
eb
=0.7V,試求I
L
為何?
【圖5】 (A) 2 mA (B) 4 mA (C) 6 mA (D) 0.5 mA
30.某矽質二極體在溫度20°C時逆向飽和電流為5nA,當溫度為30°C時,此二極體逆向飽和電流為何? (A)6nA (B)8nA (C) 10nA (D) 12 nA
31.若有一功率電晶體接面溫度T
J
=125°C,環境溫度T
A
= 25°C,電晶體的消耗功率P
D
為40 W,試求熱阻θ
JA
為何?(A) 2.5°C/W(B) 1.5°C/W (C) 3.2°C/W (D) 0.5°C/W
32.如右下【圖6】所示電路,若輸入電壓 V
i
=±3V 方波,則輸出電壓 V
o
之最大及最小振幅為何?
(A) -7V ≤ V
o
≤ -1V
(B) -4V ≤ V
o
≤ -1V(C) -1V ≤ V
o
≤ 3V(D) -3V ≤ V
o
≤ 1V
<-1v>
33.如右下【圖7】所示電路為恆流源電路,其中汲源飽和電流 I
dss
= 4 mA,V
DD
= 12 V, R
D
= 1 KΩ ,則輸出電壓V
o
為何?
(A) 10V (B) 6V (C) 12V (D) 8V
34.如右下【圖8】所示為何種電晶體?
(A) n通道增強式金氧半場效電晶體(B) p通道增強式金氧半場效電晶體 (C) n通道空乏式金氧半場效電晶體(D) p通道空乏式金氧半場效電晶體
35.有一個調諧C類放大器,電源V
cc
= 20 V且最大輸出功率為2 W,若推動此放大器的輸入信號 頻率為200KHz,導通的時間為每週期1μs,且導通時I
c(sat)
= 100mA,V
CE(sat)
=0.2V,則此 放大器的最大效率為何? (A) 98.2% (B) 99.5% (C) 99.8% (D) 93.5%
36.若某一個電晶體之1
CEO
=40nA,1
CEO
=μA,則此電晶體之B值為何? (A) 149 (B) 249 (C)49 (D) 349
37.在電晶體h參數中,代表輸入開路時之輸出導納為何?(A)h
12
(B) h
21
(C) h
11
(D) h
22
38.有兩個電流方程式分別為i
1
(t) =10sin(120
)A ’ i
2
(t) = 5sin(120
+ 30°)A,則此兩波形時間差為何? (A) 2.51 ms (B) 1.02 ms (C) 1.39 ms (D) 1.53 ms
39.有一脈波若其脈波寬度為2.5
,工作週期為4%,則此脈波之頻率為何? (A) 21 KHz (B) 10 KHz (C) 16 KHz (D) 32 KHz
40.某一個稽納二極體在25°C時崩潰電壓為10 V,其溫度係數為0.05%/°C,當溫度為61°C時此稽 納二極體之崩潰電壓為何? (A) 9.5 V (B) 10.18 V (C) 11.24 V (D) 12.2 V
41.一般工業用電源為正弦波交流電220 V、60 Hz,試問下列何者為正確電壓方程式? (A) v(t) = 220sin(60t) V (B) v(t) = 311cos(60t) V (C) v(t) = 311sin(377t) V (D) v(t) = 311cos(377t) V
42.若一電壓相量;=156角30。,頻率為60 Hz,求其交流正弦電壓為何? (A) 220sin(377t+30°) (B) 380sin(377t+30°) (C) 220sin(377t+60°) (D) 380sin(377t+60°)
43. 若外加100 V、60 Hz交流電壓,則導納大小
為何? (A) 0.21 (B) 0.1414 (C) 0.426 (D) 0.023 .
44. 承第43題,等效阻抗
為何? (A) 6.9 (B) 7.07 (C) 5.29 (D) 8.52 .
45•承第43題,電阻上之電流大小| fR |為何? [圖9】 (A) 6.57 (B) 9.5 (C)3.89 (D) 10 个 V (t)(V)
46•請計算出右【圖10】電壓波形之均方根(rms)V
rms
為何?
(A)5.47 V (B) 1.54 V (C)2.44 V (D) 1.89 V
【已刪除】47. ,請算出此並聯共振電路之Q值。 (A) 16.14 (B) 6.28 (C)3.15 (D) 12.79 T (E)一律給分
【已刪除】48.承第47題,此電路有效Q值Q
e
為何? (A) 4.21 (B) 6.87 (C) 7.92 (D) 5.73 (E)一律給分
49.假設曱、乙之間兩點電位差為3伏特,欲將 2庫倫之正電荷由曱移到乙,需作功多少焦耳。 (A) 1.5 (B)12 (C)6 (D)5
50.某三相平衡正相序電源,已知Vb=150Z20。’則Vc為何? (A) 150 120° (B) 150 1400° (C) 150 1000 (D) 150 -100°
51.,試求IB為何? (A) 30μ A (B) 26.3 μA (C) 25.5μ A (D) 28.5μ
52.承第51題,試求R值為何? (A) 150.5 KΩ (B) 168.6KΩ (C) 195.6 KΩ (D) 125.4 KΩ
53則Av為何? (A)-118 (B) -125 (C) -160 (D) -175
54.承第53題,試求Zi值為何? (A) 1.5 KΩ (B) 1K Ω (C) 1.2KΩ (D)812Ω
55.場效電晶體小訊號模型中
,對gm。之敍述下列何者正確? (A)為V
GS
= 0伏特時電阻值 (B)為固定之最小增益 —~ (C)受到直流偏壓之影響 (D)以上皆非
56.試求全波整流電路之輸出波形(未濾波前)的漣波百分率為何?(A) 55% (B) 48% (C) 32% (D) 63%
57•如右上【圖13】所示阿匹次振盪器(Colpittsoscillator),其頻率f。為何?
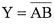
58.如右【圖14】電路所示為MOSFET邏輯電路,其邏輯運算為何?
(A)
(B)
(C) Y = A + B (D)以上皆非
59.有關理想放大器的敍述,下列何者錯誤? (A)輸入阻抗無窮大(B)頻寬無窮大 (C)輸出阻抗為零 (D) CMRR值為零 °
60.電晶體共射極組態放大電路中,輸出信號與輸入信號相位有何差異? (A)相同 (B)相差180度 (C)相差90度 (D)相差45度
申論題 (0)