阿摩線上測驗
登入
首頁
>
初等/五等/佐級◆基本電學大意
> 101年 - 101 調查特種考試_五等_電子科學組:基本電學大意#44614
101年 - 101 調查特種考試_五等_電子科學組:基本電學大意#44614
科目:
初等/五等/佐級◆基本電學大意 |
年份:
101年 |
選擇題數:
40 |
申論題數:
0
試卷資訊
所屬科目:
初等/五等/佐級◆基本電學大意
選擇題 (40)
1 一電荷帶有 5 庫侖電量,由 a 點移動至 b 點共作了 40 焦耳的功,a,b 兩點間的電位差為: (A) 200 伏特 (B) 5 安培 (C) 8 伏特 (D) 40 瓦
2 下列有關功率及能量之敘述,何者錯誤? (A)瓦特是功率單位 (B)焦耳是能量單位 (C) 1 馬力等於 746 瓦特 (D) 1 度電為 1000 瓦特
3 「兩電荷間的靜電力與其電荷量乘積成正比,與電荷間的距離平方成反比,且與電荷間的介質有關。」 前述係指下列何者? (A) 安培定律 (B)高斯定律 (C)庫侖定律 (D)楞次定律
4 一直流電動機若輸入 200 伏特、4 安培,效率為 80%,求輸出馬力數約為何? (A) 0.43 (B) 0.57 (C) 0.68 (D) 0.86
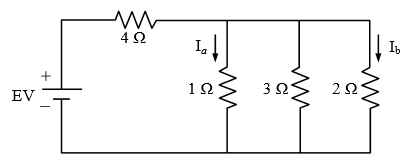
5 某電路如圖所示,已知電流I
a
=1 安培,則電流I
b
為多少安培?
(A)1/6(B)1/3(C)1/2(D)2
6 某線圈之電感值為 2H,若在 0.5 秒內,線圈電流由 0A 線性上升至 5A,則線圈兩端之感應電壓為多 少伏特? (A) 10 (B) 20 (C) 40 (D) 80
7 三個同特性標示 110V,60W 之電燈泡,若將其三個並聯在一起後,接於 110V 之電源時,這三個電 燈泡消耗之總功率為多少 W? (A) 20 (B) 60 (C) 180 (D) 360
8 如圖所示之 RC 串聯電路,其時間常數為若干秒?
(A) 20 (B) 2 (C) 0.2 (D) 0.02
9 試求如圖所示電路之時間常數為多少秒?
(A) 1 (B) 1.5 (C) 2 (D) 2.5
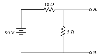
10 如圖所示,試求 AB 兩點間之諾頓等效電流。
(A) 3 安培(B) 6 安培 (C) 9 安培 (D) 12 安培
11 某一交流電路的電壓及電流分別為 V=(100+j60)V,I=(40-j30)A,試求此電路之平均功率為幾瓦特? (A) 2200 (B) 2800 (C) 4000 (D) 5800
12 如圖電路所示,若欲使電流 i(t)及電壓 v(t)同相,則下列何者正確?
13 在如圖所示之電路中,假設三個安培計均為理想的儀表,若安培計A1 和A2之讀值均為 10 安培,則安 培計A3 之讀值為多少安培?
(A) 20(B) 14.14 (C) 10 (D) 0
14 RLC 串聯電路中,若電源頻率大於諧振頻率,則電阻 R 兩端之電壓: (A)超前電流 (B)落後電流 (C)與電流同相 (D)與電流之相位關係視電阻 R 大小而定
15 如圖所示之交流電路,在諧振時,電流 I 應為多少安培?
(A)1(B)2(C)3(D)4
16 某RLC串聯電路,其L與C之電抗值分別為X
L
與X
C
,若X
C
>X
L
時,則該電路呈何種特性? (A)電阻性 (B)電容性 (C)電感性 (D)不一定
17 如圖所示,試求電路中之時間常數。
(A)2 μs (B)3 μs (C)3.75μs (D)6μs
18 試計算如圖所示之 AB 兩點間之戴維寧等效電阻?
(A)7歐姆(B)8歐姆(C)9歐姆(D)10歐姆
19 如圖所示,試計算該電路之時間常數。
(A)150ms (B)50ms (C)36ms (D)8ms
20 如圖所示,試求電流I
1
之值?
(A)1安培(B)2安培(C)3安培(D)4安培
21 某電路如圖示,已知a,b兩節點之電位差Vab 為 5 伏特,則R之電阻值為多少Ω?
(A)3(B)6(C)9(D)12
22 某電路如圖所示,則電流 I 為多少安培?
(A)0.02(B)0.06(C)0.24(D)0.6
23 某電路如圖所示,則電流I1 與電流I2 為
:
(A)2(B)4(C)6(D)8
24 下列有關電感器的敘述,何者為錯誤? (A)在直流穩態時理想的電感器可視為短路 (B)電感器的電感值與匝數的平方成正比 (C)電感器所產生反電勢的大小與電感值及電流的乘積成正比 (D)一只線圈組成的電感器只有自感
25 某線圈 200 匝,通以 4 安培的電流,產生 0.005 韋伯的磁通,求其自感量為多少亨利? (A) 0.25 (B) 0.5 (C) 1 (D) 2.5
26 某磁性材料,截面積為 100 平方公分,磁路長度為 10π 公尺,相對導磁係數為 1000,求該磁路的磁 阻為多少安匝/韋伯? (A) 2.5 x 10
6
(B)2.5 x 10
5
(C)5 x 10
4
(D)5 x 10
5
27 兩線圈 A、B 相鄰放置,其中 A 線圈 1000 匝,B 線圈 600 匝,線圈 A 通過 10 安培的電流時產生 5x10
-3
韋伯的磁通量,其中 2x10
-3
韋伯交鏈至線圈 B,則兩線圈的互感為多少亨利? (A) 0.5 (B) 0.2 (C) 0.18 (D) 0.12
28 供給電爐的電源電壓若下降 10%,則其輸出功率: (A)增加 10% (B)降低 10% (C)降低 30% (D)降低 19%
29 有一帶電量為 6 庫侖的正電荷,由無窮遠處移動至a點須作功 120 焦耳,而由無窮遠處移動至b點須 作功 60 焦耳,試求a、b兩點間的電位差Vab為多少伏特? (A) 10 (B) 15 (C) 20 (D) 30
30 某帶電體含有 5x10
19
個電子,則該帶電體帶有多少庫侖的電量? (A)-2 (B)-4 (C)-8 (D)-12
31 一個導體球之外,距球心 20 公分處的電場強度為 36×10
10
牛頓/庫侖,方向指向球心,則球面上的電 荷為多少庫侖? (A) 1.6 (B)-1.6 (C) 8 (D)-8
32 鍺的原子序為 32,則其原子最外層有幾個電子? (A)1 (B)2 (C)4 (D)6
33 某原子內有 7 個電子及 4 個質子,該原子帶有多少庫侖的電量? (A) -3.204 x 10
-19
(B)-3.604 x 10
-19
(C)-4.806 x 10
-19
(D)-5.406x 10
-19
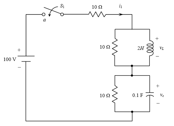
34 如圖所示,當開關S1置於a點且穩態時,電感 2H所儲存能量為多少焦耳?
(A) 25 (B) 20 (C) 4 (D) 0
35 如圖所示,開關S 的響應為何?
(A)i
1
= 4e
-0.1t
A (B)i
1
= 2e
-0.1t
A (C)i
1
= 4e
-10t
A (D)i
1
= 4e
-5t
A
36 並聯之二個電阻分別為R
1
及R
2
,且R
2
為R
1
之二倍。通電後,若R
1
上之電流為 4A,則流經R
2
之電流為 多少安培? (A) 1 (B) 2 (C) 3 (D) 6
37 有一長電線,其電流的方向為垂直進入紙面,則產生磁場的方向為: (A)逆時針方向 (B)進入紙面 (C)離開紙面 (D)順時針方向
38 下列有關電力線與磁力線的敘述,何者正確? (A)電力線是封閉的曲線 (B)電力線較密處,其電場強度較弱 (C)磁力線不相交 (D)磁力線在磁鐵內,是從 N 極流向 S 極
39 若兩個金屬球各帶有 4x10
-6
庫侖及 5x10
-5
庫侖的電荷,相距 2 公尺,則其於真空中相互的作用力為 多少牛頓? (A) 2 (B) 1.8 (C) 0.9 (D) 0.45
40 有一導線其電流I = 12 安培,N = 10
25
個自由電子,導線截面積A = 3 平方毫米,則導線內電子移動速 率約為每秒多少公尺(m/s)? (A) 1.25 (B) 2.5 (C) 5 (D) 10
申論題 (0)