阿摩線上測驗
登入
首頁
>
計算機概論、大意(資訊科學概論,電腦常識,電子計算機概論)
> 101年 - 101 關務特種考試_四等_資訊處理:計算機概要#45244
101年 - 101 關務特種考試_四等_資訊處理:計算機概要#45244
科目:
計算機概論、大意(資訊科學概論,電腦常識,電子計算機概論) |
年份:
101年 |
選擇題數:
40 |
申論題數:
0
試卷資訊
所屬科目:
計算機概論、大意(資訊科學概論,電腦常識,電子計算機概論)
選擇題 (40)
1 下列有關硬碟運轉速度的敘述,何者為正確? (A)慢於軟碟,且通常是在遇到讀或寫的指令後才開始旋轉 (B)慢於軟碟,且通常是不斷的在旋轉 (C)快於軟碟,且通常是在遇到讀或寫的指令後才開始旋轉 (D)快於軟碟,且通常是不斷的在旋轉
2 下列有關程序(process)狀態的敘述,何者錯誤? (A)一個程序被 fork()之後就進入 ready 狀態 (B)waiting 中的程序被叫醒(wake up)之後就進入 ready 狀態 (C)ready 中的程序,若等待太久會進入 waiting 狀態 (D)ready 中的程序,若被排程(scheduled)之後,其狀態就會被改成 running 狀態
3 一數位計算機使用 32 位元指令字組(instruction word),該字組分成下述欄位:Opcode 欄位使用 8 位元,2 個每一欄位為 6 位元的暫存器位址欄位(register address field),及 1 個 12 位元的立即運算 元(immdiate operand)暫存器欄位,試問有號數(signed)立即運算元之範圍為何?(A)0~1024 (B)0~4096 (C)-512~511 (D)-2048~2047
4 32 位元的 PCI 匯流排使用 33 MHz 傳送資料,試問傳輸率為何? (A)33 MBytes/S (B)132 MBytes/S (C)256 MBytes/S (D)1056 MBytes/S
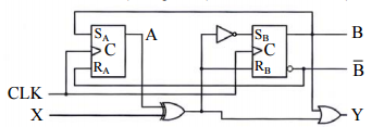
5 使用 2 個SR正反器(flip-flop)與 3 個邏輯閘組成一時序電路(sequential circuit)如下圖所示,其中 SR正反器由NAND閘所組成,A、B表示狀態位元,X表示外部輸入位元,Y表示輸出位元,SA與RA表 示第一個SR正反器之輸入位元,SB與RB代表第二個SR正反器之輸入位元,CLK表示時脈。關於各個 B B 邏輯閘與正反器之時間參數(tpd表示傳遞延遲時間,ts表示就緒時間(set-up time),th表示保持時間(hold time))如下:
反向器(inverter):t
pd
=0.5 ns
互斥或閘(XOR):t
pd
=2.0 ns
或閘(OR):t
pd
=1.0 ns
正反器:t
pd
=2.0 ns, t
s
=1.0 ns, t
h
=0.25 ns
試問從外部輸入(X)至時脈正緣(postive clock edge)間,其最短的時間間隔為何? (A)2.0 ns (B)2.5 ns (C)3.0 ns (D)3.5 ns
6 x=1111 1111 1001 1100,y=0000 0000 0110 0100,x 及 y 皆是長度為 16 位元的二的補數整數(two’s complement integer),試求 x*y。
(A)1101 1000 1111 0000
two
(B)1101 1111 0010 0110
two
(C)1011 1000 1111 1000
two
(D)1101 1100 1111 0000
two
7 以下敘述,何者正確? (A)TCP 與 UDP 皆為連線導向(connection oriented) (B)UDP 保證封包順序性 (C)TCP 保證資料正確性 (D)影音播放傳送大多使用 TCP
8 假設時脈 4 GHz 的 CPU 其理想的 CPI(cycles per instruction)等於 1。如果平均一道指令的快取記憶 體存取失誤率(miss rate)是 2%且主記憶體的存取時間(main memory access time)是 100 ns,則實 際的 CPI 等於多少? (A)1.8 (B)1.2 (C)8 (D)9
9 在傳統的 UNIX 系統中,使用 ANSI C 進行程式設計,下列何者不會造成系統呼叫(system call)? (A)read() (B)write() (C)seek() (D)fork()
10 使用兩個反及閘(NAND gate)所組成的鎖存器(latch)如下圖所示,試問輸入(a, b)在下列何種情 況可能會造成此時序電路輸出不符所需?
(A)(a, b)=(0, 0)
(B)(a, b)=(0, 1)
(C)(a, b)=(1, 0)
(D)(a, b)=(1, 1)
11 作業系統對於中斷(interrupt)會有下列的處理程序,請選出最恰當的順序?①ISR 執行完畢,回復 原本 process 的執行 ②暫停目前正在執行的 process 並儲存相關的 execution status ③執行對應的 ISR ④查詢 interrupt vector,取得 ISR 的 initial address (A)④③①② (B)④③②① (C)②③①④ (D)②④③①
12 下表是三位元資料(x, y, z)的 parity-generator (P)真值表,下列何者是其 parity-checker (C)的布林表示 法?(假設資料傳輸有誤時 C=1)
(A)C=xyzP (B)C=x+y+z+P (C)x⊕y⊕z⊕P (D)C=x’yz+xy’z+xyz’+P
13 (126.25)
10
轉換至八進制表示法的結果為何? (A)(176.2)
8
(B)(106.4)
8
(C)(106.2)
8
(D)(176.4)
8
14 一個使用單磁碟機構成的儲存系統,每秒鐘收到 50 個 I/O 需求 (requests),假設磁碟機處理一個 I/O 需求的平均時間為 10 ms,此儲存系統的平均利用率(utilization)為何? (A)0.25 (B)0.5 (C)0.75 (D)1
15 對一個數值序列 4 8 5 2 3 6 1 7(假設各數值均為一位數)施行排序演算法 A 由小到大排序。若該演 算法執行之過程中,此數列會依序調整成為 1 8 5 2 3 6 4 7、1 2 5 8 3 6 4 7、1 2 3 8 5 6 4 7、1 2 3 4 5 6 8 7…,則可推知此演算法 A 為何種排序法? (A)選擇排序法(selection sort) (B)氣泡排序法(bubble sort) (C)插入排序法(insertion sort) (D)合併排序法(merge sort)
16 將中序運算式(infix expression): (1+3)*7 轉成前序運算式(prefix expression)後,結果為何? (A)1+3*7 (B)*+137 (C)+*137 (D)1+37*
17 給一個陣列及其第一個元素的位址,則存取此陣列中任意一個元素所需花費的時間 T 和陣列之元素 個數 n 的關係為何? (A)T 為常數時間,和 n 無關 (B)T 和 n 成正比 2 (C)T和n 成正比 (D)T和log n成正比
18 下列選項為有關附圖G1之敘述,請選出正確者:
(A)G
1
是一由 9 頂點(Vertices)與 12 邊線(Edge)組成之無向連結多重圖形(Undirected connected multigraph) (B)G
1
之頂點(Vertex)中,F與K相鄰(Adjacent)但F與K並不相連結(Connected) (C)G
1
中存在之路徑(Path)種類包含:簡單路徑(Simple path)、非簡單路徑(Non-Simple path)、 環路(Cycle)等 (D)G
1
中存在僅由頂點(Vertices)A、B、C、D組成之連結單元(Connected component)
19 若對下圖之二元樹(Binary tree)進行“中序走訪(Inorder traversal)",則輸出為何?
(A)DHBESKRLACMFGJ
(B)DHBSKRELAMFCGJ
(C)BACDHKELSRMFGJ
(D)DHSKRLEBACFMGJ
20 以下序列何者是下圖的拓樸順序(Topological order)?
(A)0、1、2、3、4
(B)0、1、4、2、3
(C)0、4、2、3、1
(D)該圖不存在拓樸順序
21 以下有關雜湊(hash)函數的敘述,何者錯誤? (A)雜湊函數是一個單向函數(one-way function) (B)任意長度的訊息輸入雜湊函數後,可以得到一個長度固定的訊息摘要(digest) (C)雜湊函數造成碰撞(collision)的機率要高 (D)SHA-1(Secure Hash Algorithm-1)是雜湊函數演算法
22 快速排序(Quick Sort)是採用下列何種演算法則? (A)貪婪演算法(Greedy Algorithm) (B)動態程式規劃(Dynamic Programming) (C)回溯法(Backtracking) (D)分而治之法(Divide and Conquer)
23 若已知整數資料 A、B、C、D、E 之值為:A=5,B=1,C=3,D=4,E=2,則下列後序(Postfix)運 算式之值為何?
AB-BC+×AB+CD-×+AB×C-DE/×-
(A)10 (B)6 (C)18 (D)以上皆非
24 某陣列內存有七個由小到大排列的數目,使用循序搜尋法(Sequential Search)在此陣列上搜尋數目 x 時,依序比對了 12、21、34、43、56、65 等六個數目後,搜尋結束。則下列何者是不可能的? (A)x>56 (B)x<65 (C)x=65 (D)x>65
25 以下 C 語言程式片段執行完畢後,會印出幾個星號?
(A)4 (B)5 (C)6 (D)7
26 下列以 C 程式語言撰寫之程式執行後的輸出為何?
(A)50 (B)70 (C)0 (D)此程式無法通過編譯
27 執行下列 C 語言程式,產生的輸出為何?
(A)1, 2 (B)2, 1 (C)1, 1 (D)2, 2
28 執行下列 C 語言程式所產生的輸出為何?
(A)0 (B)25 (C)30 (D)編譯時會產生錯誤訊息,無法執行
29 有關下列兩個 C 語言程式片段的敘述,何者正確?
(A)兩個程式片段的執行結果完全相同,且兩個程式片段的控制流程完全相同 (B)兩個程式片段的執行結果有些時候會不同,但兩個程式片段的控制流程完全相同 (C)兩個程式片段的控制流程不同,但兩個程式片段的執行結果完全相同 (D)兩個程式片段的控制流程不同,且兩個程式片段的執行結果有些時候會不相同
30 在 C++或 Java 程式語言中,下列那一個敘述可以使「子類別(subclass)存取父類別(superclass)中 的資料成員(data member)」? (A)當父類別中的資料成員被宣告成 protected 或 public (B)當父類別中的資料成員被宣告成 private 或 protected (C)只有當父類別中的資料成員被宣告成 public (D)所有資料成員都不需宣告
31 下列以 C 程式語言撰寫之程式中,請問①②③④中,應填入什麼數字,可使程式執行的結果輸出 9 13 10 14?
(A)①1②2③3④4 (B)①1②3③2④4 (C)①2②4③1④3 (D)①3②4③1④2
32 在物件導向程式語言中,父類別(superclass)和子類別(subclass)之間可以擁有相同名稱但不同功 能的方法(method),此種特性通稱為何? (A)封裝(encapsulation) (B)繼承(inheritance) (C)委派(delegation) (D)多型(polymorphism)
33 以下何種數位浮水印(digital watermark)技術,需要原始數位內容加上私密金鑰就能從受保護數位 內容產品中萃取出浮水印? (A)私密浮水印(private watermark) (B)半私密浮水印(semi-blind watermark) (C)公開浮水印(public watermark) (D)不對稱浮水印(asymmetric watermark)
34 有五部電腦 A、B、C、D、E,另有一個交換器(Switch)S 以及一個集線器(Hub)H,S 與 H 連接, A、B 及 C 連接於 S,D 與 E 連接於 H,所有的設備皆是使用 Ethernet(IEEE 802.3)協定。假設迄 今所有的電腦都未傳送過任何封包,網路設備的狀態也是處於初始狀態,試問若 A 欲傳送封包給 D, 則那幾部電腦會收到該封包? (A)D (B)D、E (C)C、D、E (D)B、C、D、E
35 若考慮以 Huffman 演算法來編碼下列的資訊:【符號 A 出現 15 次、符號 B 出現 8 次、符號 C 出現 6 次、符號 D 出現 35 次、符號 E 出現 5 次】。請問經過編碼之後,符號 A、C、D 分別是以多少個 位元(bit)來表示? (A)2、3、2 (B)2、4、1 (C)3、4、2 (D)3、3、1
36 假設有一個數位視訊規格為:640×480 像素/畫面、16 位元/像素、16 畫面/秒,請問在沒有緩衝器 (buffer)處理之下,要即時播放該視訊而沒有任何時間延遲,網路傳輸至少需支援多少頻寬? (A)25 Mbps (B)50 Mbps (C)75 Mbps (D)100 Mbps
37 下列何種加密法可以利用訊息理論證明為無法破解? (A)Onetime Pad (B)RSA (Rivist, Shamir, Adleman) system (C)ECC (Elliptic Curve Cryptography) (D)Triple DES (Triple Data Encryption Standard)
38 下列是基本的 SQL 範例格式:
試問範例中的 FROM 子句,其功能相當於 Relational database 中的何種運算? (A)Select operation (B)Cartesian product operation (C)Project operation (D)Rename operation
39 為避免憑證被偽造破壞,未到期的憑證可能被認證機構(Certification Authority, CA)撤銷(revoke), 以下何者不是原因之一? (A)用戶的密鑰遺失 (B)CA 的密鑰被破解 (C)CA 發現簽發的憑證發給錯誤的用戶 (D)用戶過度頻繁使用 CA 所提供的認證服務
40 下列那一種應用程式是基於 Peer-to-Peer(P2P)架構? (A)Skype (B)WWW 瀏覽器(browser) (C)Microsoft outlook (D)FTP 程式
申論題 (0)