阿摩線上測驗
登入
首頁
>
升資考/士級晉佐級◆電工原理大意
> 102年 - 102 交通事業郵政、港務升資考試_士級晉佐級_技術類(選試電工原理大意):電工原理大意#38389
102年 - 102 交通事業郵政、港務升資考試_士級晉佐級_技術類(選試電工原理大意):電工原理大意#38389
科目:
升資考/士級晉佐級◆電工原理大意 |
年份:
102年 |
選擇題數:
0 |
申論題數:
5
試卷資訊
所屬科目:
升資考/士級晉佐級◆電工原理大意
選擇題 (0)
申論題 (5)
【已刪除】一、如圖一所示之直流電路,當開關器 S 接通以後,請問 t → ∞ 的時候,電壓 v
R
是幾伏 特?(20 分)
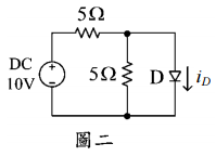
【已刪除】二、如圖二所示之直流電路,其中 D 為理想的二極體,請問通過二極體的電流 i
D
是幾安 培?(20 分)
【已刪除】三、 如圖三所示之交流電路,其中 Z
L
為負載,請問 Z
L
獲得的最大功率的平均值是幾瓦 特(Watt)?(20 分)
【已刪除】四、如圖四所示之直流電路,求解 i
L
(t ) 。(20 分)
【已刪除】五、如圖五所示之場效應電晶體電路,請繪出 0~2 秒之間 V
o
的波形圖並標示電壓值和時 間。(20 分)
相關試卷
112年 - 112 交通事業鐵路升資考試_士級晉佐級_技術類(選試電工原理大意)—鐵路:電工原理大意#117246
112年 · #117246
110年 - 110 交通事業港務升資考試_士級晉佐級_技術類(選試電工原理大意)-港務:電工原理大意#103493
110年 · #103493
109年 - 109 交通事業鐵路升資考試_士級晉佐級_技術類(選試電工原理大意):電工原理大意#92592
109年 · #92592
108年 - 108 交通事業郵政、港務升資考試_士級晉佐級_技術類、技術類(選試電工原理大意):電工原理大意#80473
108年 · #80473
106年 - 106 交通事業鐵路升資考試_士級晉佐級_技術類(選試電工原理大意):電工原理大意#65995
106年 · #65995
105年 - 105 交通事業郵政升資考試_士級晉佐級_技術類:電工原理大意#58998
105年 · #58998
104年 - 104 交通事業港務升資考試_士級晉佐級_技術類(選試電工原理大意):電工原理大意#38218
104年 · #38218
103年 - 103 交通事業鐵路升資考試_士級晉佐級_技術類(選試電工原理大意):電工原理大意#38358
103年 · #38358
100年 - 100 交通事業鐵路、港務升資考試_士級晉佐級_技術類(選試電工原理大意):電工原理大意#38381
100年 · #38381
99年 - 99 交通事業郵政升資考試_士級晉佐級_技術類:電工原理大意#38361
99年 · #38361