阿摩線上測驗
登入
首頁
>
結構學概要與鋼筋混擬土學概要
> 102年 - 102 原住民族特種考試_四等_土木工程:結構學概要與鋼筋混凝土學概要#34169
102年 - 102 原住民族特種考試_四等_土木工程:結構學概要與鋼筋混凝土學概要#34169
科目:
結構學概要與鋼筋混擬土學概要 |
年份:
102年 |
選擇題數:
0 |
申論題數:
4
試卷資訊
所屬科目:
結構學概要與鋼筋混擬土學概要
選擇題 (0)
申論題 (4)
一、試說明在鋼筋混凝土分析與設計中用到的基本假設有那些?並繪圖說明之。(25 分)
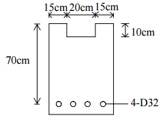
【已刪除】二、如圖所示之梁斷面,中央部分有缺口,混凝土強度 f′c = 210 kgf/cm
2
,鋼筋 D32 (d
b
= 32.2 mm,A
b
= 8.143 cm
2
,f
y
= 4,200 kgf/cm
2
)。試求此梁斷面可負荷之設計 彎矩 M
u
為何?(25 分)
【已刪除】三、試求下圖所示靜定桁架結構各支承反力,與桿件 ij、ik、hk 之內力。各桿件之 E、A 均相同。(25 分)
【已刪除】四、如圖示之剛架,桿件皆為均勻斷面,材質相同。試求支承 a 點及 c 點之反力,並繪 此剛架之彎矩圖。(25 分)