阿摩線上測驗
登入
首頁
>
初等/五等/佐級◆電子學大意
> 102年 - 102 鐵路特種考試_佐級_電子工程:電子學大意#22221
102年 - 102 鐵路特種考試_佐級_電子工程:電子學大意#22221
科目:
初等/五等/佐級◆電子學大意 |
年份:
102年 |
選擇題數:
40 |
申論題數:
0
試卷資訊
所屬科目:
初等/五等/佐級◆電子學大意
選擇題 (40)
1 下列由理想運算放大器所組成的應用電路中,何種電路中的運算放大器輸入端,不可視為虛短路? (A)比較器 (B)非反相放大器 (C)反相放大器 (D)微分器
2 如圖所示之電晶體係下列那一種電晶體?
(A) n 通道金氧半場效電晶體(N-MOSFET) (B) p 通道金氧半場效電晶體(P-MOSFET) (C) n 通道接面場效電晶體(N-JFET) (D) p 通道接面場效電晶體(P-JFET)
3 如圖所示運算放大器電路,下列敘述何者錯誤?
(A)參考電壓 V
REF
為+6V (B)當輸入電壓 V
i
為 5V,輸出電壓 V
O
約為-12V (C)當輸入電壓 V
i
為 7V,LED 燈為暗 (D)此電路為比較器電路
.
4 有一 BJT,其β=100,已知在室溫下熱電壓 V
T
=25 mV,若 I
C
=1 mA,則該 BJT 之轉導 g
m
值為: (A) 4 mA/V (B) 40 mA/V (C) 400 mA/V (D) 4 A/V
5 PN 二極體之內建電位障(built-in potential barrier),乃是其空乏區域(depletion region)內甚麼所造 成? (A)兩側電子 (B)兩側電洞 (C)中性原子 (D)正離子及負離子
6 在室溫時,N 型或 P 型半導體的導電特性與溫度的關係是: (A)隨溫度升高,導電特性變好 (B)隨溫度升高,導電特性變差 (C)導電特性不隨溫度變化而改變 (D)視其為 N 型或 P 型半導體而定
7 圖示理想二極體電路中,試求輸入電壓 vI的範圍,在此範圍內,輸出電壓 vO的值將會隨輸入 vI之變 化而變化,其範圍為:
(A)1 V ≤vI≤ 4V (B) 1.5V ≤vI≤ 6V (C)2V≤vI≤8V (D) 4V ≤ vI≤ 10V
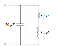
8 如圖所示之電路,其共振頻率約為何?
(A) 51.4 Hz (B) 61.4 Hz (C) 71.4 Hz (D) 81.4 Hz
9 圖示全波整流電路,若交流電 v
S
之有效值電壓為 10 V
rms
,二極體導通時的壓降 V
D
為 0.7 V,則此電 路中使用的二極體崩潰電壓應至少為:
(A) 6.3 V (B) 9.3 V (C) 13.3 V (D) 17.3 V
10 若 P-N 接面二極體之導通電壓為 0.7 V,且導通電阻值為 0,若 Vi=A sinωt,下列敘述何者正確?
(A)若 A<0.7 V,則二極體兩端壓差為 0 (B)若 A=1 V,則電阻上之峰值電流 0.3 mA (C)若 A=2 V,則電阻上之峰值電流為 0.65 mA (D)若 A>0.7 V,則電阻上之電流為直流電
11 如圖所示的電路,則“D
1
"的主要功能為何?
(A)限制電流 (B)限制電壓 (C)提供定電流源 (D)解調
12 今有一電路如圖所示,其中 V
P1
=V
P2
=6 V、R
1
=10 kΩ、R
2
=5 kΩ,啟動二極體導通的端電壓須達 0.7 V 以上,則電路中兩顆二極體導通的情形為何?
(A) D1(ON), D2(ON) (B) D1(ON), D2(OFF) (C) D1(OFF), D2(ON) (D) D1(OFF), D2(OFF)
13 下列對於場效電晶體放大器的敘述,何者錯誤? (A)共源極放大器的輸入電壓與輸出電壓反相 (B)共閘極放大器的輸入阻抗值很高 (C)共汲極放大器的電壓增益值小於 1 (D)共源極放大器的輸入阻抗值很高
14 如圖中具有負載電阻 R 的箝位電路中,電容值對於輸出波形的影響為何?
(A)不會有影響 (B)影響直流準位的移動量 (C)影響輸出波形的頻率 (D)電容值愈大,輸出波形愈接近輸入波形
15 如圖所示電路,齊納二極體的 V
Z
=5 V,電源 V=15 V,R
L
=1 kΩ,若齊納二極體容許的最大 I
Z
電流 I
Zmax
為 20 mA,則 R 的最小值 R
min
應為多大?
(A) 200 Ω (B) 300 Ω (C) 400 Ω (D) 500 Ω
16 如圖的共集(CC)放大器(其偏壓未示)。若電晶體的轉導參數為 g
m
,輸出電阻為 r
o
,則此放大器 的電壓增益約為何?
(A) g
m
R
E
(B) g
m
R
E
/(1+g
m
R
E
) (C)-g
m
R
E
(D)-g
m
R
E
/(1+g
m
R
E
)
17 分析如圖之電路,若MOSFET 之轉導值g
m
=1 mA/V 且操作於飽和區,元件之輸出阻抗r
o
=10 kΩ,R
D
=10 kΩ, R
G
=10 kΩ,試求 V
o
/I
i
=?
(A)-90/11 (B)-10 (C)-15/2 (D)-25/3
.
18 如圖所示電路中電晶體的β=100 且爾利電壓(Early Voltage)為無窮大,請問電路的頻寬約為多少?
(A) 57 MHz (B) 60 MHz (C) 65 MHz (D) 70 MHz
複選題
重新載圖
重新載圖
19 如圖所示之放大器,若電晶體操作於飽和區,且其高頻 3dB 頻率 ω
H
遠高於低頻 3dB 頻率 ω
L
,忽略 元件本身之寄生電容,下列敘述何者錯誤?
(A)降低 R
S
可提高中頻增益 (B)降低 C
S
可增加 ω
H
- ω
L
(C)降低 C
D
可增加 ω
H
- ω
L
(D)增加 R
G
可增加 ω
H
- ω
L
20 關於 MOSFET 電晶體之敘述,下列何者錯誤? (A) NMOSFET 通道下方之空乏區帶負電荷 (B) PMOSFET 導通時之通道帶正電荷 (C) MOSFET 操作在飽和區時之 Cgs(閘極到源極之寄生電容)> Cgd(閘極到汲極之寄生電容) (D) NMOSFET 源極(source)對基板(substrate)之電壓提高,臨界電壓(threshold voltage)降低
21 如圖所示電路主要作用為:
(A)電壓緩衝器(Voltage Buffer) (B)電流放大器(Current Amplifier) (C)轉阻放大器(Transresistance Amplifier) (D)截波電路( R Limiter Circuit)
22 如圖所示電路中場效電晶體(FET)之 V
t
= -1 V、μ
p
C
ox
(W/L)=2 mA/V
2
,若 FET 工作在飽和區,且電 流 I
D
= 1 mA、V
DD
=5 V,則電壓 V
G
應為若干伏特?
(A) 4.5 V (B) 4 V (C) 3.5 V (D) 3 V
23 有一個 N 通道增強型 MOSFET,Vth=1.2 V,V
GS
=2 V,下列工作區域何者錯誤? (A)當 V
DS
=0.4 V,電晶體處在飽和區 (B)當 V
DS
=1 V,電晶體處在飽和區 (C)當 V
DS
=1.5 V,電晶體處在飽和區 (D)當 V
DS
=5 V,電晶體處在飽和區
24 如圖所示電路,假設 MOS 電晶體操作在飽和區,且其λ值皆大於零,忽略元件內極間電容效應,Vb 為直流電壓,求此電路之轉折(corner)頻率為何?
25 空乏型 nMOSFET,下列中那一項偏壓將使元件不導通? (A) Vgs << 0 (B) Vgs = 0 (C) Vgs > 0 (D) Vgs >> 0
26 有一放大器電路的高頻響應轉移函數(Transfer Function)FH(s)如下所示,其中 s=jω=j2πf:
若繪製
的波德圖(Bode Plot),試問在頻率 f = 600 kHz 時的線段斜率應落在下列何範圍內? (A) > +25 dB/decade (B) 0 dB/decade 至+25 dB/decade (C) -25 dB/decade 至 0 dB/decade (D) < -25 dB/decade
27 請問下圖高通濾波器電路之 3 分貝(或截止)頻率約為多少?
(A) 160 Hz (B) 230 Hz (C) 450 Hz (D) 700 Hz
28 如圖所示為一 BJT 差動對(Differential-Pair)電路。Q
1
= Q
2
,並設工作於主動模式(active-mode)。 則呈現在兩基極端的差動輸入電阻(Differential Input Resistance)Rid以熱電壓(Thermal Voltage) V
T
表示為:
(A) V
T
/I (B) (β+1)V
T
/I (C) 2(β+1)V
T
/I (D) 4(β+1)V
T
/I
29 金氧半電晶體內部電容影響電路的頻率響應,下列的描述何者錯誤? (A)電晶體工作於三極管(triode)區時閘極電容可視為一平行板電容 (B)源極-本體間的電容為一反偏的 pn 接面電容 (C)閘極-汲極間電容與電晶體工作區域無關 (D)源極-本體間的電容會隨偏壓而改變
30 如圖示電路,電晶體電流放大率 β =100,若 R
C
=5 kΩ,R
e
=200 Ω,I=1 mA,則差模輸入阻抗 R
id
約為 多少?
(A) 400 Ω (B) 500 Ω (C) 40 kΩ (D) 50 kΩ
31 一個差動放大器,若 V
+
= +10mV 而 V
-
= -10mV,那差動輸入電壓(differential-mode input voltage)為: (A) 0mV (B) +10mV (C) +20mV (D) -30mV
32 如圖所示放大器,外接電容為 CC1、CC2 和 CS,MOSFET 的寄生電容為 Cgs 和 Cgd。有關此放大器 電路的高頻響應,下列敘述何者正確?
(A)主要是受外接電容的影響 (B)主要是受 MOSFET 寄生電容的影響 (C)受外接電容與 MOSFET 寄生電容的影響程度均相同 (D)主要受其他電容影響,但受外接電容與 MOSFET 寄生電容的影響程度不大
33 由電阻 R
1
、R
2
和運算放大器組成的非反相放大器(Non-Inverting Amplifier),如圖所示。其中 R
1
=1kΩ, R
2
=1MΩ。運算放大器的輸出飽和電壓為±10V,輸入偏移電壓(Input Offset Voltage, Vos)為 5mV。若 輸入 V
IN
為正弦訊號,則其最大輸入振幅大約為多少才不會造成輸出訊號失真?
(A) 15 mV (B) 10 mV (C) 5 mV (D) 2 mV
34 如圖所示之電路,其運算放大器之飽和電壓為 ± 15 V,則此電路之遲滯(hysteresis)電壓範圍為何?
(A) 10 V (B) 12 V (C) 15 V (D) 18 V
.
35 分析如圖之電路,若 MOSFET 之轉導值 gm=1 mA/V 且操作於飽和區,臨界電壓 V
th
=1 V,V
GS
=1.2 V, 求 R
D
=?
(A) 19 kΩ (B) 25 kΩ (C) 38 kΩ (D) 45 kΩ
36 如圖之電路,運算放大器之飽和電壓為 ± 15 V,若 Vo之週期為 3 ms,則 R2/R1為何?
(A) 1/10 (B) 1/4 (C) 1/3 (D) 1/2
37 分析以下之電路,若 MOSFET 皆操作在飽和區且轉導值 gm為 1 mA/V,元件之輸出阻抗 ro皆為 10 kΩ, 試求 Vo / Vi約為多少?
(A) 10 (B) 7.5 (C) 25/6 (D) 25/11
38 如圖所示之電路,若 MOSFET 操作在飽和區(Saturation Region)且轉導值(gm)為 1 mA/V。若忽略元 件之輸出阻抗(ro),則輸出(Vo)對輸入(Vi)之共模增益(Common Mode Gain)Acm=?
(A) 0 (B) 1/11 (C) 1/10 (D) ∞
39 相較於單級共射極(CE)放大器,圖示 CC-CE 串接電路之主要優點在於提高:
(A)輸入阻抗、輸出阻抗 (B)輸入阻抗、頻寬 (C)輸出阻抗、電壓增益 vo/vi (D)輸出阻抗、頻寬
40 一個理想二極體,在順向偏壓時: (A)電流為零 (B)電壓為零 (C)電阻為無窮大 (D)電容為零
申論題 (0)