阿摩線上測驗
登入
首頁
>
計算機概論、大意(資訊科學概論,電腦常識,電子計算機概論)
> 102年 - 102 鐵路特種考試_員級_電子工程:計算機概要(重複)#44551
102年 - 102 鐵路特種考試_員級_電子工程:計算機概要(重複)#44551
科目:
計算機概論、大意(資訊科學概論,電腦常識,電子計算機概論) |
年份:
102年 |
選擇題數:
40 |
申論題數:
0
試卷資訊
所屬科目:
計算機概論、大意(資訊科學概論,電腦常識,電子計算機概論)
選擇題 (40)
1 假設虛擬記憶體的虛擬位址(virtual address)是 32-bit,一個分頁(page)的大小是 4KB,則該虛擬 記憶體共有幾個分頁?(A)2
20
(B)2
32
(C)2
12
(D)2
18
2 下列何者是中央處理器中控制單元(control unit)所扮演的角色? (A)執行數值(arithmetic)、邏輯(logic)、移位(shift)等運算 (B)儲存指令運算完畢後的結果 (C)決定中央處理器中每一個硬體單元的執行順序 (D)當作快取記憶體使用
3 下列那一種記憶體關掉電源後,資料不會遺失? (A)DRAM (B)Cache (C)SRAM (D)Flash Memory
4 磁碟陣列(RAID)比單顆硬碟有多個方面的好處:增強資料整合度,增強容錯功能,增加處理速度或容 量。RAID 0 將資料直接存入每顆硬碟上,RAID 1 在不同的硬碟上映射複製(mirror)資料,RAID 5 則 是將資料平均分散到每顆硬碟並且加入錯誤更正碼。下列關於 RAID 0、RAID 1 和 RAID 5 的敘述, 何者一定是錯誤的? (A)將兩顆讀取速度皆為 50MB/s 的硬碟組成 RAID 0,理想上的讀取速度可到達 100MB/s (B)將三顆各 100GB 的硬碟組成 RAID 5,則可用容量為 200GB (C)將兩顆各 100GB 大小的硬碟組成 RAID 1,則可用容量為 200GB
5 的資料可靠度較 RAID 1 低,但磁碟空間利用率較 RAID 1 高 5 有兩個二進位的有號整數(signed integer): X = 1010100 , Y = 1000011 ,若使用二的補數進行 X-Y 的運算,則結果為何?(注意:假設 X、Y 原為七位數而結果為以八位元表示。) (A)10010001 (B)11101110 (C)01101111 (D)00010001
6 下圖是 8×1 的多工器(multiplexor),A、B、C 為選擇信號且分別對應至 2
0
, 2
1
, 2
2
,D0~D7 為輸入 信號,假設需要輸出
,請問 D7~D0 設定值為何?
(A)D
7 ~ 0
= 10101010B (B) D
7 ~ 0
= 10101011B (C) D
7 ~ 0
= 11101111B (D) D
7 ~ 0
= 10101000B
7 兩個 BCD 數元(1000 0100)BCD 與(0111 0110)BCD 相加後,其和為: (A)(0110 0000)
BCD
(B)(1 0110 0000)
BCD
(C)(01100000)
2
(D)(101100000)
2
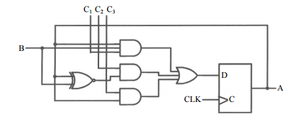
8 一時序電路(sequential circuit)由 1 個 D 正反器(flip-flop)與 5 個邏輯閘所組成,如下圖所示,其 中 B、C
1
、C
2
、C
3
為輸入位元,A 為狀態位元,試問 A 之狀態方程式為何?
(A) A( t + 1) = C
1
AB + C
2
(A
) (B) A( t + 1) = C
1
AB + C
2
(
+ AB) (C) A( t + 1) = C
1
AB + C
2
( A
) + C
3
A (D) A( t + 1) = C
1
AB + C
2
(
+ AB) + C
3
A
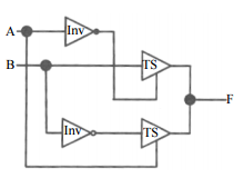
9 一電路如下圖所示,其中 TS(three-state)表示三態閘,Inv(inverter)表示反向器,試問該電路的 布林函數(F)為何?
(A)
(B)
(C)F= A+B (D)
10 假設一個半加器(half adder)的輸入訊號是 x 與 y,輸出訊號是 S(sum)與 C(carry)。下列何者正確? (A) S = x + y , C = xy (B) S = xy , C = x + y (C) S = x ⊕ y , C = xy (D)S = x + y, C = x ⊕ y
11 下列關於分頁技術(paging)的敘述,何者錯誤? (A)由分頁表(page table)來處理分頁(page)位址(或號碼)與分頁框(frame)位址(或號碼)的 轉換 (B)會有外部斷裂(external fragmentation)情況 (C)允許一個行程所使用的記憶體散布在不相鄰的多個分頁框(frame)中 (D)一個系統可能存在不只一種分頁大小(page size)
12 下列何者並非手持行動裝置(如:智慧型手機)的主要設計目標? (A)色彩更豐富的使用者介面 (B)多工處理(multiprogramming) (C)回應時間(response time) (D)多人使用環境(multi-user) 代號:6810 頁次:6-3
13 對於一般的作業系統而言,下列何種元件無法支援隨插即用(意指:必須將整個系統關機後再安裝 該項元件)? (A) USB 硬碟 (B)快閃記憶體(如:CF 記憶卡) (C)隨機存取記憶體(main memory) (D) USB 光碟機
14 下列那一項動作不需要利用系統呼叫(system calls)來處理? (A)終止行程(terminate process) (B)開啟舊檔(open file) (C)呼叫使用者函式(call user function) (D)顯示時間與日期(get time and date)
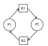
15 下圖為資源分配圖(resource-allocation graph),其中正方形代表資源,圓形代表行程。下列敘述何 者與此圖所描述的事實相符?
(A)系統中存在著死結 (B) P1 在執行的過程當中只需要 R1 這項資源 (C) P1 在執行的過程當中只需要 R2 這項資源 (D) R2 這項資源已經分配給 P2
16 下列關於 Round-Robin 程序排程演算法(process scheduling algorithm)的敘述,何者錯誤? (A) Round-Robin 排程是可用於分時系統(time-sharing system)設計的排程演算法 (B)如果 Round-Robin 排程的時間區段(time quantum)越長,則其與 First-Come First-Served 的排程效 果越接近 (C)由於 Round-Robin 排程能使不同程序獲得公平的 CPU 資源,所以屬於非搶先(non-preemptive)排 程法的一種 (D)使用 Round-Robin 排程時,頻繁的切換程序(context switching)會影響系統效能
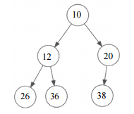
17 有一個樹狀結構如下:
下列敘述何者正確? (A)是二元搜尋樹(binary search tree)且是完整二元樹(complete binary tree) (B)是完整二元樹 (C)是二元樹(binary tree)且是歪斜樹(skewed tree) (D)是完滿二元樹(full binary tree)
18 下列資料結構何者可最快找到最大的元素項? (A)二元搜尋樹(binary search tree) (B)佇列(queue) (C)引線二元樹(threaded binary tree) (D)最大堆積(max-heap)
19 3 個節點能形成多少種二元樹? (A)3 (B)4 (C)5 (D)6
20 下列何者是樹狀結構中序走訪法(inorder traversal)的結果?
G (A) ABCDEFG (B) ACBDFEG (C) DCABEFG (D) ABCFGED
21 在個人工作站上,從電子郵件伺服器下載個人電子郵件時,使用下列何種通訊協定? (A) POP3 (B) FTP (C) SMTP (D) HTTP
22 Java 程式語言中,在沒有型別轉換(type cast)的情況下,下列那一個指定陳述(assignment statement) 是不被允許的? (A)指定一個 short 值到一個 long 變數 (B)指定一個 byte 值到一個 double 變數 (C)指定一個 int 值到一個 float 變數 (D)指定一個 long 值到一個 byte 變數
23 下列 C 程式執行後,m3 之值為何?
(A) 21 (B) 22 (C) 23 (D) 24
24 下列程式語言,何者是以直譯(interpretation)方式執行的程式語言? (A) ADA (B) FORTRAN (C)C (D) PHP
25 已知一 C 語言程式中,宣告陣列 A 為 int A[10][8],且 A 在記憶體的位址為 0x0000(0x 代表 16 進位 表示法),若每個 int 資料使用 2 個位元組(byte),請問 A[5][5]使用的記憶體位址為何? (A) 0x0210 (B) 0x0110 (C) 0x0090 (D) 0x005A
26 有關下列 C 語言程式片段的敘述,何者正確? int x =1; float y = 2.5; x = x + y; (A)該程式片段完全符合 C 語言的資料型態規定,無需編譯程式(compiler)進行資料型態強制轉換 (coercion) (B)編譯程式必須對該程式片段進行 1 次資料型態強制轉換後,以完成編譯 (C)編譯程式必須對該程式片段進行 2 次資料型態強制轉換後,以完成編譯 (D)該程式片段在編譯時會產生資料型態錯誤的訊息,無法完成編譯 代號:6810 頁次:6-5
27 有關執行下列 C 語言程式片段後的敘述,何者正確? int A[3] = {0, 0, 0}; int x = 1; A[x++] = --x; (A)執行後,A[0] = 0 (B)執行後,A[1] = 0 (C)執行後,A[1] = 1 (D)執行後,A[2] = 1
28 有關下列 C 語言程式的敘述,何者正確? #include
main() { int S = 0, i; for( i = 1; i < 10; i++) S +=i; printf(“%d ”, S); } (A) for 迴圈未使用大括號({}),因此不算是結構化程式 (B) for 迴圈執行結束時,變數 i 的值為 10 (C)編譯時會產生變數 i 未設初始值的警告 (D)全部程式共有兩個未宣告的變數 d 和 n
29 C 或 C++語言的 switch 結構中,下列那一個保留字(reserved word)代表「如果所有條件(case)都 不成立,則控制程式將跳到該處執行」? (A) do (B) else (C) then (D) default
30 下列以 C 程式語言撰寫之程式執行後產生之輸出為何?
(A) 10 20 (B) 20 10 (C) 20 20 (D) 10 10
31 下列何者為物件導向程式設計(object-oriented programming)最主要的特性? (A)抽象資料型態(abstract data types) (B)多維陣列(multiple-dimensional arrays) 多維陣列( (C)全域變數(global variables) (D)遞迴(recursion)
32 資料庫查詢語言中,如選取資料時,希望能將重複的資料只顯示一筆,應使用何關鍵字? (A) SINGLE (B) MERGE (C) DISTINCT (D) DELETE
33 下列何者不是無線網路標準? (A) IEEE 802.3 (B) IEEE 802.11 (C) IEEE 802.15 (D) IEEE 802.16
34 在 Internet 架構下,下列何者屬於傳輸層(transport layer)的通訊協定(protocol)? (A) TCP (B) P2P (C) ARP (D) FTP
35 學生資料表中,包含(學號、姓名、主修)等欄位,且其中畫底線部分代表該資料表之主要鍵值。 若將這一個學生資料表分割為兩個資料表 A 及 B,則下列那一個資料表分割不會造成資訊的遺失? (A) A(
學號
、主修)、B(
姓名
、主修) (B) A(
學號
、主修)、B(
學號
、姓名) (C) A(
學號
、姓名)、B(
姓名
、主修) (D) A(
學號
、主修)、B(
主修
、學號)
36 某循序電路(sequential circuit)經狀態化簡(state reduction)後,剩餘 10 個狀態。若以 D 正反器 (D flip-flop)作為此電路之記憶元件,所需之正反器個數最少為: (A)4個 (B)6個 (C)8個 (D) 10 個
37 下列有關 IP 安全通訊協定(Internet protocol security, 簡稱 IPSec)的敘述,何者錯誤? (A)是一套開放標準網路安全協定,可以實現資料的機密性(confidentiality)、鑑定性(authentication)、 完整性(integrity)及存取控制(access control)等安全服務 (B)包含 AH(authentication header)、ESP(encapsulation security playload)與 HMAC(hash message authentication code)三個運作協定 (C)提供傳輸模式(transportation mode)與隧道模式(tunnel mode)二種通訊模式 (D)是虛擬私人網路(virtual private network, VPN)的安全通訊協定之一
38 安裝下列軟體,何者最可能導致作業系統的安全性變差? (A)安裝正版的 Microsoft Windows (B)安裝網路分享軟體 (C)安裝 Microsoft Office (D)安裝網路瀏覽器firefox(從
http://www.mozilla.org
/下載)
39 下列關於軟體的敘述,何者錯誤? (A)付費軟體就是一般常見的商業軟體,要付費取得授權才能使用 (B)使用者可以免費使用免費軟體(freeware),但是著作權人仍擁有著作權 (C)在任何情況下,使用者均不能散布共享軟體(shareware) (D)公共軟體(public domain software)還是有著作權,不能任意竄改
40 下列何者屬於公開金鑰密碼系統(public-key cryptosystem)? (A) AES(Advanced Encryption Standard)system (B) RSA(Rivest, Shamir, Adleman)system (C) DES(Data Encryption Standard)system (D) Triple DES(Triple Data Encryption Standard)system
申論題 (0)
相關試卷
114年 - 114 地方政府公務特種考試_四等_電子工程、電信工程:計算機概要#134700
114年 · #134700
114年 - 114 地方政府公務特種考試_四等_資訊處理:計算機概要#134674
114年 · #134674
114年 - 114 地方政府公務特種考試_三等_電力工程、電子工程、電信工程:計算機概論#134565
114年 · #134565
114年 - 114 專技高考_電子工程技師:電子計算機原理#133573
114年 · #133573
114年 - 114 交通事業港務升資考試_員級晉高員級_技術類—港務:電子計算機概論#133232
114年 · #133232
114年 - 114 公務升官等考試_薦任_電子工程:計算機概論#133169
114年 · #133169
114年 - 114 原住民族特種考試_四等_電子工程:計算機概要#130939
114年 · #130939
114年 - 114 調查特種考試_三等_電子科學組:計算機概論#129574
114年 · #129574
114年 - 114 普通考試_電子工程、電信工程:計算機概要#128599
114年 · #128599
114年 - 114 普通考試_資訊處理:計算機概要#128597
114年 · #128597