阿摩線上測驗
登入
首頁
>
高等鋼筋混凝土學與設計
> 102年 - 102 高等考試_二級_土木工程:高等鋼筋混凝土學與設計#33774
102年 - 102 高等考試_二級_土木工程:高等鋼筋混凝土學與設計#33774
科目:
高等鋼筋混凝土學與設計 |
年份:
102年 |
選擇題數:
0 |
申論題數:
6
試卷資訊
所屬科目:
高等鋼筋混凝土學與設計
選擇題 (0)
申論題 (6)
【已刪除】⑴受拉鋼筋伸展長度為
試說明各符號的意義。(13 分)
⑵剪力鋼筋計算強度V
s
不可取大於2.12√ f′c b
w
d ,其原因為何?若無法滿足,該如何 變更設計?(6 分)
⑶受拉搭接長度區分為甲、乙兩級,而且搭接長度係以伸展長度 l
d
之倍數計算。受 拉搭接之最小搭接長度,甲級為 1.0 l
d
,乙級為 1.3 l
d
,但皆不得小於 30 cm。 試說明何為甲級搭接情況。(6 分)
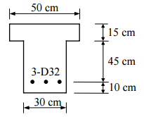
【已刪除】二、圖示為鋼筋混凝土單獨 T 型梁斷面,試計算開裂斷面轉換成混凝土斷面之慣性矩 I
cr
與彎矩設計強度φM
n
。混凝土 f′c= 280 kgf/cm
2
,鋼筋 f
y
= 4200 kgf/cm
2
。(25 分)
【已刪除】三、有一懸臂鋼筋混凝土梁,長度 4 m。於梁自由端承受一偏心集中力P
u
= 8 tf。混凝土 f′c= 280 kgf/cm
2
,鋼筋 f
y
= 4200 kgf/cm
2
。忽略梁自重,試計算此梁斷面所需配置 D10 橫向鋼筋之間距。(25 分)
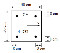
【已刪除】四、圖示為鋼筋混凝土橫箍柱斷面,此柱斷面承受軸壓力 Pu = 200 tf 與雙軸彎矩 Mux = 30 tf-m、Muy= 30 tf-m。混凝土 cf′= 350 kgf/cm2 ,鋼筋 yf = 4200 kgf/cm2 。試檢 核此柱在此載重狀態下是否安全?註:可簡化 P-M 強度互制曲線為雙直線求解。 (25 分)
相關試卷
114年 - 114 高等考試_二級_土木工程:高等鋼筋混凝土學與設計#131588
114年 · #131588
113年 - 113 高等考試_二級_土木工程:高等鋼筋混凝土學與設計#123081
113年 · #123081
112年 - 112 高等考試_二級_土木工程:高等鋼筋混凝土學與設計#116765
112年 · #116765
111年 - 111 高等考試_二級_土木工程:高等鋼筋混凝土學與設計#111041
111年 · #111041
110年 - 110 高等考試_二級_土木工程:高等鋼筋混凝土學與設計#101945
110年 · #101945
109年 - 109 高等考試_二級_土木工程:高等鋼筋混凝土學與設計#91545
109年 · #91545
108年 - 108 高等考試_二級_土木工程:高等鋼筋混凝土學與設計#79557
108年 · #79557
107年 - 107 高等考試_二級_土木工程:高等鋼筋混凝土學與設計#72401
107年 · #72401
106年 - 106 高等考試_二級_土木工程:高等鋼筋混凝土學與設計#65185
106年 · #65185
104年 - 104 高等考試_二級_土木工程:高等鋼筋混凝土學與設計#31752
104年 · #31752