所屬科目:A.機械製造、B.機械電學
19.【圖 19】表示精度為 0.05 mm 之游標卡尺量取尺寸的讀取結果,請問讀取尺寸是多少 mm? (A) 51.45 (B) 54.45 (C) 63.00 (D) 63.45
46.工業配電符號中,通電延遲式計時電驛(ON DELAY TIMER)的 a 接點為下列何者? (A) (B) (C) (D)
49.如【圖 49】所示電路,當電源電壓 E 為多少伏特時,電流 I=1 A? (A) 10 V (B) 11 V (C) 12 V (D) 13 V
57.下列何者為直流電流表的符號? (A) (B) (C) (D)
62.如【圖 62】所示電路,電流 I 為多少安培? (A) 12 A (B) 9 A (C) 6 A (D) 4 A
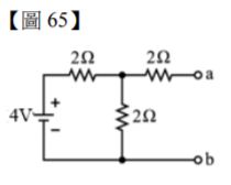
65.如【圖 65】所示,由 a、b 兩端看入戴維寧等效電路的等效電壓與等效電阻分別為多少? (A) 4 V 與 1 Ω (B) 4 V 與 1.5 Ω (C) 3 V 與 2 Ω (D) 2 V 與 3 Ω
77.工業配電中的 符號代表什麼? (A)按鈕開關常開接點 (B)按鈕開關常閉接點 (C)電磁開關常開接點 (D)電磁開關常閉接點
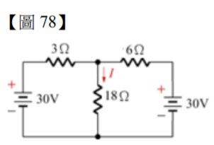
78.如【圖 78】所示,I 等於多少安培? (A) 1 A (B) 1.5 A (C) 2 A (D) 2.5 A
79.如【圖 79】所示,R AB =? (A) 12 Ω (B) 24 Ω (C) 36 Ω (D) 48 Ω
80.如【圖 80】所示,總電阻 RT =? (A) 16 Ω (B) 15 Ω (C) 14 Ω (D) 13 Ω