所屬科目:中山◆電機◆電路學
1.(20pt) Find i(t) and v(t) for t>0 in Fig. 1, where u(t) is unit step function.
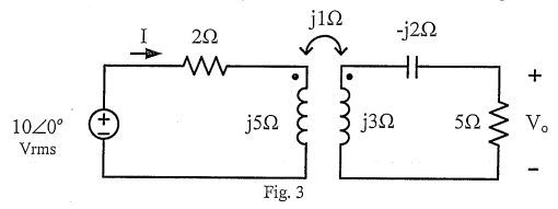
4. (10pt) Find Vo and reactive power consumption on the mutual inductance in Fig. 3.
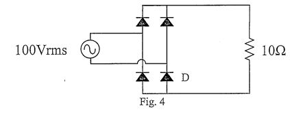
5. (10pt) Calculate power consumption on the resistor in Fig. 4. If one of the diodes, D, is open, re- calculate the power consumption.