阿摩線上測驗
登入
首頁
>
初等/五等/佐級◆基本電學大意
> 103年 - 103 地方政府特種考試_五等_電子工程:基本電學大意#19111
103年 - 103 地方政府特種考試_五等_電子工程:基本電學大意#19111
科目:
初等/五等/佐級◆基本電學大意 |
年份:
103年 |
選擇題數:
40 |
申論題數:
0
試卷資訊
所屬科目:
初等/五等/佐級◆基本電學大意
選擇題 (40)
1 一個 5 歐姆之電阻器,若通過電流由 10 安培升至 50 安培,則消耗功率變為原本幾倍?(A)25 (B)50 (C)50 (D)500
2 如圖所示電路,當 S 開路時,4 Ω 電阻上端電壓為多少伏特?
(A)0 (B)3 (C)7 (D)10
3.如圖所示,有三個特性相同,標示額定電壓及功率為 110V 與 60W 之燈泡,將其串聯接於 220V 電源時,這三個電燈泡所消耗之總功率為多少 W?
(A)40 (B)80 (C)90 (D)120
4 某安培表內阻為 4.5Ω,欲提高量測範圍到原來 10 倍,須並聯多少歐姆分流器? (A)0.45 (B)0.5 (C)4.5 (D)5
5 如圖所示電路,已知 E=150V、R1=100kΩ、R2=100kΩ,今以電壓表 V 量測電阻 R2上的電壓。若 電壓表之內阻為 100kΩ時,則量得之電壓為多少伏特?
(A)50 (B)75 (C)100 (D)150
6 有一電流表,其量測範圍滿刻度為 Im 安培,內阻為 r 歐姆,今欲擴大量測範圍至 100 Im 安培,則此表需依 下列那一項方法處理? (A) 串聯 99r 歐姆之電阻 (B) 串聯 r/99 歐姆之電阻 (C)並聯 99r 歐姆之電阻 (D) 並聯 r/99 歐姆之電阻
7 某電路如圖示,a、b 兩節點之電位差 Vab 為多少 V?
(A)-4 (B)-2 (C)2 (D)4
8 有二個電阻值相同,各為 RΩ之電阻器,若將其串聯後如圖(a)接於 E 伏特電源上,今將其二個電 阻器由串聯改為並聯如圖(b),則電流 Ia與 Ib之比值
為:
(A)1/4(B)1/2(C)1(D)4
9 如圖所示,試問 I
1
之電流為多少安培?
(A)-12 (B) -6 (C) 12(D)-6
10 如圖所示,為一個由電壓源 V 所供應之電阻並聯網路,若已知線路總電流為 I 安培,試求流過 8 Ω之電流 I1為若干安培?
11 某電路如圖(a)所示,電流 I=1 安培;若在 R2電阻兩端再並聯一個 R2電阻如圖(b)所示時,I=1.6 安 培,則電阻 R1及 R2之電阻值各為多少Ω?
(A)R1=2,R2=10 (B)R1=3,R2=9 (C)R1=4,R2=8 (D)R1=6,R2=6
12 某電路如圖所示,已知 I=1 安培,I1=0.5 安培,則電阻器 R 為多少Ω?
(A)1 (B)2 (C)3 (D)4
13 如圖所示,試計算 AB 兩點間之電流 I 為多少安培?
(A)3 (B)1 (C)0 (D)-3
14 如圖所示電路,R
L
為可變電阻,試求 R
L
為幾歐姆時,可獲得最大功率?
(A)1(B)2(C)4(D)8
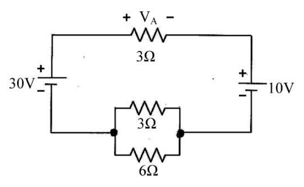
15 如圖所示電路,VA為多少伏特?
(A)2 (B)4 (C)6 (D)8
16 如圖所示電路,VA - VB 為多少伏
(A)1(B)3(C)6(D)9
17 如圖所示電路,ab 兩端等效電阻為多少歐姆?
(A)2(B)3(C)6(D)12
18 就圖示電路中所標示之已知數據,則電壓降 VA 為多少伏特?
(A)1(B)2(C)3(D)4
19 如圖所示電路,VA 為多少伏特?
(A)8(B)10(C)12(D)20
20 一電源 E 伏特,內電阻為 rΩ,今接上一負載 R
L
,如圖所示,當負載 R
L
為 140Ω時,電流 I=0.1安培,又當負載 R
L
為 40Ω時,V
ab
為 8 伏特,則電源 E 之伏特值及內電阻 r 之電阻值分別為多少?
(A)E=16V,r=20Ω (B)E =20V,r=60Ω (C)E =60V,r=60Ω (D)E =60V,r=460Ω
21 試就圖示電路上各支路電流值,求電流 I3為多少安培?
(A)-0.5 (B)0 (C)0.5 (D)1
22 某電路如圖所示,試問 Vab為多少 V?
(A)-6 (B)-3 (C)0 (D)3
23 如圖所示電路,Vab為多少伏特?
(A) -18 (B)-5 (C)5 (D)18
24 在下圖中,L
1
=5H,L
2
=3H,M=1H,則 AB 兩端之等效電感 L
AB
為多少 H?
(A)6 (B)7 (C)8 (D)9
25 如圖所示,此電路是屬於何種濾波器?
(A) 高通濾波器 (B)低通濾波器 (C) 帶通濾波器 (D)帶拒濾波器
26 設含有 N 匝之長螺線管,其長度為 L 米,半徑為 r,且 r<<L。若通以 I 安培電流,則在螺線管中 心處及兩端之磁場強度 H 依序分別為:
27 在具有 25 匝之線圈內的磁通變化量為 1.2 韋伯/秒,則其產生之感應電壓為多少伏特? (A)30 (B)20 (C)12 (D)0
28 將一個電感器,通以 2 安培的電流時,可以產生 0.3 韋伯的磁通鏈。試問此電感器之電感值為多 少亨利? (A)0.6 (B)0.3 (C)0.15 (D)0.075
29 假設兩電壓源均操作在頻率 15.92Hz,試求電流 IO為多少 A?
(A)15.34∠-125° (B)23.34∠-135° (C)20∠-125° (D)-15∠-30°
30.電容器 C1=2μF 與電容器 C2=3μF 串聯,再與電容器 C3=5.8μF 並聯後,外加電壓 100 伏特時, 其總電荷為多少庫侖? (A)120×10
-6
(B)700×10
-6
(B)580×10
-6
(D)70×10
-6
31 兩個相鄰近電感器,電感值分別為 3 亨利與 5 亨利,且兩者間的耦合係數為 0.2。試問兩者間的 互感值約為多少亨利? (A)2.4 (B)1.6 (C)0.8 (D)0.2
32 假設交流電壓源 Vs=24∠0°V,試求電壓 Vo為多少 V?
(A)8∠-90° (B)6∠-30° (C)5∠0° (D)3∠-30°
33 純電阻的交流電路中,其電壓與電流的相位關係為何? (A) 電流落後電壓 90 度 (B) 電流與電壓同相位 (C) 電流領先電壓 30 度 (D) 電流領先電壓 90 度
34 令 i(t)=100×sin(377t+30°)安培,若將之表示為 i(t)=100×cos(377t+θ)安培,則相角θ應為多少? (A)+30° (B)-60° (C)+60° (D)-30°
35 有一正弦電壓的相量式為 100∠-60°V,和一純電感元件構成一串聯電路,則其電流之相位角為 何? (A)30° (B)60° (C)-60° (D)-150°
36 有一串聯電路,外加一相量式為 100∠-30°V 之正弦電壓源,若其串聯電流之相量式為 20∠0° A,則此電路呈現下列何種特性? (A) 電阻性 (B) 電感性 (C) 電容性 (D)電導性
37 某工廠負載 1000 kW,功率因數 0.8 滯後,若想將功率因數提高到 1.0,則需並聯多少 kVAR 電容器?(A)650 (B)750 (C)850 (D)950
38 v(t)=155.56×sin(377t+30°)伏特,請問當 t=0 時之電壓為多少伏特? (A)155.56 (B)77.78 (C)110 (D)0
39 某直流電動機由 100 伏特電源輸入 12 安培電流,此時電動機效率為 80%,則電動機輸出功率為 多少瓦特? (A)900 (B)960 (C)1000 (D)1200
40 有一串聯電路,外加一相量式為 100∠53.1°V 之正弦電壓源,若其串聯電流之相量式為 20∠0° A,則此電路之串聯阻抗為多少Ω? (A)3+j4 (B)3-j4 (C)4+j3 (D)4-j3
申論題 (0)