所屬科目:捷運◆電子學
1.如【圖 1】所示電路,若輸入電壓 Vi 為 200mV,則輸出電壓為何? (A)-20.2V (B) -24.0V (C)+20.2V (D) +24.0V
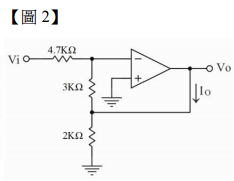
2.如【圖 2】所示電路,若 VO 為 4.8V,則 IO 為何? (A)1.6mA (B) 2.4mA (C)4.0mA (D) 8.0mA
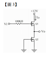
3.如【圖 3】所示電路,若 IDSS=3mA,VP=-4V,則 ID 為何? (A)1mA (B) 2mA (C)3mA (D) 4mA
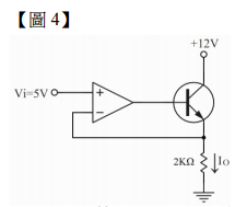
4.如【圖 4】所示電路,若運算放大器為理想且電晶體工作在順向作用區, 則 IO 為何? (A)0mA (B) 2.5mA (C)6mA (D) 12mA
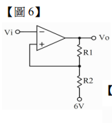
6.如【圖 6】所示電路,假設運算放大器為理想且輸出飽和電壓為±12V,若電路具有 8V 的遲滯電壓, 則 R1/R2 之值為何? (A)1 (B) 2 (C)3 (D) 4
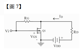
7.如【圖 7】電路所示,假設 VT=4V、VDD=24V 且已知 VGS=10V 時 ID=7.2mA,欲使 VDS=8V,則 RD 為何? (A)1KΩ (B) 5KΩ (C)10KΩ (D) 50KΩ
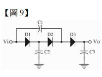
9.如【圖 9】所示電路,假設二極體為理想,當 Vi=4+6sin314tV 時,則 Vo 輸出電壓為何? (A)5V (B) 12V (C)14V (D) 22V
10.如【圖 10】所示電路,假設運算放大器為理想且所有電晶體 VBE 皆為 0.7V,若 VA=5V、VB=3V, 則 Vo 輸出電壓為何? (A)-10V (B) 3V (C)5V (D) 10V
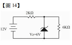
14.如【圖 14】所示電路,求稽納二極體之消耗功率 PZ 為何? (A)6mW (B) 12mW (C)24mW (D) 48mW
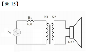
15.如【圖 15】所示電路,若想要有最大功率轉移,則圖中變壓器初級與次級線圈之圈數比(N1:N2)為何? (A)N1:N2 = 4:20 (B) N1:N2 = 5:1 (C)N1:N2 = 1:4 (D) N1:N2 = 2:3
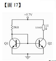
17.如【圖 17】所示電路,若 Q1 與 Q2 電晶體特性相同,β=100 且 VBE=0.7V,則 I 電流為何? (A)2.35mA (B) 2.5mA (C)5mA (D) 10mA
18.如【圖 18】所示電路,假設二極體為理想,當 Vi=20sinωt 時,則 Vo 輸出電壓範圍為何? (A)+28~(-12V) (B) +10~(-15V) (C)+10~(-12V) (D) +28~(-15V)
19.如【圖 19】所示電壓波形,則該波形有效值(Vrms)為何? (A)(B) (C)(D)
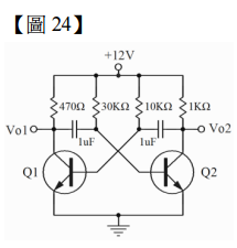
24.如【圖 24】所示無穩態多諧振盪電路,欲使電路產生 振盪,則兩晶體之β值至少要多大? (A)21.3 (B) 30.0 (C)42.6 (D) 60.0
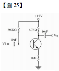
25.如【圖 25】所示電路,已知β=200,則此電路電壓增益(AV)為何? (A)4.7 (B) -4.7 (C)-400 (D) -800
29.如【圖 29】所示之理想二極體電路,求 I 為多少? (A)0mA (B) 1mA (C)1.33mA (D) 2mA
30.如【圖 30】所示之穩壓電路,稽納二極體最大功率消耗為 200mW,在電路能正常工作下,求 RL 工 作範圍為何? (A)250Ω~1KΩ (B) 250Ω~2KΩ (C)333Ω~1KΩ (D) 333Ω~2KΩ
31.如【圖 31】所示之整流電路,輸入電壓為弦波,電壓峰值(peak value)為 200V,二極體之 PIV 值為 何? (A)70.7V (B) 100V (C)141.4V (D) 200V
32.如【圖 32】所示之倍壓電路,求 C2 兩端輸出電壓約為多少? (A)20V (B) -20V (C)28.28V (D) -28.28V
34.如【圖 34】所示之電晶體偏壓電路,下列何者不是射極電阻 RE 的功用? (A)提高電路的輸入阻抗 (B)提高電路的輸出阻抗 (C)增加電路的穩定度 (D)提高電路的電壓增益
35.如【圖 35】所示之電晶體電路 β= 100,求 Vo 電壓約為多少? (A)6.2V (B) 5.6V (C)4.4V (D) 0.2V
36.如【圖 36】所示之電晶體電路 β = 100、 rπ= 1KΩ,求輸出阻抗 Ro 約為多少?
(A)1Ω (B)10Ω (C)500Ω (D)1KΩ
37.如【圖 37】所示之電晶體電路,求輸入阻抗 Ri 約為多少? (A)800KΩ (B) 1MΩ (C)2MΩ (D) 4MΩ
38.如【圖 38】所示之電晶體電路 β= 99,求電流增益 IL / Ii 約為多少? (A)0.33 (B) 0.5 (C)0.66 (D) 0.99
43.如【圖 43】所示之運算放大器(OPA)電路,求電壓增益 Vo / Vi 為多少? (A)5 (B) 6 (C)8 (D) 10
44.如【圖 44】所示之運算放大器(OPA)電路,已知 V1 = 1V、V2 = -2V、V3 = -2V,求輸出電壓 Vo為多少? (A)3V (B) 4V (C)5V (D) 6V
45.如【圖 45】所示之運算放大器(OPA)電路,若 ,求輸出電壓 Vo 為多少? (A)(B) (C) (D)
46.如【圖 46】所示之運算放大器(OPA)電路,為何種形式之負回授? (A)電壓串聯負回授 (B)電壓並聯負回授 (C)電流串聯負回授 (D)電流並聯負回授
47.如【圖 47】所示之運算放大器(OPA)電路,若運算放大器的飽和電壓為±12V,求上臨界電壓 VUT 及 下臨界電壓 VLT? (A)VUT = 3V、VLT = -3V (B) VUT = 4V、VLT = -4V (C)VUT = 6V、VLT = -6V (D) VUT = 8V、VLT = -8V
49.如【圖 49】所示之韋恩電橋振盪電路,求輸出頻率 fo 約為多少? (A)500Hz (B) 800Hz (C)1KHz (D) 2KHz
50.如【圖 50】所示之振盪電路,求輸出工作週期(Duty)為多少? (A)20% (B) 40% (C)60% (D) 80%