所屬科目:專科學力鑑定◆專(一):機電整合(實習)
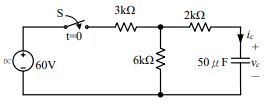
8. 如圖 ( 一 ) 所示之電路,在 t = 0 秒時將開關 S 閉合,若電容器的電壓 v c 初值為 12 V, 則S閉合瞬間的電容器電流i c與充電時間常數分別為何? (A) 20mA,0.4秒 (B) 12mA,0.2秒 (C) 7mA,0.25秒 (D) 7mA,0.2秒
9. 某RC串聯電路的輸入電壓為 4sin( 377 t ) V,若流經電阻的電流為 ,則 電阻約為多少歐姆? (A) 2 (B) 2√ 2 (C) 3 (D) 4
34. 有一理想的運算放大器(OPA),如圖(二)所示,求此電路的電壓增益及輸入電阻Rin 為何? (A) 10, 5 kΩ (B) - 20, 10 kΩ (C) - 10, 5 kΩ (D) - 10, 10 kΩ
35. 下列關於串級放大器之敘述,何者正確? (A) 直接耦合串級放大器可放大直流信號 (B) 變壓器耦合串級放大器所使用之變壓器可增加頻帶寬度 (C) 由兩電晶體組成之達靈頓放大電路主要目的為增加頻帶寬度( bandwidth ) (D) 電阻電容(RC)耦合串級放大器所使用之電容是用來作阻抗匹配
48. 有一個液壓千斤頂如圖 (三)所示,其中小活塞直徑為0.6 in,且大活塞直徑為5 in,當輸入 力量為15 lb時,求輸出力的大小。 (A) 833 lb (B) 1042 lb (C) 1150 lb (D) 1388 lb