阿摩線上測驗
登入
首頁
>
技檢◆變壓器裝修-乙級
> 105年 - 03200 變壓器裝修 乙級 工作項目 01:識圖說#51832
105年 - 03200 變壓器裝修 乙級 工作項目 01:識圖說#51832
科目:
技檢◆變壓器裝修-乙級 |
年份:
105年 |
選擇題數:
71 |
申論題數:
0
試卷資訊
所屬科目:
技檢◆變壓器裝修-乙級
選擇題 (71)
1. 依中國國家標準規定,變壓器高壓側之引線(端子)符號分別為(A)X1、X2、X3(B)H1、H2、H3(C)A、B、C(D)U、 V、W。
2. 下圖表示
(A)加極性(B)減極性(C)雙極性(D)無極性 變壓器。
3. 工作圖中接地變壓器之英文代號為(A)GT(B)PT(C)CT(D)TR。
4. 下圖表示線圈所產生的磁力線方向為
(A)向上(B)向下(C)向左(D)向右。
5. 工作圖中交流電壓的代號為(A)ACA(B)DCA(C)ACV(D)DCV。
6. 下圖圖面記號表示
(A)第一角法(B)第二角法(C)第三角法(D)投影圖法。
7. 表示物體之型狀或輪廓應用(A)細虛線(B)粗虛線(C)細實線(D)粗實線。
8. 下圖表示
(A)單繞組變壓器附 OLTC(B)自耦變壓器(C)比壓器(D)三繞組變壓器。
9. 工作圖中尺寸數值前加 φ 記號者表示(A)直徑(B)高度(C)長度(D)寬度 的尺寸。
10. 下圖表示該變壓器之接線為
(A)Y-△(B)△-Y(C)△-△(D)Y-Y。
11. 工作圖中實物看不見的部位應以(A)實線(B)虛線(C)斜線(D)尺寸線 表示之。
12. 下圖表示△結線,其 AB 兩點之電阻值為
(A)3Ω(B)2.5Ω(C)1.5Ω(D)0.666Ω。
13. 工作圖中一長二短的線是表示(A)中心線(B)剖面線(C)尺寸線(D)截斷線。
14. 下圖的接線方法,可以測量變壓器的
(A)鐵損(B)銅損(C)漂游損(D)磁滯損。
15. 圖例中 100:1 後面數字 1 是表示(A)檔案編號(B)圖的編號(C)實物尺寸(D)圖中尺寸。
16. 下圖表示
(A)內鐵型單相變壓器(B)外鐵型單相變壓器(C)內鐵型三相變壓器(D)外鐵型三相變壓器。
17. 旋轉剖面是將剖面部分在視圖上旋轉(A)90°(B)120°(C)150°(D)180°。
18. VCB 係為(A)真空斷路器(B)磁吹斷路器(C)瓦斯斷路器(D)空氣斷路器。 2
19. 目前最常使用的製圖方法為(A)第一角(B)第二角(C)第三角(D)第四角 投影法。
20. 如下圖所示,吊上同一重量時吊角 α 愈大,則鋼索所承受的張力
(A)愈大(B)愈小(C)速度愈快張力愈小(D)速度愈 慢張力愈小。
21. 工作圖中之斜體字,依中國國家標準傾斜(A)60°(B)65°(C)70°(D)75°。
22. 下圖表示變壓器外殼與上蓋的電焊連接,圖中 B 表示
(A)電焊處(B)襯墊(C)螺絲(D)套管。
23. 工作圖中表示機件的對稱應採用(A)割切線(B)中心線(C)實線(D)虛線。
24. 下圖表示(A)比壓器(B)比流器(C)整流器(D)變頻器。
25. 工作圖中註明尺寸為 100±0.5,其尺寸最大範圍應為(A)100(B)100.5(C)105(D)105.5。
26. 下圖表示
(A)△-△(B)Y-Y(C)△-Y(D)Y-△ 接線。
27. 工作圖中英文字母 R 代表(A)半徑(B)直徑(C)圓周(D)圓周率。
28. 下圖表示該變器之接線為
(A)雙Y接線(B)單Y接線(C)六相對徑接線(D)曲折形接線接地。
29. 一般工作圖尺寸採用的單位為(A)公尺(B)公寸(C)公分(D)公釐。
30. 下圖表示該組變壓器
(A)一、二次都要接地(B)一、二次都不要接地(C)二次接地(D)一次接地。
31. 尺度數字前加"t"表示(A)間隙(B)斜度(C)頂點(D)厚度。
32. 下圖表面符號中"G"的位置標示
(A)加工方法(B)加工尺寸(C)粗度(D)公差。
33. 工作圖中未註明單位時,其單位為(A)m(B)mm(C)cm(D)dm。
34. 下圖表示
(A)單相垂直結線(B)單相串、並聯結線(C)三相 V 型結線(D)三相 T 形結線。
35. 常用兩視圖表示的零件是(A)多角形體(B)不規則形體(C)柱體(D)球體。
36. 下圖表示
(A)中心圓(B)同心圓(C)真圓面(D)圓球面 之符號。
37. 依中國國家標準 BST 表示(A)降壓(B)等壓(C)昇壓(D)超壓 變壓器。
38. 下圖表示
(A)單相單繞組(B)單相雙繞組(C)三相單繞組(D)三相雙繞組 變壓器。 3
39. 國際標準化機構的簡稱為(A)ISO(B)USO(C)JSO(D)CSO。
40. 下圖表示
(A)接地變壓器(B)移相變壓器(C)整流變壓器(D)消弧變壓器。
41. 下圖所示為何種設備之端子符號
(A)比流器(B)比壓器(C)單相配電變壓器(D)單相電力變壓器。
42. PCT 表示(A)比壓器(B)比流器(C)比壓比流器(D)電子變壓器。
43. 下圖所示為何種設備之端子符號
(A)比流器(B)比壓器(C)單相配電變壓器(D)單相電力變壓器。
44. LVR 表示(A)有載電壓調整器(B)電感電壓調整器(C)電感電壓電阻器(D)感應式電壓調整器。
45. 下圖表示
(A)比壓器(B)比流器(C)單相桿上變壓器(D)三相桿上變壓器 之接線端子符號 。
46. 有載變換分接頭變壓器之符號為(A)OTT(B)LTT(C)LVR(D)OVR。
47. 下圖表示(A)三相感應電壓調整器(B)三相曲折連接之接地變壓器(C)三相比流器(D)三相單繞組變壓器。
48.
表示(A)小時計(B)溫度計(C)人孔(D)手孔。
49. 下圖表示
(A)六相雙三角形(B)六相對徑(C)六相正六邊形(D)六相曲折形 接法。
50. GT 表示(A)接地變壓器(B)瓦斯變壓器(C)超高壓變壓器(D)接地比流器。
複選題
51. 有關變比器類設計圖符號下列那些是正確的(A)三相 V 共同點接地
(B)三相 V 線捲中性點接地
(C)三相 Y,中性線經一電抗接地
(D)整套型變比器
。
複選題
52. 下列那些是變壓器單線圖表示方法
複選題
53. 有關保護元件符號下列那些是正確
複選題
54. 下列那些是 NO 接點
複選題
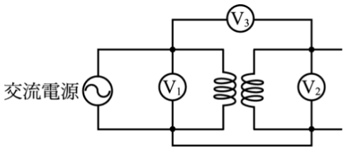
55. 下圖為一只加極性降壓變壓器則
(A)V3 >V2(B)V3 >V1(C)V1 >V2 (D)V1+V2>V3。
複選題
56. 如下圖,三具相同單相變壓器,變壓比 a=2,一次側連接於平衡 3φ380V 電源,則二次側電壓 Voo’可能為
(A)0 V(B)110V(C)190V(D)220V。
複選題
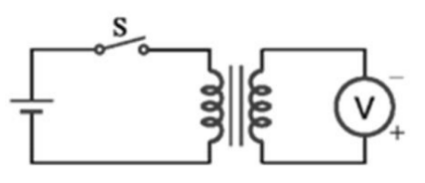
57. 如下圖為一只減極性降壓變壓器則
(A)開關 S ON 瞬間正轉(B)開關 S ON 瞬間反轉(C)開關 S OFF 瞬間正轉(D)開關 S OFF 瞬間反轉。
複選題
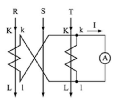
58. 如下圖,有兩只 100/5C.T 測量 3φ 平衡負載電流,當電流表顯示約為 3.8A 時
(A)C.T 線圈電流約為 3.8A(B)C.T 線圈電流約為 2.2A(C)負載電流約為 76A(D)負載電流約為 44A。
複選題
59. 圖中哪些是代表電阻的製圖符號
複選題
60. 圖中哪些是代表單線系統圖之變壓器符號
複選題
61. 圖中哪些是代表交流電壓與直流電流表
複選題
62. 圖中哪些是代表連續雙面焊接符號
複選題
63. 依中國國家標準規定,三相變壓器的引線符號為(A)X1、X2、X3(B)H1、H2、H3(C)W1、W2、W3(D)U、V、W。
複選題
64. 下列何者非表示物體之形狀或輪廓?(A)粗虛線(B)粗實線(C)細虛線(D)細實線。
複選題
65. 下列何者為是?(A)VCB 表示真空斷路器(B)ABS 表示空斷開關(C)OA/FA 表示油浸自冷/風冷式變壓器(D)BCT 表 示水冷式變壓器。
複選題
66. 下列何者為變壓器銘牌上記載內容?(A)額定容量(B)相數(C)損失值(D)製造日期。
複選題
67. 如圖貫通型 CT,主要是由那二元件組成
(A)一次線圈(B)二次線圈(C)鐵心(D)絕緣油。 5
複選題
68. 如圖最可能是哪二種單相負載
(A)R 負載(B)R-L 負載(C)R-C 負載(D)R-L-C 負載。
複選題
69. 如圖變壓器極性試驗,開關 on 時瞬間,何者敘述為真
(A)電壓計顯示正時為加極性(B)電壓計顯示正時為減極性 (C)電壓計顯示負時為加極性(D)電壓計顯示負時為減極性。
複選題
70. 如圖自耦變壓器中 A 線圈與 B 線圈各稱為
(A)A 線圈稱為串聯線圈(B)A 線圈稱為分路線圈(C)B 線圈稱為串聯線 圈(D)B 線圈稱為分路線圈。
複選題
71. 下圖最可能是哪兩種單向負載
(A)R 負載(B)R-L 負載(C)R-C 負載(D)R-L-C 負載。
申論題 (0)
相關試卷
114年 - 03200 變壓器裝修 乙級 工作項目 10:分解及處理 1-18(2025/10/17 更新)#132380
114年 · #132380
114年 - 03200 變壓器裝修 乙級 工作項目 09:檢驗 1-69(2025/10/17 更新)#132379
114年 · #132379
114年 - 03200 變壓器裝修 乙級 工作項目 08:裝殼 1-70(2025/10/17 更新)#132377
114年 · #132377
114年 - 03200 變壓器裝修 乙級 工作項目 07:心體烘乾及調整 1-34(2025/10/17 更新)#132376
114年 · #132376
114年 - 03200 變壓器裝修 乙級 工作項目 06:浸漬 1-20(2025/10/17 更新)#132375
114年 · #132375
114年 - 03200 變壓器裝修 乙級 工作項目 05:心體裝配 1-34(2025/10/17 更新)#132374
114年 · #132374
114年 - 03200 變壓器裝修 乙級 工作項目 04:線圈製作 51-106(2025/10/17 更新)#132373
114年 · #132373
114年 - 03200 變壓器裝修 乙級 工作項目 04:線圈製作 1-50(2025/10/17 更新)#132372
114年 · #132372
114年 - 03200 變壓器裝修 乙級 工作項目 03:鐵心製作 1-70(2025/10/17 更新)#132371
114年 · #132371
114年 - 03200 變壓器裝修 乙級 工作項目 02:瞭解變壓器之構造 101-140(2025/10/17 更新)#132370
114年 · #132370