阿摩線上測驗
登入
首頁
>
技檢◆農業機械修護
> 105年 - 05200 農業機械修護 乙級工作項目 03:計量與測試#41672
105年 - 05200 農業機械修護 乙級工作項目 03:計量與測試#41672
科目:
技檢◆農業機械修護 |
年份:
105年 |
選擇題數:
100 |
申論題數:
0
試卷資訊
所屬科目:
技檢◆農業機械修護
選擇題 (100)
1. 測定電容器之好壞可用三用電錶中的那一段?(A)直流電流錶(B)交流電流錶(C)直流電壓錶(D)電阻錶。
2. 電源為 12 伏特之電瓶,使用 3 歐姆之電阻器時,其消耗之電功率為(A)12W(B)36W(C)48W(D)144W。
3. 某螺距規上印有 1.25 字樣,表示(A)每 cm 有 1.25 牙(B)每 mm 有 1.25 牙(C)螺距為 1.25cm(D)螺距為 1.25mm。
4. 測量噴油嘴噴油壓力時,把手搖動頻率每分鐘約幾次?(A)10(B)60(C)120(D)180。 21
5. 某螺距規上印有 13 字樣,表示(A)每吋有 13 牙(B)每 0.1 吋有 13 牙(C)螺距為 0.13 吋(D)螺距為 0.26 吋。
6. 測量汽缸內徑時,應測量幾處始算完整?(A)1(B)2(C)3(D)4。
7. 英制的功率單位 1hp 等於(A)1ps(B)1kW(C)550ft-lb/s(D)3300ft-lb/s。
8. 對直流電路而言,電流錶與電壓錶之正確使用方法為(A)電流錶成串聯,電壓錶成並聯(B)電流錶成並聯,電 壓錶成串聯(C)電流錶與電壓錶均成串聯(D)電流錶與電壓錶均成並聯。
9. M8×1.25 之螺栓,表示(A)直徑 8mm,螺距 1.25mm(B)直徑 8cm,螺距 1.25cm(C)直徑 1.25cm,長度 8cm(D)直徑 1.25mm,長度 8mm。
10. 量測工件時,應設法減少之測定誤差為(A)量具本身及測者誤差(B)溫度誤差(C)濕氣誤差(D)偶然誤差。
11. 以塑膠規測定引擎曲軸軸承間隙時,曲軸應(A)左轉一圈(B)右轉一圈(C)左右各轉一圈(D)不可旋轉。
12. 測定齒輪組齒隙時,應用(A)外徑分厘卡(B)內徑分厘卡(C)游標卡尺(D)針盤量規。
13. 欲測尺寸為 20.25±0.05mm 的工件,至少應選用游標卡尺的精度是(A)1/100mm(B)1/50mm(C)1/20mm(D)1/10mm。
14. 舊鋼尺測量不易準確的原因是(A)尺端磨成圓角(B)尺身彎曲(C)刻線模糊(D)尺邊磨損。
15. 本尺之最小刻度為 0.5mm,游標尺之刻度是分 24.5mm 為 25 等分,則其精度為多少 mm?(A)0.05(B)0.02(C)0.0 1(D)0.5。
16. 公制分厘卡襯筒上之最小刻度為(A)0.1mm(B)0.01mm(C)0.5mm(D)0.05mm。
17. (本題刪題)欲測一約 Φ7mm 的孔徑時,不需用到(A)外徑分厘卡(B)T 型規(C)小孔規(D)內徑分厘卡。
18. 欲測一約 4mm 的間隙,不可僅用何種量具?(A)小孔規(B)厚薄規(C)游標卡尺(D)塊規。
19.
左圖中之讀數為(A)4.22(B)4.25(C)41.40(D)40.25 mm。
20.
左圖中之讀數為(A)21.49(B)21.51(C)18.49(D)18.99 mm。
21. 下圖中之讀數為(A)
(B)
(C)
(D)
吋。
22.
左圖中之讀數為(A)12.134mm(B)1.2134"(C)0.1634"(D)0.1354"。
23. 下列那一項是對的?(A)4"=125mm(B)10 條=0.01mm(C)4 分=0.5 英吋(D)10 絲=0.1 英吋。
24. 下列那一項是錯的?(A)1 公頃=0.01 平方公里(B)1 坪=3.3 平方公尺(C)1 甲=0.97 公頃(D)1 英畝=2.47 公頃。
25. 公制長度單位中,英文 mm 係代表(A)公厘(B)公分(C)厘米(D)公尺。
26. 汽缸壓縮壓力是否正常,應以那一種儀器測試?(A)汽缸壓力錶(B)真空錶(C)汽油壓力錶(D)氣壓錶。
27. 柴油引擎正時燈之主要功用係測試(A)噴油器的噴射提前角度(B)開始燃燒之曲軸轉角(C)點火延遲時期之曲軸 轉角(D)燃燒終了之曲軸轉角。
28. 國際標準制單位系統中,扭力單位為 N-m(牛頓-米),則 1N-m 約為多少 kg-m?(A)0.1(B)1(C)10(D)100。
29. 測量螺牙之工具為(A)螺距規(B)線規(C)厚薄規(D)游標卡尺。
30. 壓力 1kg/cm
2
等於(A)0.98bar(B)14.7bar(C)1.1032bar(D)9.8bar。
31. 修護手冊規定噴射器噴射壓力為 250kPa 約相當於多少 kg/cm
2
?(A)0.25(B)2.5(C)25(D)250。
32. 測量曲軸頸之直徑,較佳之量具為(A)游標卡尺(B)外徑分厘卡(C)外卡尺(D)鋼尺。
33. 1/20 公制游標卡尺可測量的最小尺寸為(A)0.1 公厘(B)0.02 公厘(C)0.05 公厘(D)0.01 公厘。
34. 用來測量工件面與面間是否垂直之量具為(A)鋼尺(B)游標卡尺(C)角尺(D)比例尺。
35. 測量汽缸壁的磨耗量,較合適的量具為(A)游標卡尺(B)內徑分厘卡(C)汽缸量錶(D)厚薄規。
36. 游標卡尺取主尺之 49mm 等分成 50,則此游標卡尺之精度為(A)0.001mm(B)0.01mm(C)0.02mm(D)0.002mm。
37. 工件的尺寸為 14.68±0.02mm,分厘卡最好的校正方式為(A)零點歸零(B)用 15mm 的塊規校正(C)用 25mm 的塊 規校正(D)用 25mm 的標準桿校正。
38. 世界各國公認的使用塊規標準溫度為(A)0℃(B)20℃(C)68℃(D)常溫。
39. 精密塊規有四種等級,如要在現場使用,應該選擇那一級?(A)AA 級(B)A 級(C)B 級(D)C 級。
40.
此圖游標卡尺之讀數為(A)68.31(B)68.32(C)68.33(D)68.34 mm。
41.
此圖游標卡尺之讀數為(A)73.65(B)73.60(C)73.55(D)73.50 mm。
42. 游標卡尺之本尺最小刻度為 1mm,取本尺 39 等分作為游尺 20 等分,此游標尺之最小讀數應為(A)
(B)
(C)
(D)
mm。
43. 以最小刻度為 0.01 公厘,0~25 公厘之公制分厘卡做量測時,若其襯筒讀數為 12.5,套筒讀數為 38,則其 量測值為(A)15.80(B)12.38(C)12.19(D)12.88 公厘。
44. 幾何公差符號 是表示(A)真直度(B)平行度(C)真平度(D)垂直度。
45. 下列何者為真直度的公差符號?(A)
(B)
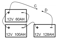
(C)
(D)
。
46. 下列何者為真圓度的公差符號?(A)
(B)
(C)
(D)
。
47. 下列幾何公差符號中,何者屬於形狀公差?(A)
(B)
(C)
(D)
。
48. 下列何者不屬於形狀公差?(A)
(B)
(C)
(D)
。
49. 10N8/h7 中,表示孔公差帶者為(A)10(B)N(C)8(D)h。
50. 粗糙度表示法中,中心線平均粗糙度的代號是(A)Rmax(B)RZ(C)Ra(D)RMS。
51. 母件尺寸為 30H8,公件尺寸為 30f8,兩者的配合為(A)留隙配合(B)過渡配合(C)精密配合(D)過盈配合。
52. 30H7 之尺寸中,H7 係表示下列那一項之公差?(A)孔(B)軸(C)圓(D)角。
53. 若有一軸之直徑為 40
mm 與一孔之直徑為 40
mm 配合,則其裕度為(A)0.02mm(B)0.04mm(C)0.06mm(D) 0.08mm。
54. 此游標卡尺的讀數為(A)2.111(B)2.155(C)21.11(D)21.55 mm。
55. 長度 100 公厘之工件,其兩端直徑若削成 30 公厘與 25 公厘,則其錐度為(A)1/5(B)1/10(C)1/15(D)1/20。
56. 針盤量規不可用於量測(A)表面粗糙度(B)真圓度(C)垂直度(D)高度比較。
57. 某工件以分厘卡量測後之結果如圖所示,則其尺寸可能為(A)11.17(B)11.20(C)36.20(D)36.70 mm。
58. 一游標卡尺精密度為 0.05mm,本尺一格為 1mm,則下列設計那一項是對的?(A)取本尺 9 格在游尺上等分為 10 格(B)取本尺 10 格在游尺上等分為 9 格(C)取本尺 20 格在游尺上等分為 19 格(D)取本尺 19 格在游尺上等分 為 20 格。
59. 某電器使用電壓 110 V,若流入之電流為 4 安培,它能提供 330 瓦特的功率以供使用,則此電器之功率因數 為(A)0.5(B)0.7(C)0.75(D)0.8。
60. 將 20 Ω、30 Ω、50 Ω 等三個電阻串聯後,接於 100 V 之直流電源,則 50 Ω 電阻所消耗之功率為(A)20(B)3 0(C)50(D)100 瓦。
61. 兩並列之導體線,若通以異向直流電流,則兩導體線間發生的作用為(A)相斥(B)相吸(C)不動(D)不相干。
62. 如下圖之游標卡尺的讀數為(A)2.317(B)2.385(C)23.170(D)23.850 cm。
63. 如下圖之分厘卡的讀數為(A)5.237(B)6.317(C)6.338(D)6.387 mm。
64. 若 120 V 電源提供 3.5 A 電流到一馬達上會產生 1/2 hp,則此馬達之功率因數為(A)0.50(B)0.68(C)0.76(D)0.89。
65. 一對外接正齒輪,其模數皆為 2,齒數分別為 18 齒與 36 齒,相互嚙合運轉時,中心距離應為(A)17(B)36(C)5 4(D)106 mm。
複選題
66. 下列哪些敘述是正確的?(A)1in=25.4 ㎜(B)1 條=0.01 ㎜(C)1 絲=0.001in(D)1
μ
m=0.001 ㎜。
複選題
67. 3/4 吋≒(A)6 分(B)19 ㎜(C)0.75in(D)1/16 英尺。
複選題
68. 1 公尺等於(A)1000 公釐(B)10
3
㎜(C)100 厘米(D)1/1000 ㎞。
複選題
69. 俗稱 4 分的長度,相當於(A)0.5"(B)12.7 ㎜(C)0.4 公分(D)1/2in。
複選題
70. 下列哪些是正確的功率換算?(A)1hp=746w(B)1hp=550lb-ft/s(C)1ps=0.735kw(D)1ps=4500kg-m/min。
複選題
71. 下列哪些是具有刻線的量具?(A)卡規(B)分厘卡(C)鋼尺(D)萬能角度儀。
複選題
72. 一般游標卡尺可直接測量的項目有哪些?(A)外徑(B)內徑(C)錐度(D)深度。
複選題
73. 螺紋分厘卡與外徑分厘卡有哪些具有相同的部位?(A)卡架(B)砧座和主軸端面(C)外套筒刻度(D)襯筒上刻度。
複選題
74. 5 盞 100 瓦的電燈同時使用 10 小時,則(A)共耗功率 5kW(B)功率相當於 7.6 馬力(C)用電量為 5 度(D)共耗功率 8. 6ps。
複選題
75.
左圖游標卡尺之讀數,下列哪些是錯誤的?(A)137.35(B)13.77 ㎝(C)137.70±0.05(D)13.735 ㎜。
複選題
76. 下列哪些游標卡尺的精度為 0.02?(A)
(B)
(C)
(D)
。
複選題
77. 下列哪些游標卡尺可測出 1/128"?(A)
(B)
(C)
(D)
。
複選題
78. 並聯三個 12V 的電瓶,容量各為 46、82 及 120AH,則其電瓶組之(A)總電壓為 12V(B)總電壓為 36V(C)總容量 為 120AH(D)總容量為 248AH。
複選題
79. 將三個 12 伏特,容量各為 50、78 及 100 安培小時的電瓶串聯後,其電瓶組之(A)總電壓為 12V(B)總電壓為 3 6V(C)總容量為 50AH(D)總容量為 228AH。
複選題
80. 如下圖之電瓶連接示意圖,則(A)此接法為串聯(B)電瓶組之總容量為 288AH(C)CD 兩端之電壓為 36V(D)CD 兩 端之電流不變。
複選題
81. 如下圖之電瓶連接示意圖,則(A)此接法為並聯(B)電瓶組之總容量為 128AH(C)CD 兩端之電壓為 24V(D)CD 兩 端之電流較各個電瓶之電流為大。
複選題
82. 如下圖之電瓶連接示意圖,則(A)此接法為並聯(B)電瓶組之總容量為 278AH(C)CD 兩端之電壓為 12V(D)CD 兩 端之電流將大於各個之電流。
複選題
83. 有關油品之敘述,下列哪些是正確的?(A)SAE40 號機油適合添加在二行程汽油引擎之燃料內(B)SAE10W-30 號機油適合添加在四行程引擎之曲軸箱內(C)標有ATF之油為自動變速箱專用(D)標有DOT-4之油為煞車系統 專用。
複選題
84. 判斷油品之敘述,下列哪些是正確的?(A)機油長期使用會與潤滑系統內污物混合呈黑色(B)自動變速箱用油 新品一般略呈紅色(C)煞車油新品一般透明度較高、類似沙拉油(D)若無動力方向盤專用油時,得以自動變速 箱用油取代。
複選題
85. 有關曳引機交流充電系統,下列哪些是正確的?(A)點火開關接通但發電機尚未運轉時,充電指示燈不亮(B) 發電機內有三顆正二極體與三顆負二極體(C)定子內一般有三組線圈呈 Y 連接法(D)系統內僅有的一個調整器 為電流調整器。
複選題
86. 檢查曲軸端間隙時,不可使用哪些量具?(A)千分錶(B)游標卡尺(C)塑膠規(D)分厘卡。
複選題
87. 下列敘述哪些是錯誤的?使用指針式三用電錶量測電路電流時,電錶(A)與迴路成串聯(B)與迴路成並聯(C)與 25 迴路成串聯或並聯都可以(D)測試棒極性不用考慮。
複選題
88. 檢測電路短路現象時,可使用哪些儀器?(A)檢驗燈(B)數位式三用電錶(C)驗電起子(D)指針式三用電錶。
複選題
89. 油壓迴路系統可使用哪些儀器檢測?(A)溫度計(B)壓力錶(C)流量計(D)功率測定器。
複選題
90. 油壓迴路安全閥設定 100 ㎏/㎝ 2 時應使用(A)0~150bar(B)0~200 ㎏/㎝ 2(C)0~1000psi(D)0~2000psi 的壓力錶檢測。
複選題
91. 使用三用電錶量測之正確方法(A)量測電路電壓時電錶與電路成串聯(B)量測電路電壓時電錶與電路成並聯(C) 量測電路阻抗時選擇歐姆檔「Ω」(D)量測電路電壓時電錶與電路成並聯或串聯。
複選題
92. 工件配合的鬆緊程度可分為緊配合、鬆配合及靜配合,其靜配合又稱為(A)精密(B)自由(C)過度(D)干涉 配合。
複選題
93. 一般游標卡尺可直接量測的項目是(A)內徑(B)階段差(C)錐度(D)深度。
複選題
94. 花崗石平台與鑄鐵平台相較,花崗石平台的特點,哪些是正確的?(A)不易變形(B)耐久性較差(C)受溫度變化 影響較小(D)較不易起毛邊。
複選題
95. 螺距為 0.5 ㎜的單螺牙螺紋分厘卡,外套筒一圓周作 50 等分時,下列哪些精度是錯誤的?(A)0.01 ㎜(B)0.1 ㎜ (C)0.001 ㎜(D)0.02 ㎜。
複選題
96. 下列量具,哪些不可以用來量測外螺紋之大徑(外徑)?(A)盤式分厘卡(B)螺紋分厘卡(C)螺距規(D)針尖式分 厘卡。
複選題
97. 下列之敘述哪些是錯誤的?(A)游標卡尺,量測內徑,應取多次量測值中的最大值(B)游標卡尺,內測量爪可 當分規使用(C)游標卡尺,可作為工件劃線工作(D)游標卡尺,可用於找出圓棒端面之中心點。
複選題
98. 下列量具哪些可量測外螺紋之螺距(節距)?(A)鋼尺(B)螺紋分厘卡(C)螺牙規(D)量角器。
複選題
99. 檢查曲軸與軸承蓋之間隙時,不可以用哪些量具?(A)千分錶(B)厚薄規(C)塑膠規(D)游標卡尺。
複選題
100. 下列圖示之敘述,哪些是正確的?(A)套筒讀數為 17 ㎜(B)套筒讀數為 0.32 ㎜(C)分厘卡總讀數為 17.32 ㎜(D)分 厘卡總讀數為 17.82 ㎜。
申論題 (0)