阿摩線上測驗
登入
首頁
>
技檢◆升降機裝修-乙級
> 105年 - 06400 升降機裝修 乙級 工作項目 02:電機部份 101-200#38967
105年 - 06400 升降機裝修 乙級 工作項目 02:電機部份 101-200#38967
科目:
技檢◆升降機裝修-乙級 |
年份:
105年 |
選擇題數:
100 |
申論題數:
0
試卷資訊
所屬科目:
技檢◆升降機裝修-乙級
選擇題 (100)
101. 升降機手拉式伸縮門,於關至全閉前多少公分以內,車廂始可啟動?(A)2(B)4(C)5(D)10。
102. 升降機手拉式伸縮門於關閉後,自各乘場外側不能拉開多少公分以上?(A)2(B)4(C)5(D)10。
103. 液壓升降機搭乘場出入門設有鎖閉裝置並且出入門行將閉合時,即使用搭乘場欲打開亦無法打開 10 公分以 上者,出入門需關至多少公分以下時車廂始得啟動?(A)2(B)4(C)5(D)10。
104. 液壓升降機械室之控制器等與牆壁之距離需在多少公分以上?(A)30(B)40(C)50(D)60。
105. 液壓升降機乘場以上下開閉式門或中央開閉式者,於乘場門完全關閉後,由乘場外側不能拉開多少公分以 7 上?(A)2(B)4(C)5(D)10。
106. 液壓升降機乘場以上下開閉式門或中央開閉式門者,於車廂門關至全閉前多少公分以內,車廂始可啟動? (A)2(B)4(C)5(D)10。
107. 一電阻 220 歐姆,兩端加電壓 110 伏特,則產生的功率為(A)0.5 瓦(B)2 瓦(C)55 瓦(D)60 瓦。
108. 不受電源頻率變動影響之電器為(A)日光燈(B)電阻器(C)感應電機(D)變壓器。
109. 有兩電阻比為 2 承受最大功率均為 1W,串聯之後所能承受最大總功率為(A)1.25W(B)1.5W(C)1.75W(D)2W。
110. 如果將電線之直徑及長度皆增加 2 倍時,配線之電壓降為(A)1/2 倍(B)不變(C)2 倍(D)4 倍。
111. 20 歐姆之電阻通過 5A 電流時,所消耗電力為(A)100W(B)200W(C)500W(D)1000W。
112. 三用電表是屬於那一型的電儀表?(A)整流型(B)電動力型(C)感應型(D)動圈型。
113. 夾式電流表是利用何種原理,配合其他零件所組成(A)安培左手(B)比壓器(C)比流器(D)佛來銘左手。
114. R1 與 R2 並聯於某電源時,各消耗 200W 及 100W 之電功率,已知 R1=100 歐姆,則 R2 為(A)50(B)100(C)200 (D)400 歐姆。
115. 理想電壓源其內阻應為(A)0(B)無限大(C)適當大小(D)視情況而定。
116. 理想電流源其內阻應為(A)0(B)無限大(C)適當大小(D)視情況而定。
117. 兩同頻率相位差非 180 度之正弦波相加,其結果為(A)同頻率之正弦波(B)不同頻率之正弦波(C)含兩倍頻率之 和的正弦波(D)含兩頻率之差的正弦波。
118. 以 100:5 之比流器附安培計測定某線路電流,若該安培計讀數 4A,則實際線路電流為(A)100A(B)80A(C)60A(D) 40A。
119. 相同的兩個電阻串聯後其阻值為並聯時的多少倍?(A)1/2(B)2(C)1/4(D)4。
120. 一馬達之效率為 80%,在 220V 電源處,獲取 8A 之輸入電流,則其輸出馬力為(A)1.89(B)1760(C)1408(D)2.36。
121. 若三相感應電動機為雙三角結線,則引出線應為多少根?(A)3(B)6(C)9(D)12。
122. 若電阻之色碼為紅紅紅,則電阻值為多少歐姆?(A)220(B)2.2k(C)22k(D)222。
123. 下列何者為非造成泵噪音太大之原因?(A)吸入管太細或堵塞住(B)軸承磨損(C)油箱內有氣泡(D)泵內刀葉破 裂。
124. 下列何者不屬於為流量單位?(A)l/min(B)gal/min(C)m3 /sec(D)PSI。
125. 三相感應電動機中,三相旋轉磁場合成磁動勢為每相繞組最大磁動勢的幾倍?(A)0.86(B)1.5(C)1.732(D)2。
126. 某四極、60Hz 之三相感應電動機,其滿載轉速為 1,755rpm,轉差率約為何?(A)5%(B)4%(C)3.5%(D)2.5%。
127. 變壓器鐵心採用矽鋼薄片之主要目的為(A)降低銅損(B)降低介質損(C)增加容量(D)降低渦流損。
128. 同步調相機在供電系統中之功用,相當於下列何者?(A)電容器(B)電阻器(C)變頻器(D)電感器。
129. 油壓起重機是利用巴斯卡原理,若有位於同一高度且均為垂直之大小油壓缸各一,相連其間之油壓管充滿 液壓油,大油壓缸內直徑為 30cm,小油壓缸內直徑為 3cm,假設大油壓缸支撐 2,000kg 之重物,則必須對 小油壓缸活塞施加之力至少為若干?(A)19.6KN(B)1.96KN(C)196N(D)19.6N。
130. 下列哪一種電動機須藉由輔助繞組才能起動運轉?(A)單相感應電動機(B)同步電動機(C)直流分激電動機(D)三 相感應電動機。
131. 三相交流發電機採用短節距繞組之目的為何?(A)提高感應電勢(B)提高電(C)改善感應電勢波形(D)提高互感 量。
132. 某 Y 接 60Hz 之三相同步發電機,每極最大磁通為 0.2 韋伯,每相匝數為 100 匝,則其無載時之相電壓有效 值為何?(A)6142V(B)5328V(C)4824V(D)4012V。
133. 有關直流機中換向磁極線圈之接線敘述,下列何者正確?(A)和電樞電路串聯(B)和主磁場電路串聯(C)和電樞 電路並聯(D)和主磁場電路並聯。
134. 當配控制盤(櫃)時,使用單相橋式整流,保險絲若只配在保護直流側,若橋式整流內二極體短路時,會造 成(A)直流電壓昇高(B)燒毀變壓器(C)燒斷保險絲(D)直流負載燒毀。
135. 電梯常使用的變壓器,下列敘述何者錯誤?(A)隔離式變壓器就是次級任一根線與地之間沒有電位差,就是 說人摸上去不會有電流經過人體流入大地(B)自耦式變壓器成本低、輸入/輸出和零線共用(C)自耦式變壓器是 8 安全的電源(D)自耦式變壓器就是在一次線圈上做抽頭作為二次線圈,也就是說其實只有一個線圈。
136. 採用複繞式,增大鋼索在牽引輪上包角,其目的是提高(A)牽引力(B)鋼索安全係數(C)平衡係數(D)牽引輪與鋼 索直徑比。
137. 下列電路何者是韋恩電橋振盪電路?(A)
(B)
(C)
(D)
。
138. 如下圖所示,下列敘述何者正確?
(A)第三腳 V0輸出 36Hz 方波(B)第三腳 V0輸出 18Hz 方波(C)第三腳 V0輸出 100Hz 鋸齒波(D)第三腳 V0輸出 20kHz 鋸齒波。
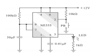
139. 如下圖所示,使用積體電路 IC 編號 555 組成的電路,若按鈕開關 PB 按下後即放開,則發光二極體 LED 亮 約多少秒後就會熄滅?(A)5.5(B)11(C)16.5(D)15。
140. 如圖下所示為高頻 LC 振盪器的方塊圖,下列敘述何者正確?(A)當 X1與 X2為電容器,X3為電感器時,此電 路稱為哈特萊(Hartley)振盪器(B)當 X1與 X3為電容器,X2為電感器時,此電路稱為哈特萊(Hartley)振盪器(C)當 X1與 X2為電容器,X3為電感器時,此電路稱為考畢子(Colpitts)振盪器(D)當 X1與 X3為電容器,X2為電感器時, 此電路稱為考畢子(Colpitts)振盪器。
141. 下列圖示之偏壓電路中,何者工作點位置的決定與電晶體 β 值幾乎無關?(A)
(B)
(C)
(D)
。
142. 使用指針式三用電表歐姆檔置於 R×10 位置,用來辨識電晶體之接腳,以此三用電表的兩支測試棒,順序地 連接到待測電晶體三接腳中之任何兩接腳,直到三用電表的指針產生偏轉,此時表示電表與待測電晶體的 兩接腳間之 PN 接面為順向偏壓連接狀態,則下列敘述何者正確?(A)紅色測試棒連接之接腳為 P 端,黑色 測試棒連接之接腳為 N 端(B)此待測電晶體必為 NPN 型電晶體及同時可知其 β 值(C)紅色測試棒連接之接腳 為 N 端,黑色測試棒連接之接腳為 P 端(D)此待測電晶體必為 PNP 型電晶體及同時可知其 β 值。
143. 依一般電晶體的規定,電晶體的編號分為五段標示,如下表所列,則第三段所代表的意義是
(A)半導體類別 (B)用途和極性(C)半導體之代號(D)表示改良順序。
144. 如下圖所示電路,試求 RAB 為多少?
(A)2Ω(B)3Ω(C)4Ω(D)6Ω。
145. 如下圖所示電路,電流 I 為何?
(A)1.5A(B)3A(C)5A(D)6A。
146. 如下圖所示之四個輸出特性曲線,下列何者為P通道E-MOSFET的輸出特性曲線?(A)
(B)
(C)
(D)
。
147. ZC 系列接地電阻測試儀上有 E、P、C 三個接線柱。進行接地電阻測試時,P 應當與下列何者相連接?(A)被 10 測接地體(B)電流極(C)電壓極(D)電流極或電壓極。
148. 當 89C51 單晶片完成基本設計電路時,如果不能做動時基本檢修動作是使用三用電表對下列腳位進行量 測,下列敘述何者錯誤?(A)VCC(pin40)對 GND(pin20)是否為+5V(B)RESET(pin9)是否為+5V(C)EA/VPP(pin31) 是否為+5V(D)MAX-232 電位轉換電路晶片之 pin2 與 pin6 是否為+10V 與-10V 之間。
149. 下列敘述何者不是電梯 UCMP 裝置之必要條件?(A)當電梯處於平層位置,車廂出現意外移動,能立刻停止 車廂移動的保護裝置(B)當電梯門打開時,車廂出現意外移動,能立刻停止車廂移動的保護裝置(C)當上行失 速時,能立刻停止車廂移動的保護裝置(D)當主機制動煞車抱閘未關時,能立刻停止車廂移動的保護。
150. 某正弦波信號,假設峰值電壓 Vp,有效值電壓(均方根值)為 Vrms,則下列關係式何者正確?(A)V
p
=2V
rms
(B)V
(C)Vp
(D)Vp
。
151. 火災發生時,下列有關滅火之敘述何者錯誤?(A)化學藥品及油類所引起的火災,可使用二氧化碳、乾粉等 滅火器或水予以撲救較為有效(B)滅火時應優先將火場內的電源先予截斷(C)滅火最重要時刻是剛起火的數分 鐘內(D)一般物質的初期火災,可以考慮用沙、土或水等加以覆蓋撲滅。
152. 若一週期性之三角波,如下圖所示,從 0µs 到 2µs 為正向斜波,則三角波之頻率為(A)50kHZ(B)0.25MHZ(C)1 MZ(D)200KHZ。
153. 如下圖所示電路,求 a、b 兩端的等效電阻 Rab 為多少?(A)3Ω(B)6Ω(C)9Ω(D)12Ω。
154. 三相同步電動機中,安裝阻尼繞組之主要目的為(A)加強激磁(B)抵消電樞反應(C)避免追逐現象(D)改善功因。
155. 要令同步電動機自線路取用超前功因之電流,則下列作法何者正確?(A)增加負載(B)減少激磁(C)增加激磁(D) 提高頻率。
156. 變壓器一、二次側之匝數比為 10,則將一次側為 0.2Ω 之阻抗換算至二次側,其等值阻抗為何?(A)0.002Ω (B)0.2Ω(C)2Ω(D)20Ω。
157. 已知家用電每月基本度數為 40 度,不超過 40 度以 40 度計算,且需收基本電費 88 元。若超過 40 度,每度 加收 2.5 元。今有一電熱器 1200W,每天使用 10 小時,問一個月後(以 30 天計算),應付多少電費?(A)88 元 (B)188 元(C)888 元(D)988 元。
158. A、網上下載一個試用的 PLC 密碼讀取程式,同時也找一個串口監視的程式;B、連接 PLC,運行串口監視 程式,用試用的 PLC 密碼讀取程式讀取 PLC 的密碼;C、於串口監視的資料中,有一串資料(如引號內所示), 你會找到 PLC 的密碼(試用於三菱的 PLC)。『設置串口:COM1,串列傳輸速率:9600,數據位元:7,校 驗:E 偶,停止位:1,輸入:輸入 EHX,顯示:顯示 ASC。1、按電腦上串口監視程式顯示,選定以上埠 後點擊打開;2、在發送字元欄輸入下面的字串後點發送,輸入以下字串 02 30 38 30 30 38 30 38 03 36 42;3、 返回一串 16 進制的 ASCII 碼,30H 為數字 0,31H 為數字 1,以此類推;《42=B》例:02 30 38 30 30 38 30 38 03 36 42;4、顯示:(37ms)\STX4236353433323130\ETX41』,則 PLC 密碼為(A)B6543210(B)B0123456(C)B 3323130(D)ETX41。
159. 殘障電梯外乘場呼叫鈕:梯廳及門廳內的呼叫鈕之中心線高度應距樓地板面 A 公分,如下圖所示,則 A 為 多少公分?(A)100(B)110(C)120(D)130。
160. 如下圖所示,二極體之作用為(A)穩壓作用(B)補償 VBE(C)補償 ICO(D)減少雜訊干擾。
161. 牽引機採用剛性聯軸器安裝時同軸度應小於或等於多少毫米?(A)0.01(B)0.02(C)0.1(D)0.2。
162. 某電梯廠商,車廂停在最底樓斷電後,更換車廂壁板時,在拆除最後一塊壁板時,發生車廂上操作員,被 夾死在昇降路最頂部的意外,而發生此車廂上溜之事故,下列敘述何者錯誤?(A)車廂未固定防止向上滑移 (B)主槽輪與主鋼索磨擦係數不足(C)主鋼索太短未察覺(D)頂部安全距離不足。
163. 更換電梯牽引鋼索時,下列敘述何者錯誤?(A)把車廂吊起,應用保險繩加固,不能單獨使用手拉吊鍊吊住 車廂(B)使用手拉吊鍊吊起車廂時,車廂頂上不准站人(C)手拉吊鍊若有拉到車廂上安全夾連桿會導致超速保 護裝置失效(D)應該在拆除一半的鋼索後,換上一半新鋼索,然後再拆換另一半鋼索。
164. 下列何者為控制單元內用以儲存「下一個要執行指令的位置」之裝置?(A)工作暫存器(Working Register, WR) (B)指令暫存器(Instruction Register, IR)(C)程式計數器(Program counter, PC)(D)索引暫存器(Index Register)。
165. 霍爾效應(Hall effect)使用在半導體測試中,主要用來決定下列何者?(A)半導體內電流(B)半導體型式(n 或 p) (C)半導體內磁場(D)半導體溫度。
166. 在以示波器測試及調整放大器的輸出波形時,通常輸入下列何者較適用?(A)正弦波(B)三角波(C)方波(D)脈衝 波。
167. BJT 電晶體的作用區域分為工作區、飽和區及截止區,在飽和區之集極與射集接面偏壓敘述中,下列何者 正確?(A)皆為逆向偏壓(B)皆為順向偏壓(C)集極為順向偏壓,射極為逆向偏壓(D)集極為逆向偏壓,射極為順 向偏壓。
168. 普通萬用表的交流檔,測量機構反映的為(A)有效值,定度也按有效值(B)平均值,定度是按正弦波的有效值 (C)平均值,定度也按平均值(D)峰值,定度也按峰值。
169. 經濟型數控系統常用的有後備電池法和採用非易失性記憶體,如晶片內帶鋰電池的隨機記憶體為(A)EEPRO M(B)NVRAM(C)FLASHROM(D)EPROM。
複選題
170. 無齒輪牽引電梯採用永磁同步牽引機作為電梯的驅動系統,比傳統牽引電梯有更多的優點是(A)體積小、重 量輕(B)能耗低(C)噪音小(D)載重量較大。
複選題
171. 電梯消防緊急招回基準階開關動作後,則(A)已開啟車廂門的電梯、將車廂門關閉後,即返回基準階(B)返回 基準階後開門(C)正在運行的電梯,平層後,不開門即返回基準階(D)下行過程中,將要下行的人員接到基準 階。
複選題
172. 下列哪些原因是造成電梯電動機缺相的主要原因?(A)主回路接觸器接觸不良(B)主回路接線端子接觸不良(C) 電動機繞組引出端子接觸不良(D)供電電源缺相。
複選題
173. 交流雙速電梯起動過程中在定子電路中串入電抗器是為(A)改善運行效率(B)限制起動電流(C)改善舒適感(D)減 少起動時間。
複選題
174. 110kV 及以下供配電系統的設計,為減小電壓偏差可採取下列哪些措施?(A)正確選擇變壓變比和電壓分接 頭(B)降低配電系統阻抗(C)補償無功功率(D)增大變壓器容量。 12
複選題
175. 在 110kV 及以下供配電系統無功補償設計中,考慮並聯電容器分組時,應滿足下列哪些要求?(A)分組電容 器投切時,不應產生諧振(B)增加分組組數和減少分組容量(C)配套設備的技術參數相適應(D)足電壓偏差的運 行範圍。
複選題
176. 電測儀錶誤差分為(A)絕對誤差(B)相對誤差(C)單位誤差(D)引用誤差。
複選題
177. 下列哪些是電氣裝置的接地裝置規定?(A)接地裝置應該互相連通,形成接地網。相鄰建築物不超過 30m 也 應該連通(B)引入配電裝置室的每條架空線路安裝的閥式避雷器的接地線,應與配電裝置室的接地裝置連 接,不需要敷設集中接地裝置(C)配電變壓器等電氣裝置,安裝在由其供電的建築物內的配電裝置室時,其 接地裝置應與建築物基礎鋼筋等相連(D)戶外柱上配電變壓器等電氣裝置的接地裝置,宜敷設成圍繞變壓器 的閉合環形。
複選題
178. 電梯機房、車廂和升降路中電氣裝置的間接接觸保護,應符合的規定有下列哪些?(A)機房和車廂的電氣設 備、升降路內的金屬件與建築物的用電設備,採用同一接地型式保護,可不另設接地裝置(B)整個電梯裝置 的金屬件,應採取等電位連接措施(C)車廂接地線如利用電纜芯線時不得少於兩根,採用銅芯導體時,每根 芯線截面不得小於 2.0mm2(D)在車廂頂、機房、滑輪間及底坑,應裝有 2P+PE 型的電源插座。
複選題
179. 交流 AC220V 接觸器在釋放的瞬間會產生一個高脈衝幹擾,該高脈衝幹擾如在繼電器控制電梯中不含有多 大的影響,但在 PC 板控制電梯中將會對 PC 板產生幹擾,可以使用下列哪些元件串接後並接在接觸器線圈 的兩端來抑制高脈衝干擾?(A)400V、0.47mF 電容(B)100W、0.5W 電阻(C)二極體(D)電感。
複選題
180. 有關電梯常使用的變壓器,下列敘述哪些正確?(A)隔離式變壓器就是次級任一根線與地之間沒有電位差, 就是說人摸上去不會有電流經過人體流入大地(B)自耦式變壓器成本低、輸入/輸出和零線共用(C)自耦式變壓 器是安全的電源(D)自耦式變壓器就是在一次線圈上做抽頭作為二次線圈,也就是說其實只有一個線圈。
複選題
181. 有關變頻器,下列敘述哪些正確?(A)PWM 是英文 Pulse Width Modulation(脈衝寬度調製)縮寫,按一定規律 改變脈衝列的脈衝寬度,以調節輸出量和波形的一種調值方式(B)變頻器的主電路大體上可分為電壓型與電 流型兩類:電壓型是將電壓源的直流變換為交流的變頻器(C)當變頻器實際轉速對於給定速度有偏差時,為了 使負載變動也要求在近於給定速度下運轉的場合,可採用具有 PG 回饋功能的變頻器(D)變頻器是利用電力 半導體器件的通斷作用將工頻電源變換為另一頻率的電能控制裝置。
複選題
182. 某醫院剛安裝完畢的病床梯,從 6 樓駛向 1 樓,電梯行至 2、3 樓間突然停止,20 分鐘後一聲巨響,配重架 從 6 樓處墜落底坑,同時斷開的鋼索打在車廂頂上,引起被困在車廂內的乘客一片恐慌,有關事故原因分 析,下列敘述哪些正確?(A)電梯安全夾楔塊在運行中誤動作(B)該電梯無連續運行堵轉保護功能(C)安全煞車 鉗電器開關應動作而未動作(D)平衡鍊條、活動電纜、選層鋼帶勾到,導致車廂被拉住不動。
複選題
183. 在機房清洗主鋼索及槽輪時,下列敘述哪些錯誤?(A)在活動部位作業時要確認電梯停止才可作業(B)在旋轉 部位作業時可以戴手套作業,以防割傷(C)需要兩人作業,一名開慢速,一名喊停後,開始清洗作業(D)可慢 速下使用毛刷清潔鋼索,若毛刷夾住可立刻放手。
複選題
184. 下列計算公式哪些正確?(A)牽引鋼索在拉力作用下的伸長量:可由下式計算:
(B)牽引電動機容量:可 由下式計算:
(C)牽引機輸出扭矩:可由下式計算:
(D)牽引系統懸掛繩安全係數實 際值 S=
。
複選題
185. 液壓電梯液壓系統流量控制方式主要有下列哪些?(A)容積調速(B)節流調速(C)有級調速(D)複合調速。
複選題
186. 有關直接式液壓電梯,下列敘述哪些正確?(A)直接式液壓電梯井道上端的頂部間距可以比相同速度的間接 式液壓電梯小(B)直接式液壓電梯柱塞極限可以用車廂來觸及(C)直接式液壓電梯可以不設置安全鉗(D)直接式 液壓電梯車廂下方可以不設置緩衝器。
複選題
187. 有關電梯編碼器,下列敘述哪些錯誤?(A)每圈解析度:13 位 8192 線;16 位 65536 線;17 位 131072 線;25 位 33554432 線(B)目前可以提供的解析度+圈數最高可以到 25 位(C)絕對式編碼器對絕對位置有記錄能力,而 增量式編碼器只能給出相對位置,其本身卻無法記錄(D)絕對式編碼器輸出信號為:SSI+方波 A/B;RS485; Canopen,過去 SSI 較多,現在永磁同步控制多使用 Hipeface。
複選題
188. 有關電梯用比流器 CT,下列敘述哪些正確?(A)比流器又稱變流器(B)比流器就是把較大電流變成較小電流(C) 比流器與電流互感器兩種是不同的東西(D)比流器就是三線式交流電流感測轉換器。 13
複選題
189. 屬於常用的短路保護裝置有下列哪些?(A)熔斷器(B)電磁式電流繼電器(C)交流接觸器(D)脫扣器。
複選題
190. 提高電力系統靜態穩定的措施有下列哪些?(A)減少系統各元件的感抗(B)採用自動調節電壓裝置(C)採用按頻 率減負荷裝置(D)增大電力系統的有功功率和無功功率的備用容量。
複選題
191. 阻波器有什麼作用?(A)阻波器是載波通信及高頻保護不可缺少的高頻通信元件(B)阻止高頻電流向其他分支 洩漏(C)起減少高頻能量損耗的作用(D)變頻器都有裝阻波器。
複選題
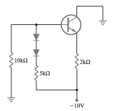
192. 鉛酸蓄電池在運行中極板硫化有下列哪些特徵?(A)電壓不穩定(B)充電時冒氣泡過早或一開始充電即冒氣泡 (C)充電時電壓過高,放電時電壓降低于正常值(D)正極板呈現褐色帶有白點。
複選題
193. 下列哪些原因會使變壓器發出異常音響?(A)過負荷(B)內部接觸不良,放電打火(C)系統中有接地或短路(D)大 電動機起動使負荷變化較大。
複選題
194. 下列敘述哪些正確?(A)直流電的大小和方向均不隨時間變化(B)脈動直流電的大小隨時間變化,方向不隨時 間變化(C)交流電的大小和方向均隨時間變化(D)正弦交流電的大小和方向隨時間按正弦不規律變化。
複選題
195. 易觸電時通過人體的電流強度取決於(A)對地電壓(B)人體電阻(C)對地電阻(D)觸電電壓。
複選題
196. 三相四線制中,三相不對稱負載供電特點有(A)各相負載所承受的電壓為對稱的電源相電壓,與負載是否對 稱無關(B)各線電流等於相應的各負載的相電流(C)中線電流等於三個負載電流的相量和(D)中性線的作用:使 三相電路能夠成為互不影響的獨立電路,無論各相負載如何變動都不影響各相電壓。
複選題
197. 互感電動勢的方向與下列哪些有關?(A)互感磁通的變化趨勢(B)磁場的強弱(C)線圈的匝數(D)線圈的繞向。
複選題
198. 若要測量非正弦週期電壓或電流的有效值,應選用(A)磁電系儀錶(B)整流系儀錶(C)電磁系儀錶(D)電動系儀錶。
複選題
199. 三相負載對稱指的是(A)各相阻抗值相等(B)各相阻抗值差 1Ω(C)各相阻抗複角相差 120°(D)各相阻抗值複角相 等。
複選題
200. 減少鐵芯中磁滯損耗的辦法有(A)選用硬磁材料作鐵芯(B)選用磁導率高的軟磁材料作鐵芯(C)鐵芯鋼片中加入 適量的矽(D)提高電源電壓的頻率。
申論題 (0)
相關試卷
114年 - 06400 升降機裝修 乙級 工作項目 04:檢查法規及安衛 151-173(2025/11/03 更新)#132970
114年 · #132970
114年 - 06400 升降機裝修 乙級 工作項目 04:檢查法規及安衛 101-150(2025/11/03 更新)#132969
114年 · #132969
114年 - 06400 升降機裝修 乙級 工作項目 04:檢查法規及安衛 51-100(2025/11/03 更新)#132968
114年 · #132968
114年 - 06400 升降機裝修 乙級 工作項目 04:檢查法規及安衛 1-50(2025/11/03 更新)#132967
114年 · #132967
114年 - 06400 升降機裝修 乙級 工作項目 03:各部機構組裝 151-192(2025/11/03 更新)#132966
114年 · #132966
114年 - 06400 升降機裝修 乙級 工作項目 03:各部機構組裝 101-150(2025/11/03 更新)#132965
114年 · #132965
114年 - 06400 升降機裝修 乙級 工作項目 03:各部機構組裝 51-100(2025/11/03 更新)#132964
114年 · #132964
114年 - 06400 升降機裝修 乙級 工作項目 03:各部機構組裝 1-50(2025/11/03 更新)#132963
114年 · #132963
114年 - 06400 升降機裝修 乙級 工作項目 02:電機部份 201-228(2025/11/03 更新)#132962
114年 · #132962
114年 - 06400 升降機裝修 乙級 工作項目 02:電機部份 151-200(2025/11/03 更新)#132961
114年 · #132961