阿摩線上測驗
登入
首頁
>
電子學
> 105年 - 105 鐵路特種考試_員級_電力工程、電子工程:電子學概要#53503
105年 - 105 鐵路特種考試_員級_電力工程、電子工程:電子學概要#53503
科目:
電子學 |
年份:
105年 |
選擇題數:
0 |
申論題數:
6
試卷資訊
所屬科目:
電子學
選擇題 (0)
申論題 (6)
【已刪除】一、圖一電路使用理想運算放大器,二極體 D
1
與 D
2
採固定順向壓降模型(constant voltage drop model),順向電壓 V
D
=1 V。畫出二極體 D
1
與 D
2
導通與否共四種狀態之等效 電路,逐一分析是否適用於 V
i
<0V 與 V
i
>0V,並說明適用電路之 V
o
與 V
i
關係。 (20 分)
【已刪除】二、圖二(a)電路電晶體製程參數 k
n
'(W/L) = 2 mA/V
2
,臨界電壓(threshold voltage) V
t
=1 V,汲極電流公式如圖二(b),求算 I
D1
與 I
D2
之值。(20 分)
⑴推導 A
f
(s) ≡ V
o
/V
i
之數學式,如圖三(b)之表示式。(8 分)
⑵畫出 A(s)與 A
f
(s) ≡ V
o
/V
i
之振幅波德圖(Bode plot),並指出兩者在低頻(ω → 0) 之增益(以 dB 表示),及其 3 dB 頻寬(以 Hz 表示)。(12 分)
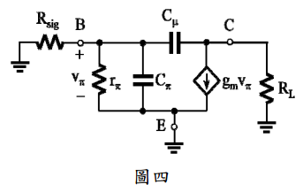
【已刪除】四、圖四為 BJT 放大器於高頻操作時之等效電路。以開路時間常數(open circuit time constant)法分析,可得其高頻 3 dB 頻率點之時間常數τ
H
= C
μ
R
μ0
+C
π
R
π0
,其中 R
μ0
為 C
π
= 0 時 C
μ
所看到的電阻,R
π0
為 C
μ
= 0 時 C
π
所看到的電阻,推導 R
μ0
與 R
π0
之數 學式。(20 分)
【已刪除】五、圖五電路之邏輯閘輸入電阻為∞,輸出電阻為 0,輸出與輸入之高低電位分別為 V
DD
與 0 V,判斷輸入為高或低電位之臨界電壓 V
T
= V
DD
/2。先假設 v
x
維持在 V
DD
電位, 於 t=0 時改變為 0 V,又於 t=TC 時改變回 V
DD
。在 0 ≤ t ≤ T
C
之間,推導 v
C
(t) = v
o
(t) – v
y
(t)之數學式,並以 T = RC 為單位表示 T
C
,再畫出 v
o
(t),v
y
(t),與 v
C
(t) 之波形。(20 分)
相關試卷
114年 - 114 地方政府公務特種考試_三等_電力工程、電子工程、電信工程:電子學#134800
114年 · #134800
114年 - 114 地方政府公務特種考試_四等_電力工程、電子工程、電信工程:電子學概要#134742
114年 · #134742
114年 - 114 專技高考_電子工程技師:電子學#133712
114年 · #133712
114年 - 114 公務升官等考試_薦任_電力工程、電子工程、電信工程:電子學#133247
114年 · #133247
114年 - 114 原住民族特種考試_四等_電子工程:電子學概要#130947
114年 · #130947
114年 - 114 專技高考_專利師(選試專業英文及電子學)、專利師(選試專業日文及電子學):電子學#130110
114年 · #130110
114年 - 114 普通考試_電力工程、電子工程、電信工程:電子學概要#128790
114年 · #128790
114年 - 114 高等考試_三級_電力工程、電子工程、電信工程:電子學#128768
114年 · #128768
113年 - 113-2 國營臺灣鐵路股份有限公司_從業人員甄試試題_第10階-助理技術員-電務 第10階-助理技術員-電力:電子學概要#137201
113年 · #137201
113年 - 113 臺灣菸酒股份有限公司_從業職員及從業評價職位人員甄試試題_從業職員_電子電機:電子學#133997
113年 · #133997