所屬科目:鐵路◆電路學(概要)
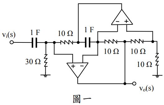
一、求圖一電路的傳輸函數(transfer function)T(s) = vo(s)/vi(s)。(12 分)此電路之共振角頻率(resonance angular frequency)及品質因數(quality factor)Q 之值為何?(8 分)
四、如圖四之電路圖,輸入為弦波,當電路處於穩態時,算出 io(t)之穩態響應。(以小數表示答案)(20 分)
五、計算圖五雙埠電路之 T 參數(傳輸參數),以 s 之函數表示之。(20 分)