阿摩線上測驗
登入
首頁
>
技檢◆機電整合-乙級
> 105年 - 17000 機電整合 乙級 工作項目 03:氣壓、油壓系統、迴路設計 101-168#40931
105年 - 17000 機電整合 乙級 工作項目 03:氣壓、油壓系統、迴路設計 101-168#40931
科目:
技檢◆機電整合-乙級 |
年份:
105年 |
選擇題數:
68 |
申論題數:
0
試卷資訊
所屬科目:
技檢◆機電整合-乙級
選擇題 (68)
101. 油壓馬達每轉容量 50 cc/rev、轉速:800 rpm、壓降:80kgf/cm
2
、馬達的機械效率η
m
=0.92、容積效率η
v
=0.95, 馬達實際輸出功率 Pr 約(A)4.4(B)4.8(C)5.2(D)5.6 kW。
102. 油壓馬達每轉容量 50 cc/rev、轉速:1200 rpm、壓降:120kgf/cm
2
、馬達的機械效率η
m
=0.95、容積效率 η
v
=0. 92,實際輸入馬達流量 Q 約(A)60.0(B)63.2(C)65.2(D)68.6 LPM。
103. 油壓馬達每轉容量 50 cc/rev、轉速:800 rpm、壓降:120kgf/cm
2
、馬達的機械效率η
m
=0.92、容積效率η
v
=0.95, 實際輸入馬達流量 Q 約(A)40.0(B)42.1(C)43.5(D)45.8 LPM。
104. 在真空產生器與真空吸盤之間,裝置過濾器的作用為(A)防止異物入侵真空產生器(B)防止真空吸力過大(C)真空 消失時加速物件脫離吸盤(D)縮短物件被吸盤吸住時間。
105. 如下圖有一組油壓系統供應泵浦,A 元件是
(A)小流量泵浦(B)大流量泵浦(C)溢流閥(D)卸載閥。
106. 如下圖有一組油壓系統供應泵浦,B 元件是
(A)小流量泵浦(B)大流量泵浦(C)溢流閥(D)卸載閥。
107. 如下圖有一組油壓系統供應泵浦,C 元件是
(A)小流量泵浦(B)大流量泵浦(C)溢流閥(D)卸載閥。
108. 如下圖有一組油壓系統供應泵浦,D 元件是
(A)小流量泵浦(B)大流量泵浦(C)溢流閥(D)卸載閥。
109. 如下圖有一組油壓系統供應泵浦,如小泵浦輸出流量 4
/min、大泵浦輸出流量 24
/min、溢流閥設定壓力 10 0kgf/cm
2
、卸載閥設定壓力 20kgf/cm
2
,用來驅動一支鑽孔油壓缸(ψ63×30×200)使其有一半行程為快速移動、 另一半慢速移動,則油壓缸快速移動的流量為
(A)4(B)24(C)28(D)32
/min。
110. 如下圖有一組油壓系統供應泵浦,如小泵浦輸出流量 4
/min、大泵浦輸出流量 24
/min、溢流閥設定壓力 10 0kgf/cm
2
、卸載閥設定壓力 20kgf/cm
2
,用來驅動一支鑽孔油壓缸(ψ63×30×200)使其有一半行程為快速移動、 另一半慢速移動,則油壓缸慢速移動的流量為
(A)4(B)24(C)28(D)32
/min。
111. 如下圖有一組油壓系統供應泵浦,如小泵浦輸出流量 4
/min、大泵浦輸出流量 24
/min、溢流閥設定壓力 10 0kgf/cm
2
、卸載閥設定壓力 20kgf/cm
2
,用來驅動一支鑽孔油壓缸(ψ63×30×200)使其有一半行程為快速移動、 另一半慢速移動,則油壓缸快速移動的速度為
(A)1.22(B)1.28(C)8.54(D)8.99 m/min。
112. 如下圖有一組油壓系統供應泵浦,如小泵浦輸出流量 4
/min、大泵浦輸出流量 24
/min、溢流閥設定壓力 10 0kgf/cm
2
、卸載閥設定壓力 20kgf/cm
2
,用來驅動一支鑽孔油壓缸(ψ63×30×200)使其有一半行程為快速移動、 另一半慢速移動,則油壓缸慢速移動的速度為
(A)1.22(B)1.28(C)8.54(D)8.99 m/min。
113. 如下圖有一組油壓系統供應泵浦,如小泵浦輸出流量 4
/min、大泵浦輸出流量 24
/min、溢流閥設定壓力 10 0kgf/cm2、卸載閥設定壓力 20kgf/cm
2
,用來驅動一支鑽孔油壓缸(ψ63×30×200)使其有一半行程為快速移動、 另一半慢速移動,若油壓缸機械效率(η
m
):0.92、容積效率(η
v
):0.95,則油壓缸快速移動的速度為
(A)1.22(B)1. 28(C)8.54(D)8.99 m/min。
114. 如下圖有一組油壓系統供應泵浦,如小泵浦輸出流量 4
/min、大泵浦輸出流量 24
/min、溢流閥設定壓力 10 0kgf/cm
2
、卸載閥設定壓力 20kgf/cm
2
,用來驅動一支鑽孔油壓缸(ψ63×30×200)使其有一半行程為快速移動、 另一半慢速移動,若油壓缸機械效率(η
m
):0.92、容積效率(η
v
):0.95,則油壓缸慢速移動的速度為
(A)1.22(B)1. 28(C)8.54(D)8.99 m/min。
115. 如下圖有一組油壓系統供應泵浦,如小泵浦輸出流量 4
/min、大泵浦輸出流量 24
/min、溢流閥設定壓力 10 0kgf/cm
2
、卸載閥設定壓力 20kgf/cm
2
,用來驅動一支鑽孔油壓缸(ψ63×30×200)使其有一半行程為快速移動、 另一半慢速移動,若油壓缸機械效率(η
m
):0.92、容積效率(η
v
):0.95、電動機驅動全效率(η
t
):0.85,則驅動 系統泵浦之電動機的最大功率需為
(A)0.66(B)0.77(C)0.92(D)1.08 kw。
116. 有一單桿雙動氣壓缸在摩擦係數為 0.2 的水平面移動 50 kgf 的物體,移動的距離為 200 mm,移動時間為 1 秒,1 分鐘做 15 次循環,工作壓力為 6 kgf/cm
2
。若以 20﹪與 80﹪的移動時間做等加速度與等速度(如下圖所 示),則等速度為
(A)22.2(B)23.5(C)78.4(D)111.1 cm/sec。
117. 有一單桿雙動氣壓缸在摩擦係數為 0.2 的水平面移動 80 kgf 的物體,移動的距離為 200 mm,移動時間為 1 秒,1 分鐘做 20 次循環,工作壓力為 6kgf/cm
2
。若以 30﹪與 70﹪的移動時間做等加速度與等速度(如下圖所 示),則等速度為
(A)22.2(B)23.5(C)78.4(D)111.1 cm/sec。
118. 有一單桿雙動氣壓缸在摩擦係數為 0.2 的水平面移動 50 kgf 的物體,移動的距離為 200 mm,移動時間為 1 秒,1 分鐘做 15 次循環,工作壓力為 6 kgf/cm
2
。若以 20﹪與 80﹪的移動時間做等加速度與等速度(如下圖所 示),則等加速度為
(A)22.2(B)23.5(C)78.4(D)111.1 cm/sec
2
。
119. 有一單桿雙動氣壓缸在摩擦係數為 0.2 的水平面移動 80 kgf 的物體,移動的距離為 200 mm,移動時間為 1 秒,1 分鐘做 20 次循環,工作壓力為 6 kgf/cm
2
。若以 30﹪與 70﹪的移動時間做等加速度與等速度(如下圖所 示),則等加速度為
(A)22.2(B)23.5(C)78.4(D)111.1 cm/sec
2
。
120. 有一單桿雙動氣壓缸在摩擦係數為 0.2 的水平面移動 50 kgf 的物體,移動的距離為 200 mm,移動時間為 1 秒,1 分鐘做 15 次循環,工作壓力為 6 kgf/cm
2
。若以 20﹪與 80﹪的移動時間做等加速度與等速度(如下圖所 示)。則最大出力應為
(A)15.7(B)22.4(C)31.4(D)37.3 kgf。
121. 有一單桿雙動氣壓缸在摩擦係數為 0.2 的水平面移動 80 kgf 的物體,移動的距離為 200 mm,移動時間為 1 31 秒,1 分鐘做 20 次循環,工作壓力為 6 kgf/cm
2
。若以 30﹪與 70﹪的移動時間做等加速度與等速度(如下圖所 示)。則最大出力應為
(A)15.7(B)22.4(C)31.4(D)37.3 kgf。
122. 有一單桿雙動氣壓缸在摩擦係數為 0.2 的水平面移動 50 kgf 的物體,移動的距離為 200 mm,移動時間為 1 秒,1 分鐘做 15 次循環,工作壓力為 6 kgf/cm
2
。若以 20﹪與 80﹪的移動時間做等加速度與等速度(如下圖所 示)。則行程末端物體的衝擊能量應為
(A)12.60(B)1.23(C)22.54(D)2.21 N-m。
123. 有一單桿雙動氣壓缸在摩擦係數為 0.2 的水平面移動 80 kgf 的物體,移動的距離為 200 mm,移動時間為 1 秒,1 分鐘做 20 次循環,工作壓力為 6 kgf/cm
2
。若以 30﹪與 70﹪的移動時間做等加速度與等速度(如下圖所 示)。則行程末端物體的衝擊能量應為
(A)12.60(B)1.23(C)22.54(D)2.21 N-m。
124. 有一單桿雙動氣壓缸在摩擦係數為 0.2 的水平面移動 50 kgf 的物體,移動的距離為 200 mm,移動時間為 1 秒,1 分鐘做 15 次循環,工作壓力為 6 kgf/cm
2
。若以 20﹪與 80﹪的移動時間做等加速度與等速度(如下圖所 示)。設負荷率為 50﹪,則氣壓缸出力應為
(A)15.7(B)22.4(C)31.4(D)37.3 kgf。
125. 有一單桿雙動氣壓缸在摩擦係數為 0.2 的水平面移動 80 kgf 的物體,移動的距離為 200 mm,移動時間為 1 秒,1 分鐘做 20 次循環,工作壓力為 6 kgf/cm
2
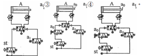
。若以 30﹪與 70﹪的移動時間做等加速度與等速度(如下圖所 示)。設負荷率為 60﹪,則氣壓缸出力應為
(A)15.7(B)22.4(C)31.4(D)37.3 kgf。
126. 有一單桿雙動氣壓缸在摩擦係數為 0.2 的水平面移動 50 kgf 的物體,移動的距離為 200 mm,移動時間為 1 秒,1 分鐘做 15 次循環,工作壓力為 6 kgf/cm
2
。若以 20﹪與 80﹪的移動時間做等加速度與等速度(如下圖所 示)。設負荷率為 50﹪,則應選用的氣壓缸活塞直徑為
(A)25(B)32(C)40(D)50 mm。
127. 有一單桿雙動氣壓缸在摩擦係數為 0.2 的水平面移動 80 kgf 的物體,移動的距離為 200 mm,移動時間為 1 秒,1 分鐘做 20 次循環,工作壓力為 6 kgf/cm
2
。若以 30﹪與 70﹪的移動時間做等加速度與等速度(如下圖所 示)。設負荷率為 60﹪,則應選用的氣壓缸活塞直徑為
(A)25(B)32(C)40(D)50 mm。
複選題
128. 如下圖所示,各閥件之名稱敘述哪些正確?(A)A 為緊急停止(B)B 為停止(C)C 為運轉模式切換(D)D 為啟動 鈕。
複選題
129. 如下圖所示,各閥件之名稱敘述哪些正確?(A)A 為運轉模式切換(B)B 為啟動(C)C 為緊急停止(D)D 為停止 鈕。
複選題
130. 如下圖所示,各閥件之名稱敘述哪些正確?(A)A 為緊急停止(B)B 為啟動(C)C 為停止(D)E 為連續循環保持 鈕。
複選題
131. 如下圖所示,各閥件之功能敘述哪些正確?(A)A 為緊急停止(B)B 為停止(C)C 為運轉模式切換(D)D 為啟動 用。
複選題
132. 如圖所示,各閥件之功能敘述哪些正確?(A)A 為運轉模式切換(B)B 為啟動(C)C 為緊急停止(D)D 為停止 用。
複選題
133. 如圖所示,各閥件之功能敘述哪些正確?(A)A 為緊急停止(B)B 為啟動(C)C 為停止(D)E 為連續循環保持 用。
複選題
134. 如下圖所示,在按閥件 B 啟動後,若僅切換閥件 C,系統會有下列哪些功能敘述正確?
(A)單一切換至連續模 式為動作中無效(B)連續切換至單一模式為動作中無效(C)單一切換連續有效、連續切換單一無效(D)單一切換連 續無效、連續切換單一有效。
複選題
135. 如下圖所示,在按閥件 B 啟動後,若僅切換閥件 C,系統會有下列哪些功能敘述正確?
(A)單一切換至連續模 式為動作中有效(B)連續切換至單一模式為動作中無效(C)單一切換至連續模式為動作中無效(D)連續切換至單 一模式為動作中有效。
複選題
136. 如下圖所示,管路阻力忽略不計,在溢流閥設定壓力 50 kgf/cm
2
、額定流量 20 l/min 時,止回閥 A、B 開啟壓 力分別為 3、2 kgf/cm
2
,阻尼管 C 壓降為 5 kgf/cm2,下列敘述哪些正確?
(A)P
1
壓力為 50(B)P
2
壓力為 7(C)P
1
壓力 為 10(D)P
2
壓力為 5 kgf/cm
2
。
複選題
137. 如下圖所示,管路阻力忽略不計,在溢流閥設定壓力 50 kgf/cm
2
、額定流量 20 l/min 時,止回閥 A、B 開啟壓 力分別為 3、2 kgf/cm
2
,阻尼管 C 壓降為 5 kgf/cm
2
,下列敘述哪些正確?
(A)P
3
壓力為 5(B)P
4
壓力為 0(C)P
3
壓力 為 7(D)P
4
壓力為 5 kgf/cm
2
。
複選題
138. 如下圖所示,管路阻力忽略不計,在溢流閥設定壓力 50 kgf/cm2、額定流量 20 l/min 時,止回閥 A、B 開啟壓 力分別為 3、2 kgf/cm
2
,阻尼管 C 壓降為 5 kgf/cm
2
,若泵浦吐出量不足 20 l/min 但接近時,下列敘述哪些正確?
(A)P
1
壓力接近 10(B)P
2
壓力接近 5(C)P
2
壓力接近 7(D)P
1
壓力接近 50 kgf/cm
2
。
複選題
139. 如下圖所示,管路阻力忽略不計,在溢流閥設定壓力 50 kgf/cm
2
、額定流量 20 l/min 時,止回閥 A、B 開啟壓 力分別為 3、2 kgf/cm
2
,阻尼管 C 壓降為 5 kgf/cm
2
,若泵浦吐出量不足 20 l/min 但接近時,下列敘述哪些正確?
(A)P
3
壓力接近 7(B)P
4
壓力接近 5(C)P
3
壓力接近 5(D)P
4
壓力為 0 kgf/cm
2
。
複選題
140. 如下圖所示,管路阻力忽略不計,在溢流閥設定壓力 50 kgf/cm
2
、額定流量 20 l/min 時,止回閥 A、B 開啟壓 力分別為 3、2 kgf/cm
2
,阻尼管 C 壓降為 5 kgf/cm
2
,下列敘述哪些正確?
(A)P
1
壓力為 50(B)P
2
壓力為 5(C)P
2
壓力 為 7(D)P
1
壓力為 7 kgf/cm
2
。
複選題
141. 如下圖所示,管路阻力忽略不計,在溢流閥設定壓力 50 kgf/cm
2
、額定流量 20 l/min 時,止回閥 A、B 開啟壓 力分別為 3、2 kgf/cm
2
,阻尼管 C 壓降為 5 kgf/cm
2
,下列敘述哪些正確?
(A)P
3
壓力為 7(B)P
3
壓力為 5(C)P
4
壓力 為 0(D)P
4
壓力為 5 kgf/cm
2
。
複選題
142. 如下圖所示,管路阻力忽略不計,在溢流閥設定壓力 50 kgf/cm
2
、額定流量 20 l/min 時,止回閥 A、B 開啟壓 力分別為 3、2 kgf/cm
2
,阻尼管 C 壓降為 5 kgf/cm
2
,若泵浦吐出量不足 20 l/min 但接近時,下列敘述哪些正確?
(A)P
1
壓力為 7(B)P
2
壓力為 7(C)P
1
壓力為 50(D)P
2
壓力為 5 kgf/cm
2
。
複選題
143. 如下圖所示,管路阻力忽略不計,在溢流閥設定壓力 50 kgf/cm
2
、額定流量 20 l/min 時,止回閥 A、B 開啟壓 力分別為 3、2 kgf/cm
2
,阻尼管 C 壓降為 5 kgf/cm
2
,若泵浦吐出量不足 20 l/min 但接近時,下列敘述哪些正確?
(A)P
3
壓力接近 7(B)P
3
壓力接近 5(C)P
4
壓力接近 5(D)P
4
壓力為 0 kgf/cm
2
。
複選題
144. 油壓馬達每轉容量 q=30 cc/rev、轉速 n=1200 rpm、入口壓力 P
1
=130 kgf/cm
2
、出口壓力 P
2
=10 kgf/cm
2
、馬達的 機械效率η
m
=0.95、容積效率 η
v
=0.92,下列敘述哪些正確?(A)驅動油壓馬達的有效壓力為 120 kgf/cm
2
(B)驅動 油壓馬達的有效壓力為 130 kgf/cm
2
(C)輸出軸之扭矩為 544.6 kgf-cm(D)輸出軸之扭矩為 527.4 kgf-cm。
複選題
145. 如下圖所示,有一組油壓系統供應泵浦,如 C 元件輸出流量 5 l/min、D 元件輸出流量 30 l/min、A 閥件設定 壓力 100 kgf/cm
2
、B 閥件設定壓力 20 kgf/cm
2
,用來驅動一支鑽孔油壓缸(ψ63×30×200)使其有一半行程為快速 移動、另一半慢速移動,下列敘述哪些正確?
(A)A 為溢流閥(B)B 為卸載閥(C)快速移動流量為 30 l/min(D)快速 移動流量為 35 l/min。
複選題
146. 如下圖所示,有一組油壓系統供應泵浦,如 C 元件輸出流量 5 l/min、D 元件輸出流量 30 l/min、A 閥件設定 壓力 100 kgf/cm
2
、B 閥件設定壓力 20 kgf/cm
2
,用來驅動一支鑽孔油壓缸(ψ63×30×200)使其有一半行程為快速 移動、另一半慢速移動,下列敘述哪些正確?
(A)A 閥件係控制系統最高壓力(B)B 閥件設定壓力需稍低於快速 移動時之壓力(C)慢速移動流量為 5 l/min(D)慢速移動流量為 30 l/min。
複選題
147. 如下圖所示,有一組油壓系統供應泵浦,如 C 元件輸出流量 5 l/min、D 元件輸出流量 30 l/min、A 閥件設定 壓力 100 kgf/cm
2
、B 閥件設定壓力 20 kgf/cm
2
,用來驅動一支鑽孔油壓缸(ψ63×30×200)使其有一半行程為快速 移動、另一半慢速移動,有關 E 元件下列敘述哪些正確?
(A)係控制左側 C 元件輸出之壓油可至右側,反向 則否(B)係控制右側 D 元件輸出之壓油可至左側,反向則否(C)順向開啟壓力(cracking pressure)為 0.5 kgf/cm
2
以 下(D)當卸載時,用於分隔高壓區與低壓區。
複選題
148. 如下圖所示,有一組油壓系統供應泵浦,如 C 元件輸出流量 5 l/min、D 元件輸出流量 30 l/min、A 閥件設定 壓力 100 kgf/cm
2
、B 閥件設定壓力 20 kgf/cm
2
,用來驅動一支鑽孔油壓缸(ψ63×30×200)使其有一半行程為快速 移動、另一半慢速移動,在鑽削行程下列敘述哪些正確?
(A)快速移動速度為 11.23(B)快速移動速度為 14.53(C) 慢速移動速度為 1.60(D)慢速移動速度為 2.08 m/min。
複選題
149. 有一單桿雙動氣壓缸在摩擦係數為 0.15 的水平面移動 100 kgf 的物體,移動的距離為 300 mm,移動時間為 1 秒,1 分鐘做 20 次循環,工作壓力為 6 kgf/cm
2
。若以 30﹪與 70﹪的移動時間做等加速度與等速度(如下圖所 示),下列敘述哪些正確?
(A)最大速度:35.3 cm/sec(B)最大速度:33.3 cm/sec(C)最大加速度:117.6 cm/sec
2
(D)最 大加速度:166.7cm/sec
2
。
複選題
150. 有一單桿雙動氣壓缸在摩擦係數為 0.15 的水平面移動 100 kgf 的物體,移動的距離為 300 mm,移動時間為 1 秒,1 分鐘做 20 次循環,工作壓力為 6 kgf/cm
2
。若以 20﹪與 80﹪的移動時間做等加速度與等速度(如下圖所 示),下列敘述哪些正確?
(A)最大速度:35.3 cm/sec(B)最大速度:33.3 cm/sec(C)最大加速度:117.6 cm/sec
2
(D)最 大加速度:166.7 cm/sec
2
。
複選題
151. 有一單桿雙動氣壓缸在摩擦係數為 0.15 的水平面移動 100 kgf 的物體,移動的距離為 300 mm,移動時間為 1 秒,1 分鐘做 20 次循環,工作壓力為 6 kgf/cm
2
。若以 30﹪與 70﹪的移動時間做等加速度與等速度(如下圖所 示),下列敘述哪些正確?
(A)最大負載:27 kgf(B)行程末端的衝擊能量:63.6 kgf-cm(C)最大負載:32 kgf(D)行程 末端的衝擊能量:56.7 kgf-cm。
複選題
152. 有一單桿雙動氣壓缸在摩擦係數為 0.15 的水平面移動 100 kgf 的物體,移動的距離為 300 mm,移動時間為 1 秒,1 分鐘做 20 次循環,工作壓力為 6 kgf/cm
2
。若以 20﹪與 80﹪的移動時間做等加速度與等速度(如下圖所 示),下列敘述哪些正確?
(A)最大負載:27 kgf(B)行程末端的衝擊能量:63.6 kgf-cm(C)最大負載:32 kgf(D)行程 末端的衝擊能量:56.7 kgf-cm。
複選題
153. 有一單桿雙動氣壓缸在摩擦係數為 0.15 的水平面移動 100 kgf 的物體,移動的距離為 300 mm,移動時間為 1 秒,1 分鐘做 20 次循環,工作壓力為 6 kgf/cm
2
、負荷率為 70﹪。若以 30﹪與 70﹪的移動時間做等加速度與 等速度(如下圖所示)。下列敘述哪些正確?
(A)氣壓缸之理論出力:38.6 kgf(B)氣壓缸之理論出力:64 kgf(C)氣 壓缸選用 ψ40(D)氣壓缸選用 ψ32。
複選題
154. 有一單桿雙動氣壓缸在摩擦係數為 0.15 的水平面移動 100 kgf 的物體,移動的距離為 200 mm,移動時間為 1 秒,1 分鐘做 15 次循環,工作壓力為 6 kgf/cm
2
、負荷率為 50﹪。若以 20﹪與 80﹪的移動時間做等加速度與 等速度(如下圖所示)。下列敘述哪些正確?
(A)氣壓缸之理論出力:38.6 kgf(B)氣壓缸之理論出力:64 kgf(C)氣 37 壓缸選用 ψ40(D)氣壓缸選用 ψ32。
複選題
155. 有一支氣壓缸上標示 FBψ63×20×350 之記號,下列敘述哪些正確?(A)前法蘭(flange)方式安裝(B)氣壓缸缸徑: 63 mm(C)活塞桿桿徑:20 mm(D)行程長度:350 mm。
複選題
156. 有關真空吸盤吸取工件,下列敘述哪些正確?(A)真空度愈高,則吸力愈弱(B)真空吸盤面積愈大,則吸力愈強 (C)吸入流量愈大,則吸取時間愈短(D)工件表面愈粗糙,則愈容易吸取。
複選題
157. 在真空吸盤與真空產生器之間,加裝過濾器之作用,下列敘述哪些正確?(A)防止異物進入(B)提高真空吸力(C) 避免真空產生器被阻塞(D)縮短真空消失時間。
複選題
158. 在真空系統中使用真空破壞設備,下列敘述哪些正確?(A)防止異物進入(B)加快真空壓力消失速度(C)避免真空 產生器被阻塞(D)縮短輕型物件吸放時間。
複選題
159. 在氣壓迴路上安裝流量控制閥時,應注意下列哪些事項?(A)流量控制閥的方向(B)周遭溫度(C)上下游閥門的對 接口(D)工作方便。
複選題
160. 用一個中位加壓型 5/3 閥來控制何種氣壓缸,可得較佳的中間定位效果?
複選題
161.
如左圖每次快速壓放啟動閥 st 一次後,與下列哪些功能相同?
複選題
162. 有關油箱的功能,下列敘述哪些正確?(A)儲存系統的壓油(B)作為油壓泵、電動機的固定座(C)做為壓油清潔、 散熱之用(D)油箱越大,動力越大。
複選題
163. 有關油泵之容積效率,下列敘述哪些錯誤?(A)系統壓力越高,容積效率越高(B)相同油泵吐出量越大,容積效 率越高(C)油泵使用時間越長,容積效率越高(D)油溫越高,容積效率越高。
複選題
164. 液壓系統中,下列哪些是發生致動器速度降低現象的主要因素?(A)液壓泵的容積效率降低(B)致動器配管內混 入少量空氣(C)致動器出力不足(D)調速閥不良。
複選題
165. 為增快油壓缸之活塞速度,可使用下列哪些迴路?(A)預充(B)蓄壓(C)增壓(D)高低壓複合泵。
複選題
166. 下列氣壓元件可在正負壓下操作且功能正常的為
複選題
167. 如下圖為一台以油壓缸(φ150×100×5000)透過鋼索驅動之電梯(W=5000 kgf),若電梯箱上升移動速度為 6 m/mi n,下列敘述正確?
(A)油壓缸需要的移動速度為 3 m/min(B)油壓缸的出力約 10000 kgf(C)驅動油壓缸的壓油壓力 38 至少需 200 kgf/cm
2
(D)驅動油壓缸的壓油流量需 53 LPM。
複選題
168. 油壓蓄壓器的功用,下列敘述哪些正確?(A)可提高油壓缸的出力(B)可提高油壓缸的活塞速度(C)可減少系統的 油脈動(D)可作為系統緊急用油之需。
申論題 (0)