105年 - 17000 機電整合 乙級 工作項目 06:控制器的使用#41008
試卷資訊
所屬科目:技檢◆機電整合-乙級
選擇題 (100)
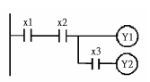
5. 如下圖所示 ALT(Alternate)為交換指令,當多次輸入信號 X0 ON-OFF 時,則 Y0 之內容為(A)常時 ON(B)常時 O FF(C)瞬時 ON(D)單次 ON 雙次 OFF。

32. 若有一控制器之 12bit 線性 DAC 模組,其輸出電壓範圍為 0V~+10V(0~FFFH),如欲輸出 2.5V 之電壓,其
命令值應為(A)10(B)250(C)1024(D)2048。
(B)
(C)
(D)
。


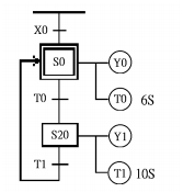
左圖符號表示(A)a 接點(B)上微分 a 接點(C)計時器 a 接點(D)計數器 a 接點。
(B)
(C)
(D)
。

(B)
(C)
(D)
。



(B)
(C)
(D)
。 
(B)
(C)
(D)
。 
(B)
(C)
(D)
。
(B)
(C)
(D)
。 
(B)
(C)
(D)
。 
(C)
(D)
。 
(B)
(C)
(D)
。
(B)
(C)
(D)
。 





‧y 經化簡後可得(A)x+y(B)x(C)y(D)
+y。
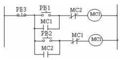
如左圖所示之繼電器電路,熱保護接點 TH-RY 未作動下,下列敘述哪些 正確?(A)只壓下 ON 鈕時電磁接觸器會作動(B)壓下 ON 鈕時 TH-RY 會作動(C)同時壓下 ON 鈕與 OFF 鈕時電 磁接觸器會作動(D)此迴路屬於重置優先電路。
如左圖所示之繼電器電路,熱保護接點 TH-RY 未作動下,下列敘述哪些 正確?(A)只壓下 ON 鈕時電磁接觸器會作動(B)壓下 OFF 鈕時電磁接觸器會停止作動或無法啟動(C)同時壓下 ON 鈕與 OFF 鈕時電磁接觸器會作動(D)此迴路屬於啟動優先電路。 
