阿摩線上測驗
登入
首頁
>
技檢◆飛機修護-乙級
> 105年 - 17600 飛機修護 乙級 工作項目 04:飛機電氣及儀表系統修護(1-100)#41610
105年 - 17600 飛機修護 乙級 工作項目 04:飛機電氣及儀表系統修護(1-100)#41610
科目:
技檢◆飛機修護-乙級 |
年份:
105年 |
選擇題數:
100 |
申論題數:
0
試卷資訊
所屬科目:
技檢◆飛機修護-乙級
選擇題 (100)
1. 下列何者不是煙探測器裝置之位置?(A)行李艙(B)發動機艙(C)電子艙處(D)貨艙廁所。
2. 裝置於飛機上之磁羅盤,最大允許的偏航誤差為(A)3(B)5(C)7(D)10 度。
3. 在飛機的通信系統中,提供了飛機與地面電台、飛機與飛機間短距離通話的系統為(A)VHF(B)HF(C)UHF(D)RF。
4. 在飛機的通信系統中,提供了飛機與地面電台、飛機與飛機間遠距離通話的系統為(A)VHF(B)HF(C)UHF(D)RF。
5. 相同的指示空速,分別在 10,000 呎及 20,000 呎不同的高度,那個高度的真空速較大?(A)10,000 呎(B)20,000 18 呎(C)都一樣(D)不一定。
6. 測試 ATC 系統時,必須注意的事項為(A)不許使用緊急碼(B)不須與航管通話(C)須注意垂直速率表的附近飛 機狀況(D)氣象雷達傾斜角度。
7. 那裡可檢查到飛航紀錄器之水下定位信標器電池的有效日期?(A)電源插座邊(B)紀錄器名牌(C)紀錄器底部 (D)圓筒狀的外殼上標示。
8. 無線電導航系統執行地面測試時,那一個不為指示狀態?(A)故障旗號(B)無電腦信號(C)無電源(D)正常的測試 數據。
9. 動靜壓管更換後,那些工作項目不須執行測試?(A)動靜壓系統試漏檢驗(B)動靜壓管加溫電路測試(C)無線電 高度測試(D)動靜壓系統功能測試。
10. 執行備用磁羅盤維護工作時,下列敘述何者正確?(A)不需注意慣性導航方向(B)使用無磁性的工具,且不使 用鋼材螺絲來固定羅盤(C)斷電後即可拔除電氣接頭(D)不須校羅盤。
11. CAS 和 TAS 最主要的差異為何?(A)空氣密度(B)空氣體積(C)空氣特性(D)空氣組成成分。
12. 那一類型儀表,可用來測量極高的電阻值?(A)三用電表(B)高電壓表(C)高電容表(D)高電阻測量表。
13. 如何改善羅盤因電器金屬等影響所產生的磁差?(A)羅盤四周用鉛隔離(B)羅盤外表用金屬(C)將羅盤牢固於 儀表板上(D)地面實施羅盤校正。
14. 磁羅盤有那三種差誤(A)磁差、磁滯、羅差(B)羅差、讀數差、磁差(C)加速差、羅差、磁差(D)加速差、北轉差、 讀數差。
15. 下列何者不使用光電式煙霧探測器探測?(A)貨艙(B)電子艙(C)廁所(D)廚房。
16. EICAS 的基本組成部件有(A)EICAS 電腦、顯示選擇板、維護板、上/下顯示幕(B)EICAS 電腦、上/下顯示 幕、顯示選擇板、音響警告元件(C)EICAS 電腦、顯示選擇板、上/下顯示幕、飛行資料獲取部件(D)EICAS 符號發生器、上/下顯示幕、顯示選擇板、飛行資料獲取系統。
17. 動靜壓管裝設之位置非常重要,應位於(A)使駕駛員容易看到之處(B)不受螺旋槳或飛機其他部位氣流之處(C) 其空氣壓力應與座艙壓力相等(D)其方向應與機翼平行。
18. 分佈器壓力表指示(A)進氣系內之絕對壓力值(B)進氣系內之相對壓力值(C)存於各氣管內平衡之情況(D)進氣 系內燃油和空氣量之差。
19. 羅盤需經常校正,其作用在測定何項誤差?(A)磁差(B)接觸(C)羅差(D)磁滯。
20. 基本航空儀表有 T 型配置概念,今以空速表為 A,姿態儀為 B,高度表為 C,航向指示為 D,請問如何配 置?(A)A 右 B 下 C 左 D 中(B)A 左 B 下 C 右 D 中(C)A 左 B 中 C 右 D 下(D)A 右 B 中 C 左 D 下。
21. 某飛機之飛行高度指示為 10,000 呎,若進入低壓區而未重新撥定高度表,則實際高度應(A)高於 10,000 呎(B) 低於 10,000 呎(C)仍為 10,000 呎(D)隨溫度之不同而改變。
22. 駕駛員在座艙所讀的空速為(A)真空速(B)真地速(C)指示空速(D)指示地速。
23. 下列何項儀表為動壓與靜壓共同作用?(A)高度表(B)空速表(C)人工地平儀(D)升降速度表。
24. 一飛機在 20000 呎高飛行,其座艙壓力為 11000 呎,此時,其靜壓管在駕駛艙內某處破裂,該機高度表此 時讀數約為(A)20000 呎(B)17000 呎(C)11000 呎(D)0 呎。
25. 當一架停於地面上之飛機,高度表設定為 29.92 吋水銀柱,其高度表讀數之意為(A)氣壓高度(B)密度高度(C) 機場高度(D)絕對高度。
26. 無線電高度表之讀數是由何種方式取得?(A)向地面發射電波,測定反射波回來的時間而得知的高度(B)接收 地面電台所發射之電波而測知的高度(C)利用與地面電台答詣而得知之高度(D)經大氣資料計算機(ADC)所計 算出來的高度。
27. 在電子飛行儀器系統(EFIS)中,信號產生器(SG)其主要功能為(A)將信號轉換成數字元號來顯示(B)提供飛行 員在實際飛行中所需要之資訊(C)接收與處理由其他航空電子系統傳來的信號,並顯示在螢幕上(D)接收氣象 雷達之信號,並將其轉換成圖型顯示於螢幕上。
28. 慣性導航系統無法提供那些資料?(A)姿態(B)航向(C)航跡(D)指示空速。
29. 啟動慣性導航系統最主要要輸入什麼資料才能完成啟動?(A)姿態(B)航向(C)航跡(D)目前位置。
30. 在航空通信系統中,VHF 的頻率範圍是(A)118.00MHZ~135.975MHZ(B)108.00MHZ~117.95MHZ(C)121.00MHZ 19 ~130.00MHZ(D)128.00MHZ~147.95MHZ。
31. 高頻通信系統所使用之頻率範圍為(A)2~30MHZ(B)30~300MHZ(C)300~3000 MHZ(D)2~30 KHZ。
32. 高頻通信系統是使用何種無線電調變方式?(A)FM 及 SSB(B)AM 或 SSB(C)微波(D)短波。
33. 在高頻通信系統系統控制台上〝RF SENSE〞之功能為用來調整(A)天線(B)耦合器(C)控制台(D)接收器 之訊號 靈敏度。
34. 在比例式自動駕駛儀中,舵回路用的主回饋信號是(A)舵位置回饋信號(B)舵速率回饋信號(C)彈性回饋信號(D) 均衡回饋信號。
35. 下列何者屬於測量儀表?(A)轉速表(B)自動駕駛儀(C)自動領航儀(D)航空時鐘。
36. 下列何者屬於飛行儀表?(A)高度表(B)轉速表(C)座艙溫度表(D)氧氣儀表。
37. 電器設備的導線頭上有三種顏色導線,其中(A)紅色線是地線(B)藍色線是地線(C)黑色線是地線(D)白色線是地 線。
38. 緊急照明的電源是由下列何者提供?(A)飛機直流電匯電板(B)飛機交流電匯電板(C)飛機電瓶或自備小型電 源供應器(D)自備小型電源供應器和飛機直流電匯電板。
39. 電容式油量表的電容器,其電容值與油面高度之間的關係是(A)油面增高,電容量不變(B)油面增高,電容量 增大(C)油面增高,電容量減小(D)油面與電容值之間沒有對應關係。
40. 電流表法測量液壓系統內漏的理論依據為(A)內漏導致的電動泵輸入功率的增量等於電壓與電流的乘積(B) 內漏導致的電動泵輸入功率等於電壓與電流的乘積(C)內漏導致的電動泵輸入功率的增量等於電壓與電流 增量的乘積(D)內漏導致的電動泵輸入功率等於電壓與電流增量的乘積。
41. EICAS 維護控制板使用時機(A)只能在地面使用(B)只能在空中使用(C)空中地面都使用(D)空中地面都不使用。
42. EICAS 維護控制板的功用為(A)顯示選擇板編輯參數(B)選擇維護頁顯示及事件資料調出、刪除、記錄控制(C) 人工輸入維護資料及故障資訊(D)控制與其他系統通訊,以接收維護資料。
43. 飛機電阻式火警探測系統中在進行火警試驗時,係模擬(A)電阻式火警感溫線電阻值變小的訊號(B)電阻式火 警感溫線電阻值變大的訊號(C)電阻式火警感溫線電容值變大的訊號(D)電阻式火警感溫線電容值變小的訊 號。
44. 變速變頻交流發電系統最適合安裝在(A)活塞式發動機(B)渦輪螺旋槳發動機(C)渦輪噴氣發動機(D)活塞式發 動機和渦輪噴氣發動機。
45. 能夠精確指示發動機燃油消耗量的儀表是(A)燃油流量表(B)燃油油量表(C)燃油壓力表(D)燃油溫度表。
46. 艙壓高度表係指示(A)飛機無線電高度(B)機艙內壓力對照地面氣壓之相對高度(C)飛機離場時之高度(D)機艙 外壓力之氣壓高度。
47. 在現代航空器上,下列何種裝備用來監控飛行參數,並執行自動駕駛之功能?(A)飛行管理電腦(FMC)(B)電 子飛行儀器系統(EFIS)(C)控制顯示單元(CDU)(D)詢答機(TRANSPONDER)。
48. 無線電(雷達)高度表所指示的高度是(A)氣壓高度(B)平面高度(C)與地面相對高度(D)地面無線電台高度。
49. 空速表係指示(A)空氣動壓與靜壓之差(B)海平面標準氣壓與飛機周圍空氣壓力差(C)空氣壓力與海平面標準 氣壓差(D)標準大氣壓力與絕對壓力差。
50. 下列何者可表示噴射發動機之推力?(A)N2 轉速表(B)空速表(C)EPR(發動機壓縮比表)(D)爬昇速率表。
51. 下列何者係採用陀螺原理作用?(A)汽油壓力表,滑油壓力表,液壓壓力表(B)空速表,高度表,昇降速度表 (C)人工地平儀,方向儀,轉彎傾斜儀(D)轉速表,汽缸溫度表。
52. 顯示飛機是否為水平狀態飛行的儀器為(A)垂直高度表(B)垂直速率表(C)姿態儀(D)空速表。
53.
左圖為何種元件之符號?(A)二極體(B)電晶體(C)電阻器(D)電感器。
54.
左圖為(A)電感器(B)電阻器(C)電晶體(D)電容器。
55. 量測電路中的電壓,須使用(A)安培計(B)伏特計(C)歐姆計(D)功率計。
56. 量測電路中的電阻,須使用(A)安培計(B)伏特計(C)歐姆計(D)功率計。
57. 有 1 個電瓶額定電壓為 24V,若輸出 5A 電流,則其輸出功率為(A)100W(B)120W(C)15W(D)200W。 20
58. 當溫度升高,而其它狀況不改變情況下,金屬的電阻值將(A)愈大(B)愈小(C)不變(D)不一定。
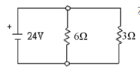
59.
左圖 2Ω 電壓降為(A)1V(B)2V(C)3V(D)4V。
60.
左圖流經 3Ω 之電流為(A)4A(B)8A(C)12A(D)16A。
61. 若要對額定 24V 的電瓶充電,其充電電壓可為(A)24V(B)28V(C)42V(D)80V。
62. 可以指示出地形與飛機之垂直距離是(A)測距儀(B)氣壓高度表(C)無線電(雷達)高度表(D)空速表。
63. 發動機尾管排氣溫度指示器,是利用何種原理製成?(A)熱電耦(B)靜電(C)電磁(D)石英振盪。
64. 座艙內空速表為(A)真空速(B)真地速(C)指示空速(D)指示地速。
65. 儀降系統中之航向信標定位器(LOCALIZER),其主要功能為(A)設定飛機在適當的下滑角度(B)指示飛機與跑 道末端之距離(C)使飛機對準跑道的中心線(D)自動向塔台報告飛機之高度。
66. 下列何者不屬於飛航儀表?(A)空速指示儀(B)高度表(C)扭力表(D)姿態儀。
67. 下列何者可以做為整流元件?(A)電晶體(B)電容(C)二極體(D)電阻。
68. 兩電池互相串接在電路裡可以增加(A)電流(B)電壓(C)電阻(D)電容。
69. 火警開關及緊急系統操作活門(VALVE)只可用(A)0.045(B)0.041(C)0.032(D)0.020 英吋的銅絲保險。
70. 熱電偶通常是插或裝在(A)發動機的前排氣缸(B)發動機的後排氣缸(C)發動機最熱的氣缸(D)發動機最冷的氣 缸。
71. 使用於大部分的渦輪發動機的點火系統是什麼型式?(A)高電阻式(B)低電壓式(C)磁電機(D)高能量電容放電 式。
72. 電容放電式的點火系統幾乎廣用在渦輪發動機上,主要原因為它的高電壓和(A)壽命長(B)極高熱度(C)高電阻 (D)低安培數。
73. 為什麼渦輪發動機的點火系統需要高能量?(A)因為應用的電壓是大得非常多(B)因為應用的電壓是小得非 常多(C)以點燃在高空和極低溫情況下的燃油和空氣混合氣(D)以點燃在高空和高溫情況下的燃油和空氣混 合氣。
74. 為什麼渦渦輪發動機的點火器比往復式發動機的點火塞較少受到污積(A)高強度的火花以極度高熱清潔了 點火器的點火間隙(B)點火器的點火頻率較少(C)渦輪發動機的點火器操作在較低的溫度(D)渦輪發動機燃油 不含點火污穢物。
75. 何謂真空速?(A)指示空速經儀器裝置誤差之修正,壓縮性誤差修正,溫度及氣壓之修正後,所得之空速(B) 將修正空速經溫度及氣壓修正後之空速(C)將指示空速經溫度及氣壓修正後之空速(D)將相等空速經壓縮性 誤差修正後之空速。
76. 何謂高度表撥定值?(A)經地面氣壓修正後之海平面氣壓,以水銀柱若干吋表示之(B)經海平面氣壓修正後之 海平面氣壓,以水銀柱若干吋表示之(C)未經修正之地面氣壓(D)真正之場面氣壓,以水銀柱若干吋表示之。
77. 空速指示儀乃計量下列那兩者間之差(A)飛機四周氣壓與內部氣壓之差(B)撞及在靜壓管前緣之空氣動壓及 飛機內部之靜壓間之差(C)動壓與靜壓差(D)空速與地速之差。
78. 鎳鎘電池每一單電池內電解液之比重應為(A)1.100-1.150(B)1.150-1.175(C)1.200-1.250(D)1.275-1.300。
79. 重負荷導線與大匯電板,用何法接牢於接線樁上?(A)燒焊(B)螺帽及墊圈(C)錫焊(D)鋼保險絲。
80. 下列何種儀表,其指示僅依靜壓提供?(A)高度表,昇降速率表,空速表(B)空速表高度表,轉彎傾斜儀(C)高 度表,昇降速率表(D)所有陀螺儀表。
81. 羅差為何者之差?(A)真航向與羅向(B)磁向與羅向(C)磁北與羅北(D)真北與磁北。
82. 滑油壓力表管路內若有氣泡將會導致(A)指示低(B)指示高(C)指示緩慢(D)指示擺動。
83. 交流發電機並聯時,應注意之三個主要因素為(A)頻率、電壓及相位(B)頻率、電壓及電流(C)電壓、電流及相 位(D)頻率、電流及相位。
84. 磁北與羅北間之夾角稱為(A)磁向(B)羅向(C)磁差(D)羅差。
85. 由儀表板上直接看出飛機速度稱之為(A)終端地速(B)對地速度(C)指示空速(D)真空速。
86. 轉彎傾斜儀屬於何種儀表?(A)飛行儀表(B)航行儀表(C)發動機儀表(D)雜類儀表。
87. 測量電容量使用(A)伏特計(B)安培計(C)歐姆計(D)微法拉計。
88. 一個 24 安培小時電瓶,若每小時用電 6 安培,可用多久?(A)144 小時(B)4 小時(C)24 小時(D)1440 小時。
89. 下列何者可用來控制發電機最大安全輸出?(A)調速繼電器(B)反流割斷器(C)電流限制器(CURRENT LIMITE R)(D)壓力調節器。
90. 下列何儀表應用包端管(Bourdon tube)原理?(A)高度表(B)轉速表(C)液壓壓力表(D)燃油流量表。
91. 檢查電路是否搭鐵,可使用下列何種儀器?(A)電流表(B)電壓表(C)歐姆表(D)微法拉表。
92. 下列何者係採用陀螺原理作用?(A)汽油壓力表,滑油壓力表,液壓壓力表(B)空速表,高度表,昇降速度表 (C)人工地平儀,方向儀,轉彎傾斜儀(D)轉速表,汽缸溫度表,分佈汽壓力表。
93. 昇降速率表測量下列何者之差?(A)座艙溫度與機外溫度(B)彈簧負荷壓力與標準大氣壓力(C)膜盒內之氣壓 與儀器周圍之氣壓(D)由文氏管產生之真空與彈簧負荷壓力。
94. 導體與絕緣體之區別為(A)兩者皆有自由電子(B)兩者皆無自由電子(C)導體無自由電子,而絕緣體則有(D)導體 有自由電子,而絕緣體則無。 複選題:
複選題
95. 下列何者為三相交流電的產生要素?(A)獨立三組相同線圈(B)相位差為 120°(C)線電壓等於相電壓(D)感應電 勢。
複選題
96. 三相星形連接之線電壓為 200 V,其相電壓應不為下列哪些?(A)67V(B)117V(C)346V(D)500 V。
複選題
97. 導線中載有 3 安培穩定電流,在 2 分鐘期間內,通過該導線橫截面積的電量,下列何者為非?(A)6C(B)40C (C)300C(D)180C。
複選題
98. 下列何者不是電壓伏特數的定義?(A)每庫倫多少焦耳(B)每庫倫多少瓦特(C)每瓦特多少歐姆(D)每分鐘多少 馬力。
複選題
99. 交流發電機其激磁場由轉子產生,電流則由固定端點輸出,該輸出端點不屬於下列那些部件?(A)定子(B)複 式繞組(C)轉子(D)電樞。
複選題
100. 下列關於 KVA 的定義,何者為非?(A)交流馬達之額定輸入量(B)交流發電機之額定輸出量(C)直流馬達之額 定量(D)直流發電機之額定輸出量。
申論題 (0)
相關試卷
114年 - 17600 飛機修護 乙級 工作項目 07:航空法規 51-78(2025/12/31 更新)#135983
114年 · #135983
114年 - 17600 飛機修護 乙級 工作項目 07:航空法規 1-50(2025/12/31 更新)#135982
114年 · #135982
114年 - 17600 飛機修護 乙級 工作項目 06:安全措施 1-18(2025/12/31 更新)#135981
114年 · #135981
114年 - 17600 飛機修護 乙級 工作項目 05:飛機檢查及文件查閱 1-15(2025/12/31 更新)#135980
114年 · #135980
114年 - 17600 飛機修護 乙級 工作項目 04:飛機電氣及儀表系統修護 101-134(2025/12/31 更新)#135979
114年 · #135979
114年 - 17600 飛機修護 乙級 工作項目 04:飛機電氣及儀表系統修護 51-100(2025/12/31 更新)#135978
114年 · #135978
114年 - 17600 飛機修護 乙級 工作項目 04:飛機電氣及儀表系統修護 1-50(2025/12/31 更新)#135977
114年 · #135977
114年 - 17600 飛機修護 乙級 工作項目 03:飛機渦輪發動機修護 101-164(2025/12/31 更新)#135976
114年 · #135976
114年 - 17600 飛機修護 乙級 工作項目 03:飛機渦輪發動機修護 51-100(2025/12/31 更新)#135975
114年 · #135975
114年 - 17600 飛機修護 乙級 工作項目 03:飛機渦輪發動機修護 1-50(2025/12/31 更新)#135974
114年 · #135974