所屬科目:技檢◆工業電子-丙級
11. 某一差動放大器具有差動增益 10000 V/V,共模增益 0.01 V/V,則其共模互斥比(common-mode rejection ratio; CMRR)為多少 dB? (A)120 dB (B)100 dB (C)80 dB (D)60 dB
12. 某個空乏型MOSFET 的\( I_{DSS} \) = 12 mA 且 \( V_{GS(off)} \) = –8V,則此元件是 N通道或是 P通道?而當\( V_{GS} \) = -4V時,\( I_D \)為何? (A)P 通道,6 mA (B)N 通道,6 mA (C)P 通道,3 mA (D)N 通道,3 mA
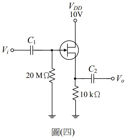
13. 如圖(四)所示的JFET 放大電路,為何種組態的放大器?
(A)差動放大 (B)共閘極 (C)共源極 (D)源極隨耦器
14. 互補式MOS (CMOS)通常用於? (A)類比電路 (B)數位電路 (C)功率放大電路 (D)射頻電路
15. 增強型MOSFET 當開關使用時,主要是利用其何種特性? (A)線性放大 (B)高阻抗 (C)高增益 (D)臨界電壓
16. 一運算放大器(OPA)輸入步階電壓時,輸出電壓在 0.5 μs 內由–10V 變化到+10V,則其轉動率(slew rate; SR)為何? (A)10 V/μs (B)20 V/μs (C)40 V/μs (D)80 V/μs
17. 一個由運算放大器(OPA)所組成的反相放大器,假設其增益設計在 – 6 V/V,且已知該電路之飽和輸出電壓為 13 V。若是不小心將 OPA之反相與非反相輸入端接反了,則該電路在輸入電壓為 1 V時,輸出電壓為何? (A)+ 6 V (B)– 6 V (C)+ 13 V (D)– 13 V
18. 某個放大器之下截止頻率為 1 kHz,上截止頻率為 20 kHz,則其頻寬為何? (A)1 kHz (B)19 kHz (C)20 kHz (D)21 kHz
19. 如圖(五)所示的運算放大電路,假設輸入\( V_i(t) = 10\sin(377t) \) V,則輸出\( V_o(t) \)的最大值\( V_{o(\max)} \)和最小值\( V_{o(\min)} \)分別為何?
(A)5.4 V,– 4 V (B)4.7 V,– 3.3 V (C)3.3 V,– 4.7 V (D)4 V,– 5.4 V
20. 由運算放大所組成的微分器,其輸出電壓正比於何? (A)輸入電壓振幅 (B)時間t (C)RC 時間常數的導數 (D)輸入電壓對時間的改變率
21. 如圖(六)所示之電阻串聯電路,求電流 I之值為何?
(A)0.5 mA (B)2.5 mA (C)3 mA (D)3.5 mA
22. 如圖(七)所示之電容串並聯電路,若 \( C_1 = C_2 = C_3 = 10 \) μF,求總電容量為何?
(A)6.67 μF (B)9.67 μF (C)20 μF (D)30 μF
23. 二個電容器之容量及額定電壓分別為 \( C_1 \) = 10 μF/100V,\( C_2 \) = 20 μF/120V,若將\( C_1 \)及\( C_2 \)並聯後,求可外加之最大電壓為何? (A)50 V (B)100 V (C)120 V (D)220 V
24. 如圖(八)所示之電感串並聯電路,求總電感量 \( L_T \) 為何?
(A)4.3 mH (B)5.3 mH (C)6.3 mH (D)7.3 mH
25. 一個10 mH 電感器在通過 5A電流時,電感器所儲存能量為何? (A)2.5 焦耳 (B)1.25 焦耳 (C)0.25 焦耳 (D)0.125 焦耳
26. 兩平行導體長度皆為 2 公尺,並相隔2公分,其中兩導體通過之電流分別為 10安培及20安培,電流的方向相同,求每一個導體所受之力為多少牛頓? (A)0.004 牛頓 (B)0.014 牛頓 (C)0.04 牛頓 (D)0.14 牛頓
27. 兩個電阻分別為\( R_1 \)及\( R_2 \),其中\( R_2 = 2R_1 \),\( R_1 \)與\( R_2 \)承受之最大功率皆為 2 W,若將\( R_1 \)與\( R_2 \)串聯後,所能承受之最大功率為何? (A)2 W (B)3 W (C)4 W (D)5 W
28. 如圖(九)所示電路,求 \( R_2 \) 所消耗之功率為何?
(A)80 W (B)60 W (C)40 W (D)20 W
29. 如圖(十)所示之電阻串並聯電路,若 I = 4 A,求\( V_{ab} \)之電壓為何?
(A)16 V (B)32 V (C)56 V (D)72 V
30. 如圖(十一)所示電路,求 \( I_1 \) 及\( I_2 \)之值為何?
(A)\( I_1 \) = 0.71 A、\( I_2 \) = 1.57 A (B)\( I_1 \) = 0.91 A、\( I_2 \) = 1.57 A (C)\( I_1 \) = 0.71 A、\( I_2 \) = 2.57 A (D)\( I_1 \) = 0.81 A、\( I_2 \) = 2.57 A
31. 如圖(十二)所示電路,求 I之電流值為何? (A)– 0.1 A (B)– 0.3 A (C)– 0.5 A (D)– 1 A
32. 如圖(十三)所示電路,當t = 0時開關撥至位置1,電容器\( C_1 \)充滿外加電壓30 V時,需多少時間?
(A)0.125 秒 (B)0.15 秒 (C)0.2 秒 (D)0.25 秒
33. 如圖(十三)所示電路,當電容器 \( C_1 \) 充滿外加電壓 30 V 時,將開關撥至位置 2 時,求\( I_{R2} \)之最大電流值為何?
(A)1 mA (B)2 mA (C)3 mA (D)4 mA
34. 如圖(十四)所示電路,當開關 S 接通瞬間,求 I之電流值為何?
(A)0.25 A (B)0.625 A (C)1 A (D)1.43 A
35. 如圖(十四) 所示電路,當開關 S接通後,電路達到穩態時之電流 I之值為何?
(A)1.43 A (B)1 A (C)0.5 A (D)0.25 A
36. 一電路之電壓及電流分別為 \( v(t) = 40\cos(\omega t + 30°) \),\( i(t) = 20\sin(\omega t + 60°) \),則下列敘述中何者正確? (A)電流領前電壓 30° (B)電流領前電壓 60° (C)電流落後電壓 30° (D)電流落後電壓60°
37. 若一個電感量為10 mH之電感連接至一電源 \( v(t) = 10\sin(400t) \),求其電感抗為何? (A)4 Ω (B)3 Ω (C)2 Ω (D)1 Ω
38. 一並聯RL 電路如圖(十五)所示,求總電流 I之值為何?
(A)3 A (B)4 A (C)5 A (D)6 A
39. 一個RLC 串聯電路,連接於一個交流電壓 \( v(t) = 100\sin(100t) \),其中 R = 10 Ω、L = 5 H,若為使得功率因數之值為 1,求電容器之值為何? (A)5 F (B)10 F (C)20 F (D)40 F
40. 一個RLC 並聯電路,連接於電源電壓為 40 V、R = 40 kΩ、L = 3 mH、C = 400 pF,試求此電路在諧振時之阻抗及總電流分別為何? (A)20 kΩ、0.25 mA (B)30 kΩ、0.5 mA (C)35 kΩ、1 mA (D)40 kΩ、1 mA
41. 試將\( (12345)_8 \)轉換為 16進位。 (A)14E5 (B)5349 (C)3039 (D)6B1A
42. 假設一部舊式電腦裝載有 128 MB記憶體,試問記憶位址暫存器須至少有多少 Bits才能滿足需求? (A)\( 2^{27} \) Bits (B)\( 2^{29} \) Bits (C)\( 2^{30} \) Bits (D)\( 2^{32} \) Bits
43. 試化簡XY+YZ+至最簡型式。 (A) (B) (C) (D)
44. 如圖(十六)所示之電路,試問等效於何種邏輯閘? (A)或閘 (B)反或閘 (C)互斥或閘 (D)互斥反或閘
45. 若欲設計一個三輸入 A、B、C 與一個輸出 Y 之表決系統,在表決時必須有兩票(兩輸入為1)以上才算表決通過(輸出為1),此時 LED發亮。試問下列何者邏輯電路可滿足需求? (A)(B)(C)(D)
46. 以8位元表示\( (-23)_{10} \)之二補數為何? (A)11101000 (B)11101001 (C)00010111 (D)00011000
47. 如圖(十七)所示之半加法器邏輯電路,其中 X 為被加數,Y為加數,S 為和,C 為進位輸出。試問虛線處應使用何種邏輯閘方能使電路正確工作? (A)XOR 閘 (B)NAND閘 (C)NOR 閘 (D)XNOR 閘