所屬科目:初等/五等/佐級◆基本電學大意
1 如圖所示電路,其中直流電流源為 1 安培,交流電壓源 v(t)=2sin 377 t 伏特,R1=R2=1 Ω,電阻 R1 所消耗的平均功率為多少瓦特? (A)0.5 (B)0.75 (C) 1 (D)1.5
4 如圖所示電阻電路,試求電流 IX為多少安培? (A)1 (B) 2 (C) 3 (D) 4
5 如圖所示電阻電路,求 I3:I2:I1為多少? (A)3:4:6 (B) 4:3:2 (C)2 :3:4 (D) 6:4:3
6 如圖所示,流過 1 Ω 電阻的電流 I 為 1 安培,則電阻 Rx為多少歐姆? (A)2 (B) 4 (C) 6 (D)9
11 如圖所示之電路,求電流 I 之值為何? (A)0.5 A (B)1 A (C) 1.5 A (D)2 A
12 如圖所示之電路,求電壓 v 之值約為何? (A)36.3 V (B) 30.6 V (C) 32. 6 V (D)35. 3 V
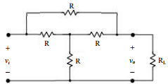
13 如圖所示之電路,如 vo/vi=0.5,求 RL與 R 之關係為何? (A)RL=R (B)RL=0.5 R (C)RL=1.5 R (D)RL=2 R
14 如圖所示,調整 RL使其功率達到最高。求此功率為何? (A)I 2 R/2 (B) I2 R (C) I2 RL (D)3I2 R
15 如圖所示,求 a、b 兩點之間的戴維寧等效電壓為何? (A)0.5 V (B)1 V 1. (C) 5 V (D)2 V
17 如圖所示電路,若電流 I=0,則電阻 R 之數值為多少 Ω? (A)2.5 (B) 5 (C) 2 (D)3
18 一根棒形導體,長度為 L,截面積為 A,自兩端測量其電阻,可以下式計算之: ,其中 ρ 稱 為: (A)導電係數 (B)電阻係數 (C)介質係數 (D)導磁係數
19 試求圖中 2 Ω 電阻兩端 a-b 點間之諾頓等效電阻為何? (A)3 Ω (B)6 Ω (C)9 Ω (D) 18 Ω
20 試計算下列電路 V2之值為何? (A)2 V (B) 12 V (C) 20 V (D) 30 V
21 如圖所示,從 a、b 兩端看進電路之等效電感量為 2 H,該兩電感器之互感量大小為多少亨利? (A)4 (B) 3 (C) 2 (D)1
22 如圖所示,a、b 兩端之等效電感量為 7 H,則電感器 L 之電感量為多少亨利? (A)2 (B) 3 (C) 6 (D)12
23 如圖所示電路,C1=C2=2 F,C3=1 F,試問電容器 C3的電荷為多少庫倫? (A)0.2 庫倫 (B) 0.4庫倫 (C) 0.8庫倫 (D)2 庫倫
24 四個平行板組成如圖所示之指叉型電容器,其中第一及第三極板並接一起,第二及第四極板並接一 起。其中第二極板面積為 ,其餘極板面積為 A,板距皆為 d,板間介質的介電係數皆為 ,試問此 電容器的電容量為何? (A) (B) (C) (D)
25 如圖所示電路,電容器 C1、C2、C3及 C4的帶電量分別為 Q1、Q2、Q3及 Q4,若 C1 :C2 :C3 :C4=1:2:3:4, 則 Q2/Q4的值為何? (A)1 (B)0.8 (C) 0.4 (D)0.2
26 如圖所示,有一長為 8 公分的條形磁鐵,其磁極強度為 200 單位磁極,試求在磁軸中垂線上,P 點處 之磁場強度為何? (A)3.2 奧斯特 (B) 4.8奧斯特 (C) 6.25奧斯特 (D) 8.84奧斯特
27 如圖所示之電路,在開關位置 1 時為穩態,若 t=0 時將開關移至位置 2,則當 t>0 時,求電壓 v(t)之 表示式為多少伏特? (A)5e-2000t (B)5(1-e-2000t) (C)10e-2000t (D)10(1-e-2000t)
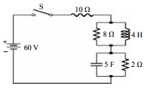
29 如圖所示,當電路中開關 S 閉合穩定後,流過 10 Ω 之電流 i 為多少?
(A)0 A (B)3 A (C)3.3 A (D)5 A
30 如圖所示,V=30 伏特,R1=10 Ω,R2=5 Ω,R3=10 Ω,C=20 mF,電容器無初始電壓,當開關 S 閉合後 0.2 秒時,電容器上之電壓為何?
(A)9.48 V (B)12.97 V (C)18.96 V (D)25.94 V
31 如圖所示兩週期性電壓波形之有效值相同,求 A 之值約為何? (A)100 伏特 (B) 122.5伏特(C) 141.4 伏特 (D) 173.2伏特
35 左圖為一 RC 並聯電路,右圖為同電路再串聯 R2 之 RC 串並聯電路。令其交流導納各為 Y1=1/ZT1=|Y1|∠θ1與Y2=1/ZT2=|Y2|∠θ2 ,且電流各為I1=|I1|∠θ11與I2=|I2|∠θI2,則下列敘述何者正確? (A)θI1>θI2 (B)|Y1|>|Y2| (C)θ1>θ2 (D)|I1|<|I2|
38 如圖所示的 RLC 串聯電路,其中 vS=5sin(105 t+30o )V,且已知 vC與 vL的振幅大小相等,則此振幅大 小值應為多少伏特? (A)5 (B) 25 (C)40 (D)50