所屬科目:技師◆結構設計
一、已知一鋼筋混凝土單筋矩形梁,試說明此梁之最小鋼筋比( )及平 衡鋼筋比( )有何意義?並請分別列出二者相應的公式。(20 分)
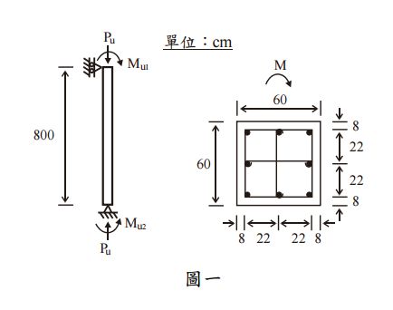
二、已知一淨高為 8 m 之無側移 RC 柱,斷面尺寸及柱筋配置如圖一所示, 柱斷面有 8 根 11 號鋼筋,每根鋼筋面積 AS 為 10.07 cm2, = 280 kgf/cm2、 = 4,200 kgf/cm2。此柱設計軸壓力 Pu 為 350 tf,柱頂之設計彎矩 Mu1 為 25 tf-m、柱底之設計彎矩 Mu2 為 50 tf-m,最大設計軸向靜載重與設計 軸力之比值βd 為 0.35,有效長度因數 k 為 1.0,迴轉半徑 r 為 0.3h,以上 h = 60 cm,為柱斷面尺寸。試判斷此 RC 柱為短柱還是細長柱?若為細 長柱,請以彎矩放大法求設計此柱時應該採用之放大彎矩 MC。(30 分)
三、依據 ASD 鋼結構設計規範,有一長度為 lB1 的鋼梁之梁曲線如圖二所 示。圖二中顯示曲線(I)及曲線(II),試問此二曲線間之差異性?lB1 對應至曲線(I)及曲線(II)之 Fb,分別為 A 點及 B 點,試問設計時 為何要選 A、B 中較大值?(10 分)
⑵檢核鋼柱(4)之安全性:(a)不考慮靠桿效應(K 取 2.0),(b)考慮靠桿 效應。(24 分)