所屬科目:大地工程基礎學科(一)
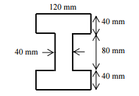
2 斷面如圖所示其形心為: (A)40 mm 100 mm (B)60 mm (C)80 mm (D)100 mm
5 由單拉試驗應力應變圖推算楊氏係數 E 為: (A)10 GPa (B)100 GPa σ MPa (C)150 GPa 200 (D)200 GPa
7 桿件受 T=300 N-m 扭力矩,斷面如圖所示,t=2 mm。求最大剪應力為: (A)24 MPa (B)32.6 MPa t(C)44.8 MPa 50 mm (D)55.8 MPa 50 mm
9 桿件斷面如圖所示,受軸向拉力 400 kN,軸向應力為: (A)31.25 MPa 120 mm (B)42.5 MPa (C)56.25 MPa 40 mm (D)57.5 MPa
10 軸力桿件受 20 kN 力如圖所示,斷面為圓形斷面,楊氏係數 E 為 200 GPa。桿件軸向變形量為: (A)1.33 mm (B)2.66 mm (C)5.67 mm (D)0.43 mm
11 桿件受 T=1.2 kN-m 扭力矩,r1=25 mm, r2=40 mm。求最大剪應力為: (A)3.5 MPa (B)7.2 MPa (C)14.1 MPa(D)28.2 MPa
12 簡支梁受力如圖所示最大彎矩為何? (A)12.33 MPa (B)33.33 MPa (C)42.67 MPa (D)54.67 MPa
14 垂直桿件受線性側向分布力如圖所示。斷面為圓形,直徑 100 mm,斷面最大彎矩應力為: (A)6.72 MPa(B)15.4 MPa (C)24.2 MPa (D)32.6 MPa
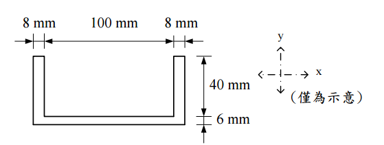
15 對稱斷面如圖,受彎矩 M=10 kN-m。斷面最大彎矩應力為: (A)6.4 MPa (B)10.4 MPa (C)21.3 MPa (D)32.4 MPa
16 撓曲桿件斷面如圖,x 為中性軸,距底部 76 mm,面積矩為 9.26×106 mm4。受剪力 V=40 kN,斷面最 大剪應力為: (A)4.4 MPa (B)8.6 MPa (C)12.5 MPa(D)16.4 MPa
17 矩形斷面寬 b 高 h 降伏應力 σ Y ,其初始降伏彎矩(yield moment)MY 為: (A) (B) (C) (D)
18 應力狀況如圖所示,最大正應力為何? (A)100 MPa (B)109.4 MPa (C)124.7 MPa(D)160 MPa
20 懸臂梁自由端受力位移如下 當受力於中點時自由端垂直位移為何? (A) (B) (C) (D)
22 桿件斷面如圖所示,t=5 mm,長度為 5 m,E=100 GPa,桿件之尤拉挫曲應力為: (A)10 MPa (B)20 MPa t (C)30 MPa (D)40 MPa
23 如圖所示之槽型鋼,通過斷面形心之水平軸(x)及垂直軸(y)之慣性矩分別標示為 Ix 及 Iy,試比較其 大小: (A)Ix > Iy (B)Ix = Iy (C)Ix < Iy (D)無法比較
24 某臨時支撐設施採用如圖(a)所示之 H 型鋼作為水平構件,經檢核發現該斷面之撓曲強度不足,因此 於上翼板上加銲一片蓋板,如圖(b)所示,原 H 型鋼之斷面積為 7.2×103 mm2,對水平形心軸之慣性 矩為 9.28×107 mm4,試問加銲蓋板後之斷面,其水平形心軸之位置變化為何? (A)向下移動 32.6 mm (B)向下移動 16.3 mm (C)向上移動 16.3 mm (D)向上移動 32.6 mm
25 計算如圖所示矩形鋼管之極慣性矩: (A)10.3×106 mm4 (B)9.03×106 mm4 (C)7.73×106 mm4 (D)5.16×106 mm4
26 圖示方形斷面之鑄鐵支承墊,邊長 150 mm,若其上支撐 20 kN 之水平載重,求通過斷面 A 之平均正 應力:(A)426 kPa (B)533 kPa (C)567 kPa (D)711 kPa
28 圖示之扁鋼,已知剪力模數為 75 GPa,斷面尺寸 10 mm × 200 mm(厚×寬),長度 1000 mm,一端固定, 一端自由,鋼板中央貼有兩片互相垂直之應變規,如圖所示。當自由端承載均勻分布載重 w=3×107 N/m2 時,應變規 A 之讀數為+150μ,則此時應變規 B 之讀數應為: (A) +45μ (B) +50μ (C) -45μ (D)-50μ
29 圖示均質且等斷面桿件,彈性模數為 200 GPa,斷面積 250 mm2,a 點固定,桿件中貼有三個應變規, 當 b、c、d 點分別承載軸向外力,如圖所示,試比較三個應變規 ε A 、 ε B 、 ε C 之讀數大小(絕對值): (A) εA > εB > εC (B) εA > εC > εB (C) εB > εA > εC(D) εB > εC > εA
31 圖示鋼桁架受外力作用,A 點為鉸支承,C 點為滾支承,鋼的彈性模數為 200 GPa,所有桿件斷面積 均為 900 mm2,桿件 AE 之斷面正應力為何? (A)9.25 MPa(拉應力) (B)9.25 MPa(壓應力) (C)6.94 MPa(拉應力) (D)6.94 MPa(壓應力)
33 某一承受軸向力之桿件,斷面為鋼與銅組成之方形斷面,A 端固定,B 端自由並覆蓋一片剛性板, 用以施加軸向力 P,如圖所示,鋼的彈性模數為 200 GPa,銅的彈性模數為 100 GPa,當 P = 20 kN 時,鋼與銅之壓應力比值(σ 鋼/σ 銅)為何? (A)0.5 (B)1.0 (C)2.0 (D)3.0
35 承受軸向力之等厚度桿件,桿件寬度由 w 變小為 h,如圖示,寬度變化處將產生應力集中現象,為 降低應力集中現象,於斷面變化處以圓角順接,圓角半徑為 r,有關應力集中現象,下列何者正確? (A)材料彈性係數 E 越大,應力集中效應越顯著 (B)圓角半徑 r 越大,應力集中效應越顯著 r (C)大小斷面寬度比值(w/h)越大,應力集中效應越顯著 (D)厚度 t 越大,應力集中效應越顯著
37 圖示承受外力之梁,A 點為固定支承,B 點為鉸接,C 點為滾支承,此梁中最大剪力值為何? (A)30 kN (B)25 kN (C)20 kN 10 kN (D)15 kN 10 kN/m
38 圖示承受外力之簡支梁,EI 為常數,梁中最大垂直向變位為何? (A)46.4/EI (B)56.4/EI (C)66.4/EI (D)76.4/EI
39 圖示柱與直接基礎構造,由上構傳遞至柱之力量,軸壓力 N = 20 kN,彎矩 M = 8 kN-m,假設直接基 礎為剛體,其下土壤承受之最大土壓力為何? (A)3.33 kPa (B)6.00 kPa (C)7.33 kPa (D)9.00 kPa
40 某一均質等斷面細長柱,長度 L,撓曲剛性 EI,兩端均為鉸接,柱中設有兩處側向支撐,如圖所示, 使鋼柱於側撐平面中發生不穩定撓曲變形之最小軸向力 P 為何? (A) (B) (C) (D)
一、下圖所示之梁受外力作用,請求出該梁在 B 與 C 點間的最大垂直變位 (Deflection) 值及其位置。AB 與 BC 跨的慣性矩分別為 I 與 2 I,E 為定值。(20 分)
二、某 T 形斷面懸臂梁受載重 P 作用如下圖(a)所示,其斷面及相關係數如下圖(b)所 示。若 P 力作用於自由端之 A 點,且與水平面夾 60 度角。試求支承位置梁腹底 端 B 點之主應力(principal stresses, σ1 and σ2)及最大剪應力(τmax)。(20 分)