所屬科目:電路學
二、如圖(二)之交流電路,試求 vo(t)=?(15 分)
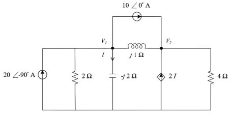
三、如圖(三),請以節點分析法(Nodal Analysis)列出節點電壓方程式, 計算 V1及 V2?(15 分)
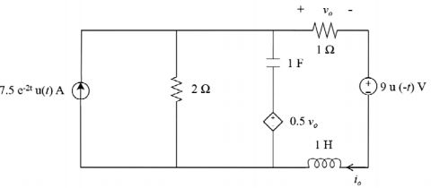
四、如圖(四),u(t)為單位步階函數,試以拉普拉斯轉換(Laplace Transform) 計算通過電感的電流 io(t > 0)=?(15 分)
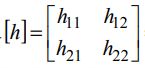
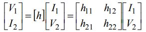
六、如圖(六)所示之雙埠電路,混合參數(Hybrid Parameter, h)矩陣定義為:,試求 ?(15 分)
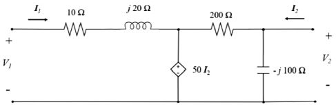
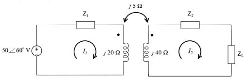
七、如圖(七)所示,已知 Z1 = 60 – j100 Ω、Z2 = 30 + j40 Ω 及 ZL = 80 + j60 Ω, 試求 I1 =?(10 分)