所屬科目:專科學力鑑定◆專(一):機電整合(實習)
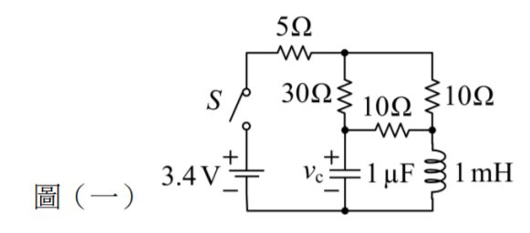
3. 如圖(一)所示之電路,當開關S閉合經過一段長時間,電路呈現穩態後,1 μF電容器上 的電壓vc 約為何? (A) 0.52V (B)1.34V (C) 2.22V (D) 3.40V
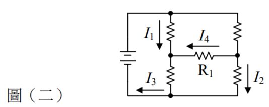
4. 如圖(二)所示之電路,若I1=4A,I2=2A,I3=5A,則I4為何? (A) 2A (B) – 2A (C) 1A (D) – 1A
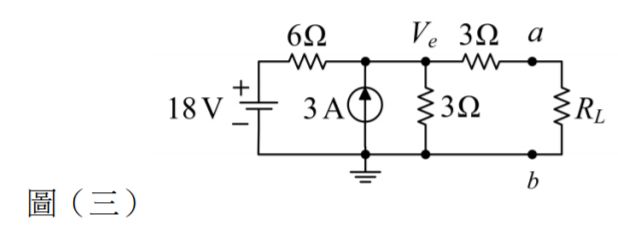
5. 如圖(三)所示之電路,由a、b兩端往左看入之諾頓等效電流約為多少安培? (A) 0.8 (B) 1.2 (C) 2.4 (D) 3.2
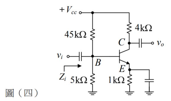
8. 如圖(四)所示之電路,BJT 之 β = 100 且工作於順向主動區,基極交流電阻 rπ = 1 k Ω (或 稱 β r’),則輸入阻抗Zi約為何? (A) 818Ω (B) 2246Ω (C) 3125Ω (D) 4500Ω
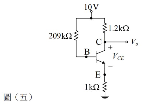
9. 如圖(五)所示之電路,若BJT之 β=100,基-射極電壓VBE =0.7V,則Vo約為多少伏特? (A) 3.6 (B) 4.5 (C) 5.5 (D) 6.4
11. 如圖(六)所示之運算放大器電路,稽納二極體(Zener diode)的稽納崩潰電壓為VZ=6.2V, 求在正常工作下的輸出電壓Vo為多少? (A) 3.1V (B) 6.2V(C)12.4V (D) 15V
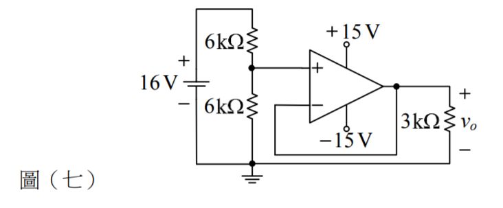
12. 如圖(七)所示之理想運算放大器電路,Vo值應為何? (A) 0V(B) 4V (C) 8V (D) 12V
13. 如圖(八) 所示理想運算放大器之應用電路,此電路之功能與加入RF電阻的主要作用分別 為何? (A) 積分電路、避免低頻雜訊的影響 (B) 積分電路、作為溫度補償使用 (C) 微分電路、避免低頻雜訊的影響 (D) 積分電路、避免高頻雜訊的影響
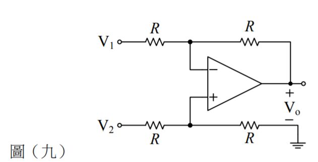
14. 如圖(九)所示之理想運算放大器電路,所有電阻值 R 皆相同,且 0 < R < ∞( 無限大 ) , 若V1=2V、V2=1V,則Vo為多少? (A) 1V (B) – 1V (C) 0V (D) 2V
15. 如圖(十)所示之濾波器應用電路,此電路為下列哪一類型的濾波器? (A) 低通濾波器(Low Pass Filter)(B) 高通濾波器(High Pass Filter) (C) 帶通濾波器(Band Pass Filter) (D) 帶拒濾波器(Band Rejection Filter)
16. 如圖(十一)所示齒輪系,傘齒輪 A 齒數為 30 齒、旋轉速度為 400 rpm 而方向為水平軸 向右,傘齒輪 B 齒數為 40 齒,則齒輪 B 的旋轉速度與方向分別為: (A) 300 rpm、方向是垂直軸向下 (B) 300 rpm、方向是水平軸向右 (C) 300 rpm、方向是垂直軸向上 (D) 300 rpm、方向是水平軸向左
22. 一機器人轉軸採用馬達控制器之比例增益 KP為 3 ( in ● oz ) / deg,該轉軸具有需克服摩擦 轉矩為 6 (in ●oz ),則該馬達可能產生之死帶( dead band )大小? (A) 2度( deg) (B) 4度( deg) (C) 6度( deg) (D) 8度( deg)
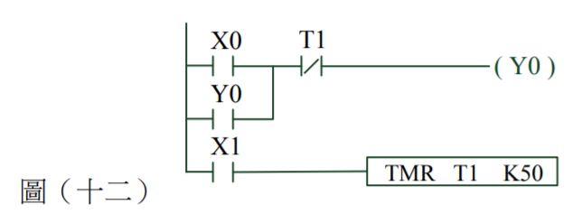
29. 一氣壓缸以一單線圈電磁閥 A + 控制之,並在其活塞桿縮回底端裝有極限開關 a 0,在活塞桿 伸出前端裝有極限開關a 1,若A+接PLC的Y0、a0的NO接點接PLC的X0、a1的NO接點 接PLC的X1,且程式如圖(十二)所示,則下列敘述何者錯誤? (A) 活塞桿會來回運動,每次到縮回底端會暫停5秒 (B) 活塞桿會來回運動,每次到伸出前端會暫停5秒 (C) 活塞桿會來回運動,每次到縮回底端及伸出前端都會暫停5秒 (D) 活塞桿會不暫停的來回運動
35. 如圖(十三)的電路圖中,試問電容C1有何用途? (A) 過濾SCR的雜訊 (B) 保護D1,以避免電感性湧浪電流 (C) 保護S1,以避免電感性湧浪電流 (D) 使點火延遲角大於90度
40. 如圖(十四)所示的直流馬達等效電路,若馬達的反電動勢常數為 0.2 V / rpm,當馬達穩定 於1000 rpm運轉時,請求馬達總電流IL? (A) 100A 四) (B) 102A (C) 1100A (D) 1102A
44. 三相感應馬達若以Y接起動、Δ 接運轉,則: (A) Y接起動電壓為 Δ 接起動電壓的1 / (B) Y接起動電壓為 Δ 接起動電壓的1 /3 (C) Y接起動電流為 Δ 接起動電流的1 / (D) Y接起動電流為 Δ 接起動電流的1 /3
47. 計時器的接點中,當計時器通電時,有一接點立刻斷開,當計時器斷電時,此接點延遲 一段時間才恢復接通,則此接點的符號應為下列何者? (A) (B) (C) (D)
48. 如圖(十五)所示的雙動單桿油壓缸,有下列性質:D1=10 cm,D2=4.5 cm,P1=50 kgf/ cm 2 , P2=5 kgf/ cm 2,不考慮摩擦力,試求油壓缸桿往右之推力? (A) 273.91 kgf (B) 361.38 kgf (C) 2739.1 kgf (D) 3613.8 kgf