所屬科目:初等/五等/佐級◆電子學大意
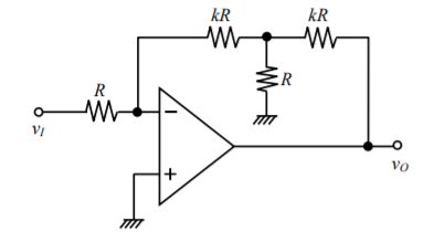
2 如圖所示之 OP AMP 為理想。求 vO/vI。 (A)-2k (B)-3k (C)-(2+k)k (D)-3(1+k)k
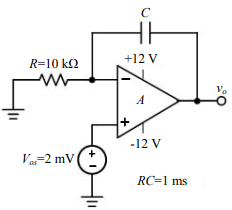
4 如圖所示為運算放大器電路連接在±12 V 電源,一開始令電容上電壓為零且運算放大器為理想;已 知 RC 時間常數為 1 ms,若該運算放大器自身的抵補電壓(offset voltage)VOS=2 mV,試求多少時 間後該運算放大器的輸出會到達飽和? (A)6 秒 (B) 12秒 (C) 18秒 (D) 24秒
8 如圖為一個理想運算放大器電路,其電壓增益 vO/vI為多少分貝(dB)? (A)10 dB (B)-10 dB (C) 20 dB (D)-20 dB
11 如圖所示之電路,假設電容器初始壓降 VC(0)=0,則輸出電壓振幅為輸入電壓振幅 VP之幾倍?
(A)26.5 (B)30.5 (C)36.5 (D)39.5
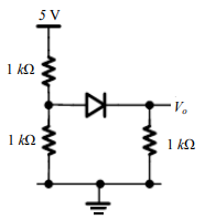
13 如圖所示之電路,當 VIN為 5 V 時,VOUT為何?假設二極體的開啟電壓(turn-on voltage)為 0.8 V。 (A)4.2 V (B) 5. 8 V (C)-2.3 V (D)-0.7 V
14 如圖所示之橋式整流電路,已知 VS=40 sinωt V,若所有二極體皆為理想二極體,則一個二極體之峰值逆向電壓(PIV)為何?
(A) 10 V (B) 20 V (C) 40 V (D) 80 V
16 下圖中輸入信號為弦波 vs(t)=5 sin 10t V,各二極體 D1 -D4之導通電壓皆為 0.7 V,導通電阻為 10 Ω。 若 R=10 Ω,則電流|i |之最大值為何? (A)212 mA (B)180 mA (C)90 mA (D)45 mA
17 下圖中二極體 D1 之導通電壓為 0.7 V,導通電阻為 10 Ω,輸入信號為弦波,vi(t)=5 sin 10t V,R1 與 R2 皆為 5 Ω,則 vo(t)的最小值為何? (A)-5 V (B)-4.175 V (C)-2.8 V (D)-1.7 V
18 圖中電路之輸入信號 vi為弦波,vi(t)=5 sin 10t V,二極體 D1 之導通電壓為 0.7 V,導通電阻為 100 Ω。 則流過電阻上的電流最大值為何? (A)93 mA (B)50 mA (C)43 mA (D)21.5 mA
19 下圖中二極體之導通電壓為 0.7 V,導通電阻為 0 Ω,則 Vo為何? (A)2.5 V (B) 1.8 V (C) 5/3 V (D) 1.2 V
20 如圖所示之電路,假設二極體為理想,則 vo之電壓為何? (A)-20 V (B) 40 V (C)-60 V (D) 80 V
23 增強型 MOSFET 的 VT=2 V,K= ,VGS=4 V,VDS=1 V,則汲極電流 ID為何? (A)3 mA (B)6 mA (C)9 mA (D)12 mA
24 請問如圖所示放大器之增益(Vo/Vi)為何?假設電晶體操作於主動區且 VT=25 mV。 (A)-20 (B)-30 (C)-40 (D)-50
27 圖中電晶體 M1 之 μnCox(W/L)=0.5 mA/V2 ,臨界電壓 VT=0.8 V,若忽略通道調變效應且 M1 維持操作在飽和區(saturation region),則 VB的最大值為何?
(A)1.6 V (B)2.0 V(C)2.4 V (D)2.8 V
29 圖中信號源阻抗 RS=1 kΩ,轉導放大器輸入阻抗 Ri=1 kΩ,轉導增益 Gms=1 mA/V,輸出阻抗 Ro=10 kΩ,負載阻抗 RL=10 kΩ,則 vo/vs=? (A)5(V/V) (B) 2.5(V/V) (C)-5(V/V) (D)-2.5(V/V)
30 如圖所示之電晶體工作在主動區,其輸出直流偏壓電流為 ICQ=3 mA,基極端之等效輸入電阻約為多 少?(R1=2 kΩ、R2=30 kΩ 且熱電壓 =25 mV)。 (A)30 kΩ (B) 15 kΩ (C)2 kΩ (D) 0. 5 kΩ
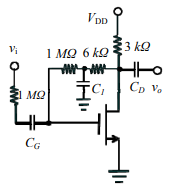
31 如圖所示具有反交聯電容器 C1的增強型 MOSFET 放大器中 μnCox(W/L)=4 mA/V2 ,流經 3 kΩ 的直流 偏壓電流為 2 mA,輸入交流弦波信號 vi的振幅為 0.2 V ,輸出交流信號的振幅為多少?
(A)0.8 V (B)2 V (C)4 V (D)8 V
32 圖示電路,若電流源 I 為 1 mA、RC=1 kΩ,電晶體電流放大率 β=100,則電壓增益 vo/vi約為若干? (A)-100 (B)-40 (C) 20 (D)40
33 圖示為變壓器耦合串級放大電路的小訊號等效電路中部分電路,如果想要得到最大功率轉移,則圖 式電路中電晶體的集極偏壓電流 IC應約為多少?其中 R1=50 Ω、β=100、熱電壓 VT = 25 mV。
(A)2 mA (B)1.5 mA (C)1 mA (D)0.6 mA
34 如圖所示由理想 OPA(電源電壓為±15 V)所構成之施密特觸發電路,該電路於 R2=2 kΩ 時之輸入輸出轉移特性具有一磁滯電壓為 20 伏特,則 R1 的電阻值約為多少? (A)1 kΩ (B)2 kΩ (C)3 kΩ (D)4 kΩ
36 如圖所示為兩個理想 OPA 構成的三角波產生電路,該兩 OPA 所施加的直流電源電壓值相同,測得 vO1及 vO2輸出波形的峰到峰值分別為 20 及 16 伏特,則 R1 的電阻值應約為何?
(A)5 kΩ (B)4 kΩ (C)3 kΩ (D)2 kΩ
37 如圖為一方波振盪器。若 OP AMP 輸出的上下限為±10 V。R2=4 R3、R1C1=10 ms,求方波的振幅?
(A)4 V (B)6 V (C)8 V (D)10 V
38 如圖電晶體放大器電路,試問旁路電容 CE會衰減放大器頻率響應的那一頻段? (A)全頻段 (B)高頻段 (C)中頻段 (D)低頻段
39 如圖電路為具有電阻 rb=500 Ω 的混合 π 等效電路。如果電晶體偏壓在集極電流 ICQ=2 mA 時,其相 關參數為 β=100、C1=2 nF,且熱電壓 VT=0.026 V。則此電路之-3 dB 頻率約為多少?
(A)201 kHz (B) 211 kHz (C) 221 kHz (D) 231 kHz
40 下列為一被動式濾波器(Passive filter),已知 L=4.24 μH、C=1.6 μF、R=10 kΩ。試求此電路的共 振頻率約為多少?(A)150 kHz (B)10 0 kHz (C) 60 Hz (D)10 kHz (E)一律給分