所屬科目:初等/五等/佐級◆基本電學大意
1 如下圖之電路已知E1=45 V、E2=15 V、R1=5 Ω、R2=7 Ω、R3=8 Ω,則流經此電路之電流為多少安培{A}?(A)1(B)1.5(C)2(D)3
4 已知標準韌銅之電阻係數 ρ= 1.724×10-8 Ω-m,鋁之電導係數為其之 61%,今有一鋁線長度為 300 公 尺,截面積為 5.5 mm2則此鋁線的電阻值約為多少歐姆(Ω)? (A)0.0057 (B)0.57 (C)1.54(D)3.64
6 有兩個點電荷被分開於一固定距離,今若將其距離變成二倍,則其作用力有何變化? (A)作用力不變 (B)作用力減為 倍 (C)作用力增加為 4 倍 (D)作用力增加為 2 倍
8 某電路如下圖,6 Ω 電燈泡因燒壞而成斷路狀況,則端電壓Vab 為多少伏特(V)? (A)2 (B)3 (C)4 (D)4.5
9 如下圖,試求電流 I 之值? (A)1 A (B)2 A (C)3 A (D)4 A
10 電荷均勻分布的帶電球形導體內部電位為V1,表面上之電位為V2,則: (A)V1 > V2 (B)V2 > V1 (C)V1 = V2(D)V1 = 0
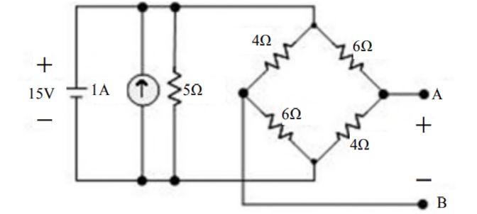
11 如下圖之電路,求 A, B 兩點回看之戴維寧等效電路電壓及電阻值為何? (A)(-4 V, 4.8 Ω) (B)(-3 V, 4.8 Ω) (C)(-3 V, 5 Ω)(D)(-6 V, 5 Ω)
12 如下圖,求 a、b 兩點之間的諾頓等效電流為何?(A)0.75 A (B)1.25 A (C)2 A (D)2.75 A
13 如下圖,求 a、b 兩點之間的戴維寧等效電壓為何? (A)IR/2 (B)IR (C)2IR (D)3IR
14 如下圖之串並聯電路,其等效電阻 Rab 之數值為多少歐姆(Ω)? (A)6 (B)9 (C)12(D)15
15 如下圖電路,求 I 為多少安培{A}?(A)0.5 (B)1 (C)1.5 (D)2
16 試求下圖 2 Ω 電阻兩端 a-b 點間之戴維寧等效電阻為何? (A)3 Ω (B)6 Ω (C)9 Ω (D)18 Ω
17 若下圖 9 Ω 電阻兩端 a-b 點間之戴維寧等效電壓為 18 伏特,則電壓源ν 為何? (A)12V(B)18 V (C)36 V(D)54V
18 試求下圖 2 Ω 電阻兩端 a-b 端點間之諾頓等效電流為何? (A)1.33 A (B)2 A (C)3.3A(D)4A
19 如下圖電路,試以 KCL 法計算元件 C 之電流? (A)-1 A (B)-1.5 A (C)-2.5 A(D)-3.5A
20 如下圖電路,試求電流 Ix 為多少安培{A}? (A)1 (B)2 (C)3 (D)4
28 如下圖之 RL 電路,在時間 t=0 時 SW 閉合,當 t=0.2 秒時,求跨於電感兩端之電壓約為多少伏特 (V)?(常用近似值:e-1=0.369,e-2=0.135,e-3=0.05,e-4=0.02,e-5=0.01) (A)75 (B)37 (C)13.5 (D)5
32 下圖週期性電流波形之有效值約為何? (A)2.89 A (B)3 A (C)3.21 A (D)3.54 A
33 若i(t)=I0 +10sin2π60t {A},如有效值為 12 A,求 I0 之值約為何? (A)9.38 A (B)2 A (C)6.36 A (D)6.63 A
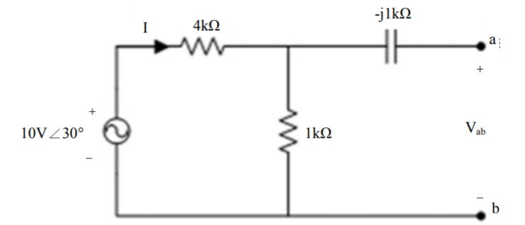
35 如下圖電路,求電壓Vab 為多少伏特(V)? (A)10 V∠30° (B)2 V∠30° (C)2 V∠-15° (D)10 V∠-15°
36 左圖為一 RLC 串聯電路,右圖為同電路將兩電阻 R1 與 R2 由並聯改為串聯之 RLC 串聯電路。令其交流 阻抗各為ZT1=|ZT1|∠θ1 與 ZT2=|ZT2|∠θ2,且電流各為I1=|I1|∠θI1 與I2=|I2|∠θI2,則下列敘述何者正確? (A)|ZT1| > |ZT2| (B)θI1 > θI2 (C)θ1 < θ2 (D)|I1| > |I2|
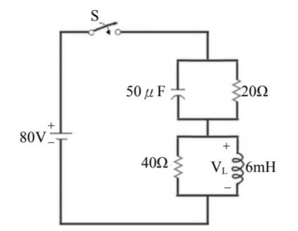
40 如下圖,當開關 S 投入瞬間,電壓VL 為多少伏特(V)? (A)0 (B)40 (C)80 (D)-80