所屬科目:漢翔航空◆機械元件設計
1.中空均勻剖面的圓軸,其外徑為 16 cm,內徑為 8 cm,試求此圓軸之極慣性矩(polar moment)? (A) 120 π cm 4 (B) 128 π cm 4 (C) 1,920 π cm 4 (D) 2,048 π cm 4
2.軸元件的定位分為徑向定位與軸向定位,如此可避免軸旋轉時元件任意移動,同時避免元件的磨損,用以控制徑向 定位是下列哪種零件? (A)平鍵(flat key) (B)定位銷(pin) (C)套筒(sleeve) (D)扣環(snap ring)
3.下列哪種機械元件能夠吸收突施負載(suddenly applied loads)的能量?(A)螺栓 (B)凸輪(C)齒輪 (D)彈簧
4.大部分彈簧的損壞是因為疲勞的負載所造成的,有關彈簧的疲勞損壞,下列敘述何者錯誤?(A)彈簧表面有嚴重凹痕時,其疲勞強度會降低(B)彈簧表面有輕微的腐蝕時,其疲勞強度會降低(C)彈簧表面有研磨拋光時,其疲勞強度會降低(D)彈簧因熱處理而導致表面有脫碳現象,其疲勞強度會降低
5.某材料之螺圈彈簧(helical springs)的直徑為 24 mm,而其線徑為 4 mm,此材料能承受之最大剪應力為 600 MPa,試求其彈簧指數(springs index)? (A) 1 (B) 3 (C) 6 (D) 12
6.下列有關螺栓與螺帽之敘述,何者錯誤?(A)螺帽轉一圈所前進的距離稱為導程(lead)(B)由螺紋上任一點到相鄰螺紋上的對應點間,平行於軸線的距離稱為節距(pitch)(C)雙螺紋螺旋(double-thread screw)的導程與節距之數值大小是相同的(D)螺栓的螺旋線(helix)可分成左旋或右旋兩種螺旋線
7.機械式制動器(brake)是利用下列何種力達到制動的目的?(A)重力 (B)黏滯力 (C)阻尼力 (D)摩擦力
8.有一組平皮帶輪,接觸角為 θ (以弳度表示),摩擦係數為 μ,緊邊張力為 T1,鬆邊張力為 T2,則: (A) T1 = T2 + e μθ (B) T1 = T2 × e μθ (C) T2 = T1 + e μθ (D) T2 = T1 × e μθ
9.為避免鏈條傳動時產生擺動及噪音,請問下列方式何者錯誤?(A)減少鏈輪齒數 (B)給予潤滑 (C)變更兩鏈輪之間的距離 (D)改變鏈輪轉速
10.兩外切圓柱形摩擦輪作純滾動接觸,已知主動輪直徑為 50 cm,而其轉速為 100 rpm。從動輪轉速為 250 rpm,則從動輪直徑為多少公分? (A) 10 cm (B) 20 cm (C) 30 cm (D) 40 cm
11.有關皮帶輪傳動機構之敘述,下列何者錯誤?(A)裝置簡單成本低 (B)傳動較安靜 (C)可用於距離較遠的傳動 (D)傳動速比正確
12.有關軸承之機械元件,下列敘述何者錯誤?(A)軸承是機械中的固定機件,其能使軸之中心固定於特定的位置(B)接觸處係以面接觸者,稱為滾動軸承(rolling bearing)(C)受力的方向垂直於中心軸線者,稱為徑向軸承(radial bearing)(D)受力的方向平行於中心軸線者,稱為止推軸承(thrust bearing)
13.有關滾動軸承(rolling bearing)運轉時之敘述,下列何者錯誤?(A)摩擦阻力大 (B)噪音小 (C)動力損失小 (D)適合高速運轉
14.下列哪個齒輪用於兩軸相交之傳動?(A)人字齒輪(herringbone gear)(B)直齒傘齒輪(straight bevel gear)(C)雙曲面齒輪(hyperboloidal gear)(D)直齒正齒輪(straight spur gear)
15.下列凸輪機構,何者不是確動凸輪機構(positive drive cam)?(A)平板凸輪(plate cam) (B)軛式凸輪(yoke cam)(C)滾子齒輪凸輪(roller-gear cam) (D)面凸輪(face cam)
16.有關英制馬力(horsepower;hp)定義的敘述,下列何者正確?(A) 1 英制馬力的功率等於在 1 分鐘的時間內將一個 33,000 磅重的物體舉起 1 呎所做的功(B) 1 英制馬力的功率等於在 1 秒的時間內將一個 33,000 磅重的物體舉起 1 吋所做的功(C) 1 英制馬力的功率等於在 1 分鐘的時間內將一個 33,000 磅重的物體舉起 1 吋所做的功(D) 1 英制馬力的功率等於在 1 秒的時間內將一個 33,000 磅重的物體舉起 1 呎所做的功
17.在磁場中,載有電流的導線將感應一作用力在該導線上,此為何類機械的作用原理?(A)發電機 (B)電壓器(C)冷氣機 (D)馬達
18.某實心軸直徑為 8 cm,其承受 64π N-m 的扭矩(π=3.14,圓周率),試求此軸最大之剪應力為多少?(A) 1 MPa (B) 2 MPa(C) 4 Mpa (D) 8 MPa
19.一減速齒輪馬達(Geared Motor)裝置一速比為 3.0 的減速機,原用於 50Hz 的交流電供電系統環境中,若改用於 60Hz的環境中,且原來要求的扭力與轉速範圍則保持不變。在不考慮交流感應馬達功率與轉速差等的影響,下列敘述何者正確? (A)因頻率不同,不可使用 (B)需改用速比為 3.6 的減速機 (C)需改用速比為 2.5 的減速機 (D)不需進行處理,直接應用即可以
20.對於交流感應馬達的相關敘述,下列何者錯誤?(A)可以透過調整頻率與電壓大小來調整馬達轉速(B)相同框號馬達,極數愈多,所能提供功率愈小(C)馬達框號愈大,輸出扭力也愈大(D)馬達框號數值同時也是中心高數值
21.如【圖 21】所示之彈簧皆為自由狀態,即未受負荷;則當整體位移 f 達 30 mm 時,請問此彈簧組合承受的總負載應為何? (A) 30 kN (B) 20 kN (C) 25 kN (D) 15 kN
22.關於螺旋壓縮彈簧組合的敘述,下列何者錯誤? (A)此三個螺旋壓縮彈簧之旋向採交錯(即右旋—左旋—右旋)設計的原因係避免彈簧線彼此互相嵌入,而使彈簧無法達成預計壓縮的行程 (B)螺旋壓縮彈簧因具有自我保護機制,即變形至最大壓縮量時,仍可承受更大負載,故多應用在具衝擊負載的場合中 (C)螺旋壓縮彈簧主要承受壓力,彈簧線則會因此承受壓應力 (D)圖中的螺旋壓縮彈簧設計組合為並聯彈簧設計,其等效彈性曲線則為遞增型式曲線
23.在圖(b)中的零件幾何特徵之加工精度係以圖中的幾何公差來管制,則圖中公差框中 a、b、c、d 所對應的幾何公差種類應為以下哪一項組合? (A) (B)(C) (D)
24.軸孔配合在工程應用多選擇基孔制,因此在圖(c)之治具本體(#3)中直徑分別為 20 mm 與 12 mm 的兩個孔應分別選用何種尺寸公差?請根據圖中所對應 x 與 z 作答。 (A) x = H7,z = M7 (B) x = H7,z = H7 (C) x = h6,z = m6 (D) x = h6,z = h6
25.在圖(c)之治具本體(#3)公差管制中,對左側端面採同時以形狀公差與位置公差來管制。若在經濟考量下,公差值皆選擇最大允許數值,請問在圖中公差框的 w 數值應選擇以下哪一項最為合理?(A) 0.03 (B) 0.025 (C) 0.02 (D) 0.01
26.為滿足襯套(#6)加工精度要求,在圖(d)中的配合尺寸公差與幾何公差,應選擇何種組合始可滿足在治具設計之要求?(A) e: ,u:m6,v: H7 (B) e: ,u:N7,v: h6(C) e: ,u:m6,v: H7 (D) e: ,u:r6,v: H7
27.襯套(#6)因要導引鑽頭,因此必須具備足夠硬度,以避免容易產生磨耗而降低精度壽命。下列何種熱處理方式不適合用在此一襯套? (A)使用工具鋼進行調質 (B)使用低碳鋼進行滲碳 (C)使用碳鋼進行退火 (D)使用合金鋼進行滲氮
28.哪個軸承無法承受徑向力?(A) A (B) C (C) D (D) E
29.哪些軸承可以承受兩個方向的軸向力(答案需完整)?(A) A、B、C、D、E (B)僅 A、B、D、E (C)僅 A、B (D)僅 A、B、C
30.哪些軸承為分離型式軸承,即內、外環可以分開(答案需完整)?(A) A、B、C、D、E (B)僅 B、C、D、E (C)僅 C、D、E (D)僅 A、C、D、E
31.哪個軸承有最高的許可轉速(比較時係以相同大小為基準)? (A) A (B) B (C) C (D) D
32.若此中間滾輪外徑為 1,000 mm,皮帶線速為 6 m/s,則其轉速為每分鐘若干轉(rpm)?(A) 360/ rpm (B) 180/ rpm (C) 360 rpm (D) 180 rpm
33.滾輪內孔與軸承 A 外環之配合應取以下何者公差為宜?(A) H7 (B) M7 (C) g6 (D) m6
34.固定軸與軸承 A 內環之配合應取以下何者公差為宜?(A) H7 (B) M7 (C) g6 (D) m6
35.若皮帶滾筒受到軸向力時,則兩個軸承在承受軸向力狀況之敘述何者正確?(A)僅軸承 A 承受軸向力 (B)僅軸承 B 承受軸向力(C)軸承 A 與 B 同時承受軸向力 (D)軸承 A 與 B 皆不承受軸向力
36.軸承 A 編號為 23276,則與其配合之軸徑為何?(A) 76 mm (B) 276 mm (C) 380 mm (D) 760 mm
37.為簡化固定軸之計算,我們可以將固定軸之安裝軸面端部假設為等效支撐點,以進行快速估算。相關長度尺寸如圖所示,若負載 F 為 1,000 kN,則此固定軸最大彎曲力矩應為若干? (A) 2,000 kNm (B) 1,000 kNm (C) 500 kNm (D) 250 kNm
38.滾輪係選用 FCD400 材料,由此編號可得知相關特性,請問下列敘述何者錯誤? (A)此滾輪係使用灰口鑄鐵鑄造後加工而得 (B)此材料抗拉強度為 400 MPa (N/mm2 ) (C)滾輪係使用此材料,可以進行調質 (D)滾輪係使用此材料,可進行表面硬化
39.此固定軸係使用 SNCM420 合金鋼,請問下列敘述何者正確? (A)此合金鋼抗拉強度為 420 MPa (N/mm2 ) (B)此合金鋼之主要合金元素為 Ni、Co、Mn (C)此合金鋼為中碳鋼,含碳量為 0.420% (D)此合金鋼之主要合金元素為 Ni、Cr、Mo
40.下列哪種材料不適合使用滲碳熱處理? (A) SCM420 (B) SCr415 (C) SNCM815 (D) S45C
41.固定軸受到不同負載狀況,所對應的許可應力值會不同。一般我們會定義一個「應力比κ」來表示負載的狀況,即: 應力比κ = 最小應力值/最大應力值,其中拉應力為正,壓應力為負。請問以下哪種負載狀況的許可應力值最小? (A)靜態負載(Static Loading) κ=1 (B)反覆負載(Repeated Loading) κ=0 (C)交變負載(Reversed Loading) κ=-1 (D)變動負載(Fluctuating Loading) κ=-0.5
42.關於漸開線齒輪移位設計的敘述,下列何者錯誤?(A)透過移位設計,可以調整齒輪齒厚,改變齒輪漸開線的工作區域(B)齒輪在移位為負的狀況下,數值(絕對值)若過大,齒輪容易產生尖齒(C)以齒輪皆無移位狀況為基準,若齒輪對之移位係數和為正,則中心距會變大(D)以齒輪皆無移位狀況為基準,若齒輪對之移位係數和為負,則工作壓力角會減小
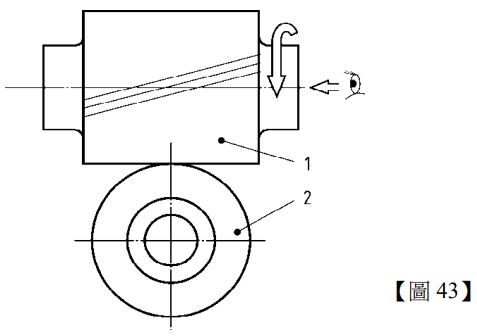
43.兩個相同旋向的螺旋齒輪 1 與 2 組合成如【圖 43】之歪斜配置,所要求之軸交角為 90°。若從【圖 43】中右側觀之, 齒輪 1 以逆時針方向轉動,則以下敘述何者正確?【註:齒輪 2 轉動方向係以圖面方位為基準。】(A)齒輪 2 將以逆時針方向轉動 (B)齒輪 2 無法轉動 (C)齒輪 2 將以順時針方向轉動 (D)兩個齒輪之螺旋角皆為 40
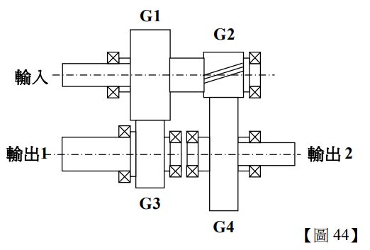
44.如【圖 44】所示,齒輪對配置為單輸入、雙輸出一段減速之分流機構,其中齒輪 G2 螺旋角旋向為給定,則以下何種組合能滿足軸承承受之軸向力最小之條件? (A) G1:左旋,G2:左旋,G3:右旋,G4:右旋 (B) G1:右旋,G2:左旋,G3:左旋,G4:右旋 (C) G1:左旋,G2:右旋,G3:右旋,G4:左旋 (D) G1:右旋,G2:右旋,G3:左旋,G4:左旋
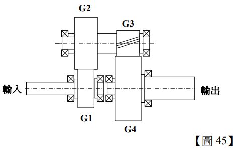
45.如【圖 45】所示,齒輪對配置為單輸入、單輸出之兩段機構,其中齒輪 G3 螺旋角旋向為給定,則以下何種旋向組合能滿足軸承承受之軸向力最小之條件? (A) G1:左旋,G2:左旋,G3:右旋,G4:右旋 (B) G1:右旋,G2:左旋,G3:左旋,G4:右旋 (C) G1:左旋,G2:右旋,G3:右旋,G4:左旋 (D) G1:右旋,G2:右旋,G3:左旋,G4:左旋
46.以雙螺帽鎖緊螺絲是常見的防鬆方法。如【圖 46】即是其中一種做法,上方使用較厚的螺帽,下方則使用較薄的螺帽。以下對此種方法的說明何者錯誤? (A)使用雙螺帽的原理係使兩個螺帽分別承受不同方向之接觸作用力,如此可以避免因間隙存在,使螺絲受到振動影響而鬆動 (B)因為上方螺帽為防鬆功能,下方螺帽要承受螺絲拉緊的力量,所以圖中螺帽放置錯誤,應該上方使用較薄的螺帽,下方 則使用較厚的螺帽 (C)實務上為避免混淆,則多使用兩個厚度相同的螺帽 (D)此種方法在較劇烈的振動環境中,並無法滿足防鬆的需求
47.對於滾子鏈條應用之敘述,下列何者錯誤?(A)在正常狀況下,滾子鏈條的節數多為偶數(B)在兩傳動軸皆安放在同一水平面之傳動狀況下,鏈條張緊側應在上方(C)鏈條壽命一般是以伸長率超過許可值為基準,而非以斷裂破壞做為標準(D)在正常狀況下,鏈輪的齒數多為偶數
48.在【圖 48】所示的皮帶傳動機構中,功率由小皮帶輪輸入,其方向如圖所示。為能平順傳遞功率,必須使皮帶產生預張力。請問張緊惰輪應放在圖中 A、B、C、D 哪一個位置, 才能提高最大容許傳遞扭矩與增加皮帶壽命? (A) A (B) B (C) C (D) D
49.下列何種截面形狀在相同面積與長度狀況下,可以承受的扭矩為最大?(A) A (B) B (C) C (D) D
50.下列何種截面形狀在相同面積與長度狀況下,可以承受彎曲力矩為最大?(A) A (B) B (C) C (D) D
51.有三根彈簧,其中二根彈簧的彈簧常數為 2 N/m,另一根彈簧的彈簧常數為 4 N/m,則所能組合出的最小彈簧常數為:(A) 0.2 N/m (B) 0.4 N/m (C) 0.8 N/m (D) 2 N/m
52.每吋有 16 牙之雙螺紋螺旋的螺栓,其每旋轉一圈的導程(lead)為何?(A) 1/2 in (B) 1/4 in (C) 1/8 in (D) 1/16 in
53.一組皮帶輪傳動裝置,主動輪直徑 40 cm,從動輪直徑 30 cm,中心距 400 cm,分別使用交叉皮帶與開口皮帶連結,請問交叉皮帶比開口皮帶大約長多少公分? (A) 3 cm (B) 5 cm (C) 7 cm (D) 9 cm
54.有關滾動軸承與滑動軸承之比較,下列何者為滾動軸承之優點?(A)可承受衝擊負載 (B)可承受特大負載 (C)安裝容易 (D)摩擦阻力小
55.兩齒輪嚙合傳動時,若兩齒輪的齒數分別為 20 與 60,而其模數(module)皆為 5 mm,則兩齒輪之中心距離為何?(A) 50 mm (B) 100 mm (C) 150 mm (D) 200 mm
56.有一對速比(velocity ratio)為 1/3 的正齒輪,從動輪的齒數為 96、轉數為 600 rpm,則下列敘述何者正確?(A)主動輪的齒數為 96 (B)主動輪的齒數為 32(C)主動輪的轉數為 600 rpm (D)主動輪的轉數為 200 rpm
57.凸輪與從動件接觸點之公法線與從動件軸線間之夾角,稱為:(A)壓力角 (B)傾斜角 (C)作用角 (D)漸近角
58.假設軸的角變形每 2 m 不得超過2 ° (角度單位),其材料之剪切模數為 100 GPa,容許的剪應力為 100 π MPa(π=3.14, 圓周率),試求此軸的直徑為多少? (A) 180 mm (B) 360 mm (C) 540 mm (D) 720 mm
59.某外徑 200 mm 及內徑 100 mm 的單摩擦面平板離合器,其摩擦係數 μ = 0.3,若作用的均勻壓力理論成立,當在均勻壓力時,此平板離合器產生的扭矩為何? (A) 200 N-m (B) 325 N-m (C) 875 N-m (D) 1,200 N-m
60.一個馬達供應給負載 60 N-m 的轉矩,假如馬達轉軸以 1,500 rpm(每分鐘的旋轉圈數)的速度轉動,則供應給負載是多少馬力(hp)?(四捨五入,計算至小數點第二位) (A) 2.01 hp (B) 12.64 hp (C) 120.69 hp (D) 94.25 hp