所屬科目:初等/五等/佐級◆電子學大意
1 下圖中輸入信號為弦波 vi (t)= 5 sin 10t 伏特,二極體 D1 之導通電壓為 0.7 V,導通電阻為 0 Ω。放 大器(Amp)之增益為 9 V/V,輸入阻抗為無限大,輸出阻抗為 0,則輸出 vo(t)之最大值為何? (A) 5 V (B) 4.57 V (C) 4.43 V (D) 4.3 V
5 如圖所示為一系列的方形脈波,其頻率為? (A) 300 kHz (B) 250 kHz (C) 200 kHz (D) 150 kHz v(t) (V) t (μ sec)
9 如圖所示為一個理想 CMOS 開關電路,若輸入電壓 Vi為負電壓(包含 0 伏特)時,則輸出電壓 Vo 應為多少伏特? (A) VDD (B) VDD/2 (C) VDD/3 (D) 0
10 圖為使用理想運算放大器之電路,若電壓增益 Av =vO / vI = -100,R2 = R4 = 100 kΩ,R3 = 200 kΩ,則 R1為多少? (A) 5 kΩ (B) 10 kΩ (C) 15 kΩ (D) 20 kΩ
12 如圖所示電路,U1為理想運算放大器。已知電阻 R1=1 kΩ、R2=3 kΩ、R3=1 kΩ、R4=3 kΩ。求在輸入 端 vI2的等效輸入電阻 Rin2約為多少? (A) 1 kΩ (B) 3 kΩ (C) 4 kΩ (D) 8 kΩ
14 如圖所示電路,若圖中輸入電壓為 Vi = 5 V,假設二極體皆為理想二極體,則輸出電壓 VO為多少? (A) 5 V (B) 2.5 V (C)- 2.5 V (D)- 5 V
15 如圖所示之電路,假設二極體之壓降皆為 0.7 V,求其輸出電壓 vout之漣波電壓(ripple voltage)值 為何? (A) 12 V (B) 3.51 V (C) 2.92 V (D) 0.324 V
17 圖示電路中,A1及 A2為理想運算放大器,vI = 5sinωt(V),問 vO的平均電壓約為若干? (A) 1.6 V (B) 3.2 V (C) 4.8 V (D) 6.4 V
18 如圖所示二極體電路,假設二極體導通電壓 VD0=0.7 V。已知電壓 vS (t)=12 sin(120πt) V、R=10 kΩ、 C=47 μF。試求輸出電壓 vO的漣波電壓(ripple voltage)值約為多少? (A) 2 V (B) 1 V (C) 0.4 V (D) 0.1 V
19 如圖所示二極體電路,假設二極體導通電壓 VD0=0.7 V。已知電壓 vS (t)=12 sin(120πt) V、R1=10 kΩ、 VDC = 5 V。若 R2=20 kΩ,對於輸出電壓 vO的正及負電壓峰值(V+及 V-)約為多少? (A) V+=5.7 V,V-=-12 V (B) V+=12 V,V-=-5.7 V (C) V+=5.7 V,V-=-8 V (D) V+=8 V,V-=-5.7 V
20 如圖所示之電路,輸入電壓 vi 為一交流弦波,有效值為 100 V,頻率為 60 Hz,二極體皆為理想,求 輸出之平均直流電壓值約為何? (A) 7 V (B) 8 V (C) 9 V (D) 10 V
21 如圖所示之電路,二極體皆為理想,有關此電路之敘述,下列何者正確? (A) C1 的耐壓為 2 Vm (B) D1 的峰值反向電壓為 Vm (C) VO之值為 2 Vm (D) D2 的峰值反向電壓為 2 Vm
22 如圖所示之電路,二極體導通之壓降為 0.7 V, RC >> vi 之週期,求電路穩態時之 V3為何? (A) 4.3 V (B) 5.7 V (C) 9.3 V (D) 12.7 V
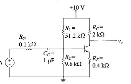
23 如圖所示之電路,其中電晶體之參數為 β=100 ,VA = ∞, VT = 26 mV 且 VBE(on) = 0.7 V,求其小信 號電壓增益值為何? (A)-2.02 (B)-4.02 (C)-6.02 (D)-8.02
24 假設圖中電晶體操作於飽和區,閘極與源極之壓差為 0.7 V,且臨界電壓 VTH= 0.6 V。請問圖中共閘 極放大器之小訊號輸入電阻 RIN為何? (A) 10 Ω (B) 20 Ω (C) 30 Ω (D) 40 Ω
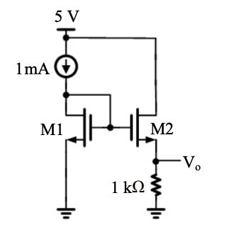
25 圖中電晶體之 μnCox(W/L)1 = μnCox(W/L)2 = 0.5 mA/V2 ,臨界電壓 VT = 0.8 V ,若忽略通道調變效應, 則 Vo = ? (A) 0.54 V (B) 0.84 V (C) 1.24 V (D) 2.24 V
26 關於金氧半場效電晶體 (MOSFET)的小信號模型,下列敘述何者錯誤 ? (A)在特定(W/L)的條件下,ro與偏壓電流成正比 (B)在特定(W/L)的條件下,偏壓電流越大則 gm越大 (C)在特定(W/L)的條件下,元件的直流偏壓 VGS越大則 gm越大 (D)對共源級(common source)放大器而言,輸入阻抗為無窮大
27 圖中電晶體操作在主動區 (active region),β=99 ,gm=10 mA/V 。直流偏壓為 VB ,交流輸入信號 為 vs,輸出信號為 vo。下列敘述何者正確 ? (A)屬共射級(common emitter)放大器 (B)為同相放大器 (C)|vo/vs | = 100 (D)輸入阻抗 < 10 kΩ
30 如圖所示為操作於主動模式(active mode)的雙極接面電晶體的 π 型小訊號等效電路,若 gm值增為 兩倍,則 rπ值會如何? (A)增為 √2 倍vbe ro (B)增為 2 倍 rπ gmvbe (C)減為一半 (D)不變
32 分析如圖之電路,若 MOSFET 皆操作在飽和區且轉導值 gm為 1 mA/V,忽略元件之輸出阻抗 ro,試 求其共模增益 Vo/Vicm = ? VDD
33 圖中電晶體 M1 操作在飽和區(saturation region),輸出阻抗 ro =10 kΩ, 轉導值 gm = 10 mA/V。 若電阻 R=10 kΩ,下列敘述何者正確? (A)小信號增益 | vo / vs | = 10 (B)屬共汲極(common drain)放大器 (C) Rout = 5 kΩ (D)若電阻 R 值增加且電晶體 M1 維持操作在飽和區,| vo / vs |降低
34 圖示 RC 耦合串級放大電路的總電壓增益為 60 dB,將第 1 級放大電路的偏壓電阻值 R1 與 R2 均變 為原來的 2 倍後,假設各級放大電路仍正常工作,總電壓增益約為多少? (A) 200 (B) 400 (C) 500 (D) 1000
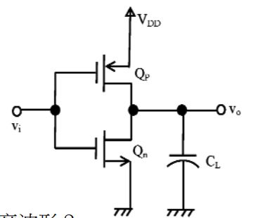
35 如圖所示為一 CMOS 反相器,其負載為電容 CL。若輸入的信號 vi為方波,其高電位為 VDD、低電位 為 0,頻率為 f,下列何者正確? (A)反相器負載電容 CL愈大功率消耗愈低 (B)反相器操作頻率愈快,功率消耗愈大 (C)反相器電晶體通道長度愈長,功率消耗愈小 (D)反相器電源電壓 VDD愈低,功率消耗愈大
36 如圖電路,若輸入 vi(t)為方波電壓,則輸出 vo(t)是什麼波形? (A)正弦波 (B)三角波 (C)脈波 (D)矩形波
38 圖電路中雙極性接面電晶體之增益 β = 100,小訊號參數 rπ = 1.44 kΩ,則此電路之轉角頻率(corner frequency)約為多少? (A) 23.2 Hz (B) 30.2 Hz (C) 37.2 Hz (D) 44.2 Hz
39 如圖為哈特來振盪器(Hartley Oscillator),已知 L1 = 0.05 mH 和 L2 = 0.01 mH 和 C = 60 nF,試求振 盪頻率 fo約為多少? (A) 1.414 MHz (B) 527 kHz (C) 225 kHz (D) 84 kHz
40 如圖所示之電路,其為何種濾波器? (A)低通 (B)帶通 (C)高通 (D)全通