所屬科目:A.電工原理、B.電子概論
3. 如圖【一】所示,b點之電位為多少V: (A) 0V (B) 12V (C) 20V (D) 60V
5. 如圖【二】,求 Rab 值為多少? (A) 6Ω (B) 8Ω (C) 10Ω (D) 12Ω
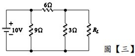
6. 如圖【三】所示電路,負載電阻RL為多少時,可獲得最大功率? (A) 1Ω (B) 2Ω (C) 3Ω (D) 6Ω
7. 如圖【四】所示電路中,RL所能獲取的最大功率為若干? (A) 3.2W (B) 3.6W (C) 3.8W (D) 4W
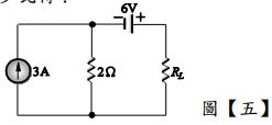
8. 如圖【五】所示之電路,電阻RL可得之最大功率為多少瓦特?
(A) 36W (B) 27W (C) 18W (D) 9W
9. 如圖【六】所示電路,a、b兩端之戴維寧等效電壓為多少? (A)-12V (B)-1V (C) 5V (D) 12V
10. 如圖【七】所示,3μF電容器儲存之能量為:(A) 0.6✖ 10 -3 焦耳 (B) 1.2 ✖10 -3 焦耳 (C) 2.4✖ 10-3 焦耳 (D) 9.6✖ 10-3 焦耳
11. 如圖【八】所示,⊗代表一導體且其電流流入紙面,則導體受力方向為何? (A)向上 (B)向下 (C)向左 (D)向右
12. 如圖【九】所示,電路達穩定狀態,則電流i應接近於多少? (A) 6mA (B) 5mA (C) 10mA (D) 15mA
13. 如圖【十】所示,R=6kΩ,C=1μF,則時間常數為多少? (A) 1ms (B) 4ms (C) 9ms (D) 36ms
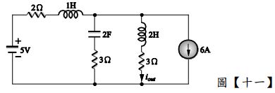
14. 如圖【十一】所示,則穩定時iout為多少? (A) (B) (C) (D)
15. 如圖【十二】所示,開關S在接通瞬間,流經2Ω的電流為多少? (A) 1A (B) 3A (C) 2.5A (D) 2A
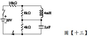
16. 如圖【十三】所示電路,當開關閉合很長時間後,電流I約為多少?
(A) 0.01mA (B) 0.1mA (C) 1.43mA (D) 2.58mA
19. 有一20mH電感兩端電壓為 10sin100 t 伏特,則流經此電感器之電流有效值為多少? (A) 5A (B) 10A (C) 5A (D) 10A
27. 請問稽納二極體的符號為何? (A) (B) (C) (D)
28. 半波整流電路輸出電壓的平均值為峰值的幾倍? (A) (B) (C) (D)
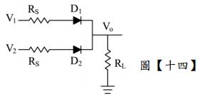
34. 如圖【十四】所示電路,假設二極體D1與D2之切入電壓Vr=0.7V、順向電阻Rf=200Ω、及 逆向電阻Rr= ∞ ,電路中之RS=1.8kΩ及RL=12kΩ,當V1=V2=2V,請問Vo為多少?
(A) 0.15V (B) 1.8V (C) 0.1V (D) 1.2V
35. 如圖【十五】所示電路中,欲使IZ=6mA,則R值應為多少? (A) 2KΩ (B) 2.5KΩ (C) 3KΩ (D) 4KΩ
36. 如圖【十六】所示電路,假設二極體均為理想二極體,當輸入交流電壓Vin(t)正半週時, 請問二極體的狀態,下列敍述何者正確? (A) D1、D3導通,D2、D4不導通 (B) D2、D4導通,D1、D3不導通 (C) D1、D4導通,D2、D3不導通 (D) D2、D3導通,D1、D4不導通
38. 如圖【十七】所示射極放大電路,CE之作用為何?
(A)濾去電源漣波 (B)提高電壓增益 (C)防止短路 (D)阻止直流電通過
40. 如圖【十八】所示達令頓電路,其電流增益的近似值為多少? (A) 30 (B) 60 (C) 900 (D) 1
42. 一正弦波通過全波整流電路,假設輸入頻率為fi ,則輸出信號之週期等於多少? (A) (B) (C) (D)
44. 如圖【十九】所示倍壓器電路,若D1、D2為理想二極體,則輸出電壓 Vo 為多少? (A) 200V (B) –141V (C) 141V (D) –200V
45. 如圖【二十】所示電路及電晶體之特性曲線,假設電晶體原來的工作點為Q點,則當RB 電阻值變大時,其新的工作點應近似於哪一點? (A) A點 (B) B點 (C) C點 (D) D點
46. 如圖【二十一】所示電路,其小信號等效輸出阻抗Zo最接近下列何值?(熱當電壓VT =26mV) (A) 7.5Ω (B) 17.5Ω (C) 27.5Ω (D) 37.5Ω
47. 如圖【二十二】所示電路,若R1=R2=Rf=100kΩ ,試求輸出電壓 Vo 之值?
(A) –6V (B) –3.5V (C) –4.5V (D) –5.5V
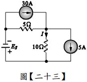
3. 如圖【二十三】所示電路,已知圖中電流 I = 5A,試求出電壓源 ES 為________V。
4. 如圖【二十四】所示電路,開關S閉合後,到達穩態時,電流i為________A。
7. 如圖【二十五】所示電路,若可忽略,假設矽電晶體之β=100,且=10V, RC=1kΩ,若欲使=5V,則RB之值等於________kΩ。
9. 如圖【二十六】所示之兩級串接放大器,若等於________伏特。
10. N通道JFET的=16mA,=-3V,當ID=4mA時求等於________伏特。