所屬科目:捷運◆電機概論
一、如圖所示電路,試求(1)Vab (5 分);(2)Vbd (5 分);(3) 三個電阻所消耗的功率和(5 分);(4)I3Ω (5 分) 。
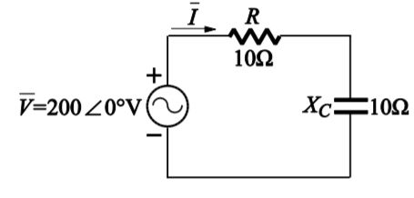
二、如圖所示之 RC 串聯電路,其中,電壓源之有效值為 200V。試 求電壓源供給電流之(1)均方根值(5 分);(2)平均功率(5 分); (3)視在功率(5 分);(4)無效功率 (5 分)。
三、有一 6kVA,3000V/200V,60Hz 之變壓器,二次換算為一次 的電阻 75Ω,二次換算為一次的電抗是 45Ω,此變壓器之負 載超前功率因數為 0.8,則 (1)一次額定電流 (5 分);(2)百分 比電阻壓降(5 分);(3)百分比電抗壓降(5 分);(4)電壓調整率 (5 分)。
四、有一部 150kVA、200 V、60Hz、Y 接線之三相同步發電 機,在作短路實驗時,測出短路電流為 200A,需激磁電流為 3A,作無載飽和曲線時,當激磁電流為 3A 時,其線間電壓 為 200 V,試求 (1) 該發電機每相之同步阻抗(10 分);(2) 短路比(10 分)