所屬科目:研究所、轉學考(插大)◆應用電子學
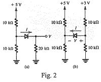
2. Assuming that the diodes in the circuits of Fig. 2 are ideal, please find the values of the labeled currents and voltages (8%).
(a) Please determine the amplifier input resistance, and the overall voltage gain. Assume ro of both transistors to be very large (12%).
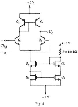
4. For the current-mirror-loaded differential amplifier in Fig. 4. Assume β = 100, = 0.7 V, IVAI = 60 V, Vt = 0.7 V, and k(WI) = 2 mA/V2. Please find: (a) differential input resistance (5%), (b) Ad (5%), and (c) CMRR (5%).
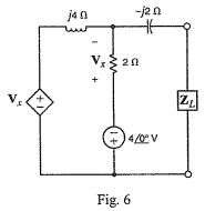
6. In Fig. 6, please find ZL for maximum average power transfer and please compute the maximum average power supplied to the load. (10%)