所屬科目:初等/五等/佐級◆基本電學大意
4 將 庫倫的電荷通過一電壓降,消耗 4 焦耳的能量,則此電壓降為多少伏特? (A) 500 (B) 800 (C) 1000 (D) 4000
5 如圖所示電路,則 18 歐姆(Ω)電阻之跨壓為多少伏特(V)? (A) 12 (B) 15 (C) 18 (D) 21
8 如圖所示之電阻電路,等效電阻 為多少歐姆? (A)3k (B)4k (C)5k (D)6k
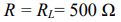
10 如圖所示之電路,則電流 I 為多少毫安培? (A)1 (B)2 (C)3 (D)4
11 一串並聯電路,流進/流出各個節點的分支電流如圖所示,其中 A1 及 A2 為電流錶,求 A2 之指示值為 多少安培(A)? (A)3 (B)6 (C)9 (D) 12
12 如圖所示之電路,電路中電壓源 40 V 所供應之電流為何? (A) 0.5 A (B)1A (C) 1.5 A (D)2A
13 如圖所示,若開關 A、B 及 C 均為閉合狀態時,通過 3-Ω 電阻之電流 I 為多少安培(A)? (A)0 (B) 0.8 (C)1 (D)2
14 如圖所示為一梯形電路,求 為多少伏特(V)? (A)+5 (B)-5 (C)+10 (D)-10
15 如圖所示之電路,節點 a 的電壓值 Va 為何? (A)2V (B) 3.5 V (C) 12 V (D) 24 V
16 如圖所示之電路,求 為多少伏特(V)? (A)8 (B) 12 (C) 16 (D) 20
17 如圖所示之多電源電路,若將左圖電路轉換成右圖電路,下列敘述何者正確? (A) (B) (C) R=24 Ω (D) R=12 Ω
18 如圖所示電路,求 AB 兩端之等效電阻值為何? (A) 1.5 歐姆 (B) 2.5 歐姆 (C) 3.75 歐姆 (D) 4.75 歐姆
19 如圖所示之電路,求電阻 可獲得之最大功率為幾瓦特? (A)2 (B)4 (C)6 (D)8
20 如圖所示之電路,求電阻 R 之最大功率值約為何? (A) 18.36 W (B) 16.38 W (C) 14.38 W (D) 13.68 W
21 一鐵心與兩個環繞其上的線圈如圖所示。若左側線圈接到一交流電壓源,右側線圈與一電阻相接,當 移除右側線圈相接電阻成為開路後,通過右側線圈之最大磁通會如何改變? (A)增加 (B)不變 (C)減少 (D)先增加後減少
23 如圖所示之電路,以克希荷夫法計算流經元件 F 之電流值? (A)- 1 A (B)- 2 A (C)- 6 A (D)- 7 A
24 如圖所示由電容器組成的電路,計算 ab 兩端的等效電容量為何? (A) 10 μF (B) 20 μF μ (C) 30 μF (D) 40 μF
26 如圖電感電路,若 L1=3 亨利(H)、L2=5 亨利、M=1 亨利,若通以 10 安培電流,則總電感儲能為多 少焦耳? (A) 300 (B) 400 (C) 500 (D) 600
29 如圖所示, 此電路的時間常數為多少秒? (A) 2.5 (B)2 (C) 0.5 (D) 0.2
30 如圖所示之 RL 並聯電路,在時間 t=0 時,開關 SW 閉合,若外加直流電流源 I=2 安培,當 t=4 毫 秒時,流經電阻之電流約為多少安培? (常用近似值;) (A) 1.98 (B) 1.96 (C) 0.04 (D) 0.02
33 圖示電壓波形之平均值約為何? (A) 70.72 V (B) 63.66 V (C) 54.32 V (D) 45.02 V
35 如圖所示之 RL 高通濾波器,已知-3 dB 截止頻率為 ;若,求 L 約為何? (A) 4 mH (B) 8 mH (C) 50 mH (D) 100 mH
36 一 為 40 伏特之交流電源,內部阻抗為(10+j10)歐姆 ,其所能供給予負載之最大輸出功率為多少 瓦特? (A) 20 (B) 40 (C) 80 (D) 160
38 設 ,求 為何? (A)5√2sin(ωt-45°) (B) 5sin(ωt+45°) (C)5√2sin(ωt+45°) (D) 5sin(ωt-45°)
40 如圖所示之電路,若 AC 交流電源之頻率為 50 Hz,且交流阻抗 ZT = (20-j2) Ω,求電容 C 約為多少毫 法拉? (A) 6.4 (B) 3.2 (C) 1.6 (D) 0.8