所屬科目:單晶片微處理機實習
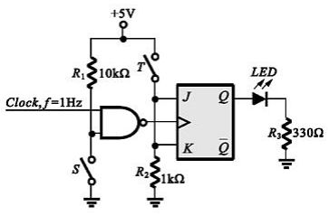
5. 如圖所示電路,其中ON代表開關閉合,OFF代表開關開路,若要讓LED產生明滅閃爍之顯示,則開關S及T之設定 為何?
(A)S為ON、T為ON (B)S為OFF、T為ON (C)S為ON、T為OFF (D)S為OFF、T為OFF
8. 一個1位元比較器輸入為X與Y,輸出有FX < Y ( X 小於Y)、FX > Y (X大於Y)、FX ≤Y (X小於等於Y)、FX = Y ( X 等於Y)與FX ≥Y (X大於等於Y ),下列敘述何者錯誤? (A) (B) (C) (D)
9. 如圖屬於下列何種電路? (A)D型正反器 (B)T型正反器 (C)SR正反器 (D)JK正反器
11. 如圖所示之電路,該電路的真值表(特性表)為下列何者? (A) (B) (C) (D)
12. 如圖所示,若Din = 0,CLK輸入1kHz脈波,求輸出Q之值為何? (A)0 (B)5kHz之脈波 (C)1 (D)1kHz之脈波
18. 如圖所示之電路,其中D型正反器的為低準位觸發動作,若,VDD開啟前電容已完全放電,則下列敘述 何者正確?
19. 當CLK為1kHz時,以下哪個正反器的輸出不是500Hz? (A) (B) (C) (D)
20. 如圖所示T型正反器,在沒有傳輸延遲的情況下,輸入CLOCK及輸出output之波型關係,下列何者正確? (A) (B) (C) (D)
21. 下列何者的功能與其他不同? (A) (B) (C) (D)
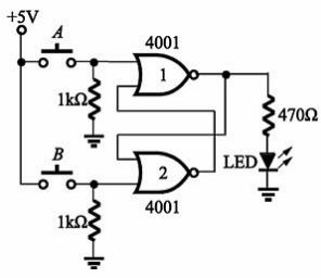
22. 如圖所示NOR閘組成的電路,若發光二極體(LED)不發亮,如欲使發光二極體發亮,要如何操作按鈕開關A與按鈕 開關B? (A)按鈕開關A導通(ON),按鈕開關B斷開(OFF) (B)按鈕開關A斷開(OFF),按鈕開關B導通(ON) (C)操控 按鈕開關A或按鈕開關B均無法使LED發亮 (D)按鈕開關A斷開(OFF),按鈕開關B斷開(OFF)
25. 二對一多工器有 A、B 兩資料輸入端和 Z 輸出端,其輸入選擇線為 S,則輸出端 Z 的布林代數式為 (A) Z = AS + BS (B) (C) Z = (A + S)(B + S) (D)
32. 兩個一位元二進位數 A 與 B 比較,其結果 A > B 之布林代數式為何? (A) (B) (C) A⊕B (D)
33. 使用兩個 1 位元比較器及數個基本邏輯閘,實作一個 2 位元比較器來判斷是否 A1A0 > B1B0,其設計如圖所示請問 X 與 Y 處應使用何種基本邏輯閘?
(A) X 為 AND,Y 為 AND (B) X 為 AND,Y 為 OR (C) X 為 OR,Y 為 AND (D) X 為 OR,Y 為 OR
35. 兩個一位元二進位數 A 與 B 比較,其結果之布林代數式為何? (A) (B) (C)A⊕B (D)
37. 下列有關 NAND 閘組成的 RS 閂鎖器之敘述,何者錯誤? (A) =0、=0為不允許的狀態 (B)=0 、=1,則 Q 清除為 0 (C) =0、=0時,則 Q 設定為 1 (D) =1、=1則 Q 轉態
40. 如圖所示之邏輯電路,若 A = 1、B = 0,當輸出達到穩態時,下列何者正確?
(A) C=0、D=0 (B) C=0、D=1 (C) C=1、D=0 (D) C=1、D=1
41. 如圖所示係由 NOR 閘所組成的 RS 閂鎖器(Latch),則其真值表最有可能為下列何者? (A) (B) (C) (D)
42. 如圖所示電路,假設輸出端原來的狀態 Q = 0、=1 ,當輸入端=0、=1,則輸出端 Q 與 的下一個狀態為何? (A) (B) (C) (D)
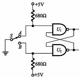
43. 可以用來消除開關彈跳(debounce)現象的正反器為 (A) RS 正反器 (B) T 型正反器 (C) D 型正反器 (D) RS 閂鎖器
44. 在 RS 正反器中,假設輸出端原來的狀態 Q = 1、=0 ,當輸入端 R = 1、S = 0 時,則 CK 觸發後輸出端 Q 與的下一個狀態為何? (A) (B) (C) (D)
45. 如圖所示為一個邊緣取出電路,下列何者為該電路中連接點 A、B 及 Y 之正確波形?(所選用邏輯閘之延遲時間 均相同) (A) (B) (C) (D)
47. 在 RS 正反器中,假設輸出端原來的狀態Q=0、=1 ,當輸入端 R = 0、S = 1 時,則 CK 觸發後輸出端 Q 與的下一個狀態為何? (A) (B) (C) (D)
50. 如圖所示,假設圖內兩個邏輯閘的延遲時間皆為 Td,請問下列敘述何者正確? (A) 當 A 輸入一個由高準位轉為低準位的脈波,則 Y 會輸出一個寬度為 Td 的高準位脈波,而後維持低準位 (B) 當 A 輸入一個由低準位轉為高準位的脈波,則 Y 輸出一個寬度為 Td的高準位脈波,而後維持低準位 (C) 當 A 輸入一個由 高準位轉為低準位的脈波,則 Y 在延遲 2 個 Td 時間後,產生一個脈波上升正緣,並維持寬度為 Td 的高準位脈波,而 後維持低準位 (D) 當 A 輸入一個由低準位轉為高準位的脈波,則 Y 在延遲 2 個 Td 時間後,產生一個脈波上升正緣, 並維持寬度為 Td 的高準位脈波,而後維持低準位