所屬科目:電路學
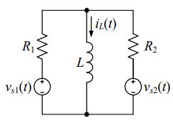
一、如下圖所示之電路,已知電路之參數為:、 R1 = 3 Ω、R2 = 6 Ω、L = 2 H、。試求時間 t > 0 s 之 表示 式。
二、如下圖所示之弦波穩態電路。試求:當該電路的角頻率ω分別為 0 rad/s、 ∞無限大)rad/s、1 / LC rad/s 等三個條件下之 值。
三、如下圖所示之直流電路,已知該電路之參數為:V1 = 30 V、V2 = -45 V、 R1 = 20 Ω、R2 = 10 Ω、R3 = 5 Ω、R4 = 15 Ω。試先以網目分析(mesh analysis)法求出圖中兩個網目電流 i1、i2 之值,再求出圖中三個支路電流 之值。
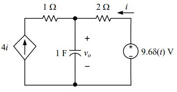
四、如下圖所示之電路,已知圖中的 1 F 電容器沒有初始電壓,試以拉普拉斯轉換(Laplace transform)求出圖中 t > 0 s 時之 。
五、如下圖所示之波德大小圖(Bode magnitude plot),試求出其轉移函數 (transfer function)H(ω)之表示式。
六、一個雙埠網路(two-port network)之阻抗參數或 z 參數如下: