阿摩線上測驗
登入
首頁
>
國營事業◆自動控制
> 110年 - 110 臺灣菸酒股份有限公司_從業職員及從業評價職位人員甄試_從業職員電子電機_專業科目 2:自動控制#118447
110年 - 110 臺灣菸酒股份有限公司_從業職員及從業評價職位人員甄試_從業職員電子電機_專業科目 2:自動控制#118447
科目:
國營事業◆自動控制 |
年份:
110年 |
選擇題數:
0 |
申論題數:
7
試卷資訊
所屬科目:
國營事業◆自動控制
選擇題 (0)
申論題 (7)
(一)請求出此控制系統之轉移函數 Y(s)/R(s)=?【15 分】
(二)請求出此控制系統之特徵方程式為何?【10 分】
(一)請求出單位步階輸入 R(s)=1/s 之系統的穩態誤差=?【15 分】
(二)求單位斜坡輸入 R(s)=1/s
2
之系統的穩態誤差=?【10 分】
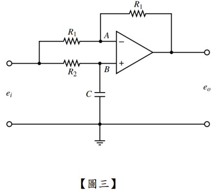
第三題:
一個電路系統如【圖三】所示,請求出系統之轉移函數
=?【25 分】
(一)請求出使輸出 C(s)不受雜訊影響的轉移函數 H(s),也就
= 0。【10 分】
(二)由第(一)小題所求得的 H(s),請求當輸入為一單位斜坡函數 r(t)=t u(t),N(s)=0 時,使得 e(t)的穩態值為 0.1 之 K 的值。【15 分】