阿摩線上測驗
登入
首頁
>
技檢◆機電整合-丙級
> 110年 - 110-1 全國技術士技能檢定學科_丙級:17000機電整合#97492
110年 - 110-1 全國技術士技能檢定學科_丙級:17000機電整合#97492
科目:
技檢◆機電整合-丙級 |
年份:
110年 |
選擇題數:
80 |
申論題數:
0
試卷資訊
所屬科目:
技檢◆機電整合-丙級
選擇題 (80)
1. 有一直流馬達輸出馬力為 2HP、效率為 0.9,則輸入功率為(A)1.56kW(B)1.86k W(C)1.66kW(D)1.76k W。
2. 液壓油的流量單位在公制常以 LPM 表示,其中 L 為公升等於(A)10
4
cc (B)10
2
cc(C)10
1
cc (D)10
3
cc。
3. 「度」是水費的計量單位,你知道一度水的容量大約有多少?(A)3 立方公尺的水量(B)2,000 公升(C)3 000 個 600cc 的寶特瓶(D)1 立方公尺的水量。
4. 下列何者是 PLC 使用於 DC 電源之非機械接點式接地電源輸出接點?(A)繼電器(B)N PN 電晶體(C)固 態繼電器(D)PNP 電晶體。
5. 下圖是一種
(A)齒條與小齒輪(B)蝸桿與蝸輪(C)蝸線斜齒輪(D)直齒斜齒輪。
6. 下列那一種螺紋最常做為連結機件用(A)V 型螺紋(B)斜方型螺紋(C)梯型螺紋(D)方型螺紋。
7. 機械元件若為對稱形,可同時看見外部及內部形狀、尺寸之剖面圖是那一種(A)局部剖面圖(B)旋轉剖 面圖(C)半剖面圖(D)全剖面圖。
8. 洗菜水、洗碗水、洗衣水、洗澡水等的清洗水,不可直接利用來做什麼用途?(A)沖馬桶(B)洗地板(C) 飲用水(D)澆花。
9. 下列有關機件、機構與機械之敘述,何者錯誤?(A)機件必定為剛體(B)軸承為一種固定機件(C)機械為 機構之集合體(D)機構為機件之集合體。
10. 下列何種馬達,必須供應直流電源?(A)同步馬達(B)變速馬達(C)直流馬達(D)交流馬達。
11. 如下圖之氣壓符號為
(A)三級壓力放大器(B)一級壓力放大器(C)常壓型氣導式三口二位方向閥(D)二級壓力放大器。
12. 如將三相感應電動機之任意兩電源線對調,則此馬達的(A)轉向不變(B)轉速增快(C)轉速減慢(D)轉向相 反。
13. 電磁開關是指(A)積熱電驛+電磁接觸器(B)積熱電驛+無熔絲開關(C)電磁接觸器+電磁繼電器(D)電磁接 觸器+無熔絲開關。
14. 下列傳動組合,何者傳動背隙較小(A)小齒輪與齒條(B)方形螺桿與套筒(C)鏈條與鏈輪(D)滾珠螺桿與套 筒。
15. 下列關於個人資料保護法的敘述,下列敘述何者錯誤?(A)身分證字號、婚姻、指紋都是個人資料(B) 我的病歷資料雖然是由醫生所撰寫,但也屬於是我的個人資料範圍(C)公務機關依法執行公權力,不 受個人資料保護法規範(D)不管是否使用電腦處理的個人資料,都受個人資料保護法保護。
16. 共陰極七段顯示器一般使用何種 TTL IC 解碼?(A)8051(B)7447(C)7448(D)7449。
17. 下圖是一種
(A)扭力彈簧(B)平板彈簧(C)壓縮彈簧(D)拉力彈簧。
18. 以三用電表量測未知電壓時,應先選擇從何處開始測量?(A)任一檔(B)最低檔(C)最高檔(D)中間檔。
19. 一般使用照光式按鈕開關最主要的考量是(A)價格便宜(B)控制容易(C)節省空間(D)配線方便。
20. 勞工在何種情況下,雇主得不經預告終止勞動契約?(A)確定被法院判刑 6 個月以內並諭知緩刑超過 1 年以上者(B)非連續曠工但 1 個月內累計達 3 日以上者(C)不服指揮對雇主暴力相向者(D)經常遲到早 退者。
21. 齒輪傳動中,齒輪與軸之連接機件是(A)滑塊(B)鍵(C)鉚釘(D)彈簧。
22. 甲公司嚴格保密之最新配方產品大賣,下列何者侵害甲公司之營業秘密?(A)甲公司授權乙公司使用 其配方(B)鑑定人 A 因司法審理而知悉配方(C)甲公司與乙公司協議共有配方(D)甲公司之 B 員工擅自 將配方盜賣給乙公司。
23. 在保持電驛(Keep Relay)之 C.C(Control Coil)代表(A)復歸線圈(B)投入線圈(C)保持線圈(D)選擇線 圈。
24. 下列何者不是電動機發生振動之原因(A)聯軸器鬆脫(B)轉子不平衡(C)固定不穩(D)連結不良。
25. 如下圖為氣壓式計數器符號圖,有關復歸信號是指什麼的接口?
(A)P(B)Z(C)A(D)Y。
26. 同步電動機起動時,激磁電流是應該(A)起動之同時加(B)起動後加(C)起動前先加(D)起動後也不加。
27. 下列量具何者通常用來檢查滑台移動平行度及定位精度(A)水平儀(B)碼錶(C)尺規(D)指示量表。
28. 大多數變壓器的故障都發生在(A)鐵心(B)套管(C)線圈(D)外殼。
29. 勞工發生死亡職業災害時,雇主應經以下何單位之許可,方得移動或破壞現場?(A)保險公司(B)勞動 檢查機構(C)法律輔助機構(D)調解委員會。
30. 液壓油的流量常以 LPM 表示,若標示為 10LPM,表示相當於(A)10 公秉/分鐘(B)10000 CC/分鐘(C)0. 1 立方公尺/分鐘(D)1 公升/分鐘。
31. 一般而言,參考何種圖組裝機構是最為清楚(A)爆炸圖(B)三視圖(C)剖面組立圖(D)輔助圖。
32. 有一雙動氣壓缸搭配二位閥與兩個定位磁簧開關,在 I/O 接點固定且正常之下,於試車時發現定位磁簧開關感應正確,氣壓缸的作動停頓於半途,最可能是何處錯誤所造成?(A)氣壓缸缸體故障(B)氣 壓缸供氣相反(C)氣壓缸供氣與定位磁簧開關安裝位置相反(D)定位磁簧開關安裝位置相反。
33. 臺灣嘉南沿海一帶發生的烏腳病可能為哪一種重金屬引起?(A)鎘(B)砷(C)鉛(D)汞。
34. 三相感應電動機的旋轉速度是依據下列哪一個選項與磁極數來決定?(A)電阻(B)頻率(C)電壓(D)電流。
35. 如下圖所示,是一種
(A)切線凸輪(B)凹槽式確動凸輪(C)偏心確動凸輪(D)三角確動凸輪。
36. 台灣是屬缺水地區,每人每年實際分配到可利用水量是世界平均值的約多少?(A)四分之一(B)五分之 一(C)二分之一(D)六分之一。
37. 拆裝螺絲時,使用下列何種扳手,可安全又快速完成?(A)固定(B)棘輪套筒(C)梅花(D)活動。
38. 下列元件何者具有電氣隔離作用(A)二極體(B)電晶體(C)光耦合器(D)場效電晶體。
39. 購買下列哪一種商品對環境比較友善?(A)材質可以回收的商品(B)一次性的產品(C)過度包裝的商品(D) 用過即丟的商品。
40. 工業規格之閥件,限定使用溫度在 5 ~50℃之間,係受限於閥件內部之(A)襯墊材料(B)使用空氣(C)閥 體材料(D)滑軸材質。
41. 下列何種螺紋若有磨損仍可補償?(A)圓頭(B)方型(C)V 型(D)梯型。
42. 下列哪一個元組件可將空氣的壓力能,轉換為直線式運動(A)氣壓馬達(B)氣壓缸(C)氣壓噴嘴(D)氣壓擺 動缸。
43. 下列何者非加裝蓄壓器的主要功能(A)節省消耗能源(B)吸收脈動壓力(C)吸收衝擊壓力(D)增加油壓泵驅 動馬力。
44. 把交流電力變成直流電力的裝置為(A)濾波器(B)倍壓器(C)整流器(D)變流器。
45. 四公尺以內之公共巷、弄路面及水溝之廢棄物,應由何人負責清除?(A)里辦公處(B)清潔隊(C)相對戶或相鄰戶分別各半清除(D)環保志工。
46. 軸承為一種(A)固定用機件(B)控制用機件(C)連結用機件(D)傳動用機件。
47. 電氣設備接地之目的為何?(A)防止電弧產生(B)防止人員感電(C)防止電阻增加(D)防止短路發生。
48. 在 CNS 機械製圖中,標註半徑會用那一個大寫的英文字母加上半徑值(A)C(B)S(C)R(D)D。
49. 下列那一種空氣壓縮機壓縮空氣最乾淨(A)軸流式壓縮機(B)膜片式壓縮機(C)魯氏鼓風機(D)螺旋壓縮 機。
50. 一般直流電源供應器可提供(A)交流電源 220VAC(B)交流電源 110VA C(C)直流電源 12VDC(D)直流電源 220VDC。
51. 單相電動機使用電解電容器的目的為(A)增加轉速(B)增加馬力(C)減少起動(D)增強起動。
52. 按菸害防制法規定,下列敘述何者錯誤?(A)加油站屬易燃易爆場所,任何人都要勸阻在禁菸場所抽菸的人(B)餐廳、旅館設置室內吸菸室,需經專業技師簽證核可(C)任何人都可以出面勸阻在禁菸場所 抽菸的人(D)只有老闆、店員才可以出面勸阻在禁菸場所抽菸的人。
53. 要提高以 TTL IC 解碼七段顯示器的亮度,使用下列何種措施最適宜?(A)提高 TTL IC 電壓值(B)更 換另一個新的 TTL 解碼 IC(C)降低七段顯示器串聯電阻值(D)更換另一個新的七段顯示器。
54. 利用聯軸器傳動,兩軸心允許之偏心量為(A)稍有偏心(B)大(C)要完全對心(D)非常大。
55. 平板墊圈之外徑應比螺帽之對角長度(A)大(B)小(C)不一定(D)相同。
56. 下列哪一種機構可以把連續圓周運動轉換為間歇圓周運動?(A)肘節機構(B)日內瓦機構(C)齒條與小齒 輪機構(D)曲柄與滑塊機構。
57. 在數位邏輯中,反及閘(NAND)的符號為(A)
(B)
(C)
(D)
。
58. 定位銷之設置宜(A)最大距離二支(B)於中心點一支(C)中心線上二支(D)最短矩離二支。
59. 有關壓接端子之壓接處理下列何敘述為誤?(A)端子之壓接面有方向性(B)一個端子不可以同時壓接三條導線(C)用合適之壓接鉗來壓接端子(D)可以使用鋼絲鉗作壓接工具。
60. 以歐姆表測量電容器,若指示為 0 Ω 時,表示該電容器為(A)斷路(B)正常(C)充電已滿(D)短路。
61. 下列何者是流量單位?(A)pps(B)lpm(C)rps(D)rpm。
62. RS-232C 介面是屬於(A)調變設備(B)串列傳輸(C)並列傳輸(D)類比信號傳輸。
63.
左圖為電氣接點符號為(A)串聯(B)不連接(C)並聯(D)串並聯。
64. 根據性騷擾防治法,有關性騷擾之責任與罰則,下列何者錯誤?(A)對他人為性騷擾者,由直轄市、 縣(市)主管機關處 1 萬元以上 10 萬元以下罰鍰(B)對於因教育、訓練、醫療、公務、業務、求職, 受自己監督、照護之人,利用權勢或機會為性騷擾者,得加重科處罰鍰至二分之一(C)對他人為性騷 擾者,如果沒有造成他人財產上之損失,就無需負擔金錢賠償之責任(D)意圖性騷擾,乘人不及抗拒 而為親吻、擁抱或觸摸其臀部、胸部或其他身體隱私處之行為者,處 2 年以下有期徒刑、拘役或科 或併科 10 萬元以下罰金。
65. 如下圖示為游標卡尺量測後之顯示,箭頭標示本尺與副尺吻合線,請問由此可知量測之尺寸為何?
(A)0.1mm(B)1.2mm(C)0.12mm(D)1.3mm。
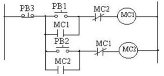
66. 如下圖所示之繼電器電路,當 MC1 與 MC2 OFF 時,若依序押下啟動按鈕 PB2 與 PB1 時,則
(A)MC 1 不動作,MC2 動作(B)MC1 與 MC2 均不動作(C)MC1 動作,MC2 不動作(D)MC1 或 MC2 均動作。
67. 下列何者可改變氣壓缸或油壓缸之作用力(A)溫度(B)液位(C)流量(D)壓力。
68. 供給繼電器線圈電壓若低於額定電壓會造成(A)燒毀(B)接觸不良(C)無法動作(D)短路。
69. 下圖是一種
(A)平板彈簧(B)扭力彈簧(C)拉力彈簧(D)壓縮彈簧。
70. LVDT 可用來檢測油壓缸的(A)速度(B)行程(C)壓力(D)流量。
71. 下列何種機件無法於機構中傳達運動與動力(A)齒輪(B)導螺桿(C)軸承(D)凸輪。
72. 滾珠軸承一般使用的潤滑劑是(A)機油(B)防銹油(C)石墨(D)黃油。
73. 適用於承載輕負載之高速迴轉運動場合,又可保持良好之裝配精度,下列何種軸承最適合?(A)滾針 軸承(B)線性軸承(C)滾珠軸承(D)滑動軸襯。
74. 有一支 ψ40×300st 之氣壓缸以等速移動,經測量,得知後端至前端時間為 3 sec,其移動速度為多少 mm/sec?(A)250(B)100(C)200(D)150。
75. 下列何者不屬於可程式控制器之輸入裝置?(A)電磁閥(B)壓力開關(C)按鈕開關(D)極限開關。
76. 於營造工地潮濕場所中使用電動機具,為防止漏電危害,應於該電路設置何種安全裝置?(A)高容量 保險絲(B)高感度高速型漏電斷路器(C)自動電擊防止裝置(D)閉關箱。
77. 下列何種方式有助於節省洗衣機的用水量?(A)洗濯衣物時盡量選擇高水位才洗的乾淨(B)洗衣機洗滌 的衣物盡量裝滿,一次洗完(C)購買洗衣機時選購有省水標章的洗衣機,可有效節約用水(D)無需將衣 物適當分類。
78. 下列何者是 PLC 用於 A C 電源之非機械接點式輸出接點?(A)PN P 電晶體(B)繼電器(C)固態繼電器(D)N PN 電晶體。
79. 下列何者是海洋受污染的現象?(A)溫室效應(B)形成紅潮(C)臭氧層破洞(D)形成黑潮。
80. 緩衝器所吸收的能量是哪一種?(A)位能(B)動能(C)壓力能(D)熱能。
申論題 (0)
相關試卷
114年 - 17000 機電整合 丙級 工作項目 08:維修 1-40(2025/12/30 更新)#135865
114年 · #135865
114年 - 17000 機電整合 丙級 工作項目 07:試車與調整 1-37(2025/12/30 更新)#135864
114年 · #135864
114年 - 17000 機電整合 丙級 工作項目 06:自動化機構認識及裝配 51-109(2025/12/30 更新)#135863
114年 · #135863
114年 - 17000 機電整合 丙級 工作項目 06:自動化機構認識及裝配 1-50(2025/12/30 更新)#135862
114年 · #135862
114年 - 17000 機電整合 丙級 工作項目 05:電動機認識及使用 1-55(2025/12/30 更新)#135861
114年 · #135861
114年 - 17000 機電整合 丙級 工作項目 04:電控感測元件認識及迴路裝配 101-123(2025/12/30 更新)#135860
114年 · #135860
114年 - 17000 機電整合 丙級 工作項目 04:電控感測元件認識及迴路裝配 51-100(2025/12/30 更新)#135859
114年 · #135859
114年 - 17000 機電整合 丙級 工作項目 04:電控感測元件認識及迴路裝配 1-50(2025/12/30 更新)#135858
114年 · #135858
114年 - 17000 機電整合 丙級 工作項目 03:氣壓、油壓元件認識與迴路裝配 51-113(2025/12/30 更新)#135857
114年 · #135857
114年 - 17000 機電整合 丙級 工作項目 03:氣壓、油壓元件認識與迴路裝配 1-50(2025/12/30 更新)#135856
114年 · #135856