阿摩線上測驗
登入
首頁
>
技檢◆配電線路裝修-乙級
> 111年 - (最新版)04000 配電線路裝修 乙級 工作項目 01:電工專業知識 51-118#40665
111年 - (最新版)04000 配電線路裝修 乙級 工作項目 01:電工專業知識 51-118#40665
科目:
技檢◆配電線路裝修-乙級 |
年份:
111年 |
選擇題數:
68 |
申論題數:
0
試卷資訊
所屬科目:
技檢◆配電線路裝修-乙級
選擇題 (68)
51. 絕緣物之絕緣值,除受濕氣之影響外,對溫度之高低亦有影響,若溫度昇高則絕緣電阻值(A)昇高(B)不變(C) 為零(D)減低。
52. 一負載電阻為 10Ω,另一負載電阻為 40Ω,兩負載並聯接線時,其總電阻為(A)50(B)30(C)8(D)4 Ω。
53. 兩電壓、電流表連接於交流電路中,其所測得之數值為該交流波形之(A)有效值(B)平均值(C)瞬間值(D)最大值。
54. 變壓器接線中,會產生第三諧波電壓之接法為(A)Y-△(B)△-△(C)△-Y(D)Y-Y。
55. 如下圖所示 a.b.c 任意兩端之電容為若干?(A)18μf(B)12μf(C)9μf(D)2μf。
56. 下列電路之總電流(I)為(A)11(B)10(C)9(D)8 安培。
57. 若導電體其長度不變,直徑增加一倍時,則其電阻為原來之(A)1/4(B)1/2(C)2(D)4 倍。
58. 兩只 2 歐姆之電阻並聯後,再與 3 歐姆及 5 歐姆二只電阻串聯,則總電阻為(A)12 歐姆(B)9 歐姆(C)8 歐姆(D)7 歐姆。
59. 某燈泡標明 120V 60W,則該燈泡之電阻為(A)50(B)60(C)120(D)240 歐姆。
60. 某電爐之電熱線圈電阻為 4Ω,其負載電流為 20A,則該電爐消耗之電力為(A)80W(B)320W(C)640W(D)1600W。
61. RLC 串聯電路中,容抗為 100 歐姆、感抗為 200 歐姆、電阻為 100 歐姆,則此電路之總阻抗為(A)400(B)173 (C)141(D)100 歐姆。
62. RLC 串聯電路中,電壓為 E、電阻為 R、感抗為 XL、容抗為 XC,當 XL=XC時,此電路電路 I 為(A)零(B)最小 (C)(1/2)E/R(D)最大。
63. 某一交流正弦波電壓之有效值為 100 伏,則其最大瞬間值為(A)104.5 伏(B)110 伏(C)141.4 伏(D)173.2 伏。
64. 60 週波四極感應電動機,其同步轉速為(A)7200rpm(B)3600rpm(C)2400rpm(D)1800rpm。
65. 380 伏三相四線式電路之相電壓為(A)110 伏(B)190 伏(C)220 伏(D)380 伏。
66. 如下圖,變壓器 V 結線,則 C 與 N 間之電壓為(A)110V(B)110
V(C)110
V(D)170V。
67. 配電線路由 3.3KV 上升到 6.6KV,同一損失率送電時,送電電力比升壓前增加(A)3 倍(B)2 倍(C) 倍(D)4 倍。
68. 下列各因數中,其數值大於或等於 1 者為(A)需量因數(B)負載密度因數(C)負載因數(D)參差因數。
69. 下圖中,圖 a 之線路損失為圖 b 之
(A)1/4 倍(B)1/2 倍(C)2 倍(D)4 倍。
70. 三個相同電阻並聯後,其總電阻為原來個別電阻值之(A)3 倍(B)2 倍(C)1/3 倍(D)1/2 倍。
71. 某一配電線路由原 3.3KV 改壓為 6.6/11.4KV 時,若其供電容量不變,則其線路電壓降百分率約為原來之(A)1 /2(B)1/(2 )(C)1/9(D)1/12。
72. 二具額定 100KVA 變壓器作 V-V 結線時,其額定最大輸出容量為(A)200(B)173.2(C)150(D)141.4 KVA。
73. 標稱 100 伏特 100 瓦特的白熾燈,接在 110 伏特的電路上,其所耗電功率為(A)90.9 瓦特(B)110 瓦特(C)121 瓦 特(D)133 瓦特。
74. 如下圖,X1及 X2兩感抗並接於交流電路中,則 a、b 間之阻抗為(A)(X
1
.X
2
)/(X
1
+X
2
)(B)(X
1
+X
2
)/(X
1
.X
2
)(C)(j X
1
.X
2
)/(X
1
+X
2
)(D)(X
1
+X
2
)/(jX
1
.X
2
)。
75. 下圖單相三線式線路,如每條電線之電阻為 0.5Ω 時,其全部線路損失為(A)78W(B)84W(C)92W(D)96W。
76. 某工廠某日用電負載曲線如下圖,其負載率為(A)45%(B)60%(C)67%(D)73%。
77. 三相變壓器 15KVA 變壓比為 11400/220V,其低壓側額定電流約為(A)30A(B)37.5A(C)39.4A(D)68A。
78. 於 R-L-C 並聯電路,若頻率小於共振頻率時,則該電路呈(A)電阻性(B)電容性(C)電感性(D)不一定。
79. 下圖中 a.b 間之等值電容為(A)3μf(B)6μf(C)7.5μf(D)12μf。
80. 下圖中,伏特計之內阻為 20KΩ,則所測得電壓為
(A)50V(B)66.6V(C)80V(D)110V。
81. 直徑 2.0 ㎜長 100M 電阻係數 ρ=0.017Ω ㎜
2
/M 之軟銅線,其電阻為(A)0.17(B)0.34(C)0.54(D)0.85 Ω。
82. 有 A、B 兩根同材質之銅線,A 導線直徑 1.6 ㎜長 100M,B 導線直徑 3.2 ㎜長 200M,則 A 導線之電阻為 B 導線電阻之(A)4(B)2(C)1(D)0.5 倍。
83. 有一 2KW 電熱器,連續使用 10 分鐘,則所發生之熱量為(A)4,800(B)2,400(C)1,600(D)1,200 仟焦耳。
84. 有一電熱器使用電壓為 110V,使用電流為 3A,若連續使用 2 小時,則其所耗電力(W)為(A)0.3(B)0.6(C)0.33(D) 0.66 KW。
85. 下圖回路中,如 A、B 兩端接於 110V 電源,當開關 S 投入時,電流計
之電流值為開關 S 打開時之(A)1.5 倍(B)2 倍(C)2.3 倍(D)2.5 倍。
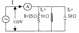
86. 下圖回路中,試求其功率因數為多少?(A)100%(B)80%(C)75%(D)60%。
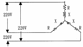
87. 下圖所示,係三相平衡電路,其所消耗總電力為多少 KW?,但 R=4Ω,X=3Ω(A)7.743KW(B)13.410KW(C)23. 232KW(D)94.285KW。
88. 下圖所示,三相 Y 接平衡電路,其所消耗總電力為多少 KW?,但 R=8Ω,X=6Ω(A)1.61KW(B)3.87KW(C)4.84 KW(D)11.62KW。
89. 下圖所示,某 1ψ3W 電路中,假如在"X"符號處發生斷線,則線路會發生何種狀況(A)電路之電力損失會顯 著減少(B)電源變壓器有燒損之虞(C)電源變壓器之接地線有燒損之虞(D)負載不平衡時,負載端電壓會產生異 常現象。
90. 與低壓三相感應電動機並聯連接之電力用電容器,其主要目的為(A)抑制電動機之起動電流(B)抑制電動機之 轉差速率(C)用來改善功率因數(D)用來調整電動機之轉速。
91. 一具三相感應電動機,由頻率 50Hz 改接到頻率 60Hz 之電源下運轉,其轉速狀況如何(A)不會轉動(B)轉速無 變化(C)轉速變快(D)轉速變慢。
92. 額定容量 25KVA 單相變壓器三具接成 Δ 結線供電,因其中一具故障,則改接成 V 結線繼續供給三相負載, 在不超載情況下,則三相負載應限制在(A)50(B)57(C)85(D)100 %以內。
93. 額定容量 10KVA 單相變壓器乙具,若其二次額定電壓為 120V 時,則其二次額定電流為(A)20.83(B)41.66(C)83. 33(D)166.66 A。
94. 某 3
ψ
4W 式配電線路,如將電壓提昇為原來電壓 2 倍時,則其電力損失為原來(A)1/4(B)1/2(C)2(D)4 倍。
95. 下圖所示,有一
1ψ
2W 配電線路,在 a 點處電壓為 110V,則 C 點處電壓為(A)110(B)107(C)105(D)100 V。
96. 某一線圈電阻為 0.05MΩ,接到 1.5V 電池上,如電池之內阻為 0.1MΩ 時,則流經此線圈之電流為(A)100(B)1 50(C)300(D)1,000 mA。
97. 下圖所示,其電流 I 應為多少安培?(A)E/2R(B)
E/R(C)E/R(D)E/
R。
98. 某單相變壓器,其輸出之效率最大時
η
=90%,輸出電力為 20KW,則此變壓器之鐵損約為(A)90(B)100(C)110 (D)120 W。
99. 如下圖 RLC 並聯電路中,接於交流電源,問流經電流計
之電流為多少?
(A)2.2A(B)4.4A(C)6.6A(D)8.8A。
100. 下圖所示,Y-△電阻轉換,則 r 為(A)3R(B)2R(C)1/3R(D)1/2R。
複選題
複選題
101. 下列敘述哪些正確?(A)電流由高電位流向低電位(B)電路之電壓不變,電流與電路電阻成正比(C)電路之電壓 不變,電流與電路電阻成反比(D)I=E/R 為歐姆定律。
複選題
102. 下列敘述哪些正確?(A)電容量的單位為法拉(B)電容量的大小,與其兩極板之間介電質的介電係數成正比(C) 電容量的大小,與其兩極板之間介電質的介電係數成平方正比(D)電容量的大小,如將兩極板間的距離加長 一倍,則電容量為原來的 1/2 倍。
複選題
103. 下列敘述哪些正確?(A)電感量的單位為亨利(B)兩磁極間的距離若縮短為原來的一半,則其作用力為原來的 4 倍(C)單位磁極在磁場中某點的受力,稱為該點之磁場強度(D)兩磁極間的距離若縮短為原來的一半,則其 作用力為原來的 2 倍。
複選題
104. 下列哪些因素會影響電阻值的大小?(A)導體的材料(B)導體的截面積(C)導體的長度(D)導體的溫度。
複選題
105. 有關電路並聯特性,下列敘述哪些錯誤?(A)各電阻器之電流相等(B)電阻器並聯愈多,總電流愈小(C)總消耗 功率等於各電阻器消耗功率之和(D)總電壓等於各電阻器電壓。
複選題
106. 有關電壓源與電表內阻,下列敘述哪些錯誤?(A)電壓源內阻愈小愈好;電壓表內阻愈小愈好(B)電壓源內阻 愈小愈好;電壓表內阻愈大愈好(C)電壓源內阻愈大愈好;電壓表內阻愈小愈好(D)電壓源內阻愈大愈好;電 壓表內阻愈大愈好。
複選題
107. 欲量測負載的電壓及電流,所用儀表之連接,下列敘述哪些錯誤?(A)電壓表與負載串聯;電流表與負載串 聯(B)電壓表與負載串聯;電流表與負載並聯(C)電壓表與負載並聯;電流表與負載並聯(D)電壓表與負載並聯; 電流表與負載串聯。
複選題
108. 有關家庭用電,下列敘述哪些正確?(A)家庭用電器係以並聯方式連結(B)使用的電器並聯愈多,則總電流愈 大(C)使用保險絲的連接應與電路並聯(D)家庭用電器應適當接地,以免有觸電的危險。
複選題
109. 下列哪些電器設備無法改善馬達負載之功率因素?(A)電容器(B)電感器(C)電阻器(D)電感器與電阻器。
複選題
110. 有關電位,下列敘述哪些為正確?(A)具有方向(B)愈靠近正電荷處電位愈高(C)具有大小(D)與溫度成正比。
複選題
111. 用三用電表來檢測燈泡是否燒壞,下列敘述哪些錯誤?(A)用電阻檔測燈泡的電阻(B)用電流檔測燈泡的電壓 (C)用直流電壓檔測燈泡的電流(D)用交流電壓檔測燈泡的電流。
複選題
112. 求下圖之 I、V
1
及 V
2
=?(A)I=3A(B)I
2
=3A(C)V
1
=24V(D)V
2
=6V。
複選題
113. 下列配電圖資哪些正確?(A)符號
之設備名稱為路燈專用變壓器(B)符號
之設備名稱為架空改良式變壓 器(C)符號
之設備名稱為密封型變壓器(D)符號
之設備名稱為電壓調整器。
複選題
114. 下列配電圖資哪些正確?(A)
表既設管新設穿線(B)
表在新設管內穿線(C)
表既設空管(D)
表既設管線。
複選題
115. 對於導體電阻值,下列敘述哪些錯誤?(A)電阻與長度成正比(B)電阻與截面積成正比(C)電阻與長度無關(D)電 阻與截面積無關。
複選題
116. RLC 串聯電路中,當發生共振時,下列哪些正確?(A)電路之電流為最大(B)電容抗等於電感抗(C)電路總阻抗 為純電阻特性(D)電路之電流為最小。
複選題
117. 有關交流電,下列敘述哪些正確?(A)電壓及電流大小及電壓極性、電流方向均隨時間改變(B)頻率與週期互 為倒數(C)波峰因數(C.F)=最大值/有效值(D)波峰因數(C.F)=有效值/平均值。
複選題
118. 8 歐姆電阻與 6 歐姆電感抗串聯之負載,其阻抗值 Z=?,功率因數 cosθ=?(A)Z=10Ω(B)Z=20Ω(C)cos θ=0.6(D)cosθ=0.8。
申論題 (0)
相關試卷
114年 - 04000 配電線路裝修 乙級 工作項目 07:活線作業 101-136(2025/10/23 更新)#132590
114年 · #132590
114年 - 04000 配電線路裝修 乙級 工作項目 07:活線作業 51-100(2025/10/23 更新)#132589
114年 · #132589
114年 - 04000 配電線路裝修 乙級 工作項目 07:活線作業 1-50(2025/10/23 更新)#132588
114年 · #132588
114年 - 04000 配電線路裝修 乙級 工作項目 06:地下配電施工 51-76(2025/10/23 更新)#132587
114年 · #132587
114年 - 04000 配電線路裝修 乙級 工作項目 06:地下配電施工 1-50(2025/10/23 更新)#132586
114年 · #132586
114年 - 04000 配電線路裝修 乙級 工作項目 05:配電設備 51-72(2025/10/23 更新)#132585
114年 · #132585
114年 - 04000 配電線路裝修 乙級 工作項目 05:配電設備 1-50(2025/10/23 更新)#132584
114年 · #132584
114年 - 04000 配電線路裝修 乙級 工作項目 04:架線 51-89(2025/10/23 更新)#132583
114年 · #132583
114年 - 04000 配電線路裝修 乙級 工作項目 04:架線 1-50(2025/10/23 更新)#132582
114年 · #132582
114年 - 04000 配電線路裝修 乙級 工作項目 03:裝桿 1-60(2025/10/23 更新)#132581
114年 · #132581