所屬科目:初等/五等/佐級◆基本電學大意
2 承上題,電流 為何? (A)0A (B) 1.5 A (C)3A (D)6A
3 如圖所示,一直流電流計內電阻()為 45 Ω,且滿刻度電流()為 1 mA。現要設計成可測量多範圍之直流電流計,當開關(SW)切換至 R3 時可測量 I = 1 A 的最大電流,該 R3 約為何? (A) 0.025 Ω (B) 0.035 Ω (C) 0.045 Ω (D) 0.055 Ω
6 一導體在 50℃時電阻為 13 Ω,電阻溫度係數為 ,則該導體在 0℃時電阻為何? (A) 43.3 Ω (B) 16.9 Ω (C) 10 Ω (D)8Ω
7 如圖所示,將兩個電阻相串聯,其電導值分別為 1/5 姆歐及 1/2 姆歐,則 a, b 兩端點之電導值約為多少姆歐? (A) 0.14 (B) 0.2 (C) 0.5 (D) 0.75
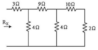
9 如圖所示之電阻電路,等效電阻 為多少歐姆?
(A)2 (B)4 (C)6 (D)8
11 如圖所示,電路中迴路電流 i2 為多少安培(A)? (A)-2 (B)-1 (C)1 (D)2
12 如圖所示為具有兩個獨立電壓源之電路,依迴路電流法計算 i2 為多少毫安培? (A)-1 (B)-0.5 (C) 0.5 (D)1
13 圖 B 所示為圖 A 自端點 a-b 所視之戴維寧等效電路,求戴維寧等效電壓 為多少伏特(V)?
(A)-9 (B)-3 (C)3 (D)9
14 如圖所示僅包含一相依電源之電路,依諾頓定理計算自端點 a-b 所視之諾頓等效電阻為多少歐姆(Ω)? (A) 4/7 (B) 3/7 (C) 2/7 (D) 1/7
15 如圖所示之網路,求電流Ⅰ之值為何? (A)-2 A (B)2A (C)-4 A (D)4A
16 如圖所示之電路,求 V 為多少伏特(V)? (A) 16/20 (B) 36/12 (C) 42/22 (D) 64/15
17 如圖所示之電路,端點 c 與端點 d 之間的等效電阻 R 為多少歐姆(Ω)? (A)8 (B) 16 (C) 24 (D) 36
18 如圖所示之電路,R1 = R2= 1 Ω,R4= R5 = 4 Ω,R3= 2 Ω,R5 所消耗的功率為多少瓦特? (A)6 (B)8 (C) 12.5 (D) 16
19 如圖所示,當 具有最大功率時,則 2 V 電壓源的輸出功率為多少? (A) 0.5 W (B)1W (C) 1.25 W (D)2W
20 如圖所示之電路,求電流 為多少安培? (A)1 (B)2 (C)3 (D)4
23 如圖所示之電路,在 t = 0 時,Va(0) = 0,計算在 t > 0 時的電壓 Va(t)為何? (A) 7.5(1-e-5t)V(B) 10(1-e-6t)V(C) 15(1-e-10t)V(D) 20(1-e-15t)V
26 如圖所示,S 未閉合前電容器與電感器未儲存能量,當電路中開關 S 閉合瞬間,電容器上電壓 為何?
(A)0V (B) 16.67 V (C) 33.34 V (D) 50 V
32 有一電感器之電感值為 0.2 H,若流過的電流 = 2 √2 cos(100t - 30°)A,則其端電壓 vL(t)為下列何者? (A) = 4 √2 sin(100t - 60°)V (B)= 40√ 2 sin(100t - 60°)V (C) = 4 √2 sin(100t + 150°)V (D)= 40√ 2 sin(100t + 150°)V
33 有一交流電路,其中電感值為 1 H,電感兩端的電壓為 = 50√ 2 sin(10t + 30°)V,則該電感在 t = 0 的瞬時功率約為何? (A)-216.5 W (B) 216.5 W (C)-108.25 W (D) 108.25 W
34 圖示電壓波形之波形因數(Form factor, FF)約為何? (A) 2.0 (B) 1.732 (C) 1.414 (D) 1.155
35 圖示電壓波形之有效值為何? (A) 2.5 V (B)5V (C)7V (D) 10 V
37 如圖所示串聯 RLC 電路中,所有電抗元件的初值能量均為零,其中 ,R = 200 Ω,L = 12 mH, C = 5 μF;當 t = 0 時開關(SW)閉合,求當 t = ∞ 時電感電壓 為何? (A)-12 V (B)0V (C) 12 V (D) 24 V